-
#1
Уважаемые специалисты!
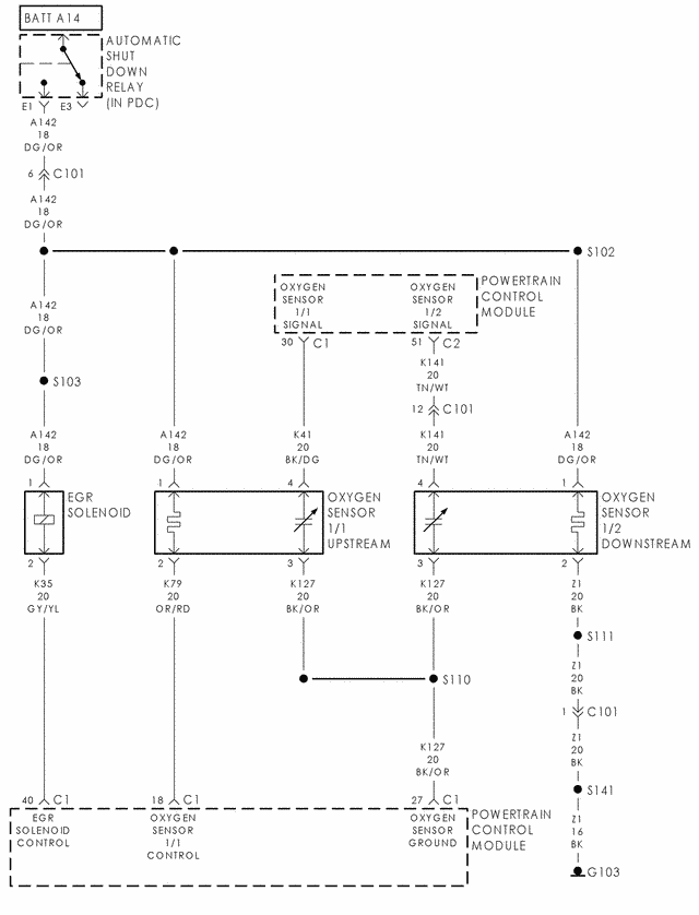
Все прочитал, поиском пользовался но вопрос остался: перманентно горит ЧЕК(потухает после заправки- потом опять горит), из ошибок- только 0403.
Машина конца 2001 Limited 2,4. Подозреваю што катализатор давно уже не функционален, но машина ездит вполне нормально. Банка глушителя предыдущим хозяином была заменена на пустую. Вот собственно и все. Где искать чтобы ЧЕК потушить? Он же пикает при каждом старте.. какбы.. дискомфорт Кто-то посоветовал пробку бензобака поменять- поменял, ничего не изменилось.
-
#2
0403 говорит о проблеме с соленоидом клапана ЕГР — катализатор и крышка бака вообще не при делах…
в 98% случаев проблема решается заменой клапана ЕГР (соленоид идет в сборе)
-
#3
Дорогое удовольствие? Хоть бы примерно?
-
#6
У меня таже ошибка, снял соленоид подал 12V работает(щелкает), ваккумник держит ,а ошибка загорается после включения зажигания. До этого горела 0401.После сброса ошибок загороалась через 200-300 км. И еще вопрос ?
На штекере который подключается к соленоиду постоянно должно быть напряжение или при каких то обстоятельствах(обороты,реле, итд).
-
#7
соленоид подает вакуум на клапан, соленоидом управляют мозги в зависимости от режима работы ДВС
-
#8
Может релюшку заклинило, схемкой ЕГР не богаты?
-
#11


плюс постоянно от ASD реле, минус подает по необходимости РСМ
з.ы. на Вашу машину открыт реколл по шлангу давления ГУРа — POWER STEERING PRESSURE HOSE
-
#12
Спасибо,где это реле территориально находится. А по рекколу это видимо к официалам? Склько денег эта операция обойдется?:shok:
-
#13
реле в черном блоке с реле и предами под капотом, Реколл — бесплатно — приезжаете, осматривают шланг, при необходимости бесплатно меняют.
-
#14
Реле рабочее, для уверенности местами сдругим поменял 0403 горит.
-
#15
реле в черном блоке с реле и предами под капотом, Реколл — бесплатно — приезжаете, осматривают шланг, при необходимости бесплатно меняют.
А можно подробнее что случается со шлангом,судя по carfax на моей в штатах его уже меняли.Для уверенности смотрел шланг но ничего не заметил странного
-
#16
перетирается в местах фиксаторов крепления к поддону ДВС
-
#17
Наверное carfax не обманул, пока все в порядке.Но гур зараза воет, забилась сетка в бачке гура,сетку удалил но наверное поздно,на холодную первые минут 15 гудит.
P.S извиняйте что не в теме пишу
-
#18
Я верхний клапан (электромагнит) разобрал и почистил, было очень много ржавчины (видимо конденсат скапливается) подал 12V и он работает ,клапван притягивается .Может кто знает какое сопротивление должно быть у катушки? И почему пишет 0403 где обрыв? Ели сопротивление не соответствует(межвитковое) тогда я понимаю почему, а если нет то тогда, что это может быть?
-
#19
В морозы отсоеденил штекер от клапана ЕГР и о чудо утром завожу и ошибка 0403 пропала.Сему виной мороз -20. Значит клапан ЕГР в холодную погоду не работает. И всетаки хочется узнать почему на штекре постоянно присутствует 12V может дело в ЭБУ двигателя???
-
#20
а схема разве не отвечает на этот вопрос?
Коды ошибок Chrysler PT Cruiser
Специальные OEM коды
| Код | Расшифровка |
|---|---|
| P1000 | Цепь Зажигания Низкая |
| P1001 | Цепи Зажигания Привет |
| P1004 | ЭБУ от питания аккумулятора и заземления силовой |
| P1005 | Цепь Заземления Sys |
| P1006 | Система рециркуляции отработавших газов/системы EVAP электромагнитный клапан цепи низкого |
| P1007 | Система рециркуляции отработавших газов/системы EVAP электромагнитный схема Привет |
| P1008 | Рулевое Управление С Усилителем В Цепи Низкое |
| P1009 | Схема Гидроусилителя Рулевого Управления Hi |
| P1012 | Цепь МПА низкая |
| P1013 | МПА схема Привет |
| P1014 | Топливный Насос Контура Низкого |
| P1015 | Схема Топливного Насоса Hi |
| P1016 | Низкая Температура Контура Наддувочного Воздуха |
| P1017 | Схема Температуры Наддувочного Воздуха Hi |
| P1018 | Последовательная Схема Передачи Данных |
| P1019 | Доводчик Не Установлен |
| P1021 | Двигатель не запустился из-за механических, топливных или зажигательных условий |
| P1022 | Цепь Реле Стартера Низкая |
| P1024 | Низкий уровень стартовой цепи ЭБУ |
| P1025 | В WoT низкий показатель цепи |
| P1026 | В WoT схема Привет |
| P1027 | ЭБУ видит полностью открытой дроссельной заслонке |
| P1028 | ЭБУ не видит широко открытой дроссельной заслонки |
| P1029 | Иса закрытой дроссельной заслонке цепь низкого уровня |
| P1030 | Иса закрытой дроссельной заслонке цепь Привет |
| P1031 | ЭБУ видит, что дроссель закрыт |
| P1032 | ЭБУ не видит закрытой дроссельной заслонки |
| P1033 | Иса обстоятельствам |
| P1037 | Схема TP Sens считывает низкий уровень |
| P1038 | Парк / Нейтральная Линия Привет |
| P1039 | Парк / Нейтральная Линия Низкая |
| P1040 | Защелкнутая Линия B + Low |
| P1041 | Прицепился Б + Строка Привет |
| P1042 | Не Прицепился, Б + 1/2 Падение Напряжения |
| P1043 | Цепь Переключающей Лампы Заземлена |
| P1044 | Д2 — 1 низкое цепи (а/т) или на повышенную лампы цепи (М/т) или Shift лампа схема Привет |
| P1045 | Цепь Переключающей Лампы Разомкнута |
| P1047 | Неправильный ЭБУ |
| P1048 | Конфигурация Транспортного Средства M/T |
| P1049 | Конфигурация Автомобиля A/T |
| P1050 | Низкие обороты холостого хода |
| P1051 | Частота вращения на холостом ходу Привет |
| P1052 | Карта Сенс вне пределов |
| P1053 | Изменение показаний карты вне пределов |
| P1054 | ОЖ Сенс & 5V питания для ТП Сенс / условиях карту минимум |
| P1055 | ОЖ Сенс Схема Привет |
| P1056 | Неактивно Температура Охлаждающей Жидкости Сенс |
| P1059 | Запрос Цепи Низкого |
| P1060 | Запрос Схема Привет |
| P1061 | A / C Select Circuit Low |
| P1062 | А/В Выберите Схему Привет |
| P1063 | Низкий Уровень Цепи Сцепления Кондиционера |
| P1064 | Муфта Компрессора Кондиционера Схема Привет & Рулевое Управление С Усилителем Входного Сигнала |
| P1068 | Защелка Реле Схема Привет |
| P1069 | Нет Тахометра |
| P1074 | ЭБУ не видит скорости Сенс |
| P1101 | Производительность связи HCM/PCM |
| P1102 | ГЭМ стоп запросу производительность |
| P1103 | Неисправность Привода Отработанного Затвора Турбокомпрессора |
| P1104 | Неисправность Электромагнитного Затвора Турбокомпрессора |
| P1105 | Неисправность Соленоида Давления Топлива |
| P1106 | Показания Барометрического Давления Диапазон/Производительность Электромагнитного Контура Выпускного Клапана |
| P1110 | Снижение Производительности Двигателя Из-За Высокой Температуры Всасываемого Воздуха |
| P1115 | Общая Температурная Рациональность |
| P1120 | Неисправность Датчика Давления Наддува / Положения Дроссельной Заслонки |
| P1128 | Замкнутый Контур Заправки Не Достигнут — Банк 1 |
| P1129 | Замкнутый Контур Заправки Не Достигнут — Банк 2 |
| P1130 | Контроль Давления В Топливной Магистрали |
| P1131 | Клапан Регулятора Давления Топлива |
| P1132 | Регулятор Давления Топлива Компенсирует Рациональность |
| P1135 | Датчик O2 нагреватель 1/1 сопротивление элемента вне диапазона |
| P1136 | Датчик O2 нагреватель 1/2 сопротивление элемента вне диапазона |
| P1137 | Датчик O2 нагреватель 1/3 сопротивление элемента вне диапазона |
| P1138 | Датчик O2 нагреватель 2/1 сопротивление элемента вне диапазона |
| P1139 | Датчик O2 нагреватель 2/2 сопротивление элемента вне диапазона |
| P1140 | Контур Управления Дроссельной Заслонкой Рециркуляции Отработавших Газов Разомкнут |
| P1146 | Группа Топливных Форсунок 1 Цепь Питания |
| P1149 | Топливная Форсунка Группа 2 Цепь Напряжения Питания |
| P1160 | Схема Включения / Выключения Зажигания |
| P1180 | Снижение Производительности Двигателя Из-За Высокой Температуры Топлива В Топливном Насосе Высокого Давления |
| P1185 | Общая Корреляция Датчиков Давления |
| P1187 | Корреляция входного давления/карты |
| P1188 | Диапазон/Производительность Цепи Датчика Давления Воздуха На Входе |
| P1189 | Цепь Датчика Давления Воздуха На Входе Низкая |
| P1190 | Цепь Датчика Давления Воздуха На Входе Высокая |
| P1192 | Температуры впускного воздуха цепи низкого |
| P1193 | Высокие температуры впускного воздуха цепи |
| P1194 | ШИМ нагревателя О2 реле производительности |
| P1195 | Медленное переключение блока датчиков O2 один датчик один во время мониторинга катализатора |
| P1196 | Медленное переключение блока датчиков O2 два датчика один во время мониторинга катализатора |
| P1197 | Медленное переключение блока датчиков O2 один датчик два во время мониторинга катализатора |
| P1198 | Слишком высокое Входное напряжение датчика температуры радиатора |
| P1199 | Слишком низкое Входное напряжение датчика температуры радиатора |
| P1201 | Датчик Движения Иглы |
| P1202 | Топливная Система Над Давлением — Заклинивший Регулятор |
| P1205 | Отказ Классификации Инжекторов |
| P1206 | Расчетное Напряжение Инжектора Выше Порогового Значения |
| P1207 | Производительность Схемы Датчика Температуры Головки Блока Цилиндров |
| P1208 | Цепь Датчика Температуры Головки Блока Цилиндров Низкая |
| P1209 | Цепь Датчика Температуры Головки Блока Цилиндров Высокая |
| P1210 | Схема Управления Масляным Радиатором Двигателя |
| P1211 | Обнаружена потеря охлаждающей жидкости двигателя |
| P1220 | Количество Активатора Топлива |
| P1225 | Датчик Управляющей Втулки |
| P1230 | Управление Временем |
| P1235 | Внешний Доступ К Количеству Топлива |
| P1239 | Слишком Низкая Температура Моторного Масла |
| P1240 | Может ли сбой связи |
| P1241 | Могут ли сообщения связи подтверждаться пропавшими без вести |
| P1242 | Могут ли коммуникационные сообщения отсутствовать |
| P1243 | Турбокомпрессор Расширительный Клапан Электромагнитный Схема |
| P1250 | Цепь Управления Вакуумным Резервуаром Разомкнута |
| P1251 | Схема Управления Вакуумным Резервуаром Низкая |
| P1252 | Схема Управления Вакуумным Резервуаром Высокая |
| P1259 | Модуль Управления Свечой Накаливания По Току |
| P1260 | Свеча Зажигания 1 Обрыв Цепи Управления |
| P1261 | Управления Свечи Предпускового Подогрева 1 Цепи Низкого |
| P1262 | Свеча Накаливания 2 Цепь Управления Разомкнута |
| P1263 | Свеча Накаливания 2 Контур Управления Низкий |
| P1264 | Свеча Накаливания 3 Цепь Управления Разомкнута |
| P1265 | Свеча Накаливания 3 Контур Управления Низкий |
| P1266 | Свеча Накаливания 4 Цепь Управления Разомкнута |
| P1267 | Свеча Накаливания 4 Контур Управления Низкий |
| P1270 | Вихревой Привод Впускного Отверстия |
| P1271 | Схема Управления Сцеплением Кондиционера 2 Блок Зарезервирован — Не Используется 02-Sep-2004 |
| P1272 | Схема Управления Сцеплением Кондиционера 2 Низкая |
| P1273 | Схема Управления Сцеплением Кондиционера 2 Высокая |
| P1274 | Цепь Управления Муфтой Переменного Тока 2 Разомкнута |
| P1275 | Схема Управления Муфтой Переменного Тока 2 Перегрузки По Току |
| P1276 | Схема Управления Стартером 2 Блок Зарезервирован-Не Используется 02-Sep-2004 |
| P1277 | Схема Управления Стартером 2 Низкий Уровень |
| P1278 | Схема Управления Стартером 2 Высокая |
| P1279 | Схема Управления Стартером 2 Разомкнута |
| P1280 | Схема Управления Реле Топливной Системы |
| P1281 | Двигатель слишком долго холоден |
| P1282 | Схема управления реле топливного насоса |
| P1283 | Ожидания выберите неверный сигнал |
| P1284 | Датчик напряжения батареи топливного насоса высокого давления вне зоны действия |
| P1285 | Регулятор топливного насоса высокого давления всегда включен |
| P1286 | Датчик положения акселератора (APPS) напряжение питания слишком высокое |
| P1287 | Низкое напряжение питания контроллера топливного насоса высокого давления |
| P1288 | Электромагнитная цепь клапана настройки короткого бегуна впускного коллектора |
| P1289 | Коллектора настройки клапана цепь электромагнита |
| P1290 | Слишком высокое давление в топливной системе СПГ |
| P1291 | Никакого повышения температуры от впускных нагревателей не видно |
| P1292 | Слишком высокое напряжение датчика давления СПГ |
| P1293 | Слишком низкое напряжение датчика давления СПГ |
| P1294 | Цель простоя не достигнута |
| P1295 | Нет 5 вольт к датчику TP |
| P1296 | Нет 5 вольт к датчику карты |
| P1297 | Отсутствие изменений в датчике карты от старта до запуска |
| P1298 | бережливой работы при широко открытой дроссельной заслонке |
| P1299 | Обнаружена утечка вакуума (IAC полностью установлен) |
| P1300 | Регулировка опережения зажигания Неисправность цепи |
| P1388 | Схема управления реле автоматического отключения |
| P1389 | Нет выходного напряжения реле ASD на PCM |
| P1390 | Ремень ГРМ пропустил один зуб или больше |
| P1391 | Временная потеря СМР и СКР |
| P1398 | МИС-огонь адаптивной числителя на предел (ПКМ не в состоянии выучить датчики коленчатого вала сигнал для использования при подготовке к диагностика пропусков зажигания |
| P1399 | Подождите, чтобы запустить цепь лампы |
| P1400 | Неисправность Цепи Датчика Перепада Давления В Коллекторе |
| P1403 | Нет подачи 5 вольт на EGR |
| P1404 | Рег закрыть производительности установки |
| P1411 | Цилиндра 1 Контроль Реактивации Производительностью |
| P1412 | Цилиндр 2 Управления Реактивации Производительностью |
| P1413 | Цилиндра 3 Управления Реактивации Производительностью |
| P1414 | Производительность Управления Реактивацией Цилиндра 4 |
| P1415 | Цилиндр 5 Эффективность Управления Реактивацией |
| P1416 | Цилиндра 6 Управления Реактивации Производительностью |
| P1417 | Цилиндр 7 Эффективность Управления Реактивацией |
| P1418 | Цилиндра 8 Управления Реактивации Производительностью |
| P1420 | Регистр резонансной зарядки 1 (RRC1) |
| P1425 | Регистр резонансной зарядки 2 (RRC2) |
| P1443 | Управления клапана продувки адсорбера цепь 2 |
| P1450 | Регулятор дроссельной заслонки EGR |
| P1451 | Производительность Системы Сажевого Фильтра Дизельного Топлива |
| P1452 | Производительность Шланга Датчика Перепада Давления |
| P1453 | Шланг Датчика Перепада Давления Заблокирован |
| P1454 | Слишком Высокий Расход Датчика Перепада Давления |
| P1462 | Выходной Контур Низкого Уровня Топлива |
| P1463 | Выходной Контур Высокого Уровня Топлива |
| P1470 | Обнаружение Утечки Реле Давления Насоса Низкое |
| P1471 | Обнаружение Утечки Переключатель Давления Насоса Высокий |
| P1472 | Обнаружение Утечки Электромагнитный Контур Насоса Низкий |
| P1473 | Обнаружение Утечки Электромагнитный Контур Насоса Высокий |
| P1474 | Обнаружение Утечки Электромагнитная Цепь Насоса Разомкнута |
| P1475 | Вспомогательный источник питания 5 вольт слишком высок |
| P1476 | Слишком мало вторичного воздуха |
| P1477 | Слишком много вторичного воздуха |
| P1478 | Датчик температуры батареи Вольт вне предела |
| P1479 | Релейная Схема Вентилятора Трансмиссии |
| P1480 | ПВХ электромагнитный схема |
| P1481 | EATX (электронная автоматическая коробка передач) производительность генератора импульсов оборотов в минуту |
| P1482 | Температура каталитического нейтрализатора цепь датчика замкнута с низким |
| P1483 | Температура каталитического нейтрализатора цепь датчика замкнута высокая |
| P1484 | Обнаружен перегрев каталитического нейтрализатора |
| P1485 | Электромагнитный контур впрыска воздуха |
| P1486 | Монитор утечки EVAP обнаружил зажатый шланг |
| P1487 | Схема Высокоскоростного Вентилятора № 2 |
| P1488 | Вспомогательный выход питания 5 вольт слишком низок |
| P1489 | Релейная схема управления высокоскоростным вентилятором |
| P1490 | Релейная схема управления низкоскоростным вентилятором |
| P1491 | Схема управления реле вентилятора радиатора |
| P1492 | Слишком высокое входное напряжение датчика температуры окружающей среды/ батареи |
| P1493 | Слишком низкое входное напряжение датчика температуры окружающей среды/ батареи |
| P1494 | Обнаружение утечек реле давления насоса или механическая неисправность |
| P1495 | Обнаружения утечек насос цепь электромагнита |
| P1496 | 5 вольт питания, выход слишком низкий |
| P1498 | Релейная схема заземления высокоскоростного вентилятора радиатора |
| P1499 | Гидравлический Вентилятор Электромагнитный ЦКТ |
| P1500 | Общая неисправность клеммной цепи генератора переменного тока «FR» |
| P1501 | Датчик Скорости Автомобиля 1/2 Корреляция-Ведущие Колеса |
| P1502 | Датчик Скорости Автомобиля 1/2 Корреляция-Не Приводные Колеса |
| P1503 | Корреляция Датчика Скорости |
| P1505 | Выходная Цепь Скорости Транспортного Средства Высокая |
| P1510 | Датчик Температуры Батареи |
| P1511 | Линия Измерения Заряда Батареи 1 |
| P1512 | Линия Батареи 2 |
| P1513 | Переключатель Запроса Стартера Застрял |
| P1515 | Датчик Педали Акселератора |
| P1518 | Круиз контроль передний датчик расстояния объектив грязный SAE TEMP |
| P1519 | Круиз-контроль передний датчик расстояния объектив треснул / отсутствует SAE TEMP |
| P1520 | Круиз-Мукс-переключатели (недопустимое напряжение) |
| P1521 | Неправильный Тип Моторного Масла |
| P1525 | Датчик Размораживания |
| P1530 | Производительность Цепи Датчика Запуска/Запуска Зажигания |
| P1535 | Регулятор Давления Топлива Регулятор Тока |
| P1536 | Ток Возбуждения Генератора Переменного Тока |
| P1572 | Педаль Тормоза Застряла |
| P1573 | Педаль Тормоза Заклинило |
| P1593 | Мультиплексный Переключатель Управления Скоростью 1 / 2 Застрял |
| P1594 | Слишком высокое напряжение системы зарядки |
| P1595 | Электромагнитные цепи управления скоростью |
| P1596 | Переключатель управления скоростью всегда высокий |
| P1597 | Переключатель управления скоростью всегда низкий |
| P1598 | Слишком высокое входное напряжение датчика давления кондиционера |
| P1599 | Слишком низкое входное напряжение датчика давления кондиционера |
| P1600 | Неисправность Линии Последовательной Связи |
| P1601 | Внутренняя ошибка компьютера TCM |
| P1602 | PCM не запрограммирован |
| P1603 | Сбой внутренней двухпортовой оперативной памяти PCM |
| P1604 | Сбой целостности чтения/записи внутренней двухпортовой оперативной памяти PCM |
| P1605 | выключатель зажигания |
| P1606 | После Бега |
| P1607 | Рациональность таймера внутреннего выключения PCM |
| P1608 | Аналого-Цифровой Преобразователь |
| P1609 | Получение отказа Powerstage |
| P1610 | регулятор напряжения |
| P1611 | Отключение Насосного Элемента |
| P1612 | Максимальное Отклонение Скорости Регулятора-Ограничение Расхода Топлива |
| P1614 | Произошел сброс/восстановление ЭБУ |
| P1615 | Ошибка Микроконтроллера |
| P1616 | Выходное опорное напряжение 5 в 1 низкое |
| P1617 | Выходное опорное напряжение 5 в 1 Высокое |
| P1618 | Выходное опорное напряжение 5 в 1 шумный сигнал или опорное напряжение датчика 1 неустойчивое |
| P1619 | Кривошип Двигателя Без Запроса |
| P1620 | Опорное Напряжение 2,5 В |
| P1621 | Выходное опорное напряжение 5 в 1 |
| P1622 | Выходное опорное напряжение 5 в 2 |
| P1623 | Реле/управление ASD обесточивают слишком рано |
| P1624 | Реле/управление ASD обесточивают слишком долго |
| P1625 | Главное Реле |
| P1626 | Выходное опорное напряжение 5 в 2 низкое |
| P1628 | Выходное опорное напряжение 5 в 2 шумный сигнал или опорное напряжение датчика 2 неустойчивое |
| P1629 | TCM внутренний: электромагнитный источник питания/сторожевой пес |
| P1630 | Контроллер Электромагнитного Клапана / Двигатель Топливного Охладителя |
| P1631 | Внутри модуля управления коробкой передач — процессор с тактовой производительности |
| P1632 | TCM Internal-тест производительности внутреннего сторожевого пса |
| P1633 | ТКМ внутреннего теста внешнего исполнения сторожевой |
| P1634 | TCM Internal-производительность внутреннего сторожевого пса |
| P1635 | Реле Свечи Накаливания |
| P1636 | TCM Internal — External Watchdog Performance |
| P1637 | ТКМ внутренней производительности памяти EEPROM |
| P1638 | КПП, внутренние — можете 1 производительность оперативной памяти |
| P1639 | КПП, внутренние — можете 2 производительность оперативной памяти |
| P1640 | Вспомогательное Реле Свечи Накаливания |
| P1641 | Обогреватель Кабины 1 |
| P1642 | Обогреватель Кабины 2 |
| P1643 | Вязкий Обогреватель Кабины |
| P1644 | Неправильный Вариант Конфигурации |
| P1645 | Дождитесь запуска лампы (дисплей свечи накаливания) |
| P1646 | Схема Управления Гидравлическим Охлаждающим Вентилятором Низкая |
| P1647 | Схема Управления Гидравлическим Охлаждающим Вентилятором Высокая |
| P1648 | Модуль Свечи Накаливания Внутренний |
| P1649 | Схема Питания Модуля Свечи Накаливания |
| P1650 | Диагностическая (Проверка Двигателя) Лампа |
| P1651 | Мил/диагностического светильника через j1850 автобус |
| P1652 | Коммуникационная Шина J1850 |
| P1653 | Низкий Уровень Цепи Коммуникационной Шины J1850 |
| P1654 | Высокая Схема Коммуникационной Шины J1850 |
| P1655 | Реле Сцепления Кондиционера |
| P1656 | Коммуникационная Шина J1850 Занята / Недоступна |
| P1657 | Протоколы j1850 Шина связи недействительным ППП получил |
| P1660 | Аварийная Остановка Топливный Запорный Соленоид |
| P1661 | Массы Датчика Опорного Напряжения |
| P1666 | Внутренний Модуль Круиз-Контроля |
| P1668 | И т. д. ТПС 1 х 4 производительность — ECU внутреннего |
| P1669 | И т. д. А2Д производительности Земли — внутренняя ЭБУ |
| P1670 | Калибровка Кривой Крутящего Момента |
| P1671 | Питание Датчика Давления Топливной Магистрали |
| P1672 | Питание Датчика Педали Акселератора |
| P1673 | Питание Датчика Давления Наддува |
| P1674 | Питание Датчика Массового Расхода Воздуха |
| P1675 | Реле Интеллектуального Пуска |
| P1678 | Требуется дополнительное подключение датчика ЭБУ |
| P1679 | Калибровка Не Изучена |
| P1680 | Цепь выключателя выключения сцепления |
| P1681 | Нет полученных сообщений I / P Cluster CCD/ J1850 |
| P1682 | Слишком низкое напряжение системы зарядки |
| P1683 | Круиз-контроль усилитель руля регулятор мощности схема |
| P1684 | Батарея была отключена в течение последних 50 пусков |
| P1685 | SKIM (Smart Key Immobilizer Module) получил неверный ключ |
| P1686 | Не получено сообщение шины SKIM (Smart Key Immobilizer Module) |
| P1687 | Никаких механических приборов автобусное сообщение |
| P1688 | Неисправность контроллера внутреннего топливного насоса высокого давления |
| P1689 | Отсутствие связи между ЭЦМ и модулем впрыскивающего насоса |
| P1690 | Топливный насос датчика положения коленчатого вала впрыск не согласен с датчик положения коленчатого вала, ЕСМ |
| P1691 | Ошибка калибровки контроллера топливного насоса высокого давления |
| P1692 | Неисправность в модуле управления сопутствующим двигателем |
| P1693 | Компаньон DTC был установлен как в ECM, так и в PCM |
| P1694 | Нет ПЗС-сообщения от передачи PCM-Aisin |
| P1695 | Нет ПЗС-сообщения от модуля управления корпусом |
| P1696 | РСМ ЭСППЗУ написать отказано |
| P1697 | PCM Failure SRI (индикатор напоминания об обслуживании) пробег не сохраняется |
| P1698 | Нет сообщения CCD от TCM |
| P1699 | Нет Сообщений Шины Климат-Контроля |
| P1701 | Электронная система управления дроссельной заслонкой (Mil Request) (зарезервирована для HAL Z.) |
| P1703 | Выключатель Тормоза |
| P1704 | Датчик Входной Скорости 1 Превышение Скорости |
| P1705 | Датчик Оборотов Входного Вала 2 Превышения Скорости |
| P1707 | КПП перегрева/пониженного перенапряжения активирована |
| P1708 | Привод Дальности Передачи Не Может Сдвинуться С Места |
| P1709 | Дальность Передачи Положение Привода Не Достигнуто |
| P1710 | Неправильно Примененное Сцепление Коробки Передач — Тест 1 |
| P1711 | Неправильно Примененное Сцепление Коробки Передач — Тест 2 |
| P1712 | Электромагнитные Клапаны Коробки Передач, Текущие Показатели |
| P1713 | Ограниченный ручной клапан в диапазоне T2 |
| P1714 | Низкое Напряжение Батареи |
| P1715 | ПГ неисправности агрегата |
| P1716 | Нет связи с ЭБУ |
| P1717 | Никакой связи с микрофоном |
| P1718 | Сбой целостности EEPROM |
| P1719 | Пропустить электромагнитного клапана переключения цепи |
| P1721 | Схема датчика давления в магистрали (старая) |
| P1722 | Низкое давление в магистрали (старое) |
| P1723 | Блокировка / Выбор Схемы Управления |
| P1724 | Высокое давление в трубопроводе (старое) |
| P1725 | Индуктивный Вспомогательный Датчик Скорости |
| P1726 | Схема гидравлического реле давления UD |
| P1727 | 4С гидравлическое давление переключатель схема |
| P1728 | 2С гидравлическое давление переключатель схема |
| P1729 | Схема Управления Передаточным Отношением |
| P1730 | Первичный Выключатель Тормоза |
| P1731 | Неправильно Включенная Передача |
| P1732 | Давления УД переключатель проверить |
| P1733 | 4C проверка реле давления |
| P1734 | 2C проверка реле давления |
| P1735 | Недостаточный объем элемента 4С (старый) |
| P1736 | Неправильное передаточное число 2-й передачи |
| P1737 | ФС/ошибка ЛР цепи электромагнитного клапана |
| P1738 | Активирована работа при высокой температуре (транс-перегрев) |
| P1739 | Сила-в скорости |
| P1740 | Производительность электромагнитного клапана муфты гидротрансформатора, или соленоида овердрайва |
| P1741 | Погрешность передаточного числа в 4 простых |
| P1742 | Сбой контрольной суммы ПЗУ |
| P1743 | Сбой целостности оперативной памяти |
| P1744 | Блокировка Гидротрансформатора-Терморегулирование Сцепления |
| P1745 | Давление в линии электропередачи слишком высокое слишком долго |
| P1749 | Схема Датчика Положения Дроссельной Заслонки Трансмиссии Низкая |
| P1750 | Неисправность Электромагнитного Узла |
| P1751 | Трансмиссия Датчик Положения Дроссельной Заслонки Минимальная Дальность Действия |
| P1752 | Производительность Пролета Дроссельной Заслонки Трансмиссии |
| P1753 | Механические Характеристики Дроссельной Заслонки Трансмиссии |
| P1754 | Привод Дроссельной Заслонки Трансмиссии Застрял |
| P1755 | Схема Управления Дроссельной Заслонкой Трансмиссии |
| P1756 | Давление регулятора не равное целевому при 15-20 фунтов на |
| P1757 | квадратный дюйм давление регулятора выше 3 фунтов на квадратный дюйм при запросе 0 фунтов на квадратный дюйм |
| P1758 | Трансмиссия Дроссельная Заслонка Привод Перегрузки По Току |
| P1762 | Смещение датчика давления регулятора неправильное напряжение |
| P1763 | Напряжение датчика давления регулятора до высокого |
| P1764 | Напряжение датчика давления регулятора до низкого |
| P1765 | Схема управления реле питания трансмиссии 12 вольт |
| P1766 | Реле Передачи Заклинил В Выключенном Состоянии |
| P1767 | Реле всегда включено (контакты реле сварены замкнутыми) |
| P1768 | Реле всегда выключено (реле застряли открытыми) |
| P1770 | LR неадекватный элемент voume: LR, 2-4, OD |
| P1771 | LR неадекватный элемент voume: LR, 2-4, OD |
| P1772 | LR неадекватный элемент voume: LR, 2-4, OD |
| P1773 | Недостаточный объем элемента UD (старый) |
| P1775 | Электромагнитный клапан защелкивается в положение Лу |
| P1776 | Электромагнитный клапан защелкивается в положении ЛР |
| P1780 | Цепь реле давления: все |
| P1781 | Цепь реле давления: OD |
| P1782 | Цепь реле давления: 2-4 |
| P1783 | Цепь реле давления: 2-4 / OD |
| P1784 | Цепь реле давления: LR |
| P1785 | Цепь реле давления: LR/OD |
| P1786 | Цепь реле давления: LR / 2-4 |
| P1787 | Гидравлический переключатель давления: OD |
| P1788 | Гидравлический Переключатель Давления: 2-4 |
| P1789 | Гидравлический переключатель давления: OD / 2-4 |
| P1790 | Неисправность сразу после смены |
| P1791 | Уровень входного сигнала цепи датчика температуры охлаждающей жидкости |
| P1792 | Питание батареи было отключено с момента последнего отключения питания |
| P1793 | ТРД ссылке ошибка связи |
| P1794 | Ошибка скоростей: заземление датчика Speen |
| P1795 | Модуль внутреннего контроля |
| P1796 | Проверьте Входную Цепь Автостика |
| P1797 | Перегрев Ручного Переключения Передач |
| P1798 | Износ или прогорание трансмиссионной жидкости |
| P1799 | Рассчитанная температура масла при использовании. |
| P1830 | Релейная цепь переключения педали сцепления |
| P1854 | Дроссель входного давления / барометрического давления вне допустимого диапазона |
| P1899 | Переключатель парк / нейтраль застрял в парке или передаче |
Кузов (подушки безопасности, центральный замок, электростекло-подъемники).
| Код | Расшифровка |
|---|---|
| B0001 | PCM Discrete Input Speed Signal Error |
| B0002 | Driver Frontal Stage 2 Deployment Control (Subfault) |
| B0003 | Driver Frontal Stage 3 Deployment Control (Subfault) |
| B0004 | PCM Discrete Input Speed Signal Not Present |
| B0005 | In Park Switch Circuit Malfunction |
| B0010 | Passenger Frontal Stage 1 Deployment Control (Subfault) |
| B0011 | Passenger Frontal Stage 2 Deployment Control (Subfault) |
| B0012 | Passenger Frontal Stage 3 Deployment Control (Subfault) |
| B0013 | Passenger Knee Bolster Deployment Control (Subfault) |
| B0016 | RF/Passenger Frontal Deployment Loop (Single Stage or Stage 1) Resistance Low |
| B0017 | RF/Passenger Frontal Deployment Loop (Single Stage or Stage 1) Open |
| B0018 | RF/Passenger Frontal Deployment Loop (Single Stage or Stage 1) Short to Ground/Voltage Out of Range |
| B0020 | Left Side Airbag Deployment Control (Subfault) |
| B0021 | Left Curtain Deployment Control 1 (Subfault) |
| B0022 | LF/Driver Frontal Deployment Loop (Single Stage or Stage 1) Resistance Low |
| B0024 | LF/Driver Frontal Deployment Loop (Single Stage or Stage 1) Short to Ground/Voltage Out of Range |
| B0026 | LF/Driver Frontal Deployment Loop (Single Stage or Stage 1) Open |
| B0028 | RF/Passenger Side Deployment Loop Resistance Low |
| B0029 | RF/Passenger Side Deployment Loop Open |
| B002A | Right Curtain Deployment Control 2 (Subfault) |
| B0030 | RF/Passenger Side Deployment Loop Short to Ground/Voltage Out of Range |
| B0031 | Second Row Left Frontal Stage 1 Deployment Control (Subfault) |
| B0032 | Second Row Left Frontal Stage 2 Deployment Control (Subfault) |
| B0033 | Second Row Left Frontal Stage 3 Deployment Control (Subfault) |
| B0035 | ADS Closed/Shorted to Ground |
| B0036 | ADS Open/Missing/Shorted to Battery |
| B0037 | AUX switch closed/shorted to ground |
| B0038 | AUX switch open/shorted to battery |
| B0039 | Second Row Right Frontal Stage 1 Deployment Control (Subfault) |
| B003A | Second Row Right Frontal Stage 2 Deployment Control (Subfault) |
| B003B | Second Row Right Frontal Stage 3 Deployment Control (Subfault) |
| B0040 | LF/Driver Side Deployment Loop Resistance Low |
| B0041 | LF/Driver Side Deployment Loop Open |
| B0042 | Third Row Left Frontal Stage 2 Deployment Control (Subfault) |
| B0043 | Third Row Left Frontal Stage 3 Deployment Control (Subfault) |
| B0045 | LF Side Deploy Loop Short to Ground/Voltage Out of Range |
| B0048 | Third Row Right Side Airbag Deployment Control (Subfault) |
| B0049 | Third Row Right Frontal Stage 1 Deployment Control (Subfault) |
| B004A | Third Row Right Frontal Stage 2 Deployment Control (Subfault) |
| B004B | Third Row Right Frontal Stage 3 Deployment Control (Subfault) |
| B0050 | Driver Seatbelt Sensor (Subfault) |
| B0051 | Deployment Commanded |
| B0052 | Passenger Seatbelt Sensor (Subfault) |
| B0053 | Deployment Commanded with Loop Malfunctions Present |
| B0054 | Second Row Center Seatbelt Sensor (Subfault) |
| B0055 | Second Row Right Seatbelt Sensor (Subfault) |
| B0056 | Third Row Left Seatbelt Sensor (Subfault) |
| B0057 | RF/Passenger Pretensioner Deployment Loop Resistance Low |
| B0058 | RF/Passenger Pretensioner Deployment Loop Open |
| B0059 | RF/Passenger Pretensioner Deployment Loop Short to Ground/Voltage Out of Range |
| B0060 | Driver Seatbelt Tension Sensor (Subfault) |
| B0061 | Passenger Seatbelt Tension Sensor (Subfault) |
| B0064 | LF/Driver Pretensioner Deployment Loop Resistance Low |
| B0065 | LF/Driver Pretensioner Deployment Loop Open |
| B0066 | LF/Driver Pretensioner Deployment Loop Short to Ground/Voltage Out of Range |
| B0071 | First Row Center Seatbelt Pretensioner Deployment Control (Subfault) |
| B0073 | Supplemental Deployment Loop #1 Resistance Low |
| B0074 | Supplemental Deployment Loop #1 Open |
| B0075 | Supplemental Deployment Loop #1 Short to Ground/Voltage Out of Range |
| B0076 | Third Row Left Seatbelt Pretensioner Deployment Control (Subfault) |
| B0077 | LF/Driver SIS Malfunction |
| B0078 | RF/Passenger SIS Malfunction |
| B0079 | Incorrect LF/Driver SIS Installed |
| B0080 | Discard LF/Driver SIS |
| B0081 | Incorrect RF/Passenger SIS Installed |
| B0082 | Discard RF/Passenger SIS |
| B0083 | Second Row Left Seatbelt Load Limiter Deployment Control (Subfault) |
| B0084 | Second Row Center Seatbelt Load Limiter Deployment Control (Subfault) |
| B0085 | Second Row Right Seatbelt Load Limiter Deployment Control (Subfault) |
| B0086 | Supplemental Deployment Loop #2 Resistance Low |
| B0087 | Supplemental Deployment Loop #2 Open |
| B0088 | Supplemental Deployment Loop #2 Short to Ground/Voltage Out of Range |
| B0090 | Active switch voltage out of range |
| B0091 | Active switch: wrong state |
| B0092 | PPS passenger detection error |
| B0093 | PPS/CPS self-test malfunction |
| B0094 | CPS childseat detection error |
| B0095 | SDM-PPS/CPS mismatch malfunction |
| B0096 | Right Side Restraints Sensor 1 (Subfault) |
| B0097 | Right Side Restraints Sensor 2 (Subfault) |
| B0098 | Right Side Restraints Sensor 3 (Subfault) |
| B0099 | Roll Over Sensor (Subfault) |
| B009A | Left Side Restraints Sensor 4 (Subfault) |
| B009B | Left Side Restraints Sensor 5 (Subfault) |
| B009C | Left Side Restraints Sensor 6 (Subfault) |
| B009D | Right Side Restraints Sensor 4 (Subfault) |
| B009E | Right Side Restraints Sensor 5 (Subfault) |
| B009F | Right Side Restraints Sensor 6 (Subfault) |
| B00A0 | Occupant Classification System (Subfault) |
| B00A1 | Occupant Position System (Subfault) |
| B00B5 | Driver Seat Track Position Restraints Sensor (Subfault) |
| B00B6 | Driver Seat Recline Position Restraints Sensor (Subfault) |
| B00C5 | Passenger Seat Track Position Restraints Sensor (Subfault) |
| B00C6 | Passenger Seat Recline Position Restraints Sensor (Subfault) |
| B00D0 | Driver Seatbelt Indicator (Subfault) |
| B00D1 | Passenger Seatbelt Indicator (Subfault) |
| B00D2 | Restraint System Malfunction Indicator 1 (Subfault) |
| B00D3 | Restraint System Malfunction Indicator 2 (Subfault) |
| B00D4 | Restraint System Malfunction Audible Indicator (Subfault) |
| B00D5 | Restraint System Passenger Disable Indicator (Subfault) |
| B00DF | Passenger Restraints Disable Switch (Subfault) |
| B0126 | Right Panel Discharge Temperature Fault |
| B0131 | Right Heater Discharge Temperature Fault |
| B0159 | Outside Air Temperature Sensor Circuit Range/Performance |
| B0164 | Passenger Compartment Temperature Sensor #1 (Single Sensor or LH) Circuit Range/Performance |
| B0169 | In-car Temp Sensor Failure (passenger -not used) |
| B0174 | Output Air Temperature Sensor #1 (Upper; Single or LH) Circuit Range/Performance |
| B0179 | Output Air Temperature Sensor #2 (Lower; Single or LH) Circuit Range/Performance |
| B0184 | Solar Load Sensor #1 CKT Range |
| B0189 | Solar Load Sensor #2 CKT Range |
| B0248 | Mode Door Inoperative Error |
| B0249 | Heater/Defrost/AC Door Range Error |
| B0268 | A/I Door Inoperative Error |
| B0269 | Air Inlet Door Range Error |
| B0408 | Temperature Control #1 (Main/Front) Circuit Malfunction |
| B0409 | Air Mix Door #1 Range Error |
| B0419 | Air Mix Door #2 Range Error |
| B0423 | Air Mix Door #2 Inoperative Error |
| B0428 | Air Mix Door #3 Inoperative Error |
| B0429 | Temperature Control #3 Rear Circuit Range/Performance |
| B0510 | RH Panel Discharge Temp Sensor Failure |
| B0515 | RH Heater Discharge Temp Sensor Failure |
| B0520 | Rear Discharge Temp Sensor Failure |
| B0530 | Fuel Level Sensor Stuck |
| B0532 | Fuel Sensor Shorted To Ground |
| B0533 | Fuel Sensor Open/Shorted To B+ |
| B0688 | Security System Indicator Circuit High |
| B0768 | Service Indicator Circuit High |
| B0846 | +5 Volt Reference Out of Range |
| B0856 | Battery 2 Out of Range |
Шасси (ABS противопробуксовочная система, ESP, TCS-Traction Control System Система курсовой устойчивости)
| Код | Расшифровка |
|---|---|
| C0010 | Left Front Inlet Control (Subfault) |
| C0011 | Left Front Outlet Control (Subfault) |
| C0012 | Left Front Hydraulic Release Too Long (Subfault) |
| C0014 | Right Front Inlet Control (Subfault) |
| C0015 | Right Front Outlet Control (Subfault) |
| C0016 | Right Front Hydraulic Release Too Long (Subfault) |
| C0018 | Left Rear Inlet Control (Subfault) |
| C0019 | Left Rear Outlet Control (Subfault) |
| C001A | Left Rear Hydraulic Release Too Long (Subfault) |
| C001C | Right Rear Inlet Control (Subfault) |
| C001D | Right Rear Outlet Control (Subfault) |
| C001E | Right Rear Hydraulic Release Too Long (Subfault) |
| C0020 | ABS Pump Motor Control (Subfault) |
| C0021 | Brake Booster Performance (Subfault) |
| C0022 | Brake Booster Solenoid (Subfault) |
| C0023 | Stop Lamp Control (Subfault) |
| C0030 | Left Front Tone Wheel (Subfault) |
| C0031 | Left Front Wheel Speed Sensor (Subfault) |
| C0032 | Left Front Wheel Speed Sensor Supply (Subfault) |
| C0033 | Right Front Tone Wheel (Subfault) |
| C0034 | Right Front Wheel Speed Sensor (Subfault) |
| C0035 | Right Front Wheel Speed Sensor Supply (Subfault) |
| C0036 | Left Rear Tone Wheel (Subfault) |
| C0037 | Left Rear Wheel Speed Sensor (Subfault) |
| C0038 | Left Rear Wheel Speed Sensor Supply (Subfault) |
| C0039 | Right Rear Tone Wheel (Subfault) |
| C003A | Right Rear Wheel Speed Sensor (Subfault) |
| C003B | Right Rear Wheel Speed Sensor Supply (Subfault) |
| C003C | Rear Tone Wheel (Subfault) |
| C003D | Rear Wheel Speed Sensor (Subfault) |
| C003E | Rear Wheel Speed Sensor Supply (Subfault) |
| C0047 | Brake Booster Pressure Sensor (Subfault) |
| C0048 | Brake Booster Travel Sensor (Subfault) |
| C0049 | Brake Fluid (Subfault) |
| C004A | Brake Lining Wear Sensor (Subfault) |
| C0051 | Steering Wheel Position Sensor (Subfault) |
| C0061 | Lateral Acceleration Sensor (Subfault) |
| C0062 | Longitudinal Acceleration Sensor (Subfault) |
| C0063 | Yaw Rate Sensor (Subfault) |
| C0064 | Roll Rate Sensor |
| C0069 | Yaw Rate/Longitude Sensors (Subfault) |
| C006A | Multi-axis Acceleration Sensor (Subfault) |
| C006B | Stability System Active Too Long (Subfault) |
| C006C | Stability System |
| C0071 | 2/4 Wheel Drive Status Input (Subfault) |
| C0072 | Brake Temperature Too High (Subfault) |
| C0073 | Delivered Driving Torque (Subfault) |
| C0074 | Requested Driving Torque (Subfault) |
| C0075 | Extended Brake Pedal Travel, output to PCM (Subfault) |
| C0076 | PWM for Traction Control (Subfault) |
| C0077 | Low Tire Pressure (Subfault) |
| C0078 | Tire Diameter (Subfault) |
| C0079 | Variable Effort Steering (Subfault) |
| C0081 | ABS Malfunction Indicator (Subfault) |
| C0082 | Brake System Malfunction Indicator (Subfault) |
| C0083 | Tire Pressure Monitor Malfunction Indicator (Subfault) |
| C0084 | Traction Active Indicator (Subfault) |
| C0085 | Traction Disable Indicator (Subfault) |
| C0086 | Vehicle Dynamics Indicator (Subfault) |
| C0089 | TCS Disable Switch (Subfault) |
| C008A | TCS Mode Control (Subfault) |
Контроль системы смесеобразования и системы доп. снижения токсичности выхлопа
| Код | Расшифровка |
|---|---|
| P0000 | Неисправностей не обнаружено |
| P0001 | Управление регулятором подачи топлива — обрыв цепи |
| P0002 | Управление регулятором подачи топлива — параметры цепи |
| P0003 | Управление регулятором подачи топлива — низкое напряжение |
| P0004 | Управление регулятором подачи топлива — высокое напряжение |
| P0005 | Клапан отсечки подачи топлива — обрыв цепи |
| P0006 | Клапан отсечки подачи топлива — низкий уровень сигнала |
| P0007 | Клапан отсечки подачи топлива — высокий уровень сигнала |
| P0008 | Система синхронизации фаз, банк 1 — характеристика двигателя |
| P0009 | Система синхронизации фаз, банк 2 — характеристика двигателя |
| P000A | Положение впускного распределительного вала A, банк 1 — малое быстродействие |
| P000B | Положение выпускного распределительного вала B, банк 1 — малое быстродействие |
| P000C | Положение впускного распределительного вала A, банк 2 — малое быстродействие |
| P000D | Положение выпускного распределительного вала B, банк 2 — малое быстродействие |
| P000E | Управление регулятором подачи топлива ТНВД — превышен предел обучения |
| P000F | Топливная система, активирован предохранительный клапан давления |
| P0010 | Привод системы изменения фаз газораспределения, впуск/левый/передний, банк 1 — неисправность электрической цепи |
| P0011 | Положение распределительного вала, впуск/левый/передний, банк 1 — слишком ранний угол открывания клапанов / нарушение функционирования системы |
| P0012 | Положение распределительного вала, впуск/левый/передний, банк 1 — слишком поздний угол открывания клапанов |
| P0013 | Привод системы изменения фаз газораспределения, впуск/левый/передний, банк 1 — неисправность электрической цепи |
| P0014 | Привод системы изменения фаз газораспределения, выпуск/правый/задний, банк 1 — слишком ранний угол открывания / функционирование системы |
| P0015 | Привод системы изменения фаз газораспределения, выпуск/правый/задний, банк 1 — слишком поздний угол открывания |
| P0016 | Положение коленчатого и распределительного валов, банк 1, датчик А — нет соответствия |
| P0017 | Положение коленчатого и распределительного валов, банк 1, датчик В — корреляция |
| P0018 | Положение коленчатого и распределительного валов, банк 2, датчик А — корреляция |
| P0019 | Положение коленчатого и распределительного валов, банк 2, датчик B — корреляция |
| P001A | Управление А профилем впускного распределительного вала, банк 1 — обрыв цепи |
| P001B | Управление А профилем впускного распределительного вала, банк 1 — низкий уровень сигнала |
| P001C | Управление А профилем впускного распределительного вала, банк 1 — высокий уровень сигнала |
| P001D | Управление А профилем впускного распределительного вала, банк 2 — обрыв цепи |
| P001E | Управление А профилем впускного распределительного вала, банк 2 — низкий уровень сигнала |
| P001F | Управление А профилем впускного распределительного вала, банк 2 — высокий уровень сигнала |
| P0020 | Привод системы изменения фаз газораспределения, впуск/левый/передний, банк 2 — неисправность электрической цепи |
| P0021 | Положение распределительного вала, впуск/левый/передний, банк 2 — слишком ранний угол открывания клапанов / нарушение функционирования системы |
| P0022 | Положение распределительного вала, впуск/левый/передний, банк 2 — слишком поздний угол открывания клапанов |
| P0023 | Привод системы изменения фаз газораспределения, выпуск/правый/задний, банк 2 — неисправность электрической цепи |
| P0024 | Положение распределительного вала, выпуск/правый/задний, банк 2 — слишком ранний угол открывания / функционирование системы |
| P0025 | Положение распределительного вала, выпуск/правый/задний, банк 2 — слишком поздний угол открывания |
| P0026 | Э/м клапан управления впускными клапанами, банк 1 — диапазон/функционирование |
| P0027 | Э/м клапан управления выпускными клапанами, банк 1 — диапазон/функционирование |
| P0028 | Э/м клапан управления впускными клапанами, банк 2 — диапазон/функционирование |
| P0029 | Э/м клапан управления выпускными клапанами, банк 2 — диапазон/функционирование |
| P002A | Управление В профилем выпускного распределительного вала, банк 1 — обрыв цепи |
| P002B | Управление В профилем выпускного распределительного вала, банк 1 — низкий уровень сигнала |
| P002C | Управление В профилем выпускного распределительного вала, банк 1 — высокий уровень сигнала |
| P002D | Управление В профилем выпускного распределительного вала, банк 2 — обрыв цепи |
| P002E | Управление В профилем выпускного распределительного вала, банк 2 — низкий уровень сигнала |
| P002F | Управление В профилем выпускного распределительного вала, банк 2 — высокий уровень сигнала |
| P0030 | Подогреваемый кислородный датчик 1, банк 1, управление нагревателем — неисправность электрической цепи |
| P0031 | Подогреваемый кислородный датчик 1, банк 1, управление нагревателем — низкое напряжение цепи |
| P0032 | Подогреваемый кислородный датчик 1, банк 1, управление нагревателем — высокое напряжение цепи |
| P0033 | Перепускной клапан турбокомпрессора — неисправность электрической цепи |
| P0034 | Перепускной клапан турбокомпрессора — низкий уровень сигнала |
| P0035 | Перепускной клапан турбокомпрессора — высокий уровень сигнала |
| P0036 | Подогреваемый кислородный датчик 2, банк 1, управление нагревателем — неисправность электрической цепи |
| P0037 | Подогреваемый кислородный датчик 2, банк 1, управление нагревателем — низкое напряжение цепи |
| P0038 | Подогреваемый кислородный датчик 2, банк 1, управление нагревателем — высокое напряжение цепи |
| P0039 | Перепускной клапан турбокомпрессора/перепускной клапан приводного нагнетателя, управление — диапазон/функционирование |
| P003A | Управление А давлением наддува турбокомпрессора/приводного нагнетателя — превышен предел обучения |
| P003B | Управление В давлением наддува турбокомпрессора/приводного нагнетателя — превышен предел обучения |
| P003C | Управление А профилем впускного распределительного вала, банк 1 — проблемы функционирования или заедание в закрытом положении |
| P003D | Управление А профилем впускного распределительного вала, банк 1 — заедание в открытом положении |
| P003E | Управление А профилем впускного распределительного вала, банк 2 — проблемы функционирования или заедание в закрытом положении |
| P003F | Управление А профилем впускного распределительного вала, банк 2 — заедание в открытом положении |
| P0040 | Перепутано подключение кислородных датчиков 1, банка 1 и банка 2 |
| P0041 | Перепутано подключение кислородных датчиков 2, банка 1 и банка 2 |
| P0042 | Подогреваемый кислородный датчик 3, банк 1, управление нагревателем — неисправность электрической цепи |
| P0043 | Подогреваемый кислородный датчик 3, банк 1, управление нагревателем — низкое напряжение цепи |
| P0044 | Подогреваемый кислородный датчик 3, банк 1, управление нагревателем — высокое напряжение цепи |
| P0045 | Э/м клапан управления давлением турбонаддува/ клапан управления давлением наддува приводного нагнетателя — обрыв цепи |
| P0046 | Э/м клапан управления давлением турбонаддува / давлением наддува приводного нагнетателя — диапазон/функционирование |
| P0047 | Э/м клапан управления давлением турбонаддува / давлением наддува приводного нагнетателя — низкий уровень сигнала |
| P0048 | Э/м клапан управления давлением турбонаддува / давлением наддува приводного нагнетателя — высокий уровень сигнала |
| P0049 | Турбина турбокомпрессора / нагнетателя — превышение скорости |
| P004A | Управление В давлением наддува турбокомпрессора/приводного нагнетателя — обрыв цепи |
| P004B | Управление В давлением наддува турбокомпрессора/приводного нагнетателя — диапазон/функционирование |
| P004C | Управление В давлением наддува турбокомпрессора/приводного нагнетателя — низкий уровень сигнала |
| P004D | Управление В давлением наддува турбокомпрессора/приводного нагнетателя — высокий уровень сигнала |
| P004E | Управление А давлением наддува турбокомпрессора/приводного нагнетателя — пропадающий/хаотичный сигнал |
| P004F | Управление В давлением наддува турбокомпрессора/приводного нагнетателя — пропадающий/хаотичный сигнал |
| P0050 | Подогреваемый кислородный датчик 1, банк 2, управление нагревателем — неисправность электрической цепи |
| P0051 | Подогреваемый кислородный датчик 1, банк 2, управление нагревателем — низкий уровень сигнала |
| P0052 | Подогреваемый кислородный датчик 1, банк 2, управление нагревателем — высокий уровень сигнала |
| P0053 | Подогреваемый кислородный датчик 1, банк 1 — сопротивление нагревателя |
| P0054 | Подогреваемый кислородный датчик 1, банк 2 — сопротивление нагревателя |
| P0055 | Подогреваемый кислородный, банк 1, датчик 3 — сопротивление нагревателя |
| P0056 | Подогреваемый кислородный датчик 2, банк 2, управление нагревателем — неисправность электрической цепи |
| P0057 | Подогреваемый кислородный датчик 2, банк 2, управление нагревателем — низкое напряжение цепи нагревателя |
| P0058 | Подогреваемый кислородный датчик 2, банк 2, управление нагревателем — высокий уровень сигнала |
| P0059 | Подогреваемый кислородный датчик 1, банк 2 — сопротивление нагревателя |
| P005A | Управление В профилем выпускного распределительного вала, банк 1 — проблемы функционирования или заедание в закрытом положении |
| P005B | Управление В профилем выпускного распределительного вала, банк 1 — заедание в открытом положении |
| P005C | Управление В профилем выпускного распределительного вала, банк 2 — проблемы функционирования или заедание в закрытом положении |
| P005D | Управление В профилем выпускного распределительного вала, банк 2 — заедание в открытом положении |
| P005E | Управление В давлением наддува турбокомпрессора/приводного нагнетателя — низкое напряжение питания |
| P005F | Управление В давлением наддува турбокомпрессора/приводного нагнетателя — высокое напряжение питания |
| P0060 | Подогреваемый кислородный датчик, банк 2, датчик 2 — сопротивление нагревателя |
| P0061 | Подогреваемый кислородный датчик, банк 2, датчик 3 — сопротивление нагревателя |
| P0062 | Подогреваемый кислородный датчик 3, банк 2, управление нагревателем — неисправность электрической цепи |
| P0063 | Подогреваемый кислородный датчик 3, банк 2, управление нагревателем — низкий уровень сигнала |
| P0064 | Подогреваемый кислородный датчик 3, банк 2, управление нагревателем — высокий уровень сигнала |
| P0065 | Форсунка с дополнительным воздушным каналом — диапазон/функционирование |
| P0066 | Форсунка с дополнительным воздушным каналом — неисправность электрической цепи / низкое напряжение |
| P0067 | Форсунка с дополнительным воздушным каналом — высоко напряжение цепи |
| P0068 | Датчик абсолютного давления во впускном коллекторе/датчик расхода воздуха (MAF) — несоответствие положению дроссельной заслонки |
| P0069 | Датчик абсолютного давления во впускном коллекторе / датчик атмосферного давления — корреляция |
| P006A | Датчик абсолютного давления во впускном коллекторе/датчик расхода воздуха, банк 1 — корреляция |
| P006B | Датчик абсолютного давления воздуха во впускном коллекторе/давление в выпускной системе — корреляция |
| P006C | Датчик абсолютного давления во впускном коллекторе (MAP) / датчик давления наддува (турбокомпрессор/приводной нагнетатель) — корреляция |
| P006D | Датчик атмосферного давления/датчик давления на входе в турбокомпрессор/приводной нагнетатель — корреляция |
| P006E | Управление А давлением наддува турбокомпрессора/приводного нагнетателя — низкое напряжение питания |
| P006F | Управление А давлением наддува турбокомпрессора/приводного нагнетателя — высокое напряжение питания |
| P0070 | Датчик температуры окружающего воздуха — неисправность электрической цепи |
| P0071 | Датчик температуры окружающего воздуха — диапазон/функционирование |
| P0072 | Датчик температуры окружающего воздуха — низкий уровень сигнала |
| P0073 | Датчик температуры окружающего воздуха — высокий уровень выходного сигнала |
| P0074 | Датчик температуры окружающего воздуха — ненадежный контакт электрической цепи |
| P0075 | Э/м клапан управления впускными клапанами, банк 1 — неисправность электрической цепи |
| P0076 | Э/м клапан управления впускными клапанами, банк 1 — низкое напряжение цепи |
| P0077 | Э/м клапан управления впускными клапанами, банк 1 — высокое напряжение цепи |
| P0078 | Э/м клапан управления выпускными клапанами, банк 1 — неисправность электрической цепи |
| P0079 | Э/м клапан управления выпускными клапанами, банк 1 — низкое напряжение цепи |
| P007A | Датчик температуры промежуточного охлаждения наддувочного воздуха, банк 1 — неисправность электрической цепи |
| P007B | Датчик температуры промежуточного охлаждения наддувочного воздуха, банк 1 — диапазон/функционирование |
| P007C | Датчик температуры промежуточного охлаждения наддувочного воздуха, банк 1 — низкий уровень сигнала |
| P007D | Датчик температуры промежуточного охлаждения наддувочного воздуха, банк 1 — высокий уровень сигнала |
| P007E | Датчик температуры промежуточного охлаждения наддувочного воздуха, банк 1 — пропадающий/хаотичный сигнал |
| P007F | Датчик температуры промежуточного охлаждения наддувочного воздуха, банк 1/2 — корреляция |
| P0080 | Э/м клапан управления выпускными клапанами, банк 1 — высокое напряжение цепи |
| P0081 | Э/м клапан управления впускными клапанами, банк 2 — неисправность электрической цепи |
| P0082 | Э/м клапан управления впускными клапанами, банк 2 — низкий уровень сигнала |
| P0083 | Э/м клапан управления впускными клапанами, банк 2 — высокий уровень сигнала |
| P0084 | Э/м клапан управления выпускными клапанами, банк 2 — неисправность электрической цепи |
| P0085 | Э/м клапан управления выпускными клапанами, банк 2 — низкий уровень сигнала |
| P0086 | Э/м клапан управления выпускными клапанами, банк 2 — высокий уровень сигнала |
| P0087 | Давление в системе / в топливном коллекторе — слишком низкое |
| P0088 | Давление в системе / в топливном коллекторе — слишком высокое |
| P0089 | Регулятор давления топлива 1 — функционирование |
| P008A | Линия низкого давления топливной системы — давление слишком низкое |
| P008B | Линия низкого давления топливной системы — давление слишком высокое |
| P008C | Управление насосом охлаждения (топливная система) — обрыв цепи |
| P008D | Реле насоса охлаждения (топливная система)- низкий уровень сигнала |
| P008E | Насос охлаждения (топливная система)- высокий уровень управляющего сигнала |
| P008F | Температура охлаждающей жидкости/температура топлива — корреляция |
| P0090 | Регулятор давления топлива 1 — обрыв цепи |
| P0091 | Регулятор давления топлива 1 — короткое замыкание на массу |
| P0092 | Регулятор давления топлива 1 — короткое замыкание на + |
| P0093 | Значительная утечка в топливной системе |
| P0094 | Незначительная утечка в топливной системе |
| P0095 | Датчик 2 температуры воздуха на впуске — неисправность электрической цепи |
| P0096 | Датчик 2 температуры воздуха на впуске — диапазон/функционирование |
| P0097 | Датчик 2 температуры воздуха на впуске — низкий уровень входного сигнала |
| P0098 | Датчик 2 температуры воздуха на впуске — высокий уровень входного сигнала |
| P0099 | Датчик 2 температуры воздуха на впуске — ненадежный / пропадающий контакт электрической цепи |
| P009A | Температура воздуха во впускном коллекторе / температура окружающего воздуха — корреляция |
| P009B | Система сброса давления топлива — обрыв управляющей цепи |
| P009C | Система сброса давления топлива — низкий уровень сигнала управляющей цепи |
| P009D | Система сброса давления топлива — высокий уровень сигнала управляющей цепи |
| P009E | Система сброса давления топлива — проблемы функционирования или заедание в закрытом положении |
| P009F | Система сброса давления топлива — заедание клапана |
| P00A0 | Датчик температуры промежуточного охлаждения наддувочного воздуха, банк 2 — неисправность электрической цепи |
| P00A1 | Датчик температуры промежуточного охлаждения наддувочного воздуха, банк 2 — диапазон/функционирование |
| P00A2 | Датчик температуры промежуточного охлаждения наддувочного воздуха, банк 2 — низкий уровень сигнала |
| P00A3 | Датчик температуры промежуточного охлаждения наддувочного воздуха, банк 2 — высокий уровень сигнала |
| P00A4 | Датчик температуры промежуточного охлаждения наддувочного воздуха, банк 2 — пропадающий/хаотичный сигнал |
| P00A5 | Датчик 2 температуры воздуха на впуске, банк 2 — неисправность электрической цепи |
| P00A6 | Датчик 2 температуры воздуха на впуске, банк 2 — диапазон/функционирование |
| P00A7 | Датчик 2 температуры воздуха на впуске, банк 2 — низкий уровень сигнала |
| P00A8 | Датчик 2 температуры воздуха на впуске, банк 2 — высокий уровень сигнала |
| P00A9 | Датчик 2 температуры воздуха на впуске, банк 2 — пропадающий/хаотичный сигнал |
| P00AA | Датчик температуры воздуха на впуске 1, банк 2 — неисправность электрической цепи |
| P00AB | Датчик температуры воздуха на впуске 1, банк 2 — диапазон/функционирование |
| P00AC | Датчик температуры воздуха на впуске 1, банк 2 — низкий уровень сигнала |
| P00AD | Датчик температуры воздуха на впуске 1, банк 2 — высокий уровень сигнала |
| P00AE | Датчик температуры воздуха на впуске 1, банк 2 — пропадающий/хаотичный сигнал |
| P00AF | Управление А давлением наддува турбокомпрессора/приводного нагнетателя — характеристики блока управления |
| P00B0 | Управление В давлением наддува турбокомпрессора/приводного нагнетателя — характеристики блока управления |
| P00B1 | Датчик температуры радиатора системы охлаждения — неисправность электрической цепи |
| P00B2 | Датчик температуры радиатора системы охлаждения — диапазон/функционирование |
| P00B3 | Датчик температуры радиатора системы охлаждения — низкий уровень сигнала |
| P00B4 | Датчик температуры радиатора системы охлаждения — высокий уровень сигнала |
| P00B5 | Датчик температуры радиатора системы охлаждения — пропадающий/хаотичный сигнал |
| P00B6 | Температура охлаждающей жидкости в радиаторе/температура охлаждающей жидкости в двигателе — корреляция |
| P00B7 | Низкий расход охлаждающей жидкости — проблемы функционирования |
| P00B8 | Датчик абсолютного давления во впускном коллекторе/датчик расхода воздуха, банк 2 — корреляция |
| P00B9 | Датчик давления топлива — слишком низкое давление |
| P00BA | Низкое давление топлива — режим принудительного ограничения мощности |
| P00BB | Форсунка, недостаточный расход — режим принудительного ограничения мощности |
| P00BC | Датчик расхода воздуха (MAF) A — диапазон/функционирование |
| P00BD | Датчик расхода воздуха (MAF) A — диапазон/функционирование |
| P00BE | Датчик расхода воздуха (MAF) B — диапазон/функционирование |
| P00BF | Датчик расхода воздуха (MAF) B — диапазон/функционирование |
| P00C0 | Перепускной клапан B турбокомпрессора/приводного нагнетателя — управляющая цепь |
| P00C1 | Перепускной клапан B турбокомпрессора/приводного нагнетателя — низкий уровень сигнала |
| P00C2 | Перепускной клапан B турбокомпрессора/приводного нагнетателя — высокий уровень сигнала |
| P00C3 | Перепускной клапан B турбокомпрессора/приводного нагнетателя — диапазон/функционирование |
| P00C4 | Перепускной клапан B турбокомпрессора/приводного нагнетателя — механическая неисправность |
| P00C5 | Турбина турбокомпрессора / нагнетателя — превышение скорости |
| P00C6 | Датчик давления в топливном коллекторе, прокручивание стартером — слишком низкое давление |
| P00C7 | Измерение давления воздуха на впуске — корреляция датчиков |
| P00C8 | Э/м клапан регулятора давления топлива — обрыв цепи |
| P00C9 | Э/м клапан управления регулятором давления топлива — низкий уровень сигнала |
| P00CA | Э/м клапан управления давлением топлива — высокий уровень сигнала |
| P00CB | Регулятор подачи топлива — обрыв цепи |
| P00CC | Регулятор подачи топлива — низкий уровень сигнала |
| P00CD | Регулятор подачи топлива — высокий уровень сигнала |
| P00CE | Измерение температуры воздуха на впуске — корреляция датчиков |
| P00CF | Датчик атмосферного давления / датчик давления наддува A (турбокомпрессор / приводной нагнетатель) — корреляция |
| P00D0 | Датчик атмосферного давления / датчик давления наддува B (турбокомпрессор / приводной нагнетатель) — корреляция |
Контроль системы смесеобразования
| Код | Расшифровка |
|---|---|
| P0100 | Датчик расхода воздуха (массового — MAF) / (объемного — VAF) — неисправность электрической цепи |
| P0101 | Датчик расхода воздуха (MAF) / (VAF) — диапазон/функционирование |
| P0102 | Датчик расхода воздуха (MAF) / (VAF) — низкий уровень входного сигнала |
| P0103 | Датчик расхода воздуха (MAF) / (VAF) — высокий уровень входного сигнала |
| P0104 | Датчик расхода воздуха (MAF) / (VAF) — ненадежный контакт электрической цепи |
| P0105 | Датчик абсолютного давления во впускном коллекторе (МАР) / датчик атмосферного давления — неисправность электрической цепи |
| P0106 | Датчик абсолютного давления во впускном коллекторе/датчик атмосферного давления — диапазон/функционирование |
| P0107 | Датчик абсолютного давления во впускном коллекторе/датчик атмосферного давления — низкий уровень сигнала |
| P0108 | Датчик абсолютного давления во впускном коллекторе/датчик атмосферного давления — высокий уровень сигнала |
| P0109 | Датчик абсолютного давления во впускном коллекторе (МАР) / датчик атмосферного давления — ненадежный контакт электрической цепи |
| P010A | Датчик расхода воздуха В — неисправность электрической цепи |
| P010B | Блок управления В системой рециркуляции отработавших газов (EGR) — неисправность связи |
| P010C | Датчик расхода воздуха В — низкий уровень сигнала |
| P010D | Датчик расхода воздуха В — высокий уровень сигнала |
| P010E | Датчик расхода воздуха В — пропадающий/хаотичный сигнал |
| P010F | Датчик расхода воздуха А/В — корреляция |
| P0110 | Датчик температуры воздуха на впуске — неисправность электрической цепи |
| P0111 | Датчик температуры воздуха на впуске — диапазон/функционирование |
| P0112 | Датчик температуры воздуха на впуске — низкий уровень сигнала |
| P0113 | Датчик температуры воздуха на впуске — высокий уровень входного сигнала |
| P0114 | Датчик температуры воздуха на впуске — ненадежный контакт электрической цепи |
| P0115 | Датчик температуры охлаждающей жидкости — неисправность цепи |
| P0116 | Датчик температуры охлаждающей жидкости — диапазон/функционирование |
| P0117 | Датчик температуры охлаждающей жидкости — низкий уровень сигнала |
| P0118 | Датчик температуры охлаждающей жидкости — высокий уровень входного сигнала |
| P0119 | Датчик температуры охлаждающей жидкости — ненадежный контакт электрической цепи |
| P011A | Датчик температуры охлаждающей жидкости 1/2 — корреляция |
| P011B | Температура охлаждающей жидкости/температура воздуха на впуске — корреляция |
| P011C | Температура наддувочного воздуха/ температура воздуха на впуске, банк 1 — корреляция |
| P011D | Температура наддувочного воздуха/ температура воздуха на впуске, банк 2 — корреляция |
| P011E | Датчик температуры охлаждающей жидкости 1 / датчик температуры окружающего воздуха — корреляция |
| P011F | Датчик температуры охлаждающей жидкости 2 / датчик температуры окружающего воздуха — корреляция |
| P0120 | Датчик А положения дроссельной заслонки / датчик А положения педали акселератора — неисправность электрической цепи |
| P0121 | Датчик А положения дроссельной заслонки / датчик А положения педали акселератора — диапазон/функционирование |
| P0122 | Датчик А положения дроссельной заслонки / датчик А положения педали акселератора — низкий уровень сигнала |
| P0123 | Датчик А положения дроссельной заслонки / датчик А положения педали акселератора — высокий уровень сигнала |
| P0124 | Датчик А положения дроссельной заслонки / датчик А положения педали акселератора — ненадежный контакт электрической цепи |
| P0125 | Температура охлаждающей жидкости недостаточна для управления топливоподачей с обратной связью |
| P0126 | Температура охлаждающей жидкости недостаточна для стабильной работы |
| P0127 | Слишком высокая температура воздуха на впуске |
| P0128 | Термостат системы охлаждения — температура охлаждающей жидкости ниже температуры открывания термостата |
| P0129 | Слишком низкое атмосферное давление |
| P012A | Датчик давления на входе в турбокомпрессор/приводной нагнетатель — неисправность электрической цепи |
| P012B | Датчик давления на входе в турбокомпрессор/приводной нагнетатель — диапазон/функционирование |
| P012C | Датчик давления на входе в турбокомпрессор/приводной нагнетатель — низкий уровень сигнала |
| P012D | Датчик давления на входе в турбокомпрессор/приводной нагнетатель — высокий уровень сигнала |
| P012E | Датчик давления на входе в турбокомпрессор/приводной нагнетатель — пропадающий/хаотичный сигнал |
| P0130 | Подогреваемый кислородный датчик 1, банк 1 — неисправность электрической цепи |
| P0131 | Подогреваемый кислородный датчик 1, банк 1 — низкое напряжение |
| P0132 | Подогреваемый кислородный датчик 1, банк 1 — высокое напряжение |
| P0133 | Подогреваемый кислородный датчик 1, банк 1 — малое быстродействие |
| P0134 | Подогреваемый кислородный датчик 1, банк 1 — нет отклика |
| P0135 | Подогреваемый кислородный датчик 1, банк 1, управление нагревателем — неисправность электрической цепи |
| P0136 | Подогреваемый кислородный датчик 2, банк 1 — неисправность электрической цепи |
| P0137 | Подогреваемый кислородный датчик 2, банк 1 — низкое напряжение |
| P0138 | Подогреваемый кислородный датчик 2, банк 1 — высокое напряжение |
| P0139 | Подогреваемый кислородный датчик 2, банк 1 — малое быстродействие |
| P013A | Подогреваемый кислородный датчик 2, банк 1 — малое быстродействие с богатой на бедную смесь |
| P013B | Подогреваемый кислородный датчик 2, банк 1 — малое быстродействие с бедной на богатую смесь |
| P013C | Подогреваемый кислородный датчик 2, банк 2 — малое быстродействие с богатой на бедную смесь |
| P013D | Подогреваемый кислородный датчик 2, банк 2 — малое быстродействие с бедной на богатую смесь |
| P013E | Подогреваемый кислородный датчик 2, банк 1 — задержка отклика с богатой на бедную смесь |
| P013F | Подогреваемый кислородный датчик 2, банк 1 — задержка отклика с бедной на богатую смесь |
| P0140 | Подогреваемый кислородный датчик 2, банк 1 — нет отклика |
| P0141 | Подогреваемый кислородный датчик 2, банк 1, управление нагревателем — неисправность электрической цепи |
| P0142 | Подогреваемый кислородный датчик 3, банк 1 — неисправность электрической цепи |
| P0143 | Подогреваемый кислородный датчик 3, банк 1 — низкое напряжение |
| P0144 | Подогреваемый кислородный датчик 3, банк 1 — высокое напряжение |
| P0145 | Подогреваемый кислородный датчик 3, банк 1 — малое быстродействие |
| P0146 | Подогреваемый кислородный датчик 3, банк 1 — нет отклика |
| P0147 | Подогреваемый кислородный датчик 3, банк 1, управление нагревателем — неисправность электрической цепи |
| P0148 | Неправильная подача топлива |
| P0149 | Неправильный угол опережения впрыска |
| P014A | Подогреваемый кислородный датчик 2, банк 2 — задержка отклика с богатой на бедную смесь |
| P014B | Подогреваемый кислородный датчик 2, банк 2 — задержка отклика с бедной на богатую смесь |
| P014C | Подогреваемый кислородный датчик 1, банк 1 — малое быстродействие с богатой на бедную смесь |
| P014D | Подогреваемый кислородный датчик 1, банк 1 — малое быстродействие с бедной на богатую смесь |
| P014E | Подогреваемый кислородный датчик 1, банк 2 — малое быстродействие с богатой на бедную смесь |
| P014F | Подогреваемый кислородный датчик 1, банк 2 — малое быстродействие с бедной на богатую смесь |
| P0150 | Подогреваемый кислородный датчик 1, банк 2 — неисправность электрической цепи |
| P0151 | Подогреваемый кислородный датчик 1, банк 2 — низкое напряжение |
| P0152 | Подогреваемый кислородный датчик 1, банк 2 — высокое напряжение |
| P0153 | Подогреваемый кислородный датчик 1, банк 2 — малое быстродействие |
| P0154 | Подогреваемый кислородный датчик 1, банк 2 — нет отклика |
| P0155 | Подогреваемый кислородный датчик 1, банк 2, управление нагревателем — неисправность электрической цепи |
| P0156 | Подогреваемый кислородный датчик 2, банк 2 — неисправность электрической цепи |
| P0157 | Подогреваемый кислородный датчик 2, банк 2 — низкое напряжение |
| P0158 | Подогреваемый кислородный датчик 2, банк 2 — высокое напряжение |
| P0159 | Подогреваемый кислородный датчик 2, банк 2 — малое быстродействие |
| P015A | Подогреваемый кислородный датчик 1, банк 1 — задержка отклика с богатой на бедную смесь |
| P015B | Подогреваемый кислородный датчик 1, банк 1 — задержка отклика с бедной на богатую смесь |
| P015C | Подогреваемый кислородный датчик 1, банк 2 — задержка отклика с богатой на бедную смесь |
| P015D | Подогреваемый кислородный датчик 1, банк 2 — задержка отклика с бедной на богатую смесь |
| P0160 | Подогреваемый кислородный датчик 2, банк 2 — нет отклика |
| P0161 | Подогреваемый кислородный датчик 2, банк 2, управление нагревателем — неисправность электрической цепи |
| P0162 | Подогреваемый кислородный датчик 3, банк 2 — неисправность электрической цепи |
| P0163 | Подогреваемый кислородный датчик 3, банк 2 — низкое напряжение |
| P0164 | Подогреваемый кислородный датчик 3, банк 2 — высокое напряжение |
| P0165 | Подогреваемый кислородный датчик 3, банк 2 — малое быстродействие |
| P0166 | Подогреваемый кислородный датчик 3, банк 2 — нет отклика |
| P0167 | Подогреваемый кислородный датчик 3, банк 2, управление нагревателем — неисправность электрической цепи |
| P0168 | Слишком высокая температура топлива |
| P0169 | Несоответствующий состав топлива |
| P016A | Управление составом смеси — превышение времени входа в режим работы с обратной связью |
| P016B | Управление составом смеси (режим работы с обратной связью), предел достигнут — слишком богатая смесь |
| P016C | Управление составом смеси (режим работы с обратной связью), предел достигнут — слишком бедная смесь |
| P016D | Управление давлением топлива — превышение времени входа в режим работы с обратной связью |
| P016E | Управление давлением топлива (режим работы с обратной связью), предел достигнут — слишком высокое давление |
| P016F | Управление давлением топлива (режим работы с обратной связью), предел достигнут — слишком низкое давление |
| P0170 | Топливный баланс, банк 1 — неисправность |
| P0171 | Слишком бедная топливовоздушная смесь, банк 1 |
| P0172 | Слишком богатая топливовоздушная смесь, банк 1 |
| P0173 | Топливный баланс, банк 2 — неисправность |
| P0174 | Слишком бедная топливовоздушная смесь, банк 2 |
| P0175 | Слишком богатая топливовоздушная смесь, банк 2 |
| P0176 | Датчик состава смеси — неисправность электрической цепи |
| P0177 | Датчик состава смеси — диапазон/функционирование |
| P0178 | Датчик состава смеси — низкий уровень сигнала |
| P0179 | Датчик состава смеси — высокий уровень сигнала |
| P017A | Датчик температуры головки блока цилиндров — неисправность электрической цепи |
| P017B | Датчик температуры головки блока цилиндров — диапазон/функционирование |
| P017C | Датчик температуры головки блока цилиндров — низкий уровень сигнала |
| P017D | Датчик температуры головки блока цилиндров — высокий уровень сигнала |
| P017E | Датчик температуры головки блока цилиндров — пропадающий/хаотичный сигнал |
| P0180 | Датчик температуры топлива A — неисправность электрической цепи |
| P0181 | Датчик температуры топлива A — диапазон/функционирование |
| P0182 | Датчик температуры топлива A — низкий уровень сигнала |
| P0183 | Датчик температуры топлива A — высокий уровень входного сигнала |
| P0184 | Датчик температуры топлива A — ненадежный контакт электрической цепи |
| P0185 | Датчик температуры топлива B — неисправность электрической цепи |
| P0186 | Датчик температуры топлива B — диапазон/функционирование |
| P0187 | Датчик температуры топлива B — низкий уровень входного сигнала |
| P0188 | Датчик температуры топлива B — высокий уровень входного сигнала |
| P0189 | Датчик температуры топлива B — ненадежный контакт электрической цепи |
| P018A | Датчик В давления топлива — неисправность электрической цепи |
| P018B | Датчик В давления топлива — диапазон/функционирование |
| P018C | Датчик В давления топлива — низкий уровень сигнала |
| P018D | Датчик В давления топлива — высокий уровень сигнала |
| P018E | Датчик В давления топлива — пропадающий/хаотичный сигнал |
| P018F | Система сброса давления топлива — частая активация |
| P0190 | Датчик давления в топливном коллекторе — неисправность электрической цепи |
| P0191 | Датчик давления в топливном коллекторе — диапазон/функционирование |
| P0192 | Датчик давления в топливном коллекторе — низкий уровень сигнала |
| P0193 | Датчик давления в топливном коллекторе — высокий уровень входного сигнала |
| P0194 | Датчик давления в топливном коллекторе — ненадежный контакт электрической цепи |
| P0195 | Датчик температуры моторного масла — неисправность электрической цепи |
| P0196 | Датчик температуры моторного масла — диапазон/функционирование |
| P0197 | Датчик температуры моторного масла — низкий уровень сигнала |
| P0198 | Датчик температуры моторного масла — высокий уровень входного сигнала |
| P0199 | Датчик температуры моторного масла — ненадежный контакт электрической цепи |
| P0200 | Форсунка — неисправность электрической цепи |
| P0201 | Форсунка 1 — неисправность электрической цепи |
| P0202 | Форсунка 2 — неисправность электрической цепи |
| P0203 | Форсунка 3 — неисправность электрической цепи |
| P0204 | Форсунка 4 — неисправность электрической цепи |
| P0205 | Форсунка 5 — неисправность электрической цепи |
| P0206 | Форсунка 6 — неисправность электрической цепи |
| P0207 | Форсунка 7 — неисправность электрической цепи |
| P0208 | Форсунка 8 — неисправность электрической цепи |
| P0209 | Форсунка 9 — неисправность электрической цепи |
| P020A | Угол опережения впрыска, цилиндр 1 |
| P020B | Угол опережения впрыска, цилиндр 2 |
| P020C | Угол опережения впрыска, цилиндр 3 |
| P020D | Угол опережения впрыска, цилиндр 4 |
| P020E | Угол опережения впрыска, цилиндр 5 |
| P020F | Угол опережения впрыска, цилиндр 6 |
| P0210 | Форсунка 10 — неисправность электрической цепи |
| P0211 | Форсунка 11 — неисправность электрической цепи |
| P0212 | Форсунка 12 — неисправность электрической цепи |
| P0213 | Форсунка холодного пуска 1 — неисправность электрической цепи |
| P0214 | Форсунка холодного пуска 2 — неисправность электрической цепи |
| P0215 | Э/м клапан отсечки подачи топлива — неисправность электрической цепи |
| P0216 | Управление углом опережения впрыска топлива — неисправность электрической цепи |
| P0217 | Перегрев двигателя |
| P0218 | Перегрев коробки передач |
| P0219 | Превышение допустимой частоты вращения коленчатого вала |
| P021A | Угол опережения впрыска, цилиндр 7 |
| P021B | Угол опережения впрыска, цилиндр 8 |
| P021C | Угол опережения впрыска, цилиндр 9 |
| P021D | Угол опережения впрыска, цилиндр 10 |
| P021E | Угол опережения впрыска, цилиндр 11 |
| P021F | Угол опережения впрыска, цилиндр 12 |
| P0220 | Датчик В положения дроссельной заслонки / датчик В положения педали акселератора — неисправность электрической цепи |
| P0221 | Датчик В положения дроссельной заслонки / датчик В положения педали акселератора — диапазон/функционирование |
| P0222 | Датчик В положения дроссельной заслонки / датчик В положения педали акселератора — низкий уровень входного сигнала |
| P0223 | Датчик В положения дроссельной заслонки / датчик В положения педали акселератора — высокий уровень входного сигнала |
| P0224 | Датчик В положения дроссельной заслонки / датчик В положения педали акселератора — ненадежный контакт электрической цепи |
| P0225 | Датчик С положения дроссельной заслонки / датчик С положения педали акселератора — неисправность электрической цепи |
| P0226 | Датчик С положения дроссельной заслонки / датчик С положения педали акселератора — диапазон/функционирование |
| P0227 | Датчик С положения дроссельной заслонки / датчик С положения педали акселератора — низкий уровень входного сигнала |
| P0228 | Датчик С положения дроссельной заслонки / датчик С положения педали акселератора — высокий уровень входного сигнала |
| P0229 | Датчик С положения дроссельной заслонки / датчик С положения педали акселератора — ненадежный контакт электрической цепи |
| P022A | Привод А байпаса промежуточного охладителя наддувочного воздуха — обрыв цепи |
| P022B | Управление приводом А байпаса промежуточного охладителя наддувочного воздуха — низкий уровень сигнала |
| P022C | Привод А байпаса промежуточного охладителя наддувочного воздуха — высокий уровень сигнала |
| P022D | Управление приводом В байпаса промежуточного охладителя наддувочного воздуха — обрыв цепи |
| P022E | Управление приводом В байпаса промежуточного охладителя наддувочного воздуха — низкий уровень сигнала |
| P022F | Управление приводом В байпаса промежуточного охладителя наддувочного воздуха — высокий уровень сигнала |
| P0230 | Реле топливного насоса — неисправность электрической цепи |
| P0231 | Реле топливного насоса — низкое напряжение цепи |
| P0232 | Реле топливного насоса — высокое напряжение цепи |
| P0233 | Реле топливного насоса — ненадежный контакт электрической цепи |
| P0234 | Давление турбонаддува — превышен верхний предел |
| P0235 | Датчик абсолютного давления во впускном коллекторе A, система турбонаддува — неисправность электрической цепи |
| P0236 | Датчик А абсолютного давления во впускном коллекторе, система турбонаддува — диапазон/функционирование |
| P0237 | Датчик А абсолютного давления во впускном коллекторе, система турбонаддува — низкий уровень сигнала |
| P0238 | Датчик А абсолютного давления во впускном коллекторе, система турбонаддува — высокий уровень сигнала |
| P0239 | Датчик В абсолютного давления во впускном коллекторе (МАР), система турбонаддува — неисправность электрической цепи |
| P023A | Насос охлаждения промежуточного охладителя наддувочного воздуха — обрыв цепи |
| P023B | Насос охлаждения промежуточного охладителя наддувочного воздуха — низкий уровень сигнала |
| P023C | Насос охлаждения промежуточного охладителя наддувочного воздуха — низкий уровень управляющего сигнала |
| P023D | Датчик абсолютного давления воздуха во впускном коллекторе/ датчик А давления наддува — корреляция |
| P023E | Датчик абсолютного давления воздуха во впускном коллекторе/ датчик В давления наддува — корреляция |
| P023F | Вторичный топливный насос — неисправность электрической цепи |
| P0240 | Датчик В абсолютного давления во впускном коллекторе (МАР), система турбонаддува — диапазон/функционирование |
| P0241 | Датчик В абсолютного давления во впускном коллекторе (МАР), система турбонаддува — низкий уровень сигнала |
| P0242 | Датчик В абсолютного давления во впускном коллекторе (МАР), система турбонаддува — высокий уровень сигнала |
| P0243 | Перепускной клапан приводного нагнетателя A — неисправность электрической цепи |
| P0244 | Перепускной клапан приводного нагнетателя A — диапазон/функционирование |
| P0245 | Перепускной клапан приводного нагнетателя A — низкий уровень сигнала |
| P0246 | Перепускной клапан приводного нагнетателя A — высокий уровень сигнала |
| P0247 | Перепускной клапан приводного нагнетателя B — неисправность электрической цепи |
| P0248 | Перепускной клапан приводного нагнетателя B — диапазон/функционирование |
| P0249 | Перепускной клапан приводного нагнетателя B — низкий уровень сигнала |
| P024A | Привод А байпаса промежуточного охладителя наддувочного воздуха — диапазон/функционирование |
| P024B | Привод А байпаса промежуточного охладителя наддувочного воздуха — привод заело |
| P024C | Датчик положения привода А байпаса промежуточного охладителя наддувочного воздуха — неисправность электрической цепи |
| P024D | Датчик положения привода А байпаса промежуточного охладителя наддувочного воздуха — диапазон/функционирование |
| P024E | Датчик положения привода А байпаса промежуточного охладителя наддувочного воздуха — низкий уровень сигнала |
| P024F | Датчик положения привода А байпаса промежуточного охладителя наддувочного воздуха — высокий уровень сигнала |
| P0250 | Перепускной клапан приводного нагнетателя B — высокий уровень сигнала |
| P0251 | Дозатор топлива А, ротор/кулачок/форсунка — неисправность электрической цепи |
| P0252 | Дозатор топлива А, ротор/кулачок/форсунка — диапазон/функционирование |
| P0253 | Дозатор топлива А, ротор/кулачок/форсунка — низкий уровень сигнала |
| P0254 | Дозатор топлива А, ротор/кулачок/форсунка — высокий уровень сигнала |
| P0255 | Дозатор топлива А, ротор/кулачок/форсунка — ненадежный контакт электрической цепи |
| P0256 | Дозатор топлива B, ротор/кулачок/форсунка — неисправность электрической цепи |
| P0257 | Дозатор топлива B, ротор/кулачок/форсунка — диапазон/функционирование |
| P0258 | Дозатор топлива B, ротор/кулачок/форсунка — низкий уровень сигнала |
| P0259 | Дозатор топлива B, ротор/кулачок/форсунка — высокий уровень сигнала |
| P025A | Блок управления топливным насосом — обрыв цепи |
| P025B | Блок управления топливным насосом — диапазон/функционирование |
| P025C | Блок управления топливным насосом — низкий уровень сигнала |
| P025D | Блок управления топливным насосом — высокий уровень сигнала |
| P025E | Датчик давления наддува A (турбокомпрессор / приводной нагнетатель) — пропадающий/хаотичный сигнал |
| P025F | Датчик давления наддува B (турбокомпрессор / приводной нагнетатель) — пропадающий/хаотичный сигнал |
| P0260 | Дозатор топлива B, ротор/кулачок/форсунка — ненадежный контакт электрической цепи |
| P0261 | Форсунка 1 — низкий уровень сигнала |
| P0262 | Форсунка 1 — высокий уровень сигнала |
| P0263 | Цилиндр 1 — неправильный баланс мощности |
| P0264 | Форсунка 2 — низкий уровень сигнала |
| P0265 | Форсунка 2 — высокий уровень сигнала |
| P0266 | Цилиндр 2 — неправильный баланс мощности |
| P0267 | Форсунка 3 — низкий уровень сигнала |
| P0268 | Форсунка 3 — высокий уровень сигнала |
| P0269 | Цилиндр 3 — неправильный баланс мощности |
| P026A | Промежуточный охладитель наддувочного воздуха — эффективность ниже требуемой |
| P026B | Опережение впрыска — функционирование |
| P026C | Топливоподача — объем ниже требуемого |
| P026D | Топливоподача — объем выше требуемого |
| P0270 | Форсунка 4 — низкий уровень сигнала |
| P0271 | Форсунка 4 — высокий уровень сигнала |
| P0272 | Цилиндр 4 — неправильный баланс мощности |
| P0273 | Форсунка 5 — низкий уровень сигнала |
| P0274 | Форсунка 5 — высокий уровень сигнала |
| P0275 | Цилиндр 5 — неправильный баланс мощности |
| P0276 | Форсунка 6 — низкий уровень сигнала |
| P0277 | Форсунка 6 — высокий уровень сигнала |
| P0278 | Цилиндр 6 — неправильный баланс мощности |
| P0279 | Форсунка 7 — низкий уровень сигнала |
| P027A | Блок управления топливным насосом B — обрыв цепи |
| P027B | Блок управления топливным насосом B — диапазон/функционирование |
| P027C | Блок управления топливным насосом B — низкий уровень сигнала |
| P027D | Блок управления топливным насосом B — высокий уровень сигнала |
| P0280 | Форсунка 7 — высокий уровень сигнала |
| P0281 | Цилиндр 7 — неправильный баланс мощности |
| P0282 | Форсунка 8 — низкий уровень сигнала |
| P0283 | Форсунка 8 — высокий уровень сигнала |
| P0284 | Цилиндр 8 — неправильный баланс мощности |
| P0285 | Форсунка 9 — низкий уровень сигнала |
| P0286 | Форсунка 9 — высокий уровень сигнала |
| P0287 | Цилиндр 9 — неправильный баланс мощности |
| P0288 | Форсунка 10 — низкий уровень сигнала |
| P0289 | Форсунка 10 — высокий уровень сигнала |
| P0290 | Цилиндр 10 — неправильный баланс мощности |
| P0291 | Форсунка 11 — низкий уровень сигнала |
| P0292 | Форсунка 11 — высокий уровень сигнала |
| P0293 | Цилиндр 11 — неправильный баланс мощности |
| P0294 | Форсунка 12 — низкий уровень сигнала |
| P0295 | Форсунка 12 — высокий уровень сигнала |
| P0296 | Цилиндр 12 — неправильный баланс мощности |
| P0297 | Превышение допустимой скорости автомобиля |
| P0298 | Слишком высокая температура моторного масла |
| P0299 | Турбокомпрессор / приводной нагнетатель — низкое давление наддува |
| P029A | Топливный баланс, цилиндр 1 — достигнут максимальный предел управления |
| P029B | Топливный баланс, цилиндр 1 — достигнут минимальный предел управления |
| P029C | Форсунка 1 — засорение |
| P029D | Форсунка 1 — негерметичность |
| P029E | Топливный баланс, цилиндр 2 — достигнут максимальный предел управления |
| P029F | Топливный баланс, цилиндр 2 — достигнут минимальный предел управления |
| P02A0 | Форсунка 2 — негерметичность |
| P02A1 | Форсунка 2 — негерметичность |
| P02A2 | Топливный баланс, цилиндр 3 — достигнут максимальный предел управления |
| P02A3 | Топливный баланс, цилиндр 3 — достигнут минимальный предел управления |
| P02A4 | Форсунка 3 — негерметичность |
| P02A5 | Форсунка 3 — негерметичность |
| P02A6 | Топливный баланс, цилиндр 4 — достигнут максимальный предел управления |
| P02A7 | Топливный баланс, цилиндр 4 — достигнут минимальный предел управления |
| P02A8 | Форсунка 4 — негерметичность |
| P02A9 | Форсунка 4 — негерметичность |
| P02AA | Топливный баланс, цилиндр 5 — достигнут максимальный предел управления |
| P02AB | Топливный баланс, цилиндр 5 — достигнут минимальный предел управления |
| P02AC | Цилиндр 5 — негерметичность форсунки |
| P02AD | Форсунка 5 — негерметичность |
| P02AE | Топливный баланс, цилиндр 6 — достигнут максимальный предел управления |
| P02AF | Топливный баланс, цилиндр 6 — достигнут минимальный предел управления |
| P02B0 | Форсунка 6 — негерметичность |
| P02B1 | Форсунка 6 — негерметичность |
| P02B2 | Топливный баланс, цилиндр 7 — достигнут максимальный предел управления |
| P02B3 | Топливный баланс, цилиндр 7 — достигнут минимальный предел управления |
| P02B4 | Форсунка 7 — негерметичность |
| P02B5 | Форсунка 7 — негерметичность |
| P02B6 | Топливный баланс, цилиндр 8 — достигнут максимальный предел управления |
| P02B7 | Топливный баланс, цилиндр 8 — достигнут минимальный предел управления |
| P02B8 | Форсунка 8 — негерметичность |
| P02B9 | Форсунка 8 — негерметичность |
| P02BA | Топливный баланс, цилиндр 9 — достигнут максимальный предел управления |
| P02BB | Форсунка 9 — смещение обучения к минимальному пределу |
| P02BC | Форсунка 9 — негерметичность |
| P02BD | Форсунка 9 — негерметичность |
| P02BE | Топливный баланс, цилиндр 10 — достигнут максимальный предел управления |
| P02BF | Топливный баланс, цилиндр 10 — достигнут минимальный предел управления |
| P02C0 | Форсунка 10 — негерметичность |
| P02C1 | Форсунка 10 — негерметичность |
| P02C2 | Топливный баланс, цилиндр 11 — достигнут максимальный предел управления |
| P02C3 | Топливный баланс, цилиндр 11 — достигнут минимальный предел управления |
| P02C4 | Форсунка 11 — негерметичность |
| P02C5 | Форсунка 11 — негерметичность |
| P02C6 | Топливный баланс, цилиндр 12 — достигнут максимальный предел управления |
| P02C7 | Топливный баланс, цилиндр 12 — достигнут минимальный предел управления |
| P02C8 | Форсунка 12 — засорение |
| P02C9 | Форсунка 12 — негерметичность |
| P02CA | Турбокомпрессор/приводной нагнетатель В — превышение допустимого давления наддува |
| P02CB | Турбокомпрессор/приводной нагнетатель В — недопустимо низкое давления наддува |
| P02CC | Форсунка 1 — смещение обучения к минимальному пределу |
| P02CD | Форсунка 1 — смещение обучения к максимальному пределу |
| P02CE | Форсунка 2 — смещение обучения к минимальному пределу |
| P02CF | Форсунка 2 — смещение обучения к максимальному пределу |
| P02D0 | Форсунка 3 — смещение обучения к минимальному пределу |
| P02D1 | Форсунка 3 — смещение обучения к максимальному пределу |
| P02D2 | Форсунка 4 — смещение обучения к минимальному пределу |
| P02D3 | Форсунка 4 — смещение обучения к максимальному пределу |
| P02D4 | Форсунка 5 — смещение обучения к минимальному пределу |
| P02D5 | Форсунка 5 — смещение обучения к максимальному пределу |
| P02D6 | Форсунка 6 — смещение обучения к минимальному пределу |
| P02D7 | Форсунка 6 — смещение обучения к максимальному пределу |
| P02D8 | Форсунка 7 — смещение обучения к минимальному пределу |
| P02D9 | Форсунка 7 — смещение обучения к максимальному пределу |
| P02DA | Форсунка 8 — смещение обучения к минимальному пределу |
| P02DB | Форсунка 8 — смещение обучения к максимальному пределу |
| P02DC | Форсунка 9 — смещение обучения к минимальному пределу |
| P02DD | Форсунка 9 — смещение обучения к максимальному пределу |
| P02DE | Форсунка 10 — смещение обучения к минимальному пределу |
| P02DF | Форсунка 10 — смещение обучения к максимальному пределу |
| P02E0 | Привод заслонки системы впуска с изменяемой геометрией — обрыв цепи |
| P02E1 | Привод заслонки системы впуска с изменяемой геометрией — проблемы функционирования |
| P02E2 | Привод заслонки системы впуска с изменяемой геометрией — низкий уровень сигнала |
| P02E3 | Привод заслонки системы впуска с изменяемой геометрией — высокий уровень сигнала |
| P02E4 | Привод заслонки системы впуска с изменяемой геометрией — привод заело в открытом положении |
| P02E5 | Привод заслонки системы впуска с изменяемой геометрией — привод заело в закрытом положении |
| P02E6 | Датчик положения привода заслонки системы впуска с изменяемой геометрией — неисправность электрической цепи |
| P02E7 | Датчик положения привода заслонки системы впуска с изменяемой геометрией — диапазон/функционирование |
| P02E8 | Датчик положения привода заслонки системы впуска с изменяемой геометрией — низкий уровень сигнала |
| P02E9 | Датчик положения привода заслонки системы впуска с изменяемой геометрией — высокий уровень сигнала |
| P02EA | Датчик положения привода заслонки системы впуска с изменяемой геометрией — пропадающий/хаотичный сигнал |
| P02EB | Электродвигатель привода изменения геометрии впускного коллектора (дизель) — диапазон/функционирование |
| P02EC | Электродвигатель привода изменения геометрии впускного коллектора (дизель) — высокий расход воздуха |
| P02ED | Электродвигатель привода изменения геометрии впускного коллектора (дизель) — низкий расход воздуха |
| P02EE | Форсунка 1 — диапазон/функционирование |
| P02EF | Форсунка 2 — диапазон/функционирование |
| P02F0 | Форсунка 3 — диапазон/функционирование |
| P02F1 | Форсунка 4 — диапазон/функционирование |
| P02F2 | Форсунка 5 — диапазон/функционирование |
| P02F3 | Форсунка 6 — диапазон/функционирование |
| P02F4 | Форсунка 7 — диапазон/функционирование |
| P02F5 | Форсунка 8 — диапазон/функционирование |
| P02F6 | Форсунка 9 — диапазон/функционирование |
| P02F7 | Форсунка 10 — диапазон/функционирование |
| P02F8 | Форсунка 11 — диапазон/функционирование |
| P02F9 | Форсунка 12 — диапазон/функционирование |
| P02FA | Датчик положения привода изменения геометрии впускного коллектора (дизель) — функционирование ограничителя минимального/максимального открытия |
Система зажигания и система контроля пропусков воспламенения
| Код | Расшифровка |
|---|---|
| P0300 | Случайные / множественные пропуски зажигания (воспламенения) |
| P0301 | Цилиндр 1 — пропуски зажигания (воспламенения) |
| P0302 | Цилиндр 2 — пропуски зажигания (воспламенения) |
| P0303 | Цилиндр 3 — пропуски зажигания (воспламенения) |
| P0304 | Цилиндр 4 — пропуски зажигания (воспламенения) |
| P0305 | Цилиндр 5 — пропуски зажигания (воспламенения) |
| P0306 | Цилиндр 6 — пропуски зажигания (воспламенения) |
| P0307 | Цилиндр 7 — пропуски зажигания (воспламенения) |
| P0308 | Цилиндр 8 — пропуски зажигания (воспламенения) |
| P0309 | Цилиндр 9 — пропуски зажигания (воспламенения) |
| P0310 | Цилиндр 10 — пропуски зажигания (воспламенения) |
| P0311 | Цилиндр 11 — пропуски зажигания (воспламенения) |
| P0312 | Цилиндр 12 — пропуски зажигания (воспламенения) |
| P0313 | Пропуски зажигания (воспламенения) — низкий уровень топлива |
| P0314 | Пропуск зажигания (воспламенения) в одном цилиндре — номер цилиндра не распознается |
| P0315 | Коленчатый вал — отсутствие изменения положения |
| P0316 | Пропуски зажигания (воспламенения) при запуске — первые 1000 оборотов |
| P0317 | Нет данных по характеристикам неровностей дорожного покрытия |
| P0318 | Датчик состояния дорожного покрытия A — неисправность электрической цепи |
| P0319 | Датчик состояния дорожного покрытия B — неисправность электрической цепи |
| P0320 | Датчик положения коленчатого вала / датчик частоты вращения коленчатого вала — неисправность электрической цепи |
| P0321 | Датчик положения коленчатого вала / датчик частоты вращения коленчатого вала — диапазон/функционирование |
| P0322 | Датчик положения коленчатого вала/датчик частоты вращения коленчатого вала — нет сигнала |
| P0323 | Датчик положения коленчатого вала / датчик частоты вращения коленчатого вала — ненадежный контакт электрической цепи |
| P0324 | Ошибка в системе управления по детонации |
| P0325 | Датчик детонации 1, банк 1 — неисправность электрической цепи |
| P0326 | Датчик детонации 1, банк 1 — диапазон/функционирование |
| P0327 | Датчик детонации 1, банк 1 — низкий уровень сигнала |
| P0328 | Датчик детонации 1, банк 1 — высокий уровень входного сигнала |
| P0329 | Датчик детонации 1, банк 1 — ненадежный контакт электрической цепи |
| P032A | Датчик детонации 3, банк 1 — неисправность электрической цепи |
| P032B | Датчик детонации 3, банк 1 — диапазон/функционирование |
| P032C | Датчик детонации 3, банк 1 — низкий уровень сигнала |
| P032D | Датчик детонации 3, банк 1 — высокий уровень сигнала |
| P032E | Датчик детонации 3, банк 1 — пропадающий сигнал |
| P0330 | Датчик детонации 2, банк 2 — неисправность электрической цепи |
| P0331 | Датчик детонации 2, банк 2 — диапазон/функционирование |
| P0332 | Датчик детонации 2, банк 2 — низкий уровень сигнала |
| P0333 | Датчик детонации 2, банк 2 — высокий уровень входного сигнала |
| P0334 | Датчик детонации 2, банк 2 — неисправность электрической цепи |
| P0335 | Датчик положения коленчатого вала — неисправность электрической цепи |
| P0336 | Датчик положения коленчатого вала — диапазон/функционирование |
| P0337 | Датчик положения коленчатого вала — низкий уровень сигнала |
| P0338 | Датчик положения коленчатого вала — высокий уровень сигнала |
| P0339 | Датчик положения коленчатого вала — ненадежный контакт электрической цепи |
| P033A | Датчик детонации 4, банк 2 — неисправность электрической цепи |
| P033B | Датчик детонации 4, банк 2 — диапазон/функционирование |
| P033C | Датчик детонации 4, банк 2 — низкий уровень сигнала |
| P033D | Датчик детонации 4, банк 2 — высокий уровень сигнала |
| P033E | Датчик детонации 4, банк 2 — ненадежный контакт электрической цепи |
| P0340 | Датчик положения распределительного вала A, банк 1 — неисправность электрической цепи |
| P0341 | Датчик положения распределительного вала A, банк 1 — диапазон/функционирование |
| P0342 | Датчик положения распределительного вала A, банк 1 — низкий уровень сигнала |
| P0343 | Датчик положения распределительного вала A, банк 1 — высокий уровень входного сигнала |
| P0344 | Датчик положения распределительного вала A, банк 1 — ненадежный контакт электрической цепи |
| P0345 | Датчик положения распределительного вала A, банк 2 — неисправность электрической цепи |
| P0346 | Датчик положения распределительного вала A, банк 2 — диапазон/функционирование |
| P0347 | Датчик положения распределительного вала A, банк 2 — низкий уровень сигнала |
| P0348 | Датчик положения распределительного вала A, банк 2 — высокий уровень сигнала |
| P0349 | Датчик положения распределительного вала A, банк 2 — ненадежный контакт электрической цепи |
| P0350 | Катушка зажигания, первичная/вторичная обмотки — неисправность электрической цепи |
| P0351 | Катушка зажигания A, первичная/вторичная обмотки — неисправность электрической цепи |
| P0352 | Катушка зажигания В, первичная/вторичная обмотки — неисправность электрической цепи |
| P0353 | Катушка зажигания С, первичная/вторичная обмотки — неисправность электрической цепи |
| P0354 | Катушка зажигания D, первичная/вторичная обмотки — неисправность электрической цепи |
| P0355 | Катушка зажигания Е, первичная/вторичная обмотки — неисправность электрической цепи |
| P0356 | Катушка зажигания F, первичная/вторичная обмотки — неисправность электрической цепи |
| P0357 | Катушка зажигания G, первичная/вторичная обмотки — неисправность электрической цепи |
| P0358 | Катушка зажигания H, первичная/вторичная обмотки — неисправность электрической цепи |
| P0359 | Катушка зажигания I, первичная/вторичная обмотки — неисправность электрической цепи |
| P0360 | Катушка зажигания J, первичная/вторичная обмотки — неисправность электрической цепи |
| P0361 | Катушка зажигания K, первичная/вторичная обмотки — неисправность электрической цепи |
| P0362 | Катушка зажигания L, первичная/вторичная обмотки — неисправность электрической цепи |
| P0363 | Пропуск зажигания (воспламенения) — отсутствие подачи топлива |
| P0365 | Датчик В положения распределительного вала, банк 1 — неисправность электрической цепи |
| P0366 | Датчик В положения распределительного вала, банк 1 — диапазон/функционирование |
| P0367 | Датчик В положения распределительного вала, банк 1 — низкий уровень сигнала |
| P0368 | Датчик В положения распределительного вала, банк 1 — высокий уровень сигнала |
| P0369 | Датчик В положения распределительного вала, банк 1 — ненадежный контакт электрической цепи |
| P0370 | Опорная точка синхронизации фаз, сигнал А высокого разрешения — неисправность |
| P0371 | Опорная точка синхронизации фаз, сигнал А высокого разрешения — слишком много импульсов |
| P0372 | Опорная точка синхронизации фаз, сигнал А высокого разрешения — слишком мало импульсов |
| P0373 | Опорная точка синхронизации фаз, сигнал А высокого разрешения — хаотичные/пропадающие импульсы |
| P0374 | Опорная точка синхронизации фаз, сигнал А высокого разрешения — нет импульсов |
| P0375 | Опорная точка синхронизации фаз, сигнал В высокого разрешения — неисправность |
| P0376 | Опорная точка синхронизации фаз, сигнал В высокого разрешения — слишком много импульсов |
| P0377 | Опорная точка синхронизации фаз, сигнал В высокого разрешения — слишком мало импульсов |
| P0378 | Опорная точка синхронизации фаз, сигнал B высокого разрешения — хаотичные/пропадающие импульсы |
| P0379 | Опорная точка синхронизации фаз, сигнал В высокого разрешения — нет импульсов |
| P037D | Контроль свечей накаливания — неисправность электрической цепи |
| P037E | Контроль свечей накаливания — низкий уровень сигнала |
| P037F | Контроль свечей накаливания — высокий уровень сигнала |
| P0380 | Свечи накаливания, цепь А — неисправность |
| P0381 | Индикатор свечей накаливания — неисправность электрической цепи |
| P0382 | Свечи накаливания, цепь В — неисправность |
| P0383 | Блок управления свечами накаливания — низкий уровень сигнала |
| P0384 | Блок управления свечами накаливания — высокий уровень сигнала |
| P0385 | Датчик положения коленчатого вала B — неисправность электрической цепи |
| P0386 | Датчик положения коленчатого вала B — диапазон/функционирование |
| P0387 | Датчик положения коленчатого вала B — низкий уровень входного сигнала |
| P0388 | Датчик положения коленчатого вала B — высокий уровень входного сигнала |
| P0389 | Датчик положения коленчатого вала B — ненадежный контакт электрической цепи |
| P0390 | Датчик А положения распределительного вала B, банк 2 — неисправность электрической цепи |
| P0391 | Датчик В положения распределительного вала, банк 2 — диапазон/функционирование |
| P0392 | Датчик В положения распределительного вала, банк 2 — низкий уровень входного сигнала |
| P0393 | Датчик В положения распределительного вала, банк 2 — высокий уровень входного сигнала |
| P0394 | Датчик B положения распределительного вала, банк 2 — ненадежный контакт электрической цепи |
| P0395 | Датчик давления в цилиндре, цилиндр 1 — неисправность электрической цепи |
| P0396 | Датчик давления в цилиндре, цилиндр 1 — диапазон/функционирование |
| P0397 | Датчик давления в цилиндре, цилиндр 1 — низкий уровень сигнала |
| P0398 | Датчик давления в цилиндре, цилиндр 1 — высокий уровень сигнала |
| P0399 | Датчик давления в цилиндре, цилиндр 1 — ненадежный/пропадающий контакт электрической цепи |
| P039A | Цилиндр 1 — слишком низкое давление |
| P039B | Цилиндр 1 — слишком высокое давление |
| P039C | Цилиндр 1 — малое изменение давления |
| P039D | Цилиндр 1 — большое изменение давления |
| P039E | Цилиндр 1 — процесс сгорания |
| P039F | Датчик давления в цилиндре, цилиндр 2 — неисправность электрической цепи |
| P03A0 | Датчик давления в цилиндре, цилиндр 2 — диапазон/функционирование |
| P03A1 | Датчик давления в цилиндре, цилиндр 2 — низкий уровень сигнала |
| P03A2 | Датчик давления в цилиндре, цилиндр 2 — высокий уровень сигнала |
| P03A3 | Датчик давления в цилиндре, цилиндр 2 — ненадежный/пропадающий контакт электрической цепи |
| P03A4 | Цилиндр 2 — слишком низкое давление |
| P03A5 | Цилиндр 2 — слишком высокое давление |
| P03A6 | Цилиндр 2 — малое изменение давления |
| P03A7 | Цилиндр 2 — большое изменение давления |
| P03A8 | Цилиндр 2 — процесс сгорания |
| P03A9 | Датчик давления в цилиндре, цилиндр 3 — неисправность электрической цепи |
| P03AA | Датчик давления в цилиндре, цилиндр 3 — диапазон/функционирование |
| P03AB | Датчик давления в цилиндре, цилиндр 3 — низкий уровень сигнала |
| P03AC | Датчик давления в цилиндре, цилиндр 3 — высокий уровень сигнала |
| P03AD | Датчик давления в цилиндре, цилиндр 3 — ненадежный/пропадающий контакт электрической цепи |
| P03AE | Цилиндр 3 — слишком низкое давление |
| P03AF | Цилиндр 3 — слишком высокое давление |
| P03B0 | Цилиндр 3 — малое изменение давления |
| P03B1 | Цилиндр 3 — большое изменение давления |
| P03B2 | Цилиндр 3 — процесс сгорания |
| P03B3 | Датчик давления в цилиндре, цилиндр 4 — неисправность электрической цепи |
| P03B4 | Датчик давления в цилиндре, цилиндр 4 — диапазон/функционирование |
| P03B5 | Датчик давления в цилиндре, цилиндр 4 — низкий уровень сигнала |
| P03B6 | Датчик давления в цилиндре, цилиндр 4 — высокий уровень сигнала |
| P03B7 | Датчик давления в цилиндре, цилиндр 4 — ненадежный/пропадающий контакт электрической цепи |
| P03B8 | Цилиндр 4 — слишком низкое давление |
| P03B9 | Цилиндр 4 — слишком высокое давление |
| P03BA | Цилиндр 4 — малое изменение давления |
| P03BB | Цилиндр 4 — большое изменение давления |
| P03BC | Цилиндр 4 — процесс сгорания |
| P03BD | Датчик давления в цилиндре, цилиндр 5 — неисправность электрической цепи |
| P03BE | Датчик давления в цилиндре, цилиндр 5 — диапазон/функционирование |
| P03BF | Датчик давления в цилиндре, цилиндр 5 — низкий уровень сигнала |
| P03C0 | Датчик давления в цилиндре, цилиндр 5 — высокий уровень сигнала |
| P03C1 | Датчик давления в цилиндре, цилиндр 5 — ненадежный/пропадающий контакт электрической цепи |
| P03C2 | Цилиндр 5 — слишком низкое давление |
| P03C3 | Цилиндр 5 — слишком высокое давление |
| P03C4 | Цилиндр 5 — малое изменение давления |
| P03C5 | Цилиндр 5 — большое изменение давления |
| P03C6 | Цилиндр 5 — процесс сгорания |
| P03C7 | Датчик давления в цилиндре, цилиндр 6 — неисправность электрической цепи |
| P03C8 | Датчик давления в цилиндре, цилиндр 6 — диапазон/функционирование |
| P03C9 | Датчик давления в цилиндре, цилиндр 6 — низкий уровень сигнала |
| P03CA | Датчик давления в цилиндре, цилиндр 6 — высокий уровень сигнала |
| P03CB | Датчик давления в цилиндре, цилиндр 6 — ненадежный/пропадающий контакт электрической цепи |
| P03CC | Цилиндр 6 — слишком низкое давление |
| P03CD | Цилиндр 6 — слишком высокое давление |
| P03CE | Цилиндр 6 — малое изменение давления |
| P03CF | Цилиндр 6 — большое изменение давления |
| P03D0 | Цилиндр 6 — процесс сгорания |
| P03D1 | Датчик давления в цилиндре, цилиндр 7 — неисправность электрической цепи |
| P03D2 | Датчик давления в цилиндре, цилиндр 7 — диапазон/функционирование |
| P03D3 | Датчик давления в цилиндре, цилиндр 7 — низкий уровень сигнала |
| P03D4 | Датчик давления в цилиндре, цилиндр 7 — высокий уровень сигнала |
| P03D5 | Датчик давления в цилиндре, цилиндр 7 — ненадежный/пропадающий контакт электрической цепи |
| P03D6 | Цилиндр 7 — слишком низкое давление |
| P03D7 | Цилиндр 7 — слишком высокое давление |
| P03D8 | Цилиндр 7 — малое изменение давления |
| P03D9 | Цилиндр 7 — большое изменение давления |
| P03DA | Цилиндр 7 — процесс сгорания |
| P03DB | Датчик давления в цилиндре, цилиндр 8 — неисправность электрической цепи |
| P03DC | Датчик давления в цилиндре, цилиндр 8 — диапазон/функционирование |
| P03DD | Датчик давления в цилиндре, цилиндр 8 — низкий уровень сигнала |
| P03DE | Датчик давления в цилиндре, цилиндр 8 — высокий уровень сигнала |
| P03DF | Датчик давления в цилиндре, цилиндр 8 — ненадежный/пропадающий контакт электрической цепи |
| P03E0 | Цилиндр 8 — слишком низкое давление |
| P03E1 | Цилиндр 8 — слишком высокое давление |
| P03E2 | Цилиндр 8 — малое изменение давления |
| P03E3 | Цилиндр 8 — большое изменение давления |
| P03E4 | Цилиндр 8 — процесс сгорания |
Вспомогательные системы контроля эмиссии
| Код | Расшифровка |
|---|---|
| P0400 | Система рециркуляции отработавших газов (EGR) — неисправность каналов системы |
| P0401 | Система рециркуляции отработавших газов (EGR) — недостаточный уровень рециркуляции |
| P0402 | Система рециркуляции отработавших газов (EGR) — чрезмерный уровень рециркуляции |
| P0403 | Система рециркуляции отработавших газов (EGR) — неисправность электрической цепи |
| P0404 | Система рециркуляции отработавших газов (EGR) — диапазон/функционирование |
| P0405 | Датчик положения клапана А системы рециркуляции ОГ (EGR) — низкий уровень сигнала |
| P0406 | Датчик положения клапана А системы рециркуляции ОГ (EGR) — высокий уровень сигнала |
| P0407 | Датчик положения клапана B системы рециркуляции ОГ (EGR) — низкий уровень входного сигнала |
| P0408 | Датчик положения клапана B системы рециркуляции ОГ (EGR) — высокий уровень входного сигнала |
| P0409 | Датчик А системы рециркуляции отработавших газов (EGR) — неисправность электрической цепи |
| P040A | Датчик А температуры отработавших газов в системе рециркуляции ОГ (EGR) — неисправность электрической цепи |
| P040B | Датчик А температуры отработавших газов в системе рециркуляции ОГ (EGR) — диапазон/функционирование |
| P040C | Датчик А температуры отработавших газов в системе рециркуляции ОГ (EGR) — низкий уровень сигнала |
| P040D | Датчик А температуры отработавших газов в системе рециркуляции ОГ (EGR) — высокий уровень сигнала |
| P040E | Датчик А температуры отработавших газов в системе рециркуляции ОГ (EGR) — пропадающий/хаотичный сигнал |
| P040F | Датчик А/В температуры отработавших газов в системе рециркуляции ОГ (EGR) — корреляция |
| P0410 | Система подачи воздуха на выпуск — неисправность |
| P0411 | Система подачи воздуха на выпуск — некорректный расход |
| P0412 | Э/м клапан А подачи воздуха на выпуск — неисправность электрической цепи |
| P0413 | Э/м клапан А подачи воздуха на выпуск — обрыв цепи |
| P0414 | Э/м клапан А подачи воздуха на выпуск — короткое замыкание |
| P0415 | Э/м клапан B подачи воздуха на выпуск — неисправность электрической цепи |
| P0416 | Э/м клапан B подачи воздуха на выпуск — обрыв цепи |
| P0417 | Э/м клапан B подачи воздуха на выпуск — короткое замыкание в цепи |
| P0418 | Реле насоса А подачи воздуха на выпуск — неисправность электрической цепи |
| P0419 | Реле B насоса системы подачи воздуха на выпуск — неисправность электрической цепи |
| P041A | Датчик В температуры отработавших газов в системе рециркуляции ОГ (EGR) — неисправность электрической цепи |
| P041B | Датчик В температуры отработавших газов в системе рециркуляции ОГ (EGR) — диапазон/функционирование |
| P041C | Датчик В температуры отработавших газов в системе рециркуляции ОГ (EGR) — низкий уровень сигнала |
| P041D | Датчик В температуры отработавших газов в системе рециркуляции ОГ (EGR) — высокий уровень сигнала |
| P041E | Датчик В температуры отработавших газов в системе рециркуляции ОГ (EGR) — пропадающий/хаотичный сигнал |
| P041F | Переключающий э/м клапан А подачи воздуха на выпуск — низкий уровень сигнала |
| P0420 | Каталитический нейтрализатор, банк 1 — эффективность ниже требуемой |
| P0421 | Прогрев каталитического нейтрализатора, банк 1 — эффективность ниже требуемой |
| P0422 | Основной каталитический нейтрализатор, банк 1 — эффективность ниже требуемой |
| P0423 | Подогреваемый каталитический нейтрализатор, банк 1 — эффективность ниже требуемой |
| P0424 | Подогреваемый каталитический нейтрализатор, банк 1 — эффективность ниже требуемой |
| P0425 | Датчик температуры каталитического нейтрализатора, банк 1 |
| P0426 | Датчик температуры каталитического нейтрализатора, банк 1 — диапазон/функционирование |
| P0427 | Датчик температуры каталитического нейтрализатора, банк 1 — низкий уровень сигнала |
| P0428 | Датчик температуры каталитического нейтрализатора, банк 1 — высокий уровень входного сигнала |
| P0429 | Нагреватель каталитического нейтрализатора, банк 1 — неисправность электрической цепи |
| P042A | Датчик 2 температуры каталитического нейтрализатора, банк 1 — неисправность электрической цепи |
| P042B | Датчик 2 температуры каталитического нейтрализатора, банк 1 — диапазон/функционирование |
| P042C | Датчик 2 температуры каталитического нейтрализатора, банк 1 — низкий уровень сигнала |
| P042D | Датчик 2 температуры каталитического нейтрализатора, банк 1 — высокий уровень сигнала |
| P042E | Привод клапана A системы рециркуляции отработавших газов (EGR) — заедание привода в открытом положении |
| P042F | Привод клапана A системы рециркуляции отработавших газов (EGR) — заедание привода в закрытом положении |
| P0430 | Каталитический нейтрализатор, банк 2 — эффективность ниже требуемой |
| P0431 | Прогрев каталитического нейтрализатора, банк 2 — эффективность ниже требуемой |
| P0432 | Основной каталитический нейтрализатор, банк 2 — эффективность ниже требуемой |
| P0433 | Подогреваемый каталитический нейтрализатор, банк 2 — эффективность ниже требуемой |
| P0434 | Подогреваемый каталитический нейтрализатор, банк 2 — температура ниже требуемой |
| P0435 | Датчик температуры каталитического нейтрализатора, банк 2 |
| P0436 | Датчик температуры каталитического нейтрализатора, банк 2 — диапазон/функционирование |
| P0437 | Датчик температуры каталитического нейтрализатора, банк 2 — низкий уровень входного сигнала |
| P0438 | Датчик температуры каталитического нейтрализатора, банк 2 — высокий уровень входного сигнала |
| P0439 | Нагреватель каталитического нейтрализатора, банк 2 — неисправность электрической цепи |
| P043A | Датчик 2 температуры каталитического нейтрализатора, банк 2 — неисправность электрической цепи |
| P043B | Датчик 2 температуры каталитического нейтрализатора, банк 2 — диапазон/функционирование |
| P043C | Датчик 2 температуры каталитического нейтрализатора, банк 2 — низкий уровень сигнала |
| P043D | Датчик 2 температуры каталитического нейтрализатора, банк 2 — высокий уровень сигнала |
| P043E | Опорный жиклер системы определения утечек в системе улавливания паров топлива — низкий расход |
| P043F | Опорный жиклер системы определения утечек в системе улавливания паров топлива — чрезмерный расход |
| P0440 | Система улавливания паров топлива — неисправность |
| P0441 | Система улавливания паров топлива — некорректный расход |
| P0442 | Система улавливания паров топлива — незначительная утечка |
| P0443 | Э/м клапан аккумулятора паров топлива — неисправность электрической цепи |
| P0444 | Э/м клапан аккумулятора паров топлива — обрыв цепи |
| P0445 | Э/м клапан аккумулятора паров топлива — короткое замыкание |
| P0446 | Система улавливания паров топлива, управление продувкой — неисправность электрической цепи |
| P0447 | Система улавливания паров топлива, управление продувкой — обрыв цепи |
| P0448 | Система улавливания паров топлива, управление продувкой — короткое замыкание |
| P0449 | Система улавливания паров топлива, клапан управления продувкой — неисправность электрической цепи |
| P044A | Датчик С системы рециркуляции отработавших газов (EGR) — неисправность электрической цепи |
| P044B | Датчик С системы рециркуляции отработавших газов (EGR) — диапазон/функционирование |
| P044C | Датчик С системы рециркуляции отработавших газов (EGR) — низкий уровень сигнала |
| P044D | Датчик С системы рециркуляции отработавших газов (EGR) — высокий уровень сигнала |
| P044E | Датчик С системы рециркуляции отработавших газов (EGR) — пропадающий/хаотичный сигнал |
| P044F | Переключающий э/м клапан А подачи воздуха на выпуск — высокий уровень сигнала |
| P0450 | Датчик давления системы улавливания паров топлива — неисправность электрической цепи |
| P0451 | Датчик давления системы улавливания паров топлива — диапазон/функционирование |
| P0452 | Датчик давления системы улавливания паров топлива — низкий уровень сигнала |
| P0453 | Датчик давления системы улавливания паров топлива — высокий уровень сигнала |
| P0454 | Датчик давления системы улавливания паров топлива — ненадежный контакт электрической цепи |
| P0455 | Система улавливания паров топлива — значительная утечка |
| P0456 | Система улавливания паров топлива — крайне незначительная утечка |
| P0457 | Система улавливания паров топлива — утечка (ослабла или открыта крышка топливозаливной горловины) |
| P0458 | Система улавливания паров топлива, клапан аккумулятора паров топлива — низкий уровень сигнала |
| P0459 | Система улавливания паров топлива, клапан аккумулятора паров топлива — высокий уровень сигнала |
| P045A | Привод клапана B системы рециркуляции ОГ (EGR) — неисправность электрической цепи |
| P045B | Клапан В системы рециркуляции отработавших газов (EGR) — диапазон/функционирование |
| P045C | Привод клапана В системы рециркуляции отработавших газов (EGR) — низкий уровень сигнала |
| P045D | Привод клапана В системы рециркуляции отработавших газов (EGR) — высокий уровень сигнала |
| P045E | Привод клапана В системы рециркуляции отработавших газов (EGR) — привод заело в открытом положении |
| P045F | Клапан В системы рециркуляции отработавших газов (EGR) — клапан заело в закрытом положении |
| P0460 | Датчик уровня топлива — неисправность электрической цепи |
| P0461 | Датчик уровня топлива — диапазон/функционирование |
| P0462 | Датчик уровня топлива — низкий уровень сигнала |
| P0463 | Датчик уровня топлива — высокий уровень входного сигнала |
| P0464 | Датчик уровня топлива — ненадежный контакт электрической цепи |
| P0465 | Датчик расхода через аккумулятор паров топлива — неисправность электрической цепи |
| P0466 | Датчик расхода через аккумулятор паров топлива — диапазон/функционирование |
| P0467 | Датчик расхода через аккумулятор паров топлива — низкий уровень сигнала |
| P0468 | Датчик расхода через аккумулятор паров топлива — высокий уровень сигнала |
| P0469 | Датчик расхода через аккумулятор паров топлива — ненадежный контакт электрической цепи |
| P046A | Датчик 1/2 температуры каталитического нейтрализатора, банк 1 — корреляция |
| P046B | Датчик 1/2 температуры каталитического нейтрализатора, банк 2 — корреляция |
| P046C | Датчик А положения клапана системы рециркуляции ОГ (EGR) — диапазон/функционирование |
| P046D | Датчик А системы рециркуляции отработавших газов (EGR) — пропадающий/хаотичный сигнал |
| P046E | Датчик В системы рециркуляции отработавших газов (EGR) — диапазон/функционирование |
| P046F | Датчик В системы рециркуляции отработавших газов (EGR) — пропадающий/хаотичный сигнал |
| P0470 | Датчик давления отработавших газов — неисправность электрической цепи |
| P0471 | Датчик давления отработавших газов — диапазон/функционирование |
| P0472 | Датчик давления отработавших газов — низкий уровень сигнала |
| P0473 | Датчик давления отработавших газов — высокий уровень входного сигнала |
| P0474 | Датчик давления отработавших газов — ненадежный контакт электрической цепи |
| P0475 | Клапан управления давлением отработавших газов — неисправность электрической цепи |
| P0476 | Клапан управления давлением отработавших газов — диапазон/функционирование |
| P0477 | Клапан управления давлением отработавших газов — низкий уровень сигнала |
| P0478 | Клапан управления давлением отработавших газов — высокий уровень входного сигнала |
| P0479 | Клапан управления давлением отработавших газов — ненадежный контакт электрической цепи |
| P047A | Датчик В давления отработавших газов — неисправность электрической цепи |
| P047B | Датчик В давления отработавших газов — диапазон/функционирование |
| P047C | Датчик В давления отработавших газов — низкий уровень сигнала |
| P047D | Датчик В давления отработавших газов — высокий уровень сигнала |
| P047E | Датчик В давления отработавших газов — пропадающий/хаотичный сигнал |
| P047F | Клапан управления давлением отработавших газов — клапан заело в открытом положении |
| P0480 | Электродвигатель вентилятора 1 системы охлаждения — неисправность электрической цепи |
| P0481 | Электродвигатель вентилятора 2 системы охлаждения — неисправность электрической цепи |
| P0482 | Электродвигатель вентилятора системы охлаждения 3 — неисправность электрической цепи |
| P0483 | Электродвигатель вентилятора системы охлаждения, нормальная проверка — неисправность |
| P0484 | Электродвигатель вентилятора системы охлаждения — превышение допустимой силы тока в цепи |
| P0485 | Электродвигатель вентилятора системы охлаждения, питание / масса — неисправность электрической цепи |
| P0486 | Датчик положения клапана В системы рециркуляции ОГ (EGR) — неисправность электрической цепи |
| P0487 | Система рециркуляции отработавших газов (EGR), управление положением дроссельной заслонки — неисправность электрической цепи |
| P0488 | Система рециркуляции отработавших газов (EGR), управление положением заслонки — проблемы диапазона / функционирования |
| P0489 | Система рециркуляции отработавших газов (EGR) — низкое напряжение цепи |
| P048A | Управляющий привод системы выпуска — привод заело в закрытом положении |
| P048B | Датчик/выключатель положения управляющего привода системы выпуска — неисправность электрической цепи |
| P048C | Датчик/выключатель положения управляющего привода системы выпуска — диапазон/функционирование |
| P048D | Датчик/выключатель положения клапана управления давлением отработавших газов — низкий уровень сигнала |
| P048E | Датчик/выключатель положения клапана управления давлением отработавших газов — высокий уровень сигнала |
| P048F | Датчик/выключатель положения управляющего привода системы выпуска — пропадающий/хаотичный сигнал |
| P0490 | Система рециркуляции отработавших газов (EGR) — высокое напряжение цепи |
| P0491 | Система подачи воздуха на выпуск, банк 1 — неисправность |
| P0492 | Система подачи воздуха на выпуск, банк 2 — неисправность |
| P0493 | Превышение частоты вращения электродвигателя вентилятора системы охлаждения (блокировка муфты) |
| P0494 | Электродвигатель вентилятора системы охлаждения — низкая скорость |
| P0495 | Электродвигатель вентилятора системы охлаждения — высокая скорость |
| P0496 | Система улавливания паров топлива — высокий расход при продувке |
| P0497 | Система улавливания паров топлива — низкий расход при продувке |
| P0498 | Система улавливания паров топлива, управление продувкой — низкий уровень сигнала |
| P0499 | Система улавливания паров топлива, управление продувкой — высокий уровень сигнала |
| P049A | Привод клапана В системы рециркуляции отработавших газов (EGR) — проблемы с расходом |
| P049B | Система В рециркуляции отработавших газов (EGR) — недостаточный уровень рециркуляции |
| P049C | Привод клапана В системы рециркуляции отработавших газов (EGR) — чрезмерный расход |
| P049D | Привод клапана А системы рециркуляции ОГ (EGR) — превышен верхний предел обучения |
| P049E | Привод клапана В системы рециркуляции ОГ (EGR) — превышен верхний предел обучения |
| P049F | Клапан B управления давлением отработавших газов |
| P04A0 | Клапан В управления давлением отработавших газов — диапазон/функционирование |
| P04A1 | Клапан B управления давлением отработавших газов — низкий уровень сигнала |
| P04A2 | Клапан B управления давлением отработавших газов — высокий уровень сигнала |
| P04A3 | Клапан B управления давлением отработавших газов — ненадежный контакт электрической цепи |
| P04A4 | Клапан B управления давлением отработавших газов — заедание клапана в открытом положении |
| P04A5 | Клапан B управления давлением отработавших газов — заедание клапана в закрытом положении |
| P04A6 | Датчик/выключатель B положения клапана управления давлением отработавших газов — неисправность электрической цепи |
| P04A7 | Датчик/выключатель B положения клапана управления давлением отработавших газов — диапазон/функционирование |
| P04A8 | Датчик/выключатель B положения клапана управления давлением отработавших газов — низкий уровень сигнала |
| P04A9 | Датчик/выключатель B положения клапана управления давлением отработавших газов — высокий уровень сигнала |
| P04AA | Датчик/выключатель B положения клапана управления давлением отработавших газов — ненадежный/пропадающий контакт электрической цепи |
| P04AB | Э/м клапан аккумулятора паров топлива B — обрыв цепи |
| P04AC | Э/м клапан аккумулятора паров топлива B — низкий уровень сигнала |
| P04AD | Э/м клапан аккумулятора паров топлива B — высокий уровень сигнала |
| P04AE | Э/м клапан аккумулятора паров топлива B — функционирование / заедание клапана в открытом положении |
| P04AF | Клапан аккумулятора паров топлива B — заедание клапана в закрытом положении |
| P04B0 | Клапан перепуска паров топлива при заправке — обрыв цепи |
| P04B1 | Клапан перепуска паров топлива при заправке — низкий уровень сигнала |
| P04B2 | Клапан перепуска паров топлива при заправке — высокий уровень сигнала |
| P04B3 | Клапан перепуска паров топлива при заправке — функционирование / заедание клапана в открытом положении |
| P04B4 | Клапан перепуска паров топлива при заправке — заедание клапана в закрытом положении |
| P04B5 | Лючок/крышка топливозаливной горловины — заедание в открытом положении |
| P04B6 | Лючок/крышка топливозаливной горловины — заедание в закрытом положении |
| P04B7 | Датчик/выключатель крышки топливозаливной горловины — ненадежный/пропадающий контакт электрической цепи |
| P04B8 | Датчик/выключатель крышки топливозаливной горловины — неисправность электрической цепи |
| P04B9 | Датчик/выключатель крышки топливозаливной горловины — низкий уровень сигнала |
| P04BA | Датчик/выключатель крышки топливозаливной горловины — высокий уровень сигнала |
| P04BB | Управление замком крышки топливозаливной горловины (запирание) — обрыв цепи |
| P04BC | Управление замком крышки топливозаливной горловины (запирание) — диапазон/функционирование |
| P04BD | Управление замком крышки топливозаливной горловины (запирание) — низкий уровень сигнала |
| P04BE | Управление замком крышки топливозаливной горловины (запирание) — высокий уровень сигнала |
| P04BF | Управление замком крышки топливозаливной горловины (отпирание) — обрыв цепи |
| P04C0 | Управление замком крышки топливозаливной горловины (отпирание) — диапазон/функционирование |
| P04C1 | Управление замком крышки топливозаливной горловины (отпирание) — низкий уровень сигнала |
| P04C2 | Управление замком крышки топливозаливной горловины (отпирание) — высокий уровень сигнала |
| P04C3 | Датчик/выключатель замка крышки топливозаливной горловины — неисправность электрической цепи |
| P04C4 | Датчик/выключатель замка крышки топливозаливной горловины — диапазон/функционирование |
| P04C5 | Датчик/выключатель замка крышки топливозаливной горловины — низкий уровень сигнала |
| P04C6 | Датчик/выключатель замка крышки топливозаливной горловины — высокий уровень сигнала |
| P04C7 | Датчик/выключатель замка крышки топливозаливной горловины — ненадежный/пропадающий контакт электрической цепи |
| P04C8 | Датчик/выключатель открывания крышки топливозаливной горловины — неисправность электрической цепи |
| P04C9 | Датчик/выключатель открывания крышки топливозаливной горловины — функционирование / заедание в выключенном состоянии |
| P04CA | Датчик/выключатель открывания крышки топливозаливной горловины — постоянно низкий уровень сигнала |
| P04CB | Датчик/выключатель открывания крышки топливозаливной горловины — постоянно высокий уровень сигнала |
| P04CC | Датчик/выключатель открывания крышки топливозаливной горловины — прерывистый/хаотичный сигнал |
| P04CD | Датчик/выключатель открывания крышки топливозаливной горловины — заедание во включенном состоянии |
| P04CE | Датчик С температуры системы рециркуляции отработавших газов (EGR) — неисправность электрической цепи |
| P04CF | Датчик С температуры системы рециркуляции отработавших газов (EGR) — неисправность электрической цепи |
| P04D0 | Датчик С температуры системы рециркуляции отработавших газов (EGR) — низкий уровень сигнала |
| P04D1 | Датчик С температуры системы рециркуляции отработавших газов (EGR) — высокий уровень сигнала |
| P04D2 | Датчик С температуры системы рециркуляции отработавших газов (EGR) — пропадающий/хаотичный сигнал |
| P04D3 | Горный тормоз — неисправность цепи входного сигнала |
| P04D4 | Горный тормоз — диапазон/функционирование цепи входного сигнала |
| P04D5 | Горный тормоз — низкий уровень цепи входного сигнала |
| P04D6 | Горный тормоз — высокий уровень цепи входного сигнала |
| P04D7 | Горный тормоз — ненадежный/пропадающий контакт электрической цепи |
| P04D8 | Управление системой рециркуляции отработавших газов (EGR) — превышение времени входа в режим работы с обратной связью |
| P04D9 | Управление системой рециркуляции отработавших газов (EGR) (режим работы с обратной связью), достигнут предел управления — низкий расход |
| P04DA | Управление системой рециркуляции отработавших газов (EGR) (режим работы с обратной связью), достигнут предел управления — высокий расход |
| P04DB | Система вентиляции картера отсоединена |
Контроль скорости автомобиля, системы холостого хода и других систем
| Код | Расшифровка |
|---|---|
| P0500 | Датчик скорости автомобиля — неисправность электрической цепи |
| P0501 | Датчик скорости автомобиля — диапазон/функционирование |
| P0502 | Датчик скорости автомобиля — низкий уровень сигнала |
| P0503 | Датчик скорости автомобиля — сигналы хаотичные / пропадающие / высокого уровня |
| P0504 | Выключатель А/В стоп-сигналов (датчик положения педали тормоза) — корреляция |
| P0505 | Система управления частотой вращения холостого хода — неисправность |
| P0506 | Система управления частотой вращения холостого хода — частота вращения ниже допустимой |
| P0507 | Система управления частотой вращения холостого хода — частота вращения выше допустимой |
| P0508 | Управление перепуском воздуха на холостом ходу — низкий уровень сигнала |
| P0509 | Управление перепуском воздуха на холостом ходу — высокий уровень сигнала |
| P050A | Клапан управления перепуском воздуха на холостом ходу, холодный запуск — проблемы функционирования |
| P050B | Угол опережения зажигания, холодный запуск — проблемы функционирования |
| P050C | Датчик температуры охлаждающей жидкости, холодный запуск — функционирование |
| P050D | Неровный холостой ход после холодного запуска |
| P050E | Температура отработавших газов, холодный запуск — вне диапазона |
| P050F | Датчик давления в системе усилителя тормозов — низкий уровень |
| P0510 | Датчик полностью закрытого положения дроссельной заслонки — неисправность электрической цепи |
| P0511 | Управление перепуском воздуха на холостом ходу — неисправность электрической цепи |
| P0512 | Цепь управления стартером — неисправность |
| P0513 | Некорректный ключ иммобилайзера (неправильный код) |
| P0514 | Датчик температуры аккумуляторной батареи — диапазон/функционирование |
| P0515 | Датчик температуры аккумуляторной батареи — неисправность электрической цепи |
| P0516 | Датчик температуры аккумуляторной батареи — низкое напряжение цепи |
| P0517 | Датчик температуры аккумуляторной батареи — высокое напряжение цепи |
| P0518 | Управление перепуском воздуха на холостом ходу — ненадежный контакт электрической цепи |
| P0519 | Управление перепуском воздуха на холостом ходу — функционирование |
| P051A | Датчик давления картерных газов — неисправность электрической цепи |
| P051B | Датчик давления картерных газов — диапазон/функционирование |
| P051C | Датчик давления картерных газов — низкий уровень сигнала |
| P051D | Датчик давления картерных газов — высокий уровень сигнала |
| P051E | Датчик давления картерных газов — ненадежный контакт электрической цепи |
| P051F | Клапан системы принудительной вентиляция картера — засорение фильтра системы вентиляции |
| P0520 | Датчик давления моторного масла — неисправность электрической цепи |
| P0521 | Датчик давления моторного масла — диапазон/функционирование |
| P0522 | Датчик давления моторного масла — низкое напряжение |
| P0523 | Датчик давления моторного масла — высокое напряжение |
| P0524 | Давление моторного масла слишком низкое |
| P0525 | Система поддержания скорости (круиз-контроль), управление приводом — диапазон/функционирование |
| P0526 | Электродвигатель вентилятора системы охлаждения, датчик скорости — неисправность электрической цепи |
| P0527 | Электродвигатель вентилятора системы охлаждения, датчик скорости — диапазон/функционирование |
| P0528 | Электродвигатель вентилятора системы охлаждения, датчик скорости — нет сигнала |
| P0529 | Электродвигатель вентилятора системы охлаждения, датчик скорости — ненадежный контакт электрической цепи |
| P052A | Положение распределительного вала — холодный запуск, банк 1 — перерегулирование в сторону опережения |
| P052B | Положение распределительного вала — холодный запуск, банк 1 — перерегулирование в сторону запаздывания |
| P052C | Положение распределительного вала — холодный запуск, банк 2 — перерегулирование в сторону опережения |
| P052D | Положение распределительного вала — холодный запуск, банк 2 — перерегулирование в сторону запаздывания |
| P052E | Регулятор системы принудительной вентиляции картера — функционирование |
| P052F | Блок управления свечами накаливания — некорректное напряжение |
| P0530 | Датчик давления хладагента системы кондиционирования — неисправность электрической цепи |
| P0531 | Датчик давления хладагента системы кондиционирования — диапазон/функционирование |
| P0532 | Датчик давления хладагента системы кондиционирования — низкий уровень сигнала |
| P0533 | Датчик давления хладагента системы кондиционирования — высокий уровень входного сигнала |
| P0534 | Недостаток хладагента в системе кондиционирования |
| P0535 | Датчик температуры за испарителем (кондиционер) — неисправность электрической цепи |
| P0536 | Датчик температуры за испарителем (кондиционер) — диапазон/функционирование |
| P0537 | Датчик температуры за испарителем системы кондиционирования — низкий уровень сигнала |
| P0538 | Датчик температуры за испарителем системы кондиционирования — высокий уровень сигнала |
| P0539 | Датчик температуры за испарителем системы кондиционирования — ненадежный контакт электрической цепи |
| P053A | Подогреватель сапуна вентиляции картера — обрыв цепи |
| P053B | Подогреватель сапуна вентиляции картера — низкий уровень сигнала |
| P053C | Подогреватель сапуна вентиляции картера — высокий уровень сигнала |
| P053D | Подогреватель сапуна вентиляции картера — функционирование |
| P053F | Давление топлива при холодном пуске — функционирование |
| P0540 | Нагреватель А воздуха на впуске — неисправность электрической цепи |
| P0541 | Нагреватель А воздуха на впуске — низкое напряжение цепи |
| P0542 | Нагреватель А воздуха на впуске — высокое напряжение цепи |
| P0543 | Нагреватель A воздуха на впуске — обрыв цепи |
| P0544 | Датчик температуры отработавших газов 1, банк 1 — неисправность электрической цепи |
| P0545 | Датчик температуры отработавших газов 1, банк 1 — низкий уровень входного сигнала |
| P0546 | Датчик температуры отработавших газов 1, банк 1 — высокий уровень входного сигнала |
| P0547 | Датчик температуры отработавших газов 1, банк 2 — неисправность электрической цепи |
| P0548 | Датчик температуры отработавших газов 1, банк 2 — низкий уровень сигнала |
| P0549 | Датчик температуры отработавших газов 1, банк 2 — высокий уровень сигнала |
| P054A | Датчик положения распределительного вала B, холодный запуск — перерегулирование в сторону опережения |
| P054B | Датчик положения распределительного вала B, холодный запуск — перерегулирование в сторону запаздывания |
| P054C | Датчик положения распределительного вала B, холодный запуск — перерегулирование в сторону опережения |
| P054D | Датчик положения распределительного вала B, холодный запуск — перерегулирование в сторону запаздывания |
| P054E | Управление частотой вращения холостого хода — подача топлива меньше требуемой |
| P054F | Управление частотой вращения холостого хода — подача топлива больше требуемой |
| P0550 | Датчик/выключатель по давлению усилителя рулевого управления — неисправность электрической цепи |
| P0551 | Датчик-выключатель по давлению усилителя рулевого управления — диапазон/функционирование |
| P0552 | Датчик/выключатель по давлению усилителя рулевого управления — низкий уровень сигнала |
| P0553 | Датчик/выключатель по давлению усилителя рулевого управления — высокий уровень сигнала |
| P0554 | Датчик/выключатель по давлению усилителя рулевого управления — ненадежный контакт электрической цепи |
| P0555 | Датчик давления в системе усилителя тормозной системы — неисправность электрической цепи |
| P0556 | Датчик давления в системе усилителя тормозной системы — диапазон/функционирование |
| P0557 | Датчик давления в системе усилителя тормозной системы — низкий уровень сигнала |
| P0558 | Датчик давления в системе усилителя тормозной системы — высокий уровень входного сигнала |
| P0559 | Датчик давления в системе усилителя тормозной системы — ненадежный контакт электрической цепи |
| P055A | Датчик давления моторного масла B — неисправность электрической цепи |
| P055B | Датчик давления моторного масла B — диапазон/функционирование |
| P055C | Датчик давления моторного масла B — низкий уровень сигнала |
| P055D | Датчик давления моторного масла B — высокий уровень сигнала |
| P0560 | Напряжение системы (бортовой сети) — неисправность |
| P0561 | Напряжение системы (бортовой сети) — нестабильность |
| P0562 | Напряжение системы (бортовой сети) — низкое |
| P0563 | Напряжение системы (бортовой сети) — высокое |
| P0564 | Система поддержания скорости (круиз-контроль), многофункциональный переключатель (входной сигнал А) — неисправность электрической цепи |
| P0565 | Главный выключатель системы поддержания скорости (круиз-контроля), сигнал ON — неисправность |
| P0566 | Главный выключатель системы поддержания скорости (круиз-контроля), сигнал OFF — неисправность |
| P0567 | Переключатель выбора режима работы системы поддержания скорости (круиз-контроля), сигнал RESUME — неисправность |
| P0568 | Главный выключатель системы поддержания скорости (круиз-контроля), сигнал SET — неисправность |
| P0569 | Переключатель выбора режима работы системы поддержания скорости (круиз-контроля), сигнал COAST — неисправность |
| P056A | Некорректный сигнал увеличения дистанции системы поддержания скорости |
| P056B | Некорректный сигнал уменьшения дистанции системы поддержания скорости |
| P056C | Система поддержания скорости (круиз-контроль), сигнал отключения |
| P0570 | Система поддержания скорости (круиз-контроль), сигнал датчика положения педали акселератора — неисправность |
| P0571 | Выключатель педали тормоза A (система поддержания скорости) — неисправность электрической цепи |
| P0572 | Концевой выключатель А педали тормоза (система поддержания скорости) — низкий уровень сигнала |
| P0573 | Концевой выключатель А педали тормоза (система поддержания скорости) — высокий уровень сигнала |
| P0574 | Система поддержания скорости (круиз-контроль) — слишком высокая скорость автомобиля |
| P0575 | Система поддержания скорости (круиз-контроль) — неисправность цепи входного сигнала |
| P0576 | Система поддержания скорости (круиз-контроль) — низкий уровень входного сигнала |
| P0577 | Система поддержания скорости (круиз-контроль) — высокий уровень входного сигнала |
| P0578 | Система поддержания скорости (круиз-контроль), многофункциональный переключатель (входной сигнал А) — цепь блокирована |
| P0579 | Система поддержания скорости (круиз-контроль), многофункциональный переключатель (входной сигнал А) — диапазон/функционирование |
| P057A | Датчик положения педали тормоза — обрыв цепи |
| P057B | Датчик положения педали тормоза — диапазон/функционирование |
| P057C | Датчик положения педали тормоза — низкий уровень сигнала |
| P057D | Датчик положения педали тормоза — высокий уровень сигнала |
| P057E | Датчик положения педали тормоза — ненадежный/пропадающий контакт электрической цепи |
| P0580 | Система поддержания скорости (круиз-контроль), многофункциональный переключатель (входной сигнал А) — низкий уровень сигнала |
| P0581 | Система поддержания скорости (круиз-контроль), многофункциональный переключатель (входной сигнал А) — высокий уровень сигнала |
| P0582 | Система поддержания скорости (круиз-контроль), управление разрежением — обрыв цепи |
| P0583 | Система поддержания скорости (круиз-контроль), управление разрежением — низкое напряжение цепи |
| P0584 | Система поддержания скорости (круиз-контроль), управление разрежением — высокое напряжение цепи |
| P0585 | Система поддержания скорости (круиз-контроль), многофункциональный переключатель (входной сигнал А/В) — корреляция |
| P0586 | Система поддержания скорости (круиз-контроль), управление продувкой — обрыв цепи |
| P0587 | Система поддержания скорости (круиз-контроль), управление продувкой — низкое напряжение цепи |
| P0588 | Система поддержания скорости (круиз-контроль), управление продувкой — высокое напряжение цепи |
| P0589 | Система поддержания скорости (круиз-контроль), многофункциональный переключатель (входной сигнал B) — неисправность электрической цепи |
| P0590 | Система поддержания скорости (круиз-контроль), многофункциональный переключатель (входной сигнал B) — неисправность электрической цепи (блокировка) |
| P0591 | Система поддержания скорости (круиз-контроль), многофункциональный переключатель (входной сигнал B) — диапазон/функционирование |
| P0592 | Система поддержания скорости (круиз-контроль), многофункциональный переключатель (входной сигнал B) — низкий уровень сигнала |
| P0593 | Система поддержания скорости (круиз-контроль), многофункциональный переключатель (входной сигнал B) — высокий уровень сигнала |
| P0594 | Система поддержания скорости (круиз-контроль), управление приводом — обрыв цепи |
| P0595 | Система поддержания скорости (круиз-контроль), управление приводом — низкий уровень сигнала |
| P0596 | Система поддержания скорости (круиз-контроль), управление приводом — высокий уровень сигнала |
| P0597 | Система управления нагревателем термостата — обрыв цепи |
| P0598 | Система управления нагревателем термостата — низкое напряжение цепи |
| P0599 | Система управления нагревателем термостата — высокое напряжение цепи |
Блоки управления ECM / PCM / TCM и другие системы
| Код | Расшифровка |
|---|---|
| P0600 | Шина данных CAN — неисправность |
| P0601 | Электронный блок управления двигателем — ошибка контрольной суммы памяти |
| P0602 | Электронный блок управления двигателем — ошибка программирования |
| P0603 | Электронный блок управления двигателем — ошибка памяти КАМ |
| P0604 | Электронный блок управления двигателем — ошибка памяти RAM |
| P0605 | Электронный блок управления двигателем — ошибка памяти ROM |
| P0606 | Электронный блок управления двигателем (ECM) / блок управления силовым агрегатом (PCM) — неисправность процессора |
| P0607 | Электронный блок управления двигателем — функционирование |
| P0608 | Электронный блок управления двигателем, датчик скорости автомобиля (выходной сигнал А) — неисправность |
| P0609 | Электронный блок управления двигателем, датчик скорости автомобиля (выходной сигнал В) — неисправность |
| P060A | Электронный блок управления двигателем, проблемы функционирования процессора мониторинга |
| P060B | Электронный блок управления двигателем, функционирование АЦП |
| P060C | Электронный блок управления двигателем, проблемы функционирования главного процессора |
| P060D | Электронный блок управления двигателем, положение педали акселератора — функционирование |
| P060E | Электронный блок управления двигателем, положение дроссельной заслонки — функционирование |
| P060F | Электронный блок управления двигателем, температура охлаждающей жидкости — функционирование |
| P0610 | Электронный блок управления двигателем — ошибка опции автомобиля |
| P0611 | Блок управления топливными форсунками — функционирование |
| P0612 | Блок управления топливными форсунками — цепь управления реле |
| P0613 | Электронный блок управления КПП (TCM) — ошибка процессора |
| P0614 | Электронный блок управления двигателем (ECM) / электронный блок управления КПП (TCM) — несоответствие |
| P0615 | Реле стартера — неисправность электрической цепи |
| P0616 | Реле стартера — низкий уровень |
| P0617 | Реле стартера — высокий уровень |
| P0618 | Блок управления подачей альтернативного топлива — ошибка памяти KAM |
| P0619 | Блок управления подачей альтернативного топлива — ошибка памяти RAM/ROM |
| P061A | Электронный блок управления двигателем, крутящий момент двигателя — проблемы функционирования |
| P061B | Электронный блок управления двигателем, расчет крутящего момента двигателя — проблемы функционирования |
| P061C | Электронный блок управления двигателем, частота вращения двигателя — проблемы функционирования |
| P061D | Электронный блок управления двигателем, расход воздуха через двигатель — проблемы функционирования |
| P061E | Электронный блок управления двигателем, выключатель стоп-сигналов (датчик положения педали тормоза) — функционирование |
| P061F | Электронный блок управления двигателем, контроллер привода дроссельной заслонки — функционирование |
| P0620 | Управление генератором — неисправность электрической цепи |
| P0621 | Индикатор зарядки — неисправность электрической цепи |
| P0622 | Генератор, управление обмоткой возбуждения — неисправность электрической цепи |
| P0623 | Индикатор зарядки, управление — неисправность электрической цепи |
| P0624 | Индикатор незакрытой крышки заливной горловины, управление — неисправность электрической цепи |
| P0625 | Вывод обмотки возбуждения генератора — низкий уровень сигнала |
| P0626 | Вывод обмотки возбуждения генератора — высокий уровень сигнала |
| P0627 | Управление топливным насосом — обрыв цепи |
| P0628 | Управление топливным насосом — низкий уровень сигнала |
| P0629 | Управление топливным насосом — высокий уровень сигнала |
| P062A | Топливный насос А — диапазон/функционирование управляющей цепи |
| P062B | Электронный блок управления двигателем, управление впрыском топлива — проблемы функционирования |
| P062C | Электронный блок управления двигателем, скорость автомобиля — функционирование |
| P062D | Блок управления форсункой, банк 1 — проблемы функционирования |
| P062E | Блок управления форсункой, банк 2 — проблемы функционирования |
| P062F | Электронный блок управления двигателем — ошибка EEPROM |
| P0630 | VIN не запрограммирован или не подходит — ECM/PCM |
| P0631 | Не запрограммирован электронный блок управления АКПП или не соответствует идентификационному номеру автомобиля |
| P0632 | Не запрограммирован одометр — ECM/PCM |
| P0633 | Не запрограммирован ключ иммобилайзера — ECM/PCM |
| P0634 | Электронный блок управления силовым агрегатом/двигателем/КПП (PCM/ECM/TCM) — высокая внутренняя температура |
| P0635 | Управление усилителем рулевого управления — неисправность электрической цепи |
| P0636 | Управление усилителем рулевого управления — низкий уровень сигнала |
| P0637 | Управление усилителем рулевого управления — высокий уровень сигнала |
| P0638 | Управление приводом дроссельной заслонки, банк 1 — диапазон/функционирование |
| P0639 | Управление приводом дроссельной заслонки, банк 2 — диапазон/функционирование |
| P063A | Контроль напряжения генератора — неисправность электрической цепи |
| P063B | Контроль напряжения генератора — диапазон/функционирование |
| P063C | Контроль напряжения генератора — низкий уровень сигнала |
| P063D | Контроль напряжения генератора — высокий уровень сигнала |
| P063E | Блок управления дроссельной заслонкой, автоматическая конфигурация — нет входного сигнала |
| P063F | Датчик температуры охлаждающей жидкости, автоматическая конфигурация — нет входного сигнала |
| P0640 | Управление подогревом воздуха на впуске — неисправность электрической цепи |
| P0641 | Опорное напряжение датчика A — обрыв цепи |
| P0642 | Опорное напряжение датчика A — низкий уровень сигнала |
| P0643 | Опорное напряжение датчика A — высокий уровень сигнала |
| P0644 | Дисплей водителя, обмен данными (последовательный) — неисправность электрической цепи |
| P0645 | Реле электромагнитной муфты компрессора кондиционера — неисправность электрической цепи |
| P0646 | Реле электромагнитной муфты компрессора кондиционера — низкий уровень сигнала |
| P0647 | Реле электромагнитной муфты компрессора кондиционера — высокий уровень сигнала |
| P0648 | Индикатор иммобилайзера, управление — неисправность электрической цепи |
| P0649 | Индикатор системы поддержания скорости (круиз-контроля), управление — неисправность цепи |
| P064A | Блок управления топливным насосом — неисправность |
| P064B | Блок управления отбором мощности — неисправность |
| P064C | Блок управления свечами накаливания — неисправность |
| P064D | Электронный блок управления двигателем, процессор подогреваемого кислородного датчика, банк 1 — проблемы функционирования |
| P064E | Электронный блок управления двигателем, процессор кислородного датчика, банк 2 — проблемы функционирования |
| P064F | Неавторизованное программное обеспечение — зафиксировано применение не оригинального оборудования для калибровки |
| P0650 | Индикатор неисправности (MIL), управление — неисправность электрической цепи |
| P0651 | Опорное напряжение датчика B — обрыв цепи |
| P0652 | Опорное напряжение датчика B — низкий уровень |
| P0653 | Опорное напряжение датчика B — высокое напряжение цепи |
| P0654 | Частота вращения коленчатого вала, выходной сигнал — неисправность электрической цепи |
| P0655 | Индикатор перегрева двигателя — неисправность электрической цепи |
| P0656 | Индикация уровня топлива — неисправность электрической цепи |
| P0657 | Напряжение питания привода — обрыв цепи |
| P0658 | Напряжение питания привода — низкое напряжение цепи |
| P0659 | Напряжение питания привода — высокое напряжение цепи |
| P065A | Генератор — функционирование |
| P065B | Генератор — диапазон/функционирование управляющей цепи |
| P065C | Генератор — механическая неисправность / функционирование |
| P065D | Индикатор неисправности системы восстановления — неисправность электрической цепи |
| P065E | Привод системы изменения геометрии впускного коллектора, банк 1 — проблемы функционирования |
| P065F | Привод системы изменения геометрии впускного коллектора, банк 2 — функционирование |
| P0660 | Э/м клапан системы изменения геометрии впускного коллектора, банк 1 — обрыв цепи |
| P0661 | Э/м клапан системы изменения геометрии впускного коллектора, банк 1 — низкий уровень сигнала |
| P0662 | Э/м клапан системы изменения геометрии впускного коллектора, банк 1 — высокий уровень сигнала |
| P0663 | Э/м клапан системы изменения геометрии впускного коллектора, банк 2 — обрыв цепи |
| P0664 | Э/м клапан системы изменения геометрии впускного коллектора, банк 2 — низкий уровень сигнала |
| P0665 | Э/м клапан системы изменения геометрии впускного коллектора, банк 2 — высокий уровень сигнала |
| P0666 | Датчик внутренней температуры электронного блока управления двигателем/КПП/силового агрегата (ECM/PCM/TCM) — неисправность электрической цепи |
| P0667 | Датчик внутренней температуры электронного блока управления двигателем/КПП/силового агрегата (ECM/PCM/TCM) — диапазон/функционирование |
| P0668 | Датчик внутренней температуры электронного блока управления двигателем/КПП/силового агрегата (ECM/PCM/TCM) — низкий уровень сигнала |
| P0669 | Датчик внутренней температуры электронного блока управления двигателем/КПП/силового агрегата (ECM/PCM/TCM) — высокий уровень сигнала |
| P066A | Свеча накаливания, цилиндр 1 — низкий уровень сигнала |
| P066B | Свеча накаливания, цилиндр 1 — высокий уровень сигнал |
| P066C | Свеча накаливания, цилиндр 2 — низкий уровень сигнала |
| P066D | Свеча накаливания, цилиндр 2 — высокий уровень сигнала |
| P066E | Свеча накаливания, цилиндр 3 — низкий уровень сигнала |
| P066F | Свеча накаливания, цилиндр 3 — высокий уровень сигнала |
| P0670 | Блок управления свечами накаливания — неисправность электрической цепи |
| P0671 | Свеча накаливания, цилиндр 1 — неисправность электрической цепи |
| P0672 | Свеча накаливания, цилиндр 2 — неисправность электрической цепи |
| P0673 | Свеча накаливания, цилиндр 3 — неисправность электрической цепи |
| P0674 | Свеча накаливания, цилиндр 4 — неисправность электрической цепи |
| P0675 | Свеча накаливания, цилиндр 5 — неисправность электрической цепи |
| P0676 | Свеча накаливания, цилиндр 6 — неисправность электрической цепи |
| P0677 | Свеча накаливания, цилиндр 7 — неисправность электрической цепи |
| P0678 | Свеча накаливания, цилиндр 8 — неисправность электрической цепи |
| P0679 | Свеча накаливания, цилиндр 9 — неисправность электрической цепи |
| P067A | Свеча накаливания, цилиндр 4 — низкий уровень сигнала |
| P067B | Свеча накаливания, цилиндр 4 — высокий уровень сигнал |
| P067C | Свеча накаливания, цилиндр 5 — низкий уровень сигнала |
| P067D | Свеча накаливания, цилиндр 5 — высокий уровень сигнала |
| P067E | Свеча накаливания, цилиндр 6 — низкий уровень сигнала |
| P067F | Свеча накаливания, цилиндр 6 — высокий уровень сигнал |
| P0680 | Свеча накаливания, цилиндр 10 — неисправность электрической цепи |
| P0681 | Свеча накаливания, цилиндр 11 — неисправность электрической цепи |
| P0682 | Свеча накаливания, цилиндр 12 — неисправность электрической цепи |
| P0683 | Связь блока управления свечами накаливания с ECM/PCM |
| P0684 | Связь блока управления свечами накаливания с ECM/PCM, ошибка связи — диапазон/функционирование |
| P0685 | Реле системы управления двигателем — обрыв цепи |
| P0686 | Реле системы управления двигателем — низкий уровень сигнала |
| P0687 | Реле системы управления двигателем — короткое замыкание на массу |
| P0688 | Реле системы управления двигателем — короткое замыкание на + |
| P0689 | Реле системы управления двигателем — низкий уровень сигнала в контрольной цепи |
| P068A | Реле системы управления двигателем — раннее отключение |
| P068B | Реле системы управления двигателем — позднее отключение |
| P068C | Свеча накаливания, цилиндр 7 — низкий уровень сигнала |
| P068D | Свеча накаливания, цилиндр 7 — высокий уровень сигнал |
| P068E | Свеча накаливания, цилиндр 8 — низкий уровень сигнала |
| P068F | Свеча накаливания, цилиндр 8 — высокий уровень сигнал |
| P0690 | Реле системы управления двигателем — высокий уровень сигнала в контрольной цепи |
| P0691 | Электродвигатель вентилятора 1 системы охлаждения — низкий уровень сигнала |
| P0692 | Электродвигатель вентилятора 1 системы охлаждения — высокий уровень сигнала |
| P0693 | Электродвигатель вентилятора 2 системы охлаждения — низкий уровень сигнала |
| P0694 | Электродвигатель вентилятора 2 системы охлаждения — высокий уровень сигнала |
| P0695 | Электродвигатель вентилятора 3 системы охлаждения — низкий уровень сигнала |
| P0696 | Электродвигатель вентилятора 3 системы охлаждения — высокий уровень сигнала |
| P0697 | Опорное напряжение C датчика — обрыв цепи |
| P0698 | Опорное напряжение C датчика — низкий уровень |
| P0699 | Опорное напряжение C датчика — высокое напряжение цепи |
| P069A | Свеча накаливания, цилиндр 9 — низкий уровень сигнала |
| P069B | Свеча накаливания, цилиндр 9 — высокий уровень сигнал |
| P069C | Свеча накаливания, цилиндр 10 — низкий уровень сигнала |
| P069D | Свеча накаливания, цилиндр 10 — высокий уровень сигнал |
| P069E | Блок управления топливным насосом — запрос активации индикатора неисправности двигателя |
| P069F | Индикатор системы управления дроссельной заслонкой — неисправность электрической цепи |
| P06A0 | Управление компрессором кондиционера с переменным рабочим объемом — неисправность электрической цепи |
| P06A1 | Управление компрессором кондиционера с переменным рабочим объемом — низкий уровень сигнала |
| P06A2 | Управление компрессором кондиционера с переменным рабочим объемом — высокий уровень сигнала |
| P06A3 | Опорное напряжение датчика D — обрыв цепи |
| P06A4 | Опорное напряжение датчика D — низкое напряжение цепи |
| P06A5 | Опорное напряжение датчика D — высокое напряжение цепи |
| P06A6 | Опорное напряжение датчика A — диапазон/функционирование |
| P06A7 | Опорное напряжение датчика B — диапазон/функционирование |
| P06A8 | Опорное напряжение датчика C — диапазон/функционирование |
| P06A9 | Опорное напряжение датчика D — диапазон/функционирование |
| P06AA | Электронный блок управления двигателем (ECM) / электронный блок управления КПП (TCM) B — высокий уровень внутренней температуры |
| P06AB | Электронный блок управления двигателем (ECM) / электронный блок управления КПП (TCM), датчик внутренней температуры B — неисправность электрической цепи |
| P06AC | Электронный блок управления двигателем (ECM) / электронный блок управления КПП (TCM), датчик внутренней температуры B — диапазон/функционирование |
| P06AD | Электронный блок управления двигателем (ECM) / электронный блок управления КПП (TCM), датчик внутренней температуры B — низкий уровень сигнала |
| P06AE | Электронный блок управления двигателем (ECM) / электронный блок управления КПП (TCM), датчик внутренней температуры B — высокий уровень сигнала |
| P06AF | Система управления крутящим моментом — режим принудительной остановки двигателя |
| P06B0 | Питание датчика А — обрыв цепи |
| P06B1 | Питание датчика A — низкий уровень сигнала |
| P06B2 | Питание датчика A — высокий уровень сигнала |
| P06B3 | Питание датчика B — обрыв цепи |
| P06B4 | Питание датчика B — низкий уровень сигнала |
| P06B5 | Питание датчика B — высокий уровень сигнала |
| P06B6 | Внутренний блок управления, процессор датчика детонации 1 — функционирование |
| P06B7 | Внутренний блок управления, процессор датчика детонации 2 — функционирование |
| P06B8 | Внутренний блок управления — ошибка энергонезависимой памяти |
| P06B9 | Свеча накаливания, цилиндр 1 — диапазон/функционирование |
| P06BA | Свеча накаливания, цилиндр 2 — диапазон/функционирование |
| P06BB | Свеча накаливания, цилиндр 3 — диапазон/функционирование |
| P06BC | Свеча накаливания, цилиндр 4 — диапазон/функционирование |
| P06BD | Свеча накаливания, цилиндр 5 — диапазон/функционирование |
| P06BE | Свеча накаливания, цилиндр 6 — диапазон/функционирование |
| P06BF | Свеча накаливания, цилиндр 7 — диапазон/функционирование |
| P06C0 | Свеча накаливания, цилиндр 8 — диапазон/функционирование |
| P06C1 | Свеча накаливания, цилиндр 9 — диапазон/функционирование |
| P06C2 | Свеча накаливания, цилиндр 10 — диапазон/функционирование |
| P06C3 | Свеча накаливания, цилиндр 11 — диапазон/функционирование |
| P06C4 | Свеча накаливания, цилиндр 12 — диапазон/функционирование |
| P06C5 | Свеча накаливания, цилиндр 1 — неисправность |
| P06C6 | Свеча накаливания, цилиндр 2 — неисправность |
| P06C7 | Свеча накаливания, цилиндр 3 — неисправность |
| P06C8 | Свеча накаливания, цилиндр 4 — неисправность |
| P06C9 | Свеча накаливания, цилиндр 5 — неисправность |
| P06CA | Свеча накаливания, цилиндр 6 — неисправность |
| P06CB | Свеча накаливания, цилиндр 7 — неисправность |
| P06CC | Свеча накаливания, цилиндр 8 — неисправность |
| P06CD | Свеча накаливания, цилиндр 9 — неисправность |
| P06CE | Свеча накаливания, цилиндр 10 — неисправность |
| P06CF | Свеча накаливания, цилиндр 11 — неисправность |
| P06D0 | Свеча накаливания, цилиндр 12 — неисправность |
| P06D1 | Внутренний блок управления, управление катушкой зажигания — функционирование |
| P06D2 | Опорное напряжение E датчика — обрыв цепи |
| P06D3 | Опорное напряжение E датчика — низкий уровень сигнала |
| P06D4 | Опорное напряжение E датчика — высокий уровень сигнала |
| P06D5 | Опорное напряжение E датчика — диапазон/функционирование |
| P06D6 | Опорное напряжение F датчика — обрыв цепи |
| P06D7 | Опорное напряжение F датчика — низкий уровень сигнала |
| P06D8 | Опорное напряжение F датчика — высокий уровень сигнала |
| P06D9 | Опорное напряжение F датчика — диапазон/функционирование |
| P06DA | Управление давлением моторного масла — обрыв цепи |
| P06DB | Управление давлением моторного масла — низкий уровень сигнала |
| P06DC | Управление давлением моторного масла — высокий уровень сигнала |
| P06DD | Управление давлением моторного масла — функционирование |
| P06DE | Управление давлением моторного масла — неисправность управляющей цепи, сигнал включения |
| P06DF | Блок управления свечами накаливания — ошибка контрольной суммы памяти |
| P06E0 | Свеча накаливания, цилиндр 11 — низкий уровень сигнала управляющей цепи |
| P06E1 | Свеча накаливания, цилиндр 11 — высокий уровень сигнала управляющей цепи |
| P06E2 | Свеча накаливания, цилиндр 12 — низкий уровень сигнала управляющей цепи |
| P06E3 | Свеча накаливания, цилиндр 12 — высокий уровень сигнала управляющей цепи |
| P06E4 | Блок управления, сигнал пробуждения — ошибка сигнала |
| P06E5 | Блок управления свечами накаливания — функционирование |
Трансмиссия
| Код | Расшифровка |
|---|---|
| P0700 | Управление АКПП, запрос неисправностей (MIL) — неисправность электрической цепи |
| P0701 | Система управления АКПП — диапазон/функционирование |
| P0702 | Система управления АКПП — электрическая неисправность |
| P0703 | Выключатель стоп-сигналов B — неисправность электрической цепи |
| P0704 | Концевой выключатель (датчик положения) педали сцепления — неисправность электрической цепи |
| P0705 | Датчик положения селектора АКПП, входной сигнал PRNDL — неисправность электрической цепи |
| P0706 | Датчик положения селектора КПП — диапазон/функционирование |
| P0707 | Датчик положения селектора АКПП — низкий уровень сигнала |
| P0708 | Датчик положения селектора АКПП — высокий уровень входного сигнала |
| P0709 | Датчик положения селектора АКПП — ненадежный контакт электрической цепи |
| P070A | Датчик уровня рабочей жидкости АКПП — неисправность электрической цепи |
| P070B | Датчик уровня рабочей жидкости АКПП — диапазон/функционирование |
| P070C | Датчик уровня рабочей жидкости АКПП — низкий уровень сигнала |
| P070D | Датчик уровня рабочей жидкости АКПП — высокий уровень сигнала |
| P070E | Датчик уровня рабочей жидкости КПП — пропадающий/хаотичный сигнал |
| P070F | Уровень рабочей жидкости КПП — низкий |
| P0710 | Датчик температуры рабочей жидкости АКПП — неисправность электрической цепи |
| P0711 | Датчик температуры рабочей жидкости КПП — диапазон/функционирование |
| P0712 | Датчик температуры рабочей жидкости КПП — низкий уровень сигнала |
| P0713 | Датчик температуры рабочей жидкости КПП — высокий уровень входного сигнала |
| P0714 | Датчик температуры рабочей жидкости КПП — ненадежный контакт электрической цепи |
| P0715 | Датчик частоты вращения входного вала АКПП (турбины гидротрансформатора) — неисправность электрической цепи |
| P0716 | Датчик частоты вращения входного вала АКПП (турбины гидротрансформатора) — диапазон/функционирование |
| P0717 | Датчик частоты вращения входного вала АКПП (турбины гидротрансформатора) — нет сигнала |
| P0718 | Датчик частоты вращения входного вала АКПП (турбины гидротрансформатора) — ненадежный контакт электрической цепи |
| P0719 | Выключатель стоп-сигналов B — низкий уровень сигнала |
| P071A | Переключатель А выбора режима работы АКПП — неисправность электрической цепи |
| P071B | Переключатель А выбора режима работы АКПП — низкий уровень сигнала |
| P071C | Переключатель А выбора режима работы АКПП — высокий уровень сигнала |
| P071D | Переключатель В выбора режима работы АКПП — неисправность электрической цепи |
| P071E | Переключатель В выбора режима работы АКПП — низкий уровень сигнала |
| P071F | Переключатель В выбора режима работы АКПП — высокий уровень сигнала |
| P0720 | Датчик частоты вращения выходного вала — неисправность электрической цепи |
| P0721 | Датчик частоты вращения выходного вала — диапазон/функционирование |
| P0722 | Датчик частоты вращения выходного вала — нет сигнала |
| P0723 | Датчик частоты вращения выходного вала — ненадежный контакт электрической цепи |
| P0724 | Выключатель стоп-сигналов B — высокий уровень сигнала |
| P0725 | Частота вращения коленчатого вала, входной сигнал — неисправность электрической цепи |
| P0726 | Частота вращения коленчатого вала, входной сигнал — диапазон/функционирование |
| P0727 | Частота вращения коленчатого вала, входной сигнал — нет сигнала |
| P0728 | Частота вращения коленчатого вала, входной сигнал — ненадежный контакт электрической цепи |
| P0729 | 6-я передача — некорректное передаточное отношение |
| P072A | Система КПП — заблокирована на нейтральной передаче |
| P072B | Система КПП — заблокирована на передаче заднего хода |
| P072C | Система КПП — заблокирована на первой передаче |
| P072D | Система КПП — заблокирована на второй передаче |
| P072E | Система КПП — заблокирована на третьей передаче |
| P072F | Система КПП — заблокирована на четвертой передаче |
| P0730 | Некорректное передаточное отношение |
| P0731 | 1-я передача — некорректное передаточное отношение |
| P0732 | 2-я передача — некорректное передаточное отношение |
| P0733 | 3-я передача — некорректное передаточное отношение |
| P0734 | 4-я передача — некорректное передаточное отношение |
| P0735 | 5-я передача — некорректное передаточное отношение |
| P0736 | Передача заднего хода — некорректное передаточное отношение |
| P0737 | Электронный блок управления АКПП, частота вращения — выходная цепь |
| P0738 | Электронный блок управления АКПП, частота вращения — низкий уровень выходного сигнала |
| P0739 | Электронный блок управления АКПП, частота вращения — высокий уровень выходного сигнала |
| P073A | Система КПП — заблокирована на пятой передаче |
| P073B | Система КПП — заблокирована на шестой передаче |
| P073C | Система КПП — заблокирована на седьмой передаче |
| P073D | Система КПП — не включается нейтральная передача |
| P073E | Система КПП — не включается передача заднего хода |
| P073F | Система КПП — не включается первая передача |
| P0740 | Электромагнитный клапан муфты блокировки гидротрансформатора — неисправность электрической цепи |
| P0741 | Электромагнитный клапан муфты блокировки гидротрансформатора — функционирование или залипание в закрытом состоянии |
| P0742 | Электромагнитный клапан муфты блокировки гидротрансформатора — залипание в открытом состоянии |
| P0743 | Электромагнитный клапан муфты блокировки гидротрансформатора — электрическая неисправность |
| P0744 | Электромагнитный клапан муфты блокировки гидротрансформатора — ненадежный контакт электрической цепи |
| P0745 | Электромагнитный клапан управления давлением рабочей жидкости КПП — неисправность электрической цепи |
| P0746 | Электромагнитный клапан управления давлением рабочей жидкости КПП — функционирование или залипание в закрытом состоянии |
| P0747 | Электромагнитный клапан управления давлением рабочей жидкости КПП — залипание в открытом состоянии |
| P0748 | Электромагнитный клапан управления давлением рабочей жидкости КПП — электрическая неисправность |
| P0749 | Электромагнитный клапан управления давлением рабочей жидкости КПП — ненадежный контакт электрической цепи |
| P074A | Система КПП — не включается вторая передача |
| P074B | Система КПП — не включается третья передача |
| P074C | Система КПП — не включается четвертая передача |
| P074D | Система КПП — не включается пятая передача |
| P074E | Система КПП — не включается шестая передача |
| P074F | Система КПП — не включается седьмая передача |
| P0750 | Э/м клапан А переключения передач — неисправность электрической цепи |
| P0751 | Э/м клапан А переключения передач — функционирование или залипание в закрытом состоянии |
| P0752 | Э/м клапан А переключения передач — залипание в открытом состоянии |
| P0753 | Э/м клапан А переключения передач — электрическая неисправность |
| P0754 | Э/м клапан А переключения передач — ненадежный контакт электрической цепи |
| P0755 | Э/м клапан В переключения передач — неисправность электрической цепи |
| P0756 | Э/м клапан В переключения передач — функционирование или залипание в закрытом состоянии |
| P0757 | Э/м клапан В переключения передач — залипание в открытом состоянии |
| P0758 | Э/м клапан В переключения передач — электрическая неисправность |
| P0759 | Э/м клапан B переключения передач — ненадежный контакт электрической цепи |
| P075A | Э/м клапан G переключения передач — неисправность |
| P075B | Э/м клапан G переключения передач — функционирование или залипание в закрытом состоянии |
| P075C | Э/м клапан G переключения передач — залипание в открытом состоянии |
| P075D | Э/м клапан G переключения передач — электрическая неисправность |
| P075E | Э/м клапан G переключения передач — пропадающая неисправность |
| P075F | Уровень рабочей жидкости АКПП — высокий |
| P0760 | Э/м клапан С переключения передач — неисправность электрической цепи |
| P0761 | Э/м клапан С переключения передач — функционирование или залипание в закрытом состоянии |
| P0762 | Э/м клапан С переключения передач — залипание в открытом состоянии |
| P0763 | Э/м клапан С переключения передач — электрическая неисправность |
| P0764 | Э/м клапан C переключения передач — ненадежный контакт электрической цепи |
| P0765 | Э/м клапан D переключения передач — неисправность электрической цепи |
| P0766 | Э/м клапан D переключения передач — функционирование или залипание в закрытом состоянии |
| P0767 | Э/м клапан D переключения передач — залипание в открытом состоянии |
| P0768 | Э/м клапан D переключения передач — электрическая неисправность |
| P0769 | Э/м клапан D переключения передач — ненадежный контакт электрической цепи |
| P076A | Э/м клапан H переключения передач — неисправность |
| P076B | Э/м клапан H переключения передач — функционирование или залипание в закрытом состоянии |
| P076C | Э/м клапан H переключения передач — залипание в открытом состоянии |
| P076D | Э/м клапан H переключения передач — электрическая неисправность |
| P076E | Э/м клапан H переключения передач — пропадающая неисправность |
| P076F | Система КПП — некорректное передаточное отношение 7-й передачи |
| P0770 | Э/м клапан E переключения передач — неисправность электрической цепи |
| P0771 | Э/м клапан E переключения передач — функционирование или залипание в закрытом состоянии |
| P0772 | Э/м клапан E переключения передач — залипание в открытом состоянии |
| P0773 | Э/м клапан E переключения передач — электрическая неисправность |
| P0774 | Э/м клапан E переключения передач — ненадежный контакт электрической цепи |
| P0775 | Э/м клапан В управления давлением — неисправность |
| P0776 | Э/м клапан B управления давлением — функционирование или залипание в закрытом состоянии |
| P0777 | Э/м клапан В управления давлением — залипание в открытом состоянии |
| P0778 | Э/м клапан В управления давлением — электрическая неисправность |
| P0779 | Э/м клапан В управления давлением — ненадежный контакт электрической цепи |
| P077A | Датчик частоты вращения выходного вала — потеря сигнала направления |
| P077B | Датчик частоты вращения выходного вала — ошибка направления |
| P077C | Датчик частоты вращения выходного вала — низкий уровень сигнала |
| P077D | Датчик частоты вращения выходного вала — высокий уровень сигнала |
| P077E | Измерение температуры рабочей жидкости КПП — корреляция датчиков |
| P077F | Передача заднего хода 2 — некорректное передаточное отношение |
| P0780 | Выбор передачи — неисправность переключения |
| P0781 | Выбор передачи, 1-2 — неисправность переключения |
| P0782 | Выбор передачи, 2-3 — неисправность переключения |
| P0783 | Выбор передачи, 3-4 — неисправность переключения |
| P0784 | Выбор передачи, 4-5 — неисправность переключения |
| P0785 | Электромагнитный клапан переключения / синхронизации передач — неисправность электрической цепи |
| P0786 | Электромагнитный клапан переключения / синхронизации передач — диапазон/функционирование |
| P0787 | Электромагнитный клапан синхронизации переключения передач — низкий уровень |
| P0788 | Электромагнитный клапан синхронизации переключения передач — высокий уровень |
| P0789 | Электромагнитный клапан синхронизации переключения передач — ненадежный контакт электрической цепи |
| P078A | Электромагнитный клапан В переключения передач, время переключения — неисправность |
| P078B | Э/м клапан В переключения передач — диапазон/функционирование |
| P078C | Э/м клапан В переключения передач, время переключения — низкий уровень сигнала |
| P078D | Электромагнитный клапан В переключения передач, время переключения — высокий уровень сигнала |
| P078E | Э/м клапан В переключения передач — пропадающая неисправность |
| P078F | Переключатель C выбора режима работы АКПП — неисправность электрической цепи |
| P0790 | Переключатель выбора режима работы АКПП — неисправность электрической цепи |
| P0791 | Датчик частоты вращения промежуточного вала КПП — неисправность электрической цепи |
| P0792 | Датчик частоты вращения промежуточного вала КПП — диапазон/функционирование |
| P0793 | Датчик частоты вращения промежуточного вала КПП — нет сигнала |
| P0794 | Датчик частоты вращения промежуточного вала КПП — ненадежный контакт электрической цепи |
| P0795 | Э/м клапан С управления давлением рабочей жидкости КПП — неисправность электрической цепи |
| P0796 | Э/м клапан C управления давлением рабочей жидкости КПП — функционирование или залипание в закрытом состоянии |
| P0797 | Э/м клапан C управления давлением рабочей жидкости КПП — залипание в открытом состоянии |
| P0798 | Э/м клапан С управления давлением рабочей жидкости КПП — электрическая неисправность |
| P0799 | Э/м клапан C управления давлением рабочей жидкости КПП — ненадежный контакт электрической цепи |
| P079A | Фрикционные элементы трансмиссии A — проскальзывание |
| P079B | Фрикционные элементы трансмиссии B — проскальзывание |
| P079C | Фрикционные элементы трансмиссии C — проскальзывание |
| P079D | Фрикционные элементы трансмиссии D — проскальзывание |
| P079E | Фрикционные элементы трансмиссии E — проскальзывание |
| P079F | Фрикционные элементы трансмиссии F — проскальзывание |
| P07A0 | Фрикционные элементы трансмиссии G — проскальзывание |
| P07A1 | Фрикционные элементы трансмиссии H — проскальзывание |
| P07A2 | Фрикционные элементы трансмиссии A — функционирование или заедание в выключенном состоянии |
| P07A3 | Фрикционные элементы трансмиссии A — заедание во включенном состоянии |
| P07A4 | Фрикционные элементы трансмиссии B — функционирование или заедание в выключенном состоянии |
| P07A5 | Фрикционные элементы трансмиссии B — заедание во включенном состоянии |
| P07A6 | Фрикционные элементы трансмиссии C — функционирование или заедание в выключенном состоянии |
| P07A7 | Фрикционные элементы трансмиссии C — заедание во включенном состоянии |
| P07A8 | Фрикционные элементы трансмиссии D — функционирование или заедание в выключенном состоянии |
| P07A9 | Фрикционные элементы трансмиссии D — заедание во включенном состоянии |
| P07AA | Фрикционные элементы трансмиссии E — функционирование или заедание в выключенном состоянии |
| P07AB | Фрикционные элементы трансмиссии E — заедание во включенном состоянии |
| P07AC | Фрикционные элементы трансмиссии F — функционирование или заедание в выключенном состоянии |
| P07AD | Фрикционные элементы трансмиссии F — заедание во включенном состоянии |
| P07AE | Фрикционные элементы трансмиссии G — функционирование или заедание в выключенном состоянии |
| P07AF | Фрикционные элементы трансмиссии G — заедание во включенном состоянии |
| P07B0 | Фрикционные элементы трансмиссии H — функционирование или заедание в выключенном состоянии |
| P07B1 | Фрикционные элементы трансмиссии H — заедание во включенном состоянии |
| P07B2 | Датчик/выключатель A положения P КПП — обрыв цепи |
| P07B3 | Датчик/выключатель A положения P КПП — низкий уровень сигнала |
| P07B4 | Датчик/выключатель A положения P КПП — высокий уровень сигнала |
| P07B5 | Датчик/выключатель A положения P КПП — низкий уровень сигнала / функционирование |
| P07B6 | Датчик/выключатель A положения P КПП — высокий уровень сигнала / функционирование |
| P07B7 | Датчик/выключатель A положения P КПП — ненадежный/пропадающий контакт электрической цепи |
| P07B8 | Датчик/выключатель B положения P КПП — обрыв цепи |
| P07B9 | Датчик/выключатель B положения P КПП — низкий уровень сигнала |
| P07BA | Датчик/выключатель B положения P КПП — высокий уровень сигнала |
| P07BB | Датчик/выключатель B положения P КПП — низкий уровень сигнала / функционирование |
| P07BC | Датчик/выключатель B положения P КПП — высокий уровень сигнала / функционирование |
| P07BD | Датчик/выключатель B положения P КПП — ненадежный/пропадающий контакт электрической цепи |
| P07BE | Датчик/выключатель A/B положения P КПП — корреляция |
| P07BF | Датчик частоты вращения входного вала/датчик частоты вращения вала турбины A — низкий уровень сигнала |
| P07C0 | Датчик частоты вращения входного вала/датчик частоты вращения вала турбины A — высокий уровень сигнала |
| P07C1 | Датчик частоты вращения входного вала/датчик частоты вращения вала турбины B — низкий уровень сигнала |
| P07C2 | Датчик частоты вращения входного вала/датчик частоты вращения вала турбины B — высокий уровень сигнала |
| P07C3 | Датчик частоты вращения входного вала/датчик частоты вращения вала турбины C — низкий уровень сигнала |
| P07C4 | Датчик частоты вращения входного вала/датчик частоты вращения вала турбины C — высокий уровень сигнала |
| P07C5 | Датчик частоты вращения промежуточного вала A — низкий уровень сигнала |
| P07C6 | Датчик частоты вращения промежуточного вала A — высокий уровень сигнала |
| P07C7 | Датчик частоты вращения промежуточного вала B — низкий уровень сигнала |
| P07C8 | Датчик частоты вращения промежуточного вала B — высокий уровень сигнала |
| P07C9 | Датчик частоты вращения промежуточного вала C — низкий уровень сигнала |
| P07CA | Датчик частоты вращения промежуточного вала C — высокий уровень сигнала |
| P07CB | Термостат рабочей жидкости КПП — функционирование |
| P0800 | Управление раздаточной коробкой, запрос неисправностей (MIL) — неисправность электрической цепи |
| P0801 | Цепь блокировки включения передачи заднего хода — неисправность электрической цепи |
| P0802 | Управление АКПП, запрос неисправностей (MIL) — обрыв цепи |
| P0803 | Электромагнитный клапан цепи повышения передачи (1-4 передача), пропуски при переключении — неисправность электрической цепи |
| P0804 | Индикатор пропуска переключения в цепи повышения передачи (1-4 передача) — неисправность электрической цепи |
| P0805 | Датчик положения сцепления (муфты) — неисправность электрической цепи |
| P0806 | Датчик положения сцепления (муфты) — диапазон/функционирование |
| P0807 | Датчик положения сцепления (муфты) — низкий уровень сигнала |
| P0808 | Датчик положения сцепления (муфты) — высокий уровень сигнала |
| P0809 | Датчик положения сцепления (муфты) — ненадежный контакт электрической цепи |
| P080A | Не произведено обучение положению педали сцепления |
| P080B | Электромагнитный клапан переключения передач, переход на высшую передачу/через передачу — диапазон/функционирование |
| P080C | Э/м клапан переключения передач, переход на высшую передачу/через передачу — низкий уровень сигнала |
| P080D | Э/м клапан переключения передач, переход на высшую передачу/через передачу — высокий уровень сигнала |
| P0810 | Ошибка в управлении сцеплением (муфтой) |
| P0811 | Повышенное проскальзывание сцепления (муфты) |
| P0812 | Передача заднего хода — неисправность входной цепи |
| P0813 | Передача заднего хода — неисправность выходной цепи |
| P0814 | Индикатор положения селектора — неисправность электрической цепи |
| P0815 | Переключатель выбора передач КПП, повышение передачи — неисправность электрической цепи |
| P0816 | Переключатель выбора передач КПП, понижение передачи — неисправность электрической цепи |
| P0817 | Цепь блокировки стартера — неисправность |
| P0818 | Датчик-выключатель разъединения потока мощности — неисправность электрической цепи |
| P0819 | Переключатель выбора передач КПП, повышение/понижение передачи — корреляция с диапазоном |
| P081A | Цепь отключения стартера — низкий уровень сигнала |
| P081B | Цепь отключения стартера — высокий уровень сигнала |
| P081C | Входной сигнал положения Р (стоянка) — неисправность электрической цепи |
| P081D | Входной сигнал положения N (нейтраль) — неисправность электрической цепи |
| P081E | Муфта сцепления В КПП — чрезмерное проскальзывание |
| P0820 | Датчик положения X-Y рычага переключения — неисправность электрической цепи |
| P0821 | Датчик положения X рычага переключения — неисправность электрической цепи |
| P0822 | Датчик положения Y рычага переключения — неисправность электрической цепи |
| P0823 | Датчик положения X рычага переключения — ненадежный контакт электрической цепи |
| P0824 | Датчик положения Y рычага переключения — ненадежный контакт электрической цепи |
| P0825 | Переключатель положения (рычаг переключения качающегося типа) — неисправность электрической цепи |
| P0826 | Переключатель выбора передач КПП, повышение/понижение передачи — неисправность электрической цепи |
| P0827 | Переключатель выбора передач КПП, повышение/понижение передачи — низкий уровень сигнала |
| P0828 | Переключатель выбора передач КПП, повышение/понижение передачи — высокий уровень сигнала |
| P0829 | Переключение с 5-й на 6-ю передачу |
| P082A | Датчик положения X рычага переключения КПП — диапазон/функционирование |
| P082B | Датчик положения X рычага переключения КПП — низкий уровень сигнала |
| P082C | Датчик положения X рычага переключения КПП — высокий уровень сигнала |
| P082D | Датчик положения Y рычага переключения КПП — диапазон/функционирование |
| P082E | Датчик положения Y рычага переключения КПП — низкий уровень сигнала |
| P082F | Датчик положения Y рычага переключения КПП — высокий уровень сигнала |
| P0830 | Концевой выключатель (датчик положения) А педали сцепления — неисправность электрической цепи |
| P0831 | Концевой выключатель (датчик положения) А педали сцепления — низкий уровень сигнала |
| P0832 | Концевой выключатель (датчик положения) А педали сцепления — высокий уровень сигнала |
| P0833 | Концевой выключатель (датчик положения) B педали сцепления — неисправность электрической цепи |
| P0834 | Концевой выключатель (датчик положения) B педали сцепления — низкий уровень входного сигнала |
| P0835 | Концевой выключатель (датчик положения) В педали сцепления — высокий уровень входного сигнала |
| P0836 | Выключатель режима 4WD — неисправность электрической цепи |
| P0837 | Выключатель режима 4WD — диапазон/функционирование |
| P0838 | Выключатель режима 4WD — низкий уровень сигнала |
| P0839 | Выключатель режима 4WD — высокий уровень входного сигнала |
| P083A | Датчик-выключатель G по давлению рабочей жидкости КПП — неисправность электрической цепи |
| P083B | Датчик-выключатель G по давлению рабочей жидкости КПП — диапазон/функционирование |
| P083C | Датчик-выключатель G по давлению рабочей жидкости КПП — низкий уровень сигнала |
| P083D | Датчик-выключатель G по давлению рабочей жидкости КПП — высокий уровень сигнала |
| P083E | Датчик-выключатель G по давлению рабочей жидкости КПП — ненадежный контакт электрической цепи |
| P083F | Концевой выключатель А/В (датчик положения) педали сцепления — корреляция |
| P0840 | Датчик А давления рабочей жидкости КПП — неисправность электрической цепи |
| P0841 | Датчик А давления рабочей жидкости КПП — диапазон/функционирование |
| P0842 | Датчик А давления рабочей жидкости КПП — низкий уровень сигнала |
| P0843 | Датчик А давления рабочей жидкости КПП — высокий уровень сигнала |
| P0844 | Датчик А давления рабочей жидкости АКПП — ненадежный контакт электрической цепи |
| P0845 | Датчик B давления рабочей жидкости КПП — неисправность электрической цепи |
| P0846 | Датчик В давления рабочей жидкости КПП — диапазон/функционирование |
| P0847 | Датчик B давления рабочей жидкости КПП — низкий уровень входного сигнала |
| P0848 | Датчик В давления рабочей жидкости КПП — высокий уровень входного сигнала |
| P0849 | Датчик B давления рабочей жидкости КПП — ненадежный контакт электрической цепи |
| P084A | Датчик-выключатель Н по давлению рабочей жидкости КПП — неисправность электрической цепи |
| P084B | Датчик-выключатель Н по давлению рабочей жидкости КПП — диапазон/функционирование |
| P084C | Датчик-выключатель Н по давлению рабочей жидкости КПП — низкий уровень сигнала |
| P084D | Датчик-выключатель Н по давлению рабочей жидкости КПП — высокий уровень сигнала |
| P084E | Датчик-выключатель Н по давлению рабочей жидкости КПП — ненадежный контакт электрической цепи |
| P084F | Выключатель запрещения запуска — выходная цепь |
| P0850 | Выключатель запрещения запуска (P/N) — неисправность цепи входного сигнала |
| P0851 | Выключатель запрещения запуска (P/N) — низкий уровень входного сигнала |
| P0852 | Выключатель запрещения запуска (P/N) — высокий уровень входного сигнала |
| P0853 | Выключатель режима движения — неисправность цепи входного сигнала |
| P0854 | Выключатель режима движения — низкий уровень входного сигнала |
| P0855 | Выключатель режима движения — высокий уровень входного сигнала |
| P0856 | Входной сигнал противобуксовочной системы — неисправность |
| P0857 | Входной сигнал противобуксовочной системы — диапазон/функционирование |
| P0858 | Входной сигнал противобуксовочной системы — низкий уровень |
| P0859 | Входной сигнал противобуксовочной системы — высокий уровень |
| P085A | Блок В управления переключением передач, цепь связи — неисправность |
| P085B | Блок В управления переключением передач, цепь связи — низкий уровень сигнала |
| P085C | Блок В управления переключением передач, цепь связи — высокий уровень сигнала |
| P085D | Блок управления переключением передач A — функционирование |
| P085E | Блок управления переключением передач B — функционирование |
| P0860 | Линия связи блока управления переключением — неисправность |
| P0861 | Линия связи блока управления переключением — низкий уровень сигнала |
| P0862 | Линия связи блока управления переключением — высокий уровень входного сигнала |
| P0863 | Электронный блок управления КПП (TCM), связь — неисправность электрической цепи |
| P0864 | Электронный блок управления КПП (TCM), связь — диапазон/функционирование |
| P0865 | Электронный блок управления КПП (TCM), связь — низкий уровень входного сигнала |
| P0866 | Электронный блок управления КПП (TCM), связь — высокий уровень входного сигнала |
| P0867 | Датчик давления рабочей жидкости АКПП |
| P0868 | Датчик давления рабочей жидкости АКПП — низкое |
| P0869 | Датчик давления рабочей жидкости АКПП — высокое |
| P086A | Датчик-выключатель нейтрального положения — обрыв цепи |
| P086B | Датчик-выключатель нейтрального положения — диапазон/функционирование |
| P086C | Датчик-выключатель нейтрального положения — низкий уровень сигнала |
| P086D | Датчик-выключатель нейтрального положения — высокий уровень сигнала |
| P086E | Датчик-выключатель нейтрального положения — ненадежный/пропадающий контакт электрической цепи |
| P0870 | Датчик C давления рабочей жидкости КПП — неисправность электрической цепи |
| P0871 | Датчик С давления рабочей жидкости КПП — диапазон/функционирование |
| P0872 | Датчик C давления рабочей жидкости КПП — низкий уровень сигнала |
| P0873 | Датчик C давления рабочей жидкости КПП — высокий уровень сигнала |
| P0874 | Датчик C давления рабочей жидкости КПП — ненадежный контакт электрической цепи |
| P0875 | Датчик D давления рабочей жидкости АКПП — неисправность электрической цепи |
| P0876 | Датчик D давления рабочей жидкости КПП — диапазон/функционирование |
| P0877 | Датчик D давления рабочей жидкости АКПП — низкое напряжение цепи |
| P0878 | Датчик D давления рабочей жидкости АКПП — высокое напряжение цепи |
| P0879 | Датчик D давления рабочей жидкости КПП — ненадежный контакт электрической цепи |
| P087A | Датчик положения сцепления B — неисправность электрической цепи |
| P087B | Датчик положения сцепления B — диапазон/функционирование |
| P087C | Датчик положения сцепления B — низкий уровень сигнала |
| P087D | Датчик положения сцепления B — высокий уровень сигнала |
| P087E | Датчик положения сцепления B — ненадежный контакт электрической цепи |
| P0880 | Электронный блок управления АКПП — неисправность цепи питания |
| P0881 | Электронный блок управления АКПП — неисправность цепи питания (диапазон / функционирование) |
| P0882 | Электронный блок управления АКПП — низкое напряжение цепи питания |
| P0883 | Электронный блок управления АКПП — высокое напряжение цепи питания |
| P0884 | Электронный блок управления КПП (TCM), входной сигнал питания — ненадежный контакт электрической цепи |
| P0885 | Реле питания электронного блока управления КПП (TCM), управление — обрыв цепи |
| P0886 | Реле питания электронного блока управления КПП (TCM), управление — низкий уровень сигнала |
| P0887 | Реле питания электронного блока управления КПП (TCM), управление — высокий уровень сигнала |
| P0888 | Реле питания электронного блока управления КПП (TCM) — неисправность контрольной цепи |
| P0889 | Реле питания электронного блока управления КПП (TCM) — диапазон/функционирование контрольной цепи |
| P088A | Фильтр рабочей жидкости КПП — ухудшение состояния фильтра |
| P088B | Фильтр рабочей жидкости КПП — сильное ухудшение состояния фильтра |
| P0890 | Реле питания электронного блока управления КПП (TCM) — низкий уровень сигнала в контрольной цепи |
| P0891 | Реле питания электронного блока управления КПП (TCM) — высокий уровень сигнала в контрольной цепи |
| P0892 | Реле питания электронного блока управления КПП (TCM) — ненадежный контакт контрольной цепи |
| P0893 | Одновременное включение нескольких передач |
| P0894 | Проскальзывание компонентов АКПП |
| P0895 | Слишком малое время переключения |
| P0896 | Слишком большое время переключения |
| P0897 | Ухудшение качества рабочей жидкости |
| P0898 | Управление АКПП, запрос неисправностей (MIL) — низкое напряжение цепи |
| P0899 | Управление АКПП, запрос неисправностей (MIL) — высокое напряжение цепи |
| P089A | Датчик 2 положения X рычага переключения КПП — неисправность электрической цепи |
| P089B | Датчик 2 положения X рычага переключения КПП — диапазон/функционирование |
| P089C | Датчик 2 положения X рычага переключения КПП — низкий уровень сигнала |
| P089D | Датчик 2 положения X рычага переключения КПП — высокий уровень сигнала |
| P089E | Датчик 2 положения X рычага переключения КПП — ненадежный/пропадающий контакт электрической цепи |
| P089F | Датчик 2 положения Y рычага переключения — неисправность электрической цепи |
| P08A0 | Датчик 2 положения Y рычага переключения КПП — диапазон/функционирование |
| P08A1 | Датчик 2 положения Y рычага переключения КПП — низкий уровень сигнала |
| P08A2 | Датчик 2 положения Y рычага переключения КПП — высокий уровень сигнала |
| P08A3 | Датчик 2 положения Y рычага переключения КПП — ненадежный/пропадающий контакт электрической цепи |
| P08A4 | Датчик 1/2 положения X рычага переключения КПП — корреляция |
| P08A5 | Датчик 1/2 положения Y рычага переключения КПП — корреляция |
| P08A6 | Датчик положения рычага переключения — корреляция датчиков |
| P0900 | Привод сцепления — обрыв цепи |
| P0901 | Привод сцепления — диапазон/функционирование |
| P0902 | Привод сцепления — низкое напряжение цепи |
| P0903 | Привод сцепления — высокое напряжение цепи |
| P0904 | Цепь выбора диапазона коробки передач — неисправность |
| P0905 | Цепь выбора диапазона коробки передач — диапазон/функционирование |
| P0906 | Цепь выбора диапазона коробки передач — низкое напряжение |
| P0907 | Цепь выбора диапазона коробки передач — высокое напряжение |
| P0908 | Цепь выбора диапазона коробки передач — ненадежный контакт электрической цепи |
| P0909 | Ошибка выбора диапазона коробки передач |
| P090A | Привод сцепления B — обрыв цепи |
| P090B | Привод сцепления B — диапазон/функционирование |
| P090C | Привод сцепления B — низкий уровень сигнала |
| P090D | Привод сцепления B — высокий уровень сигнала |
| P0910 | Привод выбора диапазона коробки передач — обрыв цепи |
| P0911 | Привод выбора диапазона коробки передач — диапазон/функционирование |
| P0912 | Привод выбора диапазона коробки передач — низкое напряжение цепи |
| P0913 | Привод выбора диапазона коробки передач — высокое напряжение цепи |
| P0914 | Цепь определения включенной передачи — неисправность |
| P0915 | Цепь определения включенной передачи — диапазон/функционирование |
| P0916 | Цепь определения включенной передачи — низкое напряжение цепи |
| P0917 | Цепь определения включенной передачи — высокое напряжение цепи |
| P0918 | Цепь определения включенной передачи — ненадежный контакт электрической цепи |
| P0919 | Контроль включенной передачи — ошибка |
| P0920 | Привод включения передач переднего хода — обрыв цепи |
| P0921 | Привод включения передач переднего хода — диапазон/функционирование |
| P0922 | Привод включения передач переднего хода — низкое напряжение цепи |
| P0923 | Привод включения передач переднего хода — высокое напряжение цепи |
| P0924 | Привод включения передачи заднего хода — обрыв цепи |
| P0925 | Привод включения передачи заднего хода — диапазон/функционирование |
| P0926 | Привод включения передачи заднего хода — низкое напряжение цепи |
| P0927 | Привод включения передачи заднего хода — высокое напряжение цепи |
| P0928 | Электромагнитный клапан блокировки переключения передач — обрыв цепи |
| P0929 | Электромагнитный клапан блокировки переключения передач — диапазон/функционирование |
| P092A | Э/м клапан блокировки переключения передач / управляющая цепь привода B — обрыв цепи |
| P092B | Э/м клапан блокировки переключения передач / управляющая цепь привода B — диапазон/функционирование |
| P092C | Э/м клапан блокировки переключения передач / управляющая цепь привода B — низкий уровень сигнала |
| P092D | Э/м клапан блокировки переключения передач / управляющая цепь привода B — высокий уровень сигнала |
| P0930 | Электромагнитный клапан блокировки переключения передач — низкое напряжение цепи |
| P0931 | Электромагнитный клапан блокировки переключения передач — высокое напряжение цепи |
| P0932 | Датчик давления в гидросистеме — неисправность электрической цепи |
| P0933 | Датчик давления в гидросистеме — диапазон/функционирование |
| P0934 | Датчик давления в гидросистеме — низкий уровень сигнала |
| P0935 | Датчик давления в гидросистеме — высокий уровень входного сигнала |
| P0936 | Датчик давления в гидросистеме — ненадежный контакт электрической цепи |
| P0937 | Датчик температуры рабочей жидкости в гидросистеме — неисправность электрической цепи |
| P0938 | Датчик температуры рабочей жидкости в гидросистеме — диапазон/функционирование |
| P0939 | Датчик температуры рабочей жидкости в гидросистеме — низкий уровень сигнала |
| P0940 | Датчик температуры рабочей жидкости в гидросистеме — высокий уровень входного сигнала |
| P0941 | Датчик температуры рабочей жидкости в гидросистеме — ненадежный контакт электрической цепи |
| P0942 | Блок создания давления в гидросистеме |
| P0943 | Блок создания давления в гидросистеме — цикл работы слишком короткий |
| P0944 | Блок создания давления в гидросистеме — потеря давления |
| P0945 | Реле насоса гидросистемы — обрыв цепи |
| P0946 | Реле насоса гидросистемы — диапазон/функционирование |
| P0947 | Реле насоса гидросистемы — низкое напряжение цепи |
| P0948 | Реле насоса гидросистемы — высокое напряжение цепи |
| P0949 | Коробка передач с автоматизированным переключением (ASM) — не проведено адаптивное обучение |
| P0950 | Коробка передач с автоматизированным переключением (ASM), управление — неисправность электрической цепи |
| P0951 | Коробка передач с автоматизированным переключением (ASM), управление — диапазон/функционирование |
| P0952 | Коробка передач с автоматизированным переключением (ASM), управление — низкий уровень сигнала |
| P0953 | Коробка передач с автоматизированным переключением (ASM), управление — высокий уровень сигнала |
| P0954 | Коробка передач с автоматизированным переключением (ASM), управление — ненадежный контакт электрической цепи |
| P0955 | Коробка передач с автоматизированным переключением (ASM), режим — неисправность электрической цепи |
| P0956 | Коробка передач с автоматизированным переключением (ASM), режим — диапазон/функционирование |
| P0957 | Коробка передач с автоматизированным переключением (ASM), режим — низкий уровень сигнала |
| P0958 | Коробка передач с автоматизированным переключением (ASM), режим — высокий уровень сигнала |
| P0959 | Коробка передач с автоматизированным переключением (ASM), режим — ненадежный контакт электрической цепи |
| P0960 | Э/м клапан А управления давлением — обрыв цепи |
| P0961 | Э/м клапан А управления давлением — диапазон/функционирование |
| P0962 | Э/м клапан А управления давлением — низкий уровень сигнала |
| P0963 | Э/м клапан А управления давлением — высокий уровень сигнала |
| P0964 | Э/м клапан B управления давлением — обрыв цепи |
| P0965 | Э/м клапан B управления давлением — диапазон/функционирование |
| P0966 | Э/м клапан B управления давлением — низкий уровень сигнала |
| P0967 | Э/м клапан B управления давлением — высокий уровень сигнала |
| P0968 | Э/м клапан C управления давлением — обрыв цепи |
| P0969 | Э/м клапан C управления давлением — диапазон/функционирование |
| P0970 | Э/м клапан C управления давлением — низкий уровень сигнала |
| P0971 | Э/м клапан C управления давлением — высокий уровень сигнала |
| P0972 | Э/м клапан A переключения передач — диапазон/функционирование |
| P0973 | Э/м клапан А переключения передач — низкий уровень сигнала |
| P0974 | Э/м клапан А переключения передач — высокий уровень сигнала |
| P0975 | Э/м клапан В переключения передач — диапазон/функционирование |
| P0976 | Э/м клапан B переключения передач — низкий уровень сигнала |
| P0977 | Э/м клапан B переключения передач — высокий уровень сигнала |
| P0978 | Э/м клапан C переключения передач — диапазон/функционирование |
| P0979 | Э/м клапан С переключения передач — низкий уровень сигнала |
| P0980 | Э/м клапан C переключения передач — высокий уровень сигнала |
| P0981 | Э/м клапан D переключения передач — диапазон/функционирование |
| P0982 | Э/м клапан D переключения передач — низкий уровень сигнала |
| P0983 | Э/м клапан D переключения передач — высокий уровень сигнала |
| P0984 | Э/м клапан E переключения передач — диапазон/функционирование |
| P0985 | Э/м клапан E переключения передач — низкий уровень сигнала |
| P0986 | Э/м клапан E переключения передач — высокий уровень сигнала |
| P0987 | Датчик Е давления рабочей жидкости АКПП — неисправность электрической цепи |
| P0988 | Датчик E давления рабочей жидкости КПП — диапазон/функционирование |
| P0989 | Датчик Е давления рабочей жидкости АКПП — низкое напряжение цепи |
| P0990 | Датчик Е давления рабочей жидкости АКПП — высокое напряжение цепи |
| P0991 | Датчик Е давления рабочей жидкости АКПП — ненадежный контакт электрической цепи |
| P0992 | Датчик F давления рабочей жидкости АКПП — неисправность электрической цепи |
| P0993 | Датчик E давления рабочей жидкости КПП — диапазон/функционирование |
| P0994 | Датчик F давления рабочей жидкости АКПП — низкое напряжение цепи |
| P0995 | Датчик F давления рабочей жидкости АКПП — высокое напряжение цепи |
| P0996 | Датчик F давления рабочей жидкости АКПП — ненадежный контакт электрической цепи |
| P0997 | Э/м клапан F переключения передач — диапазон/функционирование |
| P0998 | Э/м клапан F переключения передач — низкий уровень сигнала |
| P0999 | Э/м клапан F переключения передач — высокий уровень сигнала |
| P099A | Э/м клапан G переключения передач — диапазон/функционирование управляющей цепи |
| P099B | Э/м клапан G переключения передач — низкий уровень сигнала управляющей цепи |
| P099C | Э/м клапан G переключения передач — высокий уровень сигнала управляющей цепи |
| P099D | Э/м клапан H переключения передач — диапазон/функционирование управляющей цепи |
| P099E | Э/м клапан H переключения передач — низкий уровень сигнала управляющей цепи |
| P099F | Э/м клапан H переключения передач — высокий уровень сигнала управляющей цепи |
Другие коды
| Код | Расшифровка |
|---|---|
| P0A00 | Датчик температуры охлаждающей жидкости конвертера напряжения — неисправность электрической цепи |
| P0A01 | Датчик температуры охлаждающей жидкости конвертера напряжения — диапазон/функционирование |
| P0A02 | Датчик температуры охлаждающей жидкости конвертера напряжения — низкий уровень сигнала |
| P0A03 | Датчик температуры охлаждающей жидкости конвертера напряжения — высокий уровень сигнала |
| P0A04 | Датчик температуры охлаждающей жидкости конвертера напряжения — ненадежный контакт электрической цепи |
| P0A05 | Насос охлаждающей жидкости конвертера напряжения A, управление — обрыв цепи |
| P0A06 | Насос охлаждающей жидкости конвертера напряжения A, управление — низкий уровень сигнала |
| P0A07 | Насос охлаждающей жидкости конвертера напряжения A, управление — высокий уровень сигнала |
| P0A08 | Состояние DC/DC конвертера — неисправность электрической цепи |
| P0A09 | Состояние DC/DC конвертера — низкий уровень сигнала |
| P0A0A | Высоковольтная система — неисправность электрической цепи блокировки |
| P0A0B | Высоковольтная система — функционирование цепи блокировки |
| P0A0C | Высоковольтная система — низкий уровень сигнала в цепи блокировки |
| P0A0D | Высоковольтная система — высокий уровень сигнала в цепи блокировки |
| P0A0E | Высоковольтная система — ненадежный контакт электрической цепи блокировки |
| P0A0F | Гибридная установка — двигатель не запускается |
| P0A10 | Состояние DC/DC конвертера — высокий уровень сигнала |
| P0A11 | Состояние DC/DC конвертера — обрыв цепи |
| P0A12 | Запуск DC/DC конвертера — низкий уровень сигнала |
| P0A13 | Состояние DC/DC конвертера — высокий уровень сигнала |
| P0A14 | Управление опорами двигателя A — обрыв цепи |
| P0A15 | Управление опорами двигателя A — низкий уровень сигнала |
| P0A16 | Управление опорами двигателя A — высокий уровень сигнала |
| P0A17 | Датчик крутящего момента электродвигателя — неисправность электрической цепи |
| P0A18 | Датчик крутящего момента электродвигателя — диапазон/функционирование |
| P0A19 | Датчик крутящего момента электродвигателя — низкий уровень сигнала |
| P0A1A | Блок управления генератором |
| P0A1B | Блок управления тяговым электродвигателем A |
| P0A1C | Блок управления тяговым электродвигателем B |
| P0A1D | Блок управления гибридной силовой установкой |
| P0A1E | Блок управления стартером/генератором |
| P0A1F | Блок управления зарядом батареи |
| P0A20 | Датчик крутящего момента электродвигателя — высокий уровень сигнала |
| P0A21 | Датчик крутящего момента электродвигателя — ненадежный контакт электрической цепи |
| P0A22 | Датчик крутящего момента генератора — неисправность электрической цепи |
| P0A23 | Датчик крутящего момента генератора — диапазон/функционирование |
| P0A24 | Датчик крутящего момента генератора — низкий уровень сигнала |
| P0A25 | Датчик крутящего момента генератора — высокий уровень сигнала |
| P0A26 | Датчик крутящего момента генератора — ненадежный контакт электрической цепи |
| P0A27 | Отключение питания батареи гибридной установки — неисправность электрической цепи |
| P0A28 | Отключение питания батареи гибридной установки — низкий уровень сигнала |
| P0A29 | Отключение питания батареи гибридной установки — высокий уровень сигнала |
| P0A2A | Датчик температуры тягового электродвигателя A — обрыв цепи |
| P0A2B | Датчик температуры тягового электродвигателя A — диапазон/функционирование |
| P0A2C | Датчик температуры тягового электродвигателя A — низкий уровень сигнала |
| P0A2D | Датчик температуры тягового электродвигателя A — высокий уровень сигнала |
| P0A2E | Датчик температуры тягового электродвигателя A — ненадежный контакт электрической цепи |
| P0A2F | Датчик температуры тягового электродвигателя A — перегрев |
| P0A30 | Датчик температуры тягового электродвигателя B — обрыв цепи |
| P0A31 | Датчик температуры тягового электродвигателя B — диапазон/функционирование |
| P0A32 | Датчик температуры тягового электродвигателя B — низкий уровень сигнала |
| P0A33 | Датчик температуры тягового электродвигателя B — высокий уровень сигнала |
| P0A34 | Датчик температуры тягового электродвигателя B — ненадежный контакт электрической цепи |
| P0A35 | Датчик температуры тягового электродвигателя B — перегрев |
| P0A36 | Датчик температуры генератора — неисправность электрической цепи |
| P0A37 | Датчик температуры генератора — диапазон/функционирование |
| P0A38 | Датчик температуры генератора — низкий уровень сигнала |
| P0A39 | Датчик температуры генератора — высокий уровень сигнала |
| P0A3A | Датчик температуры генератора — ненадежный контакт электрической цепи |
| P0A3B | Генератор — перегрев |
| P0A3C | Тяговый электродвигатель A, инвертер — перегрев |
| P0A3D | Тяговый электродвигатель B, инвертер — перегрев |
| P0A3E | Инвертер генератора — перегрев |
| P0A3F | Датчик положения тягового электродвигателя A — неисправность электрической цепи |
| P0A40 | Датчик положения тягового электродвигателя A — диапазон/функционирование |
| P0A41 | Датчик положения тягового электродвигателя A — низкий уровень сигнала |
| P0A42 | Датчик положения тягового электродвигателя A — высокий уровень сигнала |
| P0A43 | Датчик положения тягового электродвигателя A — ненадежный контакт электрической цепи |
| P0A44 | Датчик положения тягового электродвигателя A — слишком высокая скорость |
| P0A45 | Датчик положения тягового электродвигателя B — неисправность электрической цепи |
| P0A46 | Датчик положения тягового электродвигателя B — диапазон/функционирование |
| P0A47 | Датчик положения тягового электродвигателя B — низкий уровень сигнала |
| P0A48 | Датчик положения тягового электродвигателя B — высокий уровень сигнала |
| P0A49 | Датчик положения тягового электродвигателя B — ненадежный контакт электрической цепи |
| P0A4A | Датчик положения тягового электродвигателя B — слишком высокая скорость |
| P0A4B | Датчик положения генератора — неисправность электрической цепи |
| P0A4C | Датчик положения генератора — диапазон/функционирование |
| P0A4D | Датчик положения генератора — низкий уровень сигнала |
| P0A4E | Датчик положения генератора — высокий уровень сигнала |
| P0A4F | Датчик положения генератора — ненадежный контакт электрической цепи |
| P0A50 | Датчик положения генератора — слишком высокая скорость |
| P0A51 | Датчик тока тягового электродвигателя A — обрыв цепи |
| P0A52 | Датчик тока тягового электродвигателя A — диапазон/функционирование |
| P0A53 | Датчик тока тягового электродвигателя A — низкий уровень сигнала |
| P0A54 | Датчик тока тягового электродвигателя A — высокий уровень сигнала |
| P0A55 | Датчик тока тягового электродвигателя B — неисправность электрической цепи |
| P0A56 | Датчик тока тягового электродвигателя B — диапазон/функционирование |
| P0A57 | Датчик тока тягового электродвигателя B — низкий уровень сигнала |
| P0A58 | Датчик тока тягового электродвигателя B — высокий уровень сигнала |
| P0A59 | Датчик тока генератора — неисправность электрической цепи |
| P0A5A | Датчик тока генератора — диапазон/функционирование |
| P0A5B | Датчик тока генератора — низкий уровень сигнала |
| P0A5C | Датчик тока генератора — высокий уровень сигнала |
| P0A5D | Тяговый электродвигатель A, ток фазы U — неисправность |
| P0A5E | Тяговый электродвигатель A, ток фазы U — низкий уровень |
| P0A5F | Тяговый электродвигатель A, ток фазы U — высокий уровень |
| P0A60 | Тяговый электродвигатель A, ток фазы V — неисправность |
| P0A61 | Тяговый электродвигатель A, ток фазы V — низкий уровень |
| P0A62 | Тяговый электродвигатель A, ток фазы V — высокий уровень |
| P0A63 | Тяговый электродвигатель A, ток фазы W — неисправность |
| P0A64 | Тяговый электродвигатель A, ток фазы W — низкий уровень |
| P0A65 | Тяговый электродвигатель A, ток фазы W — высокий уровень |
| P0A66 | Тяговый электродвигатель B, ток фазы U — неисправность |
| P0A67 | Тяговый электродвигатель B, ток фазы U — низкий уровень |
| P0A68 | Тяговый электродвигатель B, ток фазы U — высокий уровень |
| P0A69 | Тяговый электродвигатель B, ток фазы V — неисправность |
| P0A6A | Тяговый электродвигатель B, ток фазы V — низкий уровень |
| P0A6B | Тяговый электродвигатель B, ток фазы V — высокий уровень |
| P0A6C | Тяговый электродвигатель B, ток фазы W — неисправность |
| P0A6D | Тяговый электродвигатель B, ток фазы W — низкий уровень |
| P0A6E | Тяговый электродвигатель B, ток фазы W — высокий уровень |
| P0A6F | Генератор, ток фазы U — неисправность |
| P0A70 | Генератор, ток фазы U — низкий уровень |
| P0A71 | Генератор, ток фазы U — высокий уровень |
| P0A72 | Генератор, ток фазы V — неисправность |
| P0A73 | Генератор, ток фазы V — низкий уровень |
| P0A74 | Генератор, ток фазы V — высокий уровень |
| P0A75 | Генератор, ток фазы W — неисправность |
| P0A76 | Генератор, ток фазы W — низкий уровень |
| P0A77 | Генератор, ток фазы W — высокий уровень |
| P0A78 | Тяговый электродвигатель A, инвертор — функционирование |
| P0A79 | Тяговый электродвигатель B, инвертор — функционирование |
| P0A7A | Инвертер генератора — функционирование |
| P0A7B | Блок управления зарядом батареи — запрос активации индикатора неисправности |
| P0A7C | Конвертор напряжения — перегрев |
| P0A7D | Батарея гибридной установки — батарея разряжена |
| P0A7E | Батарея гибридной установки — перегрев |
| P0A7F | Батарея гибридной установки — состояние |
| P0A80 | Батарея гибридной установки |
| P0A81 | Батарея гибридной установки, вентилятор охлаждения 1 — обрыв управляющей цепи |
| P0A82 | Батарея гибридной установки, вентилятор охлаждения 1 — функционирование / заедание в выключенном состоянии |
| P0A83 | Батарея гибридной установки, вентилятор охлаждения 1 — заедание во включенном состоянии |
| P0A84 | Батарея гибридной установки, вентилятор охлаждения 1 — низкий уровень сигнала в управляющей цепи |
| P0A85 | Батарея гибридной установки, вентилятор охлаждения 1 — высокий уровень сигнала в управляющей цепи |
| P0A86 | Датчик тока силового модуля (14 В) — неисправность электрической цепи |
| P0A87 | Датчик тока силового модуля (14 В) — диапазон/функционирование |
| P0A88 | Датчик тока силового модуля (14 В) — низкий уровень сигнала |
| P0A89 | Датчик тока силового модуля (14 В) — высокий уровень сигнала |
| P0A8A | Датчик тока силового модуля (14 В) — ненадежный контакт электрической цепи |
| P0A8B | Силовой модуль (14 В) — напряжение системы |
| P0A8C | Силовой модуль (14 В) — нестабильное напряжение системы |
| P0A8D | Силовой модуль (14 В) — низкое напряжение системы |
| P0A8E | Силовой модуль (14 В) — высокое напряжение системы |
| P0A8F | Силовой модуль (14 В) — функционирование |
| P0A90 | Тяговый электродвигатель A — функционирование |
| P0A91 | Тяговый электродвигатель B — функционирование |
| P0A92 | Генератор гибридной установки — функционирование |
| P0A93 | Инвертор A, система охлаждения — функционирование |
| P0A94 | DC/DC конвертер — функционирование |
| P0A95 | Батарея гибридной установки — высоковольтный предохранитель |
| P0A96 | Батарея гибридной установки, вентилятор охлаждения 2 — обрыв управляющей цепи |
| P0A97 | Батарея гибридной установки, вентилятор охлаждения 2 — функционирование / заедание в выключенном состоянии |
| P0A98 | Батарея гибридной установки, вентилятор охлаждения 2 — заедание во включенном состоянии |
| P0A99 | Батарея гибридной установки, вентилятор охлаждения 2 — низкий уровень управляющей цепи |
| P0A9A | Батарея гибридной установки, вентилятор охлаждения 2 — высокий уровень управляющей цепи |
| P0A9B | Датчик температуры батареи гибридной установки A — неисправность электрической цепи |
| P0A9C | Датчик температуры батареи гибридной установки A — диапазон/функционирование |
| P0A9D | Датчик температуры батареи гибридной установки A — низкий уровень сигнала |
| P0A9E | Датчик температуры батареи гибридной установки A — высокий уровень сигнала |
| P0A9F | Датчик температуры батареи гибридной установки A — ненадежный/пропадающий контакт электрической цепи |
| P0AA0 | Положительный контактор батареи гибридной установки — неисправность электрической цепи |
| P0AA1 | Положительный контактор батареи гибридной установки — залипание в закрытом положении |
| P0AA2 | Положительный контактор батареи гибридной установки — залипание в открытом положении |
| P0AA3 | Положительный контактор батареи гибридной установки — неисправность электрической цепи |
| P0AA4 | Положительный контактор батареи гибридной установки — залипание в закрытом положении |
| P0AA5 | Положительный контактор батареи гибридной установки — залипание в открытом положении |
| P0AA6 | Напряжение батареи гибридной установки — неисправность изоляции |
| P0AA7 | Датчик изоляции батареи гибридной установки — неисправность электрической цепи |
| P0AA8 | Датчик изоляции батареи гибридной установки — диапазон/функционирование |
| P0AA9 | Датчик изоляции батареи гибридной установки — низкий уровень сигнала |
| P0AAA | Датчик изоляции батареи гибридной установки — высокий уровень сигнала |
| P0AAB | Датчик изоляции батареи гибридной установки — ненадежный/пропадающий контакт электрической цепи |
| P0AAC | Датчик температуры воздуха батареи гибридной установки A — неисправность электрической цепи |
| P0AAD | Датчик температуры воздуха батареи гибридной установки A — диапазон/функционирование |
| P0AAE | Датчик температуры воздуха батареи гибридной установки A — низкий уровень сигнала |
| P0AAF | Датчик температуры воздуха батареи гибридной установки A — неисправность электрической цепи |
| P0AB0 | Датчик тока батареи гибридной установки A — ненадежный/пропадающий контакт электрической цепи |
| P0AB1 | Датчик температуры воздуха батареи гибридной установки B — неисправность электрической цепи |
| P0AB2 | Датчик температуры воздуха батареи гибридной установки B — неисправность электрической цепи |
| P0AB3 | Датчик температуры воздуха батареи гибридной установки B — низкий уровень сигнала |
| P0AB4 | Датчик температуры воздуха батареи гибридной установки B — высокий уровень сигнала |
| P0AB5 | Датчик температуры воздуха батареи гибридной установки B — ненадежный/пропадающий контакт электрической цепи |
| P0AB6 | Управление опорами двигателя B — обрыв цепи |
| P0AB7 | Управление опорами двигателя B — низкий уровень сигнала |
| P0AB8 | Управление опорами двигателя B — высокий уровень сигнала |
| P0AB9 | Гибридная силовая установка — функционирование |
| P0ABA | Датчик напряжения батареи гибридной установки A — неисправность электрической цепи |
| P0ABB | Датчик напряжения батареи гибридной установки A — диапазон/функционирование |
| P0ABC | Датчик напряжения батареи гибридной установки A — низкий уровень сигнала |
| P0ABD | Датчик напряжения батареи гибридной установки A — высокий уровень сигнала |
| P0ABE | Датчик напряжения батареи гибридной установки A — ненадежный/пропадающий контакт электрической цепи |
| P0ABF | Датчик тока батареи гибридной установки A — неисправность электрической цепи |
| P0AC0 | Датчик тока батареи гибридной установки A — диапазон/функционирование |
| P0AC1 | Датчик тока батареи гибридной установки A — низкий уровень сигнала |
| P0AC2 | Датчик тока батареи гибридной установки A — высокий уровень сигнала |
| P0AC3 | Датчик тока батареи гибридной установки A — ненадежный/пропадающий контакт электрической цепи |
| P0AC4 | Блок управления гибридной силовой установкой — запрос активации индикатора неисправности |
| P0AC5 | Датчик температуры батареи гибридной установки B — неисправность электрической цепи |
| P0AC6 | Датчик температуры батареи гибридной установки B — диапазон/функционирование |
| P0AC7 | Датчик температуры батареи гибридной установки B — низкий уровень сигнала |
| P0AC8 | Датчик температуры батареи гибридной установки B — высокий уровень сигнала |
| P0AC9 | Датчик температуры батареи гибридной установки B — ненадежный/пропадающий контакт электрической цепи |
| P0ACA | Датчик температуры батареи гибридной установки C — неисправность электрической цепи |
| P0ACB | Датчик температуры батареи гибридной установки C — диапазон/функционирование |
| P0ACC | Датчик температуры батареи гибридной установки C — низкий уровень сигнала |
| P0ACD | Датчик температуры батареи гибридной установки C — высокий уровень сигнала |
| P0ACE | Датчик температуры батареи гибридной установки C — ненадежный/пропадающий контакт электрической цепи |
| P0ACF | Батарея гибридной установки, вентилятор охлаждения 3 — обрыв управляющей цепи |
| P0AD0 | Батарея гибридной установки, вентилятор охлаждения 3 — функционирование / заедание в выключенном состоянии |
| P0AD1 | Батарея гибридной установки, вентилятор охлаждения 3 — заедание во включенном состоянии |
| P0AD2 | Батарея гибридной силовой установки, вентилятор охлаждения 3 — низкий уровень управляющей цепи |
| P0AD3 | Батарея гибридной установки, вентилятор охлаждения 3 — высокий уровень управляющей цепи |
| P0AD4 | Система охлаждения батареи гибридной установки — недостаточный расход воздуха |
| P0AD5 | Батарея гибридной установки, клапан подачи воздуха A — обрыв управляющей цепи |
| P0AD6 | Батарея гибридной установки, клапан подачи воздуха A — диапазон/функционирование |
| P0AD7 | Батарея гибридной установки, клапан подачи воздуха A — низкий уровень сигнала в управляющей цепи |
| P0AD8 | Батарея гибридной установки, клапан подачи воздуха A — высокий уровень сигнала в управляющей цепи |
| P0AD9 | Положительный контактор батареи гибридной установки — обрыв управляющей цепи |
| P0ADA | Положительный контактор батареи гибридной установки — диапазон/функционирование управляющей цепи |
| P0ADB | Положительный контактор батареи гибридной установки — низкий уровень сигнала в управляющей цепи |
| P0ADC | Положительный контактор батареи гибридной установки — высокий уровень сигнала в управляющей цепи |
| P0ADD | Положительный контактор батареи гибридной установки — обрыв управляющей цепи |
| P0ADE | Положительный контактор батареи гибридной установки — диапазон/функционирование управляющей цепи |
| P0ADF | Положительный контактор батареи гибридной установки — низкий уровень сигнала в управляющей цепи |
| P0AE0 | Положительный контактор батареи гибридной установки — высокий уровень сигнала в управляющей цепи |
| P0AE1 | Контактор предварительной зарядки батареи гибридной установки — неисправность электрической цепи |
| P0AE2 | Контактор предварительной зарядки батареи гибридной установки — залипание в закрытом положении |
| P0AE3 | Контактор предварительной зарядки батареи гибридной установки — залипание в открытом положении |
| P0AE4 | Контактор предварительной зарядки батареи гибридной установки — неисправность управляющей цепи |
| P0AE5 | Контактор предварительной зарядки батареи гибридной установки — диапазон/функционирование |
| P0AE6 | Контактор предварительной зарядки батареи гибридной установки — низкий уровень сигнала в управляющей цепи |
| P0AE7 | Контактор предварительной зарядки батареи гибридной установки — высокий уровень сигнала в управляющей цепи |
| P0AE8 | Датчик температуры батареи гибридной установки D — неисправность электрической цепи |
| P0AE9 | Датчик температуры батареи гибридной установки D — диапазон/функционирование |
| P0AEA | Датчик температуры батареи гибридной установки D — низкий уровень сигнала |
| P0AEB | Датчик температуры батареи гибридной установки D — высокий уровень сигнала |
| P0AEC | Датчик температуры батареи гибридной установки D — ненадежный/пропадающий контакт электрической цепи |
| P0AED | Датчик температуры инвертера тягового электродвигателя A — неисправность электрической цепи |
| P0AEE | Датчик температуры инвертера тягового электродвигателя A — диапазон/функционирование |
| P0AEF | Датчик температуры инвертера тягового электродвигателя A — низкий уровень сигнала |
| P0AF0 | Датчик температуры инвертера тягового электродвигателя A — высокий уровень сигнала |
| P0AF1 | Датчик температуры инвертера тягового электродвигателя A — ненадежный/пропадающий контакт электрической цепи |
| P0AF2 | Датчик температуры инвертера тягового электродвигателя B — неисправность электрической цепи |
| P0AF3 | Датчик температуры инвертера тягового электродвигателя B — диапазон/функционирование |
| P0AF4 | Датчик температуры инвертера тягового электродвигателя B — низкий уровень сигнала |
| P0AF5 | Датчик температуры инвертера тягового электродвигателя B — высокий уровень сигнала |
| P0AF6 | Датчик температуры инвертера тягового электродвигателя B — ненадежный/пропадающий контакт электрической цепи |
| P0AF7 | Силовой модуль (14 В) — слишком высокая внутренняя температура |
| P0AF8 | Система батареи гибридной установки — некорректное напряжение |
| P0AF9 | Система батареи гибридной установки — нестабильное напряжение |
| P0AFA | Система батареи гибридной установки — низкое напряжение |
| P0AFB | Система батареи гибридной установки — высокое напряжение |
| P0AFC | Батарея гибридной установки — модуль датчика |
| P0AFD | Батарея гибридной установки — слишком низкая температура |
| P0AFE | Система батареи гибридной установки — слишком низкое напряжение для преобразования (повышения) |
| P0AFF | Система батареи гибридной установки — слишком низкое напряжение для преобразования (понижения) |
| P0B00 | Электродвигатель дополнительного насоса рабочей жидкости трансмиссии, ток фазы U — неисправность |
| P0B01 | Электродвигатель дополнительного насоса рабочей жидкости трансмиссии, ток фазы U — низкий уровень |
| P0B02 | Электродвигатель дополнительного насоса рабочей жидкости трансмиссии, ток фазы U — высокий уровень |
| P0B03 | Электродвигатель дополнительного насоса рабочей жидкости трансмиссии, ток фазы V — неисправность |
| P0B04 | Электродвигатель дополнительного насоса рабочей жидкости трансмиссии, ток фазы V — низкий уровень |
| P0B05 | Электродвигатель дополнительного насоса рабочей жидкости трансмиссии, ток фазы V — высокий уровень |
| P0B06 | Электродвигатель дополнительного насоса рабочей жидкости трансмиссии, ток фазы W — неисправность |
| P0B07 | Электродвигатель дополнительного насоса рабочей жидкости трансмиссии, ток фазы W — низкий уровень |
| P0B08 | Электродвигатель дополнительного насоса рабочей жидкости трансмиссии, ток фазы W — высокий уровень |
| P0B09 | Электродвигатель дополнительного насоса рабочей жидкости трансмиссии — неисправность цепи питания |
| P0B0A | Электродвигатель дополнительного насоса рабочей жидкости трансмиссии — низкое напряжение питания |
| P0B0B | Электродвигатель дополнительного насоса рабочей жидкости трансмиссии — высокое напряжение питания |
| P0B0C | Дополнительный насос рабочей жидкости трансмиссии — утечки в гидросистеме |
| P0B0D | Дополнительный насос рабочей жидкости трансмиссии, блок управления — неисправность |
| P0B0E | Датчик тока батареи гибридной установки B — неисправность электрической цепи |
| P0B0F | Датчик тока батареи гибридной установки B — диапазон/функционирование |
| P0B10 | Датчик тока батареи гибридной установки B — низкий уровень сигнала |
| P0B11 | Датчик тока батареи гибридной установки B — высокий уровень сигнала |
| P0B12 | Датчик тока батареи гибридной установки B — ненадежный/пропадающий контакт электрической цепи |
| P0B13 | Датчик тока батареи гибридной установки A/B — корреляция |
| P0B14 | Датчик напряжения батареи гибридной установки B — неисправность электрической цепи |
| P0B15 | Датчик напряжения батареи гибридной установки B — диапазон/функционирование |
| P0B16 | Датчик напряжения батареи гибридной установки B — низкий уровень сигнала |
| P0B17 | Датчик напряжения батареи гибридной установки B — высокий уровень сигнала |
| P0B18 | Датчик напряжения батареи гибридной установки B — ненадежный/пропадающий контакт электрической цепи |
| P0B19 | Датчик напряжения батареи гибридной установки C — неисправность электрической цепи |
| P0B1A | Датчик напряжения батареи гибридной установки C — диапазон/функционирование |
| P0B1B | Датчик напряжения батареи гибридной установки C — низкий уровень сигнала |
| P0B1C | Датчик напряжения батареи гибридной установки C — высокий уровень сигнала |
| P0B1D | Датчик напряжения батареи гибридной установки C — ненадежный/пропадающий контакт электрической цепи |
| P0B1E | Датчик напряжения батареи гибридной установки D — неисправность электрической цепи |
| P0B1F | Датчик напряжения батареи гибридной установки D — диапазон/функционирование |
| P0B20 | Датчик напряжения батареи гибридной установки D — низкий уровень сигнала |
| P0B21 | Датчик напряжения батареи гибридной установки D — высокий уровень сигнала |
| P0B22 | Датчик напряжения батареи гибридной установки D — ненадежный/пропадающий контакт электрической цепи |
| P0B23 | Батарея гибридной установки A — некорректное напряжение |
| P0B24 | Батарея гибридной установки A — нестабильное напряжение |
| P0B25 | Батарея гибридной установки A — низкое напряжение |
| P0B26 | Батарея гибридной установки A — высокое напряжение |
| P0B27 | Батарея гибридной установки B — некорректное напряжение |
| P0B28 | Батарея гибридной установки B — нестабильное напряжение |
| P0B29 | Батарея гибридной установки B — низкое напряжение |
| P0B2A | Батарея гибридной установки B — высокое напряжение |
| P0B2B | Батарея гибридной установки C — некорректное напряжение |
| P0B2C | Батарея гибридной установки C — нестабильное напряжение |
| P0B2D | Батарея гибридной установки C — низкое напряжение |
| P0B2E | Батарея гибридной установки C — высокое напряжение |
| P0B2F | Батарея гибридной установки D — некорректное напряжение |
| P0B30 | Батарея гибридной установки D — нестабильное напряжение |
| P0B31 | Батарея гибридной установки D — низкое напряжение |
| P0B32 | Батарея гибридной установки D — высокое напряжение |
| P0B33 | Изолятор батареи гибридной установки — неисправность электрической цепи |
| P0B34 | Изолятор батареи гибридной установки — функционирование |
| P0B35 | Изолятор батареи гибридной установки — низкий уровень сигнала |
| P0B36 | Изолятор батареи гибридной установки — высокий уровень сигнала |
| P0B37 | Изолятор батареи гибридной установки — обрыв цепи |
| P0B38 | Электродвигатель насоса охлаждающей жидкости конвертора напряжения B — обрыв управляющей цепи |
| P0B39 | Электродвигатель насоса охлаждающей жидкости конвертора напряжения B — низкий уровень сигнала в управляющей цепи |
| P0B3A | Электродвигатель насоса охлаждающей жидкости конвертора напряжения B — высокий уровень сигнала в управляющей цепи |
| P0B3B | Датчик напряжения батареи гибридной установки A — неисправность электрической цепи |
| P0B3C | Датчик напряжения батареи гибридной установки A — диапазон/функционирование |
| P0B3D | Датчик напряжения батареи гибридной установки A — низкий уровень сигнала |
| P0B3E | Датчик напряжения батареи гибридной установки A — высокий уровень сигнала |
| P0B3F | Датчик напряжения батареи гибридной установки A — ненадежный/пропадающий контакт электрической цепи |
| P0B40 | Датчик напряжения батареи гибридной установки B — неисправность электрической цепи |
| P0B41 | Датчик напряжения батареи гибридной установки B — диапазон/функционирование |
| P0B42 | Датчик напряжения батареи гибридной установки B — низкий уровень сигнала |
| P0B43 | Датчик напряжения батареи гибридной установки B — высокий уровень сигнала |
| P0B44 | Датчик напряжения батареи гибридной установки B — ненадежный/пропадающий контакт электрической цепи |
| P0B45 | Датчик напряжения батареи гибридной установки C — неисправность электрической цепи |
| P0B46 | Датчик напряжения батареи гибридной установки C — диапазон/функционирование |
| P0B47 | Датчик напряжения батареи гибридной установки C — низкий уровень сигнала |
| P0B48 | Датчик напряжения батареи гибридной установки C — высокий уровень сигнала |
| P0B49 | Датчик напряжения батареи гибридной установки C — ненадежный/пропадающий контакт электрической цепи |
| P0B4A | Датчик напряжения батареи гибридной установки D — неисправность электрической цепи |
| P0B4B | Датчик напряжения батареи гибридной установки D — диапазон/функционирование |
| P0B4C | Датчик напряжения батареи гибридной установки D — низкий уровень сигнала |
| P0B4D | Датчик напряжения батареи гибридной установки D — высокий уровень сигнала |
| P0B4E | Датчик напряжения батареи гибридной установки D — ненадежный/пропадающий контакт электрической цепи |
| P0B4F | Датчик напряжения батареи гибридной установки E — неисправность электрической цепи |
| P0B50 | Датчик напряжения батареи гибридной установки E — диапазон/функционирование |
| P0B51 | Датчик напряжения батареи гибридной установки E — низкий уровень сигнала |
| P0B52 | Датчик напряжения батареи гибридной установки E — высокий уровень сигнала |
| P0B53 | Датчик напряжения батареи гибридной установки E — ненадежный/пропадающий контакт электрической цепи |
| P0B54 | Датчик напряжения батареи гибридной установки F — неисправность электрической цепи |
| P0B55 | Датчик напряжения батареи гибридной установки F — диапазон/функционирование |
| P0B56 | Датчик напряжения батареи гибридной установки F — низкий уровень сигнала |
| P0B57 | Датчик напряжения батареи гибридной установки F — высокий уровень сигнала |
| P0B58 | Датчик напряжения батареи гибридной установки F — ненадежный/пропадающий контакт электрической цепи |
| P0B59 | Датчик напряжения батареи гибридной установки G — неисправность электрической цепи |
| P0B5A | Датчик напряжения батареи гибридной установки G — диапазон/функционирование |
| P0B5B | Датчик напряжения батареи гибридной установки G — низкий уровень сигнала |
| P0B5C | Датчик напряжения батареи гибридной установки G — высокий уровень сигнала |
| P0B5D | Датчик напряжения батареи гибридной установки G — ненадежный/пропадающий контакт электрической цепи |
| P0B5E | Датчик напряжения батареи гибридной установки H — неисправность электрической цепи |
| P0B5F | Датчик напряжения батареи гибридной установки H — диапазон/функционирование |
| P0B60 | Датчик напряжения батареи гибридной установки H — низкий уровень сигнала |
| P0B61 | Датчик напряжения батареи гибридной установки H — высокий уровень сигнала |
| P0B62 | Датчик напряжения батареи гибридной установки H — ненадежный/пропадающий контакт электрической цепи |
| P0B63 | Датчик напряжения батареи гибридной установки I — неисправность электрической цепи |
| P0B64 | Датчик напряжения батареи гибридной установки I — диапазон/функционирование |
| P0B65 | Датчик напряжения батареи гибридной установки I — низкий уровень сигнала |
| P0B66 | Датчик напряжения батареи гибридной установки I — высокий уровень сигнала |
| P0B67 | Датчик напряжения батареи гибридной установки I — ненадежный/пропадающий контакт электрической цепи |
| P0B68 | Датчик напряжения батареи гибридной установки J — неисправность электрической цепи |
| P0B69 | Датчик напряжения батареи гибридной установки J — диапазон/функционирование |
| P0B6A | Датчик напряжения батареи гибридной установки J — низкий уровень сигнала |
| P0B6B | Датчик напряжения батареи гибридной установки J — высокий уровень сигнала |
| P0B6C | Датчик напряжения батареи гибридной установки J — ненадежный/пропадающий контакт электрической цепи |
| P0B6D | Датчик напряжения батареи гибридной установки K — неисправность электрической цепи |
| P0B6E | Датчик напряжения батареи гибридной установки K — диапазон/функционирование |
| P0B6F | Датчик напряжения батареи гибридной установки K — низкий уровень сигнала |
| P0B70 | Датчик напряжения батареи гибридной установки K — высокий уровень сигнала |
| P0B71 | Датчик напряжения батареи гибридной установки K — ненадежный/пропадающий контакт электрической цепи |
| P0B72 | Датчик напряжения батареи гибридной установки L — неисправность электрической цепи |
| P0B73 | Датчик напряжения батареи гибридной установки L — диапазон/функционирование |
| P0B74 | Датчик напряжения батареи гибридной установки L — низкий уровень сигнала |
| P0B75 | Датчик напряжения батареи гибридной установки L — высокий уровень сигнала |
| P0B76 | Датчик напряжения батареи гибридной установки L — ненадежный/пропадающий контакт электрической цепи |
| P0B77 | Датчик напряжения батареи гибридной установки M — неисправность электрической цепи |
| P0B78 | Датчик напряжения батареи гибридной установки M — диапазон/функционирование |
| P0B79 | Датчик напряжения батареи гибридной установки M — низкий уровень сигнала |
| P0B7A | Датчик напряжения батареи гибридной установки M — высокий уровень сигнала |
| P0B7B | Датчик напряжения батареи гибридной установки M — ненадежный/пропадающий контакт электрической цепи |
| P0B7C | Датчик напряжения батареи гибридной установки N — неисправность электрической цепи |
| P0B7D | Датчик напряжения батареи гибридной установки N — диапазон/функционирование |
| P0B7E | Датчик напряжения батареи гибридной установки N — низкий уровень сигнала |
| P0B7F | Датчик напряжения батареи гибридной установки N — высокий уровень сигнала |
| P0B80 | Датчик напряжения батареи гибридной установки N — ненадежный/пропадающий контакт электрической цепи |
| P0B81 | Датчик напряжения батареи гибридной установки O — неисправность электрической цепи |
| P0B82 | Датчик напряжения батареи гибридной установки O — диапазон/функционирование |
| P0B83 | Датчик напряжения батареи гибридной установки O — низкий уровень сигнала |
| P0B84 | Датчик напряжения батареи гибридной установки O — высокий уровень сигнала |
| P0B85 | Датчик напряжения батареи гибридной установки O — ненадежный/пропадающий контакт электрической цепи |
| P0B86 | Датчик напряжения батареи гибридной установки P — неисправность электрической цепи |
| P0B87 | Датчик напряжения батареи гибридной установки P — диапазон/функционирование |
| P0B88 | Датчик напряжения батареи гибридной установки P — низкий уровень сигнала |
| P0B89 | Датчик напряжения батареи гибридной установки P — высокий уровень сигнала |
| P0B8A | Датчик напряжения батареи гибридной установки P — ненадежный/пропадающий контакт электрической цепи |
| P0B8B | Датчик напряжения батареи гибридной установки Q — неисправность электрической цепи |
| P0B8C | Датчик напряжения батареи гибридной установки Q — диапазон/функционирование |
| P0B8D | Датчик напряжения батареи гибридной установки Q — низкий уровень сигнала |
| P0B8E | Датчик напряжения батареи гибридной установки Q — высокий уровень сигнала |
| P0B8F | Датчик напряжения батареи гибридной установки Q — ненадежный/пропадающий контакт электрической цепи |
| P0B90 | Датчик напряжения батареи гибридной установки R — неисправность электрической цепи |
| P0B91 | Датчик напряжения батареи гибридной установки R — диапазон/функционирование |
| P0B92 | Датчик напряжения батареи гибридной установки R — низкий уровень сигнала |
| P0B93 | Датчик напряжения батареи гибридной установки R — высокий уровень сигнала |
| P0B94 | Датчик напряжения батареи гибридной установки R — ненадежный/пропадающий контакт электрической цепи |
| P0B95 | Датчик напряжения батареи гибридной установки S — неисправность электрической цепи |
| P0B96 | Датчик напряжения батареи гибридной установки S — диапазон/функционирование |
| P0B97 | Датчик напряжения батареи гибридной установки S — низкий уровень сигнала |
| P0B98 | Датчик напряжения батареи гибридной установки S — высокий уровень сигнала |
| P0B99 | Датчик напряжения батареи гибридной установки S — ненадежный/пропадающий контакт электрической цепи |
| P0B9A | Датчик напряжения батареи гибридной установки T — неисправность электрической цепи |
| P0B9B | Датчик напряжения батареи гибридной установки T — диапазон/функционирование |
| P0B9C | Датчик напряжения батареи гибридной установки T — низкий уровень сигнала |
| P0B9D | Датчик напряжения батареи гибридной установки T — высокий уровень сигнала |
| P0B9E | Датчик напряжения батареи гибридной установки T — ненадежный/пропадающий контакт электрической цепи |
| P0B9F | Датчик напряжения батареи гибридной установки U — неисправность электрической цепи |
| P0BA0 | Датчик напряжения батареи гибридной установки U — диапазон/функционирование |
| P0BA1 | Датчик напряжения батареи гибридной установки U — низкий уровень сигнала |
| P0BA2 | Датчик напряжения батареи гибридной установки U — высокий уровень сигнала |
| P0BA3 | Датчик напряжения батареи гибридной установки U — ненадежный/пропадающий контакт электрической цепи |
| P0BA4 | Датчик напряжения батареи гибридной установки V — неисправность электрической цепи |
| P0BA5 | Датчик напряжения батареи гибридной установки V — диапазон/функционирование |
| P0BA6 | Датчик напряжения батареи гибридной установки V — низкий уровень сигнала |
| P0BA7 | Датчик напряжения батареи гибридной установки V — высокий уровень сигнала |
| P0BA8 | Датчик напряжения батареи гибридной установки V — ненадежный/пропадающий контакт электрической цепи |
| P0BA9 | Датчик напряжения батареи гибридной установки W — неисправность электрической цепи |
| P0BAA | Датчик напряжения батареи гибридной установки W — диапазон/функционирование |
| P0BAB | Датчик напряжения батареи гибридной установки W — низкий уровень сигнала |
| P0BAC | Датчик напряжения батареи гибридной установки W — высокий уровень сигнала |
| P0BAD | Датчик напряжения батареи гибридной установки W — ненадежный/пропадающий контакт электрической цепи |
| P0BAE | Датчик напряжения батареи гибридной установки X — неисправность электрической цепи |
| P0BAF | Датчик напряжения батареи гибридной установки X — диапазон/функционирование |
| P0BB0 | Датчик напряжения батареи гибридной установки X — низкий уровень сигнала |
| P0BB1 | Датчик напряжения батареи гибридной установки X — высокий уровень сигнала |
| P0BB2 | Датчик напряжения батареи гибридной установки X — ненадежный/пропадающий контакт электрической цепи |
| P0BB3 | Датчик напряжения батареи гибридной установки Y — неисправность электрической цепи |
| P0BB4 | Датчик напряжения батареи гибридной установки Y — диапазон/функционирование |
| P0BB5 | Датчик напряжения батареи гибридной установки Y — низкий уровень сигнала |
| P0BB6 | Датчик напряжения батареи гибридной установки Y — высокий уровень сигнала |
| P0BB7 | Датчик напряжения батареи гибридной установки Y — ненадежный/пропадающий контакт электрической цепи |
| P0BB8 | Датчик напряжения батареи гибридной установки Z — неисправность электрической цепи |
| P0BB9 | Датчик напряжения батареи гибридной установки Z — диапазон/функционирование |
| P0BBA | Датчик напряжения батареи гибридной установки Z — низкий уровень сигнала |
| P0BBB | Датчик напряжения батареи гибридной установки Z — высокий уровень сигнала |
| P0BBC | Датчик напряжения батареи гибридной установки Z — ненадежный/пропадающий контакт электрической цепи |
| P0BBD | Батарея гибридной установки — достигнут предел изменения напряжения |
| P0BBE | Батарея гибридной установки — изменение напряжения |
| P0BBF | Батарея гибридной установки, вентилятор охлаждения — неисправность цепи питания |
| P0BC0 | Батарея гибридной установки, вентилятор охлаждения — низкое напряжение питания |
| P0BC1 | Батарея гибридной установки, вентилятор охлаждения — высокое напряжение питания |
| P0BC2 | Датчик температуры батареи гибридной установки E — неисправность электрической цепи |
| P0BC3 | Датчик температуры батареи гибридной установки E — диапазон/функционирование |
| P0BC4 | Датчик температуры батареи гибридной установки E — низкий уровень сигнала |
| P0BC5 | Датчик температуры батареи гибридной установки E — высокий уровень сигнала |
| P0BC6 | Датчик температуры батареи гибридной установки E — ненадежный/пропадающий контакт электрической цепи |
| P0BC7 | Батарея гибридной установки, датчик вентилятора охлаждения — обрыв цепи |
| P0BC8 | Батарея гибридной установки, датчик вентилятора охлаждения — диапазон/функционирование |
| P0BC9 | Батарея гибридной установки, датчик вентилятора охлаждения — низкий уровень сигнала |
| P0BCA | Батарея гибридной установки, датчик вентилятора охлаждения — высокий уровень сигнала |
| P0BCB | Батарея гибридной установки, датчик вентилятора охлаждения — ненадежный/пропадающий контакт электрической цепи |
| P0BCC | Датчик температуры генератора — неисправность электрической цепи |
| P0BCD | Датчик температуры инвертера генератора — диапазон/функционирование |
| P0BCE | Датчик температуры инвертера генератора — низкий уровень сигнала |
| P0BCF | Датчик температуры генератора — высокий уровень сигнала |
| P0BD0 | Датчик температуры инвертера генератора — пропадающий/хаотичный сигнал |
| P0BD1 | Датчик температуры инвертера тягового электродвигателя C — неисправность электрической цепи |
| P0BD2 | Датчик температуры инвертера тягового электродвигателя C — диапазон/функционирование |
| P0BD3 | Датчик температуры инвертера тягового электродвигателя C — низкий уровень сигнала |
| P0BD4 | Датчик температуры инвертера тягового электродвигателя C — высокий уровень сигнала |
| P0BD5 | Датчик температуры инвертера тягового электродвигателя C — ненадежный/пропадающий контакт электрической цепи |
| P0BD6 | Датчик температуры инвертера тягового электродвигателя D — неисправность электрической цепи |
| P0BD7 | Датчик температуры инвертера тягового электродвигателя D — диапазон/функционирование |
| P0BD8 | Датчик температуры инвертера тягового электродвигателя D — низкий уровень сигнала |
| P0BD9 | Датчик температуры инвертера тягового электродвигателя D — высокий уровень сигнала |
| P0BDA | Датчик температуры инвертера тягового электродвигателя D — ненадежный/пропадающий контакт электрической цепи |
| P0BDB | Датчик температуры инвертера тягового электродвигателя E — неисправность электрической цепи |
| P0BDC | Датчик температуры инвертера тягового электродвигателя E — диапазон/функционирование |
| P0BDD | Датчик температуры инвертера тягового электродвигателя E — низкий уровень сигнала |
| P0BDE | Датчик температуры инвертера тягового электродвигателя E — высокий уровень сигнала |
| P0BDF | Датчик температуры инвертера тягового электродвигателя E — ненадежный/пропадающий контакт электрической цепи |
| P0BE0 | Датчик температуры инвертера тягового электродвигателя F — неисправность электрической цепи |
| P0BE1 | Датчик температуры инвертера тягового электродвигателя F — диапазон/функционирование |
| P0BE2 | Датчик температуры инвертера тягового электродвигателя F — низкий уровень сигнала |
| P0BE3 | Датчик температуры инвертера тягового электродвигателя F — высокий уровень сигнала |
| P0BE4 | Датчик температуры инвертера тягового электродвигателя F — ненадежный/пропадающий контакт электрической цепи |
| P0BE5 | Тяговый электродвигатель A, датчик тока фазы U — неисправность электрической цепи |
| P0BE6 | Тяговый электродвигатель A, датчик тока фазы U — диапазон/функционирование |
| P0BE7 | Тяговый электродвигатель A, датчик тока фазы U — низкий уровень сигнала |
| P0BE8 | Тяговый электродвигатель A, датчик тока фазы U — высокий уровень сигнала |
| P0BE9 | Тяговый электродвигатель A, датчик тока фазы V — неисправность электрической цепи |
| P0BEA | Тяговый электродвигатель A, датчик тока фазы V — диапазон/функционирование |
| P0BEB | Тяговый электродвигатель A, датчик тока фазы V — низкий уровень сигнала |
| P0BEC | Тяговый электродвигатель A, датчик тока фазы V — высокий уровень сигнала |
| P0BED | Тяговый электродвигатель A, датчик тока фазы W — неисправность электрической цепи |
| P0BEE | Тяговый электродвигатель A, датчик тока фазы W — диапазон/функционирование |
| P0BEF | Тяговый электродвигатель A, датчик тока фазы W — низкий уровень сигнала |
| P0BF0 | Тяговый электродвигатель A, датчик тока фазы W — высокий уровень сигнала |
| P0BF1 | Тяговый электродвигатель B, датчик тока фазы U — неисправность электрической цепи |
| P0BF2 | Тяговый электродвигатель B, датчик тока фазы U — диапазон/функционирование |
| P0BF3 | Тяговый электродвигатель B, датчик тока фазы U — низкий уровень сигнала |
| P0BF4 | Тяговый электродвигатель B, датчик тока фазы U — высокий уровень сигнала |
| P0BF5 | Тяговый электродвигатель B, датчик тока фазы V — неисправность электрической цепи |
| P0BF6 | Тяговый электродвигатель B, датчик тока фазы V — диапазон/функционирование |
| P0BF7 | Тяговый электродвигатель B, датчик тока фазы V — низкий уровень сигнала |
| P0BF8 | Тяговый электродвигатель B, датчик тока фазы V — высокий уровень сигнала |
| P0BF9 | Тяговый электродвигатель B, датчик тока фазы W — неисправность электрической цепи |
| P0BFA | Тяговый электродвигатель B, датчик тока фазы W — диапазон/функционирование |
| P0BFB | Тяговый электродвигатель B, датчик тока фазы W — низкий уровень сигнала |
| P0BFC | Тяговый электродвигатель B, датчик тока фазы W — высокий уровень сигнала |
| P0BFD | Тяговый электродвигатель A, датчик тока фазы U/V/W — корреляция |
| P0BFE | Тяговый электродвигатель B, датчик тока фазы U/V/W — корреляция |
| P0BFF | Тяговый электродвигатель A — некорректный ток |
| P0C00 | Тяговый электродвигатель A — низкий ток |
| P0C01 | Тяговый электродвигатель A — высокий ток |
| P0C02 | Тяговый электродвигатель B — некорректный ток |
| P0C03 | Тяговый электродвигатель B — низкий ток |
| P0C04 | Тяговый электродвигатель B — высокий ток |
| P0C05 | Тяговый электродвигатель A, фаза U/V/W — обрыв цепи |
| P0C06 | Тяговый электродвигатель A, фаза U/V/W — низкий уровень сигнала |
| P0C07 | Тяговый электродвигатель A, фаза U/V/W — высокий уровень сигнала |
| P0C08 | Тяговый электродвигатель B, фаза U/V/W — обрыв цепи |
| P0C09 | Тяговый электродвигатель B, фаза U/V/W — низкий уровень сигнала |
| P0C0A | Тяговый электродвигатель B, фаза U/V/W — высокий уровень сигнала |
| P0C0B | Тяговый электродвигатель A, инвертер — неисправность цепи питания |
| P0C0C | Тяговый электродвигатель A, инвертер — низкий уровень сигнала в цепи питания |
| P0C0D | Тяговый электродвигатель A, инвертер — высокий уровень сигнала в цепи питания |
| P0C0E | Тяговый электродвигатель B, инвертер — неисправность цепи питания |
| P0C0F | Тяговый электродвигатель B, инвертер — низкий уровень сигнала в цепи питания |
| P0C10 | Тяговый электродвигатель B, инвертер — высокий уровень сигнала в цепи питания |
| P0C11 | Тяговый электродвигатель A, инвертер, фаза U — перегрев |
| P0C12 | Тяговый электродвигатель A, инвертер, фаза V — перегрев |
| P0C13 | Тяговый электродвигатель A, инвертер, фаза W — перегрев |
| P0C14 | Тяговый электродвигатель B, инвертер, фаза U — перегрев |
| P0C15 | Тяговый электродвигатель B, инвертер, фаза V — перегрев |
| P0C16 | Тяговый электродвигатель B, инвертер, фаза W — перегрев |
| P0C17 | Датчик положения тягового электродвигателя A — калибровка не выполнена |
| P0C18 | Датчик положения тягового электродвигателя B — калибровка не выполнена |
| P0C19 | Тяговый электродвигатель A — передача крутящего момента |
| P0C1A | Тяговый электродвигатель B — передача крутящего момента |
| P0C1B | Дополнительный насос рабочей жидкости трансмиссии, блок управления — слишком высокая внутренняя температура |
| P0C1C | Дополнительный насос рабочей жидкости трансмиссии, блок управления, датчик внутренней температуры — неисправность электрической цепи |
| P0C1D | Дополнительный насос рабочей жидкости трансмиссии, блок управления, датчик внутренней температуры — диапазон/функционирование |
| P0C1E | Дополнительный насос рабочей жидкости трансмиссии, блок управления, датчик внутренней температуры — низкий уровень сигнала |
| P0C1F | Дополнительный насос рабочей жидкости трансмиссии, блок управления, датчик внутренней температуры — высокий уровень сигнала |
| P0C20 | Дополнительный насос рабочей жидкости трансмисии, фаза U/V/W — обрыв цепи |
| P0C21 | Дополнительный насос рабочей жидкости трансмисии, фаза U/V/W — низкий уровень сигнала |
| P0C22 | Дополнительный насос рабочей жидкости трансмисии, фаза U/V/W — высокий уровень сигнала |
| P0C23 | Дополнительный насос рабочей жидкости трансмисии, блок управления — обрыв цепи |
| P0C24 | Дополнительный насос рабочей жидкости трансмисии, блок управления — низкий уровень сигнала |
| P0C25 | Дополнительный насос рабочей жидкости трансмисии, блок управления — высокий уровень сигнала |
| P0C26 | Электродвигатель дополнительного насоса рабочей жидкости трансмиссии — нет тока |
| P0C27 | Электродвигатель дополнительного насоса рабочей жидкости трансмиссии — низкий ток |
| P0C28 | Электродвигатель дополнительного насоса рабочей жидкости трансмиссии — высокий ток |
| P0C29 | Электродвигатель дополнительного насоса рабочей жидкости трансмиссии, цепь усилителя — неисправность электрической цепи |
| P0C2A | Электродвигатель дополнительного насоса рабочей жидкости трансмиссии — электродвигатель остановился |
| P0C2B | Дополнительный насос рабочей жидкости трансмиссии, блок управления — неисправность контрольной цепи |
| P0C2C | Дополнительный насос рабочей жидкости трансмиссии, блок управления — диапазон/функционирование контрольной цепи |
| P0C2D | Дополнительный насос рабочей жидкости трансмисии, блок управления — низкий уровень сигнала контрольной цепи |
| P0C2E | Дополнительный насос рабочей жидкости трансмисии, блок управления — высокий уровень сигнала контрольной цепи |
| P0C2F | Внутренний блок управления, тяговый двигатель / генератор, датчик частоты вращения коленчатого вала — функционирование |
| P0C30 | Батарея гибридной установки — высокий уровень зарядки |
| P0C31 | Инвертер B, система охлаждения — функционирование |
| P0C32 | Батерея гибридной установки, система охлаждения — функционирование |
| P0C33 | Датчик температуры батареи гибридной установки F — неисправность электрической цепи |
| P0C34 | Датчик температуры батареи гибридной установки F — диапазон/функционирование |
| P0C35 | Датчик температуры батареи гибридной установки F — низкий уровень сигнала |
| P0C36 | Датчик температуры батареи гибридной установки F — высокий уровень сигнала |
| P0C37 | Датчик температуры батареи гибридной установки F — ненадежный/пропадающий контакт электрической цепи |
| P0C38 | Датчик температуры DC/DC конвертера A — неисправность электрической цепи |
| P0C39 | Датчик температуры DC/DC конвертера A — диапазон/функционирование |
| P0C3A | Датчик температуры DC/DC конвертера A — низкий уровень сигнала |
| P0C3B | Датчик температуры DC/DC конвертера A — высокий уровень сигнала |
| P0C3C | Датчик температуры DC/DC конвертера A — ненадежный/пропадающий контакт электрической цепи |
| P0C3D | Датчик температуры DC/DC конвертера B — неисправность электрической цепи |
| P0C3E | Датчик температуры DC/DC конвертера B — диапазон/функционирование |
| P0C3F | Датчик температуры DC/DC конвертера B — низкий уровень сигнала |
| P0C40 | Датчик температуры DC/DC конвертера B — высокий уровень сигнала |
| P0C41 | Датчик температуры DC/DC конвертера B — ненадежный/пропадающий контакт электрической цепи |
| P0C42 | Датчик температуры охлаждающей жидкости батареи гибридной установки — неисправность электрической цепи |
| P0C43 | Датчик температуры охлаждающей жидкости батареи гибридной установки — диапазон/функционирование |
| P0C44 | Датчик температуры охлаждающей жидкости батареи гибридной установки — низкий уровень сигнала |
| P0C45 | Датчик температуры охлаждающей жидкости батареи гибридной установки — высокий уровень сигнала |
| P0C46 | Датчик температуры охлаждающей жидкости батареи гибридной установки — ненадежный/пропадающий контакт электрической цепи |
| P0C47 | Батарея гибридной установки, управление насосом охлаждающей жидкости — обрыв цепи |
| P0C48 | Батарея гибридной установки, управление насосом охлаждающей жидкости — низкий уровень сигнала |
| P0C49 | Батарея гибридной установки, управление насосом охлаждающей жидкости — высокий уровень сигнала |
| P0C4A | Батарея гибридной установки, управление насосом охлаждающей жидкости — функционирование |
| P0C4B | Батарея гибридной установки, насос охлаждающей жидкости — нет напряжения питания |
| P0C4C | Батарея гибридной установки, насос охлаждающей жидкости — низкое напряжение питания |
| P0C4D | Батарея гибридной установки, насос охлаждающей жидкости — высокое напряжение питания |
| P0C4E | Тяговый электродвигатель A — достигнут предел адаптации по положению |
| P0C4F | Тяговый электродвигатель B — достигнут предел адаптации по положению |
| P0C50 | Датчик положения тягового электродвигателя A, цепь A — неисправность электрической цепи |
| P0C51 | Датчик положения тягового электродвигателя A, цепь A — диапазон/функционирование |
| P0C52 | Датчик положения тягового электродвигателя A, цепь A — низкий уровень сигнала |
| P0C53 | Датчик положения тягового электродвигателя A, цепь A — высокий уровень сигнала |
| P0C54 | Датчик положения тягового электродвигателя A, цепь A — ненадежный/пропадающий контакт электрической цепи |
| P0C55 | Датчик положения тягового электродвигателя B, цепь A — неисправность электрической цепи |
| P0C56 | Датчик положения тягового электродвигателя B, цепь A — диапазон/функционирование |
| P0C57 | Датчик положения тягового электродвигателя B, цепь A — низкий уровень сигнала |
| P0C58 | Датчик положения тягового электродвигателя B, цепь A — высокий уровень сигнала |
| P0C59 | Датчик положения тягового электродвигателя B, цепь A — ненадежный/пропадающий контакт электрической цепи |
| P0C5A | Датчик положения тягового электродвигателя B, цепь A — неисправность электрической цепи |
| P0C5B | Датчик положения тягового электродвигателя B, цепь A — диапазон/функционирование |
| P0C5C | Датчик положения тягового электродвигателя B, цепь A — низкий уровень сигнала |
| P0C5D | Датчик положения тягового электродвигателя A, цепь B — высокий уровень сигнала |
| P0C5E | Датчик положения тягового электродвигателя A, цепь B — ненадежный/пропадающий контакт электрической цепи |
| P0C5F | Датчик положения тягового электродвигателя B, цепь B — неисправность электрической цепи |
| P0C60 | Датчик положения тягового электродвигателя B, цепь B — диапазон/функционирование |
| P0C61 | Датчик положения тягового электродвигателя B, цепь B — низкий уровень сигнала |
| P0C62 | Датчик положения тягового электродвигателя B, цепь B — высокий уровень сигнала |
| P0C63 | Датчик положения тягового электродвигателя B, цепь B — ненадежный/пропадающий контакт электрической цепи |
| P0C64 | Датчик положения генератора, цепь A — неисправность электрической цепи |
| P0C65 | Датчик положения генератора, цепь A — диапазон/функционирование |
| P0C66 | Датчик положения генератора, цепь A — низкий уровень сигнала |
| P0C67 | Датчик положения генератора, цепь A — высокий уровень сигнала |
| P0C68 | Датчик положения генератора, цепь A — ненадежный/пропадающий контакт электрической цепи |
| P0C69 | Датчик положения генератора, цепь B — неисправность электрической цепи |
| P0C6A | Датчик положения генератора, цепь B — диапазон/функционирование |
| P0C6B | Датчик положения генератора, цепь B — низкий уровень сигнала |
| P0C6C | Датчик положения генератора, цепь B — высокий уровень сигнала |
| P0C6D | Датчик положения генератора, цепь B — ненадежный/пропадающий контакт электрической цепи |
| P0C6E | Датчик температуры батареи гибридной установки A/B — корреляция |
| P0C6F | Датчик температуры батареи гибридной установки B/C — корреляция |
| P0C70 | Датчик температуры батареи гибридной установки C/D — корреляция |
| P0C71 | Датчик температуры батареи гибридной установки D/E — корреляция |
| P0C72 | Датчик температуры батареи гибридной установки E/F — корреляция |
| P0C73 | Насос охлаждающей жидкости конвертера напряжения A, управление — функционирование |
| P0C74 | Насос охлаждающей жидкости конвертера напряжения B, управление — функционирование |
| P0C75 | Система батареи гибридной установки — слишком короткое время разрядки |
| P0C76 | Система батареи гибридной установки — слишком длительное время разрядки |
| P0C77 | Система батареи гибридной установки — слишком короткое время предварительной зарядки |
| P0C78 | Система батареи гибридной установки — слишком длительное время предварительной зарядки |
| P0C79 | Тяговый электродвигатель A, инвертер — слишком высокое напряжение |
| P0C7A | Тяговый электродвигатель B, инвертер — слишком высокое напряжение |
| P0C7B | Инвертер генератора — слишком высокое напряжение |
| P0C7C | Датчик температуры батареи гибридной установки G — неисправность электрической цепи |
| P0C7D | Датчик температуры батареи гибридной установки G — диапазон/функционирование |
| P0C7E | Датчик температуры батареи гибридной установки G — низкий уровень сигнала |
| P0C7F | Датчик температуры батареи гибридной установки G — высокий уровень сигнала |
| P0C80 | Датчик температуры батареи гибридной установки G — ненадежный/пропадающий контакт электрической цепи |
| P0C81 | Датчик температуры батареи гибридной установки H — неисправность электрической цепи |
| P0C82 | Датчик температуры батареи гибридной установки H — диапазон/функционирование |
| P0C83 | Датчик температуры батареи гибридной установки H — низкий уровень сигнала |
| P0C84 | Датчик температуры батареи гибридной установки H — высокий уровень сигнала |
| P0C85 | Датчик температуры батареи гибридной установки H — ненадежный/пропадающий контакт электрической цепи |
| P0C86 | Датчик температуры батареи гибридной установки F/G — корреляция |
| P0C87 | Датчик температуры батареи гибридной установки G/H — корреляция |
| P0C88 | Датчик температуры батареи гибридной установки I — неисправность электрической цепи |
| P0C89 | Датчик температуры батареи гибридной установки I — диапазон/функционирование |
| P0C8A | Датчик температуры батареи гибридной установки I — низкий уровень сигнала |
| P0C8B | Датчик температуры батареи гибридной установки I — высокий уровень сигнала |
| P0C8C | Датчик температуры батареи гибридной установки I — ненадежный/пропадающий контакт электрической цепи |
| P0C8D | Датчик температуры батареи гибридной установки J — неисправность электрической цепи |
| P0C8E | Датчик температуры батареи гибридной установки J — диапазон/функционирование |
| P0C8F | Датчик температуры батареи гибридной установки J — низкий уровень сигнала |
| P0C90 | Датчик температуры батареи гибридной установки J — высокий уровень сигнала |
| P0C91 | Датчик температуры батареи гибридной установки J — ненадежный/пропадающий контакт электрической цепи |
| P0C92 | Датчик температуры батареи гибридной установки K — неисправность электрической цепи |
| P0C93 | Датчик температуры батареи гибридной установки K — диапазон/функционирование |
| P0C94 | Датчик температуры батареи гибридной установки K — низкий уровень сигнала |
| P0C95 | Датчик температуры батареи гибридной установки K — высокий уровень сигнала |
| P0C96 | Датчик температуры батареи гибридной установки K — ненадежный/пропадающий контакт электрической цепи |
| P0C97 | Датчик температуры батареи гибридной установки L — неисправность электрической цепи |
| P0C98 | Датчик температуры батареи гибридной установки L — диапазон/функционирование |
| P0C99 | Датчик температуры батареи гибридной установки L — низкий уровень сигнала |
| P0C9A | Датчик температуры батареи гибридной установки L — высокий уровень сигнала |
| P0C9B | Датчик температуры батареи гибридной установки L — ненадежный/пропадающий контакт электрической цепи |
| P0C9C | Датчик тока силового модуля (14 В) B — неисправность электрической цепи |
| P0C9D | Датчик тока силового модуля (14 В) B — диапазон/функционирование |
| P0C9E | Датчик тока силового модуля (14 В) B — низкий уровень сигнала |
| P0C9F | Датчик тока силового модуля (14 В) B — высокий уровень сигнала |
| P0CA0 | Датчик тока силового модуля (14 В) B — ненадежный контакт электрической цепи |
| P0CA1 | Блок управления тяговым электродвигателем — запрос активации индикатора неисправности |
| P0CA2 | DC/DC конвертер, понижение напряжения — функционирование |
| P0CA3 | DC/DC конвертер, повышение напряжения — функционирование |
| P0CA4 | Система батареи гибридной установки — слишком высокое напряжение зарядки |
| P0CA5 | Система батареи гибридной установки — слишком высокое напряжение разрядки |
| P0CA6 | Система батареи гибридной установки — слишком высокий ток зарядки |
| P0CA7 | Система батареи гибридной установки — слишком высокий ток разрядки |
| P0CA8 | Датчик температуры батареи гибридной установки M — неисправность электрической цепи |
| P0CA9 | Датчик температуры батареи гибридной установки M — диапазон/функционирование |
| P0CAA | Датчик температуры батареи гибридной установки M — низкий уровень сигнала |
| P0CAB | Датчик температуры батареи гибридной установки M — высокий уровень сигнала |
| P0CAC | Датчик температуры батареи гибридной установки M — ненадежный/пропадающий контакт электрической цепи |
| P0CAD | Датчик температуры батареи гибридной установки N — неисправность электрической цепи |
| P0CAE | Датчик температуры батареи гибридной установки N — диапазон/функционирование |
| P0CAF | Датчик температуры батареи гибридной установки N — низкий уровень сигнала |
| P0CB0 | Датчик температуры батареи гибридной установки N — высокий уровень сигнала |
| P0CB1 | Датчик температуры батареи гибридной установки N — ненадежный/пропадающий контакт электрической цепи |
| P0CB2 | Датчик температуры батареи гибридной установки O — неисправность электрической цепи |
| P0CB3 | Датчик температуры батареи гибридной установки O — диапазон/функционирование |
| P0CB4 | Датчик температуры батареи гибридной установки O — низкий уровень сигнала |
| P0CB5 | Датчик температуры батареи гибридной установки O — высокий уровень сигнала |
| P0CB6 | Датчик температуры батареи гибридной установки O — ненадежный/пропадающий контакт электрической цепи |
| P0CB7 | Датчик температуры батареи гибридной установки P — неисправность электрической цепи |
| P0CB8 | Датчик температуры батареи гибридной установки P — диапазон/функционирование |
| P0CB9 | Датчик температуры батареи гибридной установки P — низкий уровень сигнала |
| P0CBA | Датчик температуры батареи гибридной установки P — высокий уровень сигнала |
| P0CBB | Датчик температуры батареи гибридной установки P — ненадежный/пропадающий контакт электрической цепи |
| P2000 | Накопитель NOx, банк 1 — эффективность ниже требуемой |
| P2001 | Накопитель NOx, банк 2 — эффективность ниже требуемой |
| P2002 | Сажевый фильтр, банк 1 — эффективность ниже требуемой |
| P2003 | Сажевый фильтр, банк 2 — эффективность ниже требуемой |
| P2004 | Привод изменения геометрии впускного коллектора, банк 1 — привод завис в открытом положении |
| P2005 | Привод изменения геометрии впускного коллектора, банк 2 — привод завис в открытом положении |
| P2006 | Привод изменения геометрии впускного коллектора, банк 1 — привод завис в закрытом положении |
| P2007 | Привод изменения геометрии впускного коллектора, банк 2 — привод завис в закрытом положении |
| P2008 | Привод системы изменения геометрии впускного коллектора, банк 1 — обрыв цепи |
| P2009 | Привод системы изменения геометрии впускного коллектора, банк 1 — низкий уровень сигнала |
| P200A | Привод системы изменения геометрии впускного коллектора, банк 1 — проблемы функционирования |
| P200B | Привод системы изменения геометрии впускного коллектора, банк 2 — проблемы функционирования |
| P200C | Сажевый фильтр (дизель), банк 1 — состояние перегрева |
| P200D | Сажевый фильтр (дизель) (DPF), банк 2 — состояние перегрева |
| P200E | Каталитический нейтрализатор, банк 1 — состояние перегрева |
| P200F | Каталитический нейтрализатор, банк 2 — состояние перегрева |
| P2010 | Привод системы изменения геометрии впускного коллектора, банк 1 — высокий уровень сигнала |
| P2011 | Привод системы изменения геометрии впускного коллектора, банк 2 — обрыв цепи |
| P2012 | Привод системы изменения геометрии впускного коллектора, банк 2 — низкий уровень сигнала |
| P2013 | Привод системы изменения геометрии впускного коллектора, банк 2 — высокий уровень сигнала |
| P2014 | Датчик/выключатель положения привода системы изменения геометрии впускного коллектора, банк 1 — неисправность электрической цепи |
| P2015 | Датчик/выключатель положения привода системы изменения геометрии впускного коллектора, банк 1 — диапазон/функционирование |
| P2016 | Датчик/выключатель положения привода системы изменения геометрии впускного коллектора, банк 1 — низкий уровень сигнала |
| P2017 | Датчик/выключатель положения привода системы изменения геометрии впускного коллектора, банк 1 — высокий уровень сигнала |
| P2018 | Датчик/выключатель положения привода системы изменения геометрии впускного коллектора, банк 2 — ненадежный контакт электрической цепи |
| P2019 | Датчик/выключатель положения привода системы изменения геометрии впускного коллектора, банк 2 — неисправность электрической цепи |
| P201A | Форсунка восстановителя 1, банк 2 — диапазон/функционирование |
| P201B | Привод системы изменения геометрии впускного коллектора, банк 1 — низкое напряжение питания |
| P201C | Привод системы изменения геометрии впускного коллектора, банк 2 — низкое напряжение питания |
| P201D | Привод системы изменения геометрии впускного коллектора, банк 1 — внутренняя неисправность |
| P201E | Привод системы изменения геометрии впускного коллектора, банк 2 — внутренняя неисправность |
| P2020 | Датчик/выключатель положения привода системы изменения геометрии впускного коллектора, банк 2 — диапазон/функционирование |
| P2021 | Датчик/выключатель положения привода системы изменения геометрии впускного коллектора, банк 2 — низкий уровень сигнала |
| P2022 | Датчик/выключатель положения привода системы изменения геометрии впускного коллектора, банк 2 — высокий уровень сигнала |
| P2023 | Датчик/выключатель положения привода системы изменения геометрии впускного коллектора, банк 2 — пропадающий сигнал |
| P2024 | Система улавливания паров топлива, датчик температуры паров топлива — неисправность электрической цепи |
| P2025 | Система улавливания паров топлива, датчик температуры паров топлива — диапазон/функционирование |
| P2026 | Система улавливания паров топлива, датчик температуры паров топлива — низкое напряжение |
| P2027 | Система улавливания паров топлива, датчик температуры паров топлива — высокое напряжение |
| P2028 | Система улавливания паров топлива, датчик температуры паров топлива — ненадежный контакт электрической цепи |
| P2029 | Дополнительный нагреватель (топливного типа) — система отключена |
| P202A | Управление подогревателем бака восстановителя — обрыв цепи |
| P202B | Управление подогревателем бака восстановителя — низкий уровень сигнала |
| P202C | Управление подогревателем бака восстановителя — высокий уровень сигнала |
| P202D | Утечки восстановителя |
| P202E | Форсунка восстановителя — диапазон/функционирование |
| P202F | Управление подачей восстановителя — диапазон/функционирование |
| P2030 | Дополнительный нагреватель (топливного типа) — функционирование |
| P2031 | Датчик температуры отработавших газов 2, банк 1 — неисправность электрической цепи |
| P2032 | Датчик температуры отработавших газов 2, банк 1 — низкий уровень сигнала |
| P2033 | Датчик температуры отработавших газов 2, банк 1 — высокий уровень сигнала |
| P2034 | Датчик температуры отработавших газов 2, банк 2 — неисправность электрической цепи |
| P2035 | Датчик температуры отработавших газов 2, банк 2 — низкий уровень сигнала |
| P2036 | Датчик температуры отработавших газов 2, банк 2 — высокий уровень сигнала |
| P2037 | Датчик давления воздуха впрыска восстановителя — неисправность электрической цепи |
| P2038 | Датчик давления воздуха впрыска восстановителя — диапазон/функционирование |
| P2039 | Датчик давления воздуха впрыска восстановителя — низкий уровень входного сигнала |
| P203A | Датчик уровня восстановителя — неисправность электрической цепи |
| P203B | Датчик уровня восстановителя — диапазон/функционирование |
| P203C | Датчик уровня восстановителя — низкий уровень сигнала |
| P203D | Датчик уровня восстановителя — высокий уровень сигнала |
| P203E | Датчик уровня восстановителя — пропадающий/хаотичный сигнал |
| P203F | Уровень восстановителя — низкий |
| P2040 | Датчик давления воздуха впрыска восстановителя — высокий уровень входного сигнала |
| P2041 | Датчик давления воздуха впрыска восстановителя — ненадежный контакт электрической цепи |
| P2042 | Датчик температуры восстановителя — неисправность электрической цепи |
| P2043 | Датчик температуры восстановителя — диапазон/функционирование |
| P2044 | Датчик температуры восстановителя — низкий уровень входного сигнала |
| P2045 | Датчик температуры восстановителя — высокий уровень входного сигнала |
| P2046 | Датчик температуры восстановителя — ненадежный контакт электрической цепи |
| P2047 | Форсунка восстановителя 1, банк 1 — обрыв цепи |
| P2048 | Форсунка восстановителя 1, банк 1 — низкий уровень сигнала |
| P2049 | Форсунка восстановителя 1, банк 1 — высокий уровень сигнала |
| P204A | Датчик давления восстановителя — неисправность электрической цепи |
| P204B | Датчик давления восстановителя — диапазон/функционирование |
| P204C | Датчик давления восстановителя — низкий уровень сигнала |
| P204D | Датчик давления восстановителя — высокий уровень сигнала |
| P204E | Датчик давления восстановителя — пропадающий/хаотичный сигнал |
| P204F | Система восстановления, банк 1 — функционирование |
| P2050 | Форсунка восстановителя 1, банк 2 — обрыв цепи |
| P2051 | Форсунка восстановителя 1, банк 2 — низкий уровень сигнала |
| P2052 | Форсунка восстановителя 1, банк 2 — высокий уровень сигнала |
| P2053 | Форсунка восстановителя 2, банк 1 — обрыв цепи |
| P2054 | Форсунка восстановителя 2, банк 1 — низкий уровень сигнала |
| P2055 | Форсунка восстановителя 2, банк 1 — высокий уровень сигнала |
| P2056 | Форсунка восстановителя 2, банк 2 — обрыв цепи |
| P2057 | Форсунка восстановителя 2, банк 2 — низкий уровень сигнала |
| P2058 | Форсунка восстановителя 2, банк 2 — высокий уровень сигнала |
| P2059 | Насос подачи воздуха системы восстановления — обрыв цепи |
| P205A | Датчик температуры восстановителя — неисправность электрической цепи |
| P205B | Датчик температуры восстановителя — диапазон/функционирование |
| P205C | Датчик температуры восстановителя — низкий уровень сигнала |
| P205D | Датчик температуры восстановителя — высокий уровень сигнала |
| P205E | Датчик температуры восстановителя — пропадающий/хаотичный сигнал |
| P205F | Система восстановления, банк 2 — проблемы функционирования |
| P2060 | Насос подачи воздуха системы восстановления — низкий уровень сигнала |
| P2061 | Насос подачи воздуха системы восстановления — высокий уровень сигнала |
| P2062 | Управление подачей восстановителя — обрыв цепи |
| P2063 | Управление подачей восстановителя — низкий уровень сигнала |
| P2064 | Управление подачей восстановителя — высокий уровень сигнала |
| P2065 | Датчик указателя уровня топлива B — неисправность электрической цепи |
| P2066 | Датчик указателя уровня топлива B — функционирование |
| P2067 | Датчик указателя уровня топлива B — низкий уровень сигнала |
| P2068 | Датчик уровня топлива B — высокий уровень сигнала |
| P2069 | Датчик указателя уровня топлива B — ненадежный контакт электрической цепи |
| P206A | Датчик качества восстановителя — неисправность |
| P206B | Датчик качества восстановителя — проблемы диапазона/функционирования |
| P206C | Датчик качества восстановителя — низкий уровень сигнала |
| P206D | Датчик качества восстановителя — высокий уровень сигнала |
| P206E | Привод изменения геометрии впускного коллектора, банк 2 — привод завис в открытом положении |
| P206F | Привод изменения геометрии впускного коллектора, банк 2 — привод завис в закрытом положении |
| P2070 | Привод системы изменения геометрии впускного коллектора — привод завис в открытом положении |
| P2071 | Привод изменения геометрии впускного коллектора — привод завис в закрытом положении |
| P2072 | Система управления приводом дроссельной заслонки — заедание привода |
| P2073 | Датчик абсолютного давления во впускном коллекторе/датчик расхода воздуха (MAF) — положение дроссельной заслонки |
| P2074 | Датчик абсолютного давления во впускном коллекторе/датчик расхода воздуха (MAF) — положение дроссельной заслонки |
| P2075 | Датчик/выключатель положения привода системы изменения геометрии впускного коллектора — неисправность электрической цепи |
| P2076 | Датчик/выключатель положения привода системы впуска с изменяемой геометрией — диапазон/функционирование |
| P2077 | Датчик/выключатель положения привода системы изменения геометрии впускного коллектора — низкий уровень сигнала |
| P2078 | Датчик/выключатель положения привода системы изменения геометрии впускного коллектора — высокий уровень сигнала |
| P2079 | Датчик/выключатель положения привода системы изменения геометрии впускного коллектора — ненадежный контакт электрической цепи |
| P207A | Датчик/выключатель положения привода системы изменения геометрии впускного коллектора, банк 2 — неисправность электрической цепи |
| P207B | Датчик/выключатель положения привода системы изменения геометрии впускного коллектора, банк 2 — диапазон/функционирование |
| P207C | Датчик/выключатель положения привода системы изменения геометрии впускного коллектора, банк 2 — низкий уровень сигнала |
| P207D | Датчик/выключатель положения привода системы изменения геометрии впускного коллектора, банк 2 — высокий уровень сигнала |
| P207E | Датчик/выключатель положения привода системы изменения геометрии впускного коллектора, банк 2 — пропадающий сигнал |
| P207F | Качество восстановления — проблемы функционирования |
| P2080 | Датчик температуры отработавших газов 1, банк 1 — диапазон/функционирование |
| P2081 | Датчик температуры отработавших газов 1, банк 1 — ненадежный контакт электрической цепи |
| P2082 | Датчик температуры отработавших газов 1, банк 2 — диапазон/функционирование |
| P2083 | Датчик температуры отработавших газов 1, банк 2 — ненадежный контакт электрической цепи |
| P2084 | Датчик температуры отработавших газов 2, банк 1 — диапазон/функционирование |
| P2085 | Датчик температуры отработавших газов 2, банк 1 — ненадежный контакт электрической цепи |
| P2086 | Датчик температуры отработавших газов 2, банк 2 — диапазон/функционирование |
| P2087 | Датчик температуры отработавших газов 2, банк 2 — ненадежный контакт электрической цепи |
| P2088 | Привод А системы изменения фаз газораспределения, банк 1 — низкий уровень сигнала |
| P2089 | Привод А системы изменения фаз газораспределения, банк 1 — высокий уровень сигнала |
| P208A | Управление насосом восстановителя — обрыв цепи |
| P208B | Управление насосом восстановителя — диапазон/функционирование |
| P208C | Управление насосом восстановителя — низкий уровень сигнала |
| P208D | Управление насосом восстановителя — высокий уровень сигнала |
| P208E | Форсунка восстановителя 1, банк 1 — форсунка зависла в закрытом положении |
| P208F | Форсунка восстановителя 1, банк 2 — форсунка зависла в закрытом положении |
| P2090 | Привод B системы изменения фаз газораспределения, банк 1 — низкий уровень сигнала |
| P2091 | Привод B системы изменения фаз газораспределения, банк 1 — высокий уровень сигнала |
| P2092 | Привод А системы изменения фаз газораспределения, банк 2 — низкий уровень сигнала |
| P2093 | Привод А системы изменения фаз газораспределения, банк 2 — высокий уровень сигнала |
| P2094 | Привод B системы изменения фаз газораспределения, банк 2 — низкий уровень сигнала |
| P2095 | Привод B системы изменения фаз газораспределения, банк 2 — высокий уровень сигнала |
| P2096 | Топливный баланс после каталитического нейтрализатора, банк 1 — слишком бедный |
| P2097 | Топливный баланс после каталитического нейтрализатора, банк 1 — слишком богатый |
| P2098 | Топливный баланс после каталитического нейтрализатора, банк 2 — слишком бедный |
| P2099 | Топливный баланс после каталитического нейтрализатора, банк 2 — слишком богатый |
| P209A | Датчик В давления воздуха впрыска восстановителя — неисправность электрической цепи |
| P209B | Датчик В давления воздуха впрыска восстановителя — диапазон/функционирование |
| P209C | Датчик В давления воздуха впрыска восстановителя — низкий уровень сигнала |
| P209D | Датчик В давления воздуха впрыска восстановителя — высокий уровень сигнала |
| P209E | Датчик А/В давления воздуха впрыска восстановителя — корреляция |
| P209F | Управление подогревателем бака восстановителя — проблемы функционирования |
| P20A0 | Клапан управления очисткой восстановителя — обрыв цепи |
| P20A1 | Клапан управления очисткой восстановителя — проблемы функционирования |
| P20A2 | Клапан управления очисткой восстановителя — низкий уровень сигнала |
| P20A3 | Клапан управления очисткой восстановителя — высокий уровень сигнала |
| P20A4 | Клапан управления очисткой восстановителя — клапан завис в открытом положении |
| P20A5 | Клапан управления очисткой восстановителя — клапан завис в закрытом положении |
| P20A6 | Клапан управления давлением воздуха впрыска восстановителя — обрыв цепи |
| P20A7 | Клапан управления давлением воздуха впрыска восстановителя — проблемы функционирования |
| P20A8 | Клапан управления давлением воздуха впрыска восстановителя — низкий уровень сигнала |
| P20A9 | Клапан управления давлением воздуха впрыска восстановителя — высокий уровень сигнала |
| P20AA | Клапан управления давлением воздуха впрыска восстановителя — клапан завис в открытом положении |
| P20AB | Клапан управления давлением воздуха впрыска восстановителя — клапан завис в закрытом положении |
| P20AC | Датчик температуры блока измерения расхода восстановителя — неисправность электрической цепи |
| P20AD | Датчик температуры блока измерения расхода восстановителя — диапазон/функционирование цепи |
| P20AE | Датчик температуры блока измерения расхода восстановителя — низкий уровень сигнала |
| P20AF | Датчик температуры блока измерения расхода восстановителя — высокий уровень сигнала |
| P20B0 | Датчик температуры блока измерения расхода восстановителя — пропадающий/хаотичный сигнал |
| P20B1 | Клапан управления охлаждением подогревателя восстановителя — обрыв цепи |
| P20B2 | Клапан управления охлаждением подогревателя восстановителя — проблемы функционирования |
| P20B3 | Клапан управления охлаждением подогревателя восстановителя — низкий уровень сигнала |
| P20B4 | Клапан управления охлаждением подогревателя восстановителя — высокий уровень сигнала |
| P20B5 | Управление подогревателем блока измерения расхода восстановителя — обрыв цепи |
| P20B6 | Подогреватель блока измерения расхода восстановителя — проблемы функционирования управления |
| P20B7 | Подогреватель блока измерения расхода восстановителя — низкий уровень сигнала управления |
| P20B8 | Подогреватель блока измерения расхода восстановителя — высокий уровень сигнала управления |
| P20B9 | Управление А подогревателем восстановителя — обрыв цепи |
| P20BA | Управление А подогревателем восстановителя — проблемы функционирования цепи |
| P20BB | Управление А подогревателем восстановителя — низкий уровень сигнала |
| P20BC | Управление А подогревателем восстановителя — высокий уровень сигнала |
| P20BD | Управление В подогревателем восстановителя — обрыв цепи |
| P20BE | Управление В подогревателем восстановителя — проблемы функционирования |
| P20BF | Управление В подогревателем восстановителя — низкий уровень сигнала |
| P20C0 | Управление В подогревателем восстановителя — высокий уровень сигнала |
| P20C1 | Управление С подогревателем восстановителя — обрыв цепи |
| P20C2 | Управление С подогревателем восстановителя — проблемы функционирования |
| P20C3 | Управление С подогревателем восстановителя — низкий уровень сигнала |
| P20C4 | Управление С подогревателем восстановителя — высокий уровень сигнала |
| P20C5 | Управление D подогревателем восстановителя — обрыв цепи |
| P20C6 | Управление D подогревателем восстановителя — проблемы функционирования |
| P20C7 | Управление D подогревателем восстановителя — низкий уровень сигнала |
| P20C8 | Управление D подогревателем восстановителя — высокий уровень сигнала |
| P20C9 | Блок управления системой восстановителя — запрос активации индикатора неисправности двигателя |
| P20CA | Давление воздуха впрыска восстановителя — утечки |
| P20CB | Система очистки отработавших газов, топливная форсунка А — обрыв управляющей цепи |
| P20CC | Система очистки отработавших газов, топливная форсунка А — проблемы функционирования |
| P20CD | Система очистки отработавших газов, топливная форсунка А — низкий уровень сигнала управляющей цепи |
| P20CE | Система очистки отработавших газов, топливная форсунка А — высокий уровень сигнала управляющей цепи |
| P20CF | Система очистки отработавших газов, топливная форсунка А — форсунка зависла в открытом положении |
| P20D0 | Система очистки отработавших газов, топливная форсунка А — форсунка зависла в закрытом положении |
| P20D1 | Система очистки отработавших газов, топливная форсунка B — обрыв управляющей цепи |
| P20D2 | Система очистки отработавших газов, топливная форсунка B — проблемы функционирования |
| P20D3 | Система очистки отработавших газов, топливная форсунка B — низкий уровень сигнала управляющей цепи |
| P20D4 | Система очистки отработавших газов, топливная форсунка B — высокий уровень сигнала управляющей цепи |
| P20D5 | Система очистки отработавших газов, топливная форсунка B — форсунка зависла в открытом положении |
| P20D6 | Отработавшие газы после форсунки В очищенного топлива — форсунка зависла в закрытом положении |
| P20D7 | Система очистки отработавших газов, управление подачей топлива — обрыв цепи |
| P20D8 | Система очистки отработавших газов, управление подачей топлива — проблемы функционирования |
| P20D9 | Система очистки отработавших газов, управление подачей топлива — низкий уровень сигнала управляющей цепи |
| P20DA | Система очистки отработавших газов, управление подачей топлива — высокий уровень сигнала управляющей цепи |
| P20DB | Система очистки отработавших газов, управление подачей топлива — клапан завис в открытом положении |
| P20DC | Система очистки отработавших газов, управление подачей топлива — клапан завис в закрытом положении |
| P20DD | Система очистки отработавших газов, датчик давления топлива — неисправность цепи |
| P20DE | Система очистки отработавших газов, датчик давления топлива — диапазон/функционирование |
| P20DF | Система очистки отработавших газов, датчик давления топлива — низкий уровень сигнала |
| P20E0 | Система очистки отработавших газов, датчик давления топлива — высокий уровень сигнала |
| P20E1 | Система очистки отработавших газов, датчик давления топлива — пропадающий/хаотичный сигнал |
| P20E2 | Датчик 1/2 температуры отработавших газов, банк 1 — корреляция |
| P20E3 | Датчик 1/3 температуры отработавших газов, банк 1 — корреляция |
| P20E4 | Датчик 2/3 температуры отработавших газов, банк 1 — корреляция |
| P20E5 | Датчик 1/2 температуры отработавших газов, банк 2 — корреляция |
| P20E6 | Давление воздуха системы восстановления — слишком низкое |
| P20E7 | Давление воздуха системы восстановления — слишком высокое |
| P20E8 | Давление восстановителя — слишком низкое |
| P20E9 | Давление восстановителя — слишком высокое |
| P20EA | Реле блока управления системы восстановления — функционирование |
| P20EB | Реле блока управления системы восстановления — функционирование |
| P20EC | Датчик NOx, нейтрализатор, банк 1 — перегрев |
| P20ED | Датчик NOx, предварительный нейтрализатор, банк 1 — перегрев |
| P20EE | Датчик NOx, нейтрализатор, банк 1 — эффективность ниже требуемой |
| P20EF | Датчик NOx, предварительный нейтрализатор, банк 1 — эффективность ниже требуемой |
| P20F0 | Датчик NOx, нейтрализатор, банк 2 — перегрев |
| P20F1 | Датчик NOx, предварительный нейтрализатор, банк 2 — перегрев |
| P20F2 | Датчик NOx, нейтрализатор, банк 2 — эффективность ниже требуемой |
| P20F3 | Датчик NOx, предварительный нейтрализатор, банк 2 — эффективность ниже требуемой |
| P20F4 | Расход восстановителя — низкий |
| P20F5 | Расход восстановителя — высокий |
| P20F6 | Форсунка восстановителя 1, банк 1 — заедание клапана в открытом положении |
| P20F7 | Форсунка восстановителя 1, банк 2 — заедание клапана в открытом положении |
| P20F8 | Привод системы изменения геометрии впускного коллектора, банк 1 — функционирование |
| P20F9 | Привод системы изменения геометрии впускного коллектора, банк 2 — функционирование |
| P20FA | Насос восстановителя B — обрыв цепи |
| P20FB | Насос восстановителя B — диапазон/функционирование |
| P20FC | Насос восстановителя B — низкий уровень сигнала управляющей цепи |
| P20FD | Насос восстановителя B — высокий уровень сигнала управляющей цепи |
| P2100 | Электродвигатель привода дроссельной заслонки — обрыв цепи |
| P2101 | Электродвигатель привода дроссельной заслонки — диапазон/функционирование |
| P2102 | Электродвигатель привода дроссельной заслонки — низкий уровень сигнала |
| P2103 | Электродвигатель привода дроссельной заслонки — высокий уровень сигнала |
| P2104 | Система управления приводом дроссельной заслонки — принудительный холостой ход |
| P2105 | Система управления приводом дроссельной заслонки — принудительное глушение |
| P2106 | Система управления приводом дроссельной заслонки — принудительное ограничение мощности |
| P2107 | Блок управления приводом дроссельной заслонки — ошибка процессора |
| P2108 | Блок управления приводом дроссельной заслонки — функционирование |
| P2109 | Датчик А положения педали акселератора — минимальное ограничение |
| P210A | Блок В управления дроссельной заслонкой, управляющий электродвигатель — обрыв цепи |
| P210B | Блок В управления дроссельной заслонкой, управляющий электродвигатель — диапазон/функционирование |
| P210C | Блок В управления дроссельной заслонкой, управляющий электродвигатель — низкий уровень сигнала |
| P210D | Блок В управления дроссельной заслонкой, управляющий электродвигатель — высокий уровень сигнала |
| P210E | Датчик положения дроссельной заслонки / выключатель/датчик положения педали акселератора, напряжение C/F — корреляция |
| P210F | Система электронного управления дроссельной заслонкой — режим принудительного ограничения частоты вращения |
| P2110 | Система управления приводом дроссельной заслонки — принудительное ограничение оборотов |
| P2111 | Система управления приводом дроссельной заслонки — заедание привода в открытом положении |
| P2112 | Система управления приводом дроссельной заслонки — заедание привода в закрытом положении |
| P2113 | Датчик B положения педали акселератора — минимальное ограничение |
| P2114 | Датчик C положения педали акселератора — минимальное ограничение |
| P2115 | Датчик D положения педали акселератора — минимальное ограничение |
| P2116 | Датчик E положения педали акселератора — минимальное ограничение |
| P2117 | Датчик F положения педали акселератора — минимальное ограничение |
| P2118 | Привод дроссельной заслонки, ток электродвигателя — диапазон/функционирование |
| P2119 | Привод дроссельной заслонки, дроссельная заслонка — диапазон/функционирование |
| P211A | Система управления приводом дроссельной заслонки B — заедание привода в открытом положении |
| P211B | Система управления приводом дроссельной заслонки B — заедание привода в закрытом положении |
| P211C | Система электронного управления дроссельной заслонкой (ETS), ток электродвигателя — диапазон / функционирование |
| P211D | Система электронного управления дроссельной заслонкой (ETS), корпус дроссельной заслонки — диапазон / функционирование |
| P211E | Система управления приводом дроссельной заслонки B — ошибка процессора |
| P211F | Система электронного управления дроссельной заслонкой (ETS) — функционирование |
| P2120 | Датчик положения педали акселератора/выключатель D — неисправность электрической цепи |
| P2121 | Датчик положения педали акселератора/выключатель D — диапазон/функционирование |
| P2122 | Датчик положения педали акселератора/выключатель D — низкий уровень входного сигнала |
| P2123 | Датчик положения педали акселератора/выключатель D — высокий уровень входного сигнала |
| P2124 | Датчик положения педали акселератора/выключатель D — ненадежный контакт электрической цепи |
| P2125 | Датчик положения педали акселератора/выключатель E — неисправность электрической цепи |
| P2126 | Датчик положения педали акселератора/выключатель E — диапазон/функционирование |
| P2127 | Датчик положения педали акселератора/выключатель Е — низкий уровень входного сигнала |
| P2128 | Датчик положения педали акселератора/выключатель Е — высокий уровень входного сигнала |
| P2129 | Датчик положения педали акселератора/выключатель E — ненадежный контакт электрической цепи |
| P212A | Датчик положения дроссельной заслонки/выключатель G — неисправность электрической цепи |
| P212B | Датчик положения дроссельной заслонки/выключатель G — диапазон/функционирование |
| P212C | Датчик положения дроссельной заслонки/выключатель G — низкий уровень входного сигнала |
| P212D | Датчик положения дроссельной заслонки/выключатель G — высокий уровень входного сигнала |
| P212E | Датчик положения дроссельной заслонки/выключатель G — ненадежный контакт электрической цепи |
| P212F | Датчик положения дроссельной заслонки/выключатель F/G — корреляция напряжения |
| P2130 | Датчик положения педали акселератора/выключатель F — неисправность электрической цепи |
| P2131 | Датчик положения педали акселератора/выключатель F — диапазон/функционирование |
| P2132 | Датчик положения педали акселератора/выключатель F — низкий уровень входного сигнала |
| P2133 | Датчик положения педали акселератора/выключатель F — высокий уровень входного сигнала |
| P2134 | Датчик положения педали акселератора/выключатель F — ненадежный контакт электрической цепи |
| P2135 | Датчик положения педали акселератора/выключатель A/B — корреляция напряжения |
| P2136 | Датчик положения педали акселератора/выключатель A/C — корреляция напряжения |
| P2137 | Датчик положения педали акселератора/выключатель B/C — корреляция напряжения |
| P2138 | Датчик положения педали акселератора/выключатель D/Е — корреляция напряжения |
| P2139 | Датчик положения педали акселератора/выключатель D/F — корреляция напряжения |
| P213A | Заслонка (клапан) В системы рециркуляции ОГ (EGR) — обрыв цепи |
| P213B | Заслонка (клапан) В системы рециркуляции отработавших газов (EGR) — диапазон/функционирование управляющей цепи |
| P213C | Заслонка (клапан) В системы рециркуляции ОГ (EGR) — низкий уровень сигнала управления |
| P213D | Заслонка (клапан) В системы рециркуляции ОГ (EGR) — высокий уровень сигнала управления |
| P213E | Неисправность системы впрыска топлива — принудительная остановка двигателя |
| P213F | Неисправность системы топливного насоса — принудительная остановка двигателя |
| P2140 | Датчик положения педали акселератора/выключатель E/F — корреляция напряжения |
| P2141 | Управляющий клапан заслонки системы рециркуляции ОГ (EGR) — низкий уровень |
| P2142 | Управляющий клапан заслонки системы рециркуляции ОГ (EGR) — высокий уровень |
| P2143 | Система рециркуляции ОГ (EGR), управление вентиляцией — обрыв цепи |
| P2144 | Система рециркуляции ОГ (EGR), управление вентиляцией — низкий уровень сигнала |
| P2145 | Система рециркуляции ОГ (EGR), управление вентиляцией — высокий уровень сигнала |
| P2146 | Форсунки — группа A, напряжение питания — обрыв цепи |
| P2147 | Форсунки — группа A, напряжение питания — низкий уровень сигнала |
| P2148 | Форсунки — группа A, напряжение питания — высокий уровень сигнала |
| P2149 | Форсунки — группа B, напряжение питания — обрыв цепи |
| P2150 | Форсунки — группа B, напряжение питания — низкий уровень сигнала |
| P2151 | Форсунки — группа B, напряжение питания — высокий уровень сигнала |
| P2152 | Форсунки — группа C, напряжение питания — обрыв цепи |
| P2153 | Форсунки — группа C, напряжение питания — низкий уровень сигнала |
| P2154 | Форсунки — группа C, напряжение питания — высокий уровень сигнала |
| P2155 | Форсунки — группа D, напряжение питания — обрыв цепи |
| P2156 | Форсунки — группа D, напряжение питания — низкий уровень сигнала |
| P2157 | Форсунки — группа D, напряжение питания — высокий уровень сигнала |
| P2158 | Датчик скорости автомобиля B — неисправность электрической цепи |
| P2159 | Датчик скорости автомобиля B — диапазон/функционирование |
| P215A | Датчик скорости автомобиля / датчик частоты вращения колеса — корреляция |
| P215B | Датчик скорости автомобиля/датчик частоты вращения выходного вала — корреляция |
| P215C | Датчик скорости автомобиля/датчик частоты вращения выходного вала — корреляция |
| P2160 | Датчик скорости автомобиля B — низкий уровень сигнала |
| P2161 | Датчик скорости автомобиля B — ненадежный/пропадающий контакт электрической цепи |
| P2162 | Датчик скорости автомобиля A/B — корреляция |
| P2163 | Датчик А положения педали акселератора — максимальное ограничение |
| P2164 | Датчик B положения педали акселератора — максимальное ограничение |
| P2165 | Датчик C положения педали акселератора — максимальное ограничение |
| P2166 | Датчик D положения педали акселератора — максимальное ограничение |
| P2167 | Датчик D положения педали акселератора — максимальное ограничение |
| P2168 | Датчик F положения педали акселератора — максимальное ограничение |
| P2169 | Э/м клапан регулятора давления в системе рециркуляции ОГ (EGR) — обрыв цепи |
| P216A | Группа Е топливной форсунки, напряжение питания — обрыв цепи |
| P216B | Группа Е топливной форсунки, напряжение питания — низкое напряжение |
| P216C | Группа Е топливной форсунки, напряжение питания — высокое напряжение |
| P216D | Группа F топливной форсунки, напряжение питания — обрыв цепи |
| P216E | Группа F топливной форсунки, напряжение питания — низкое напряжение |
| P216F | Группа F топливной форсунки, напряжение питания — высокое напряжение |
| P2170 | Э/м клапан регулятора давления в системе рециркуляции ОГ (EGR) — низкий уровень сигнала |
| P2171 | Э/м клапан регулятора давления в системе рециркуляции ОГ (EGR) — высокий уровень сигнала |
| P2172 | Электродвигатель привода дроссельной заслонки — неожиданно большой расход воздуха |
| P2173 | Электродвигатель привода дроссельной заслонки — большой расход воздуха |
| P2174 | Электродвигатель привода дроссельной заслонки — неожиданно низкий расход воздуха |
| P2175 | Электродвигатель привода дроссельной заслонки — низкий расход воздуха |
| P2176 | Система управления приводом дроссельной заслонки — адаптация положения холостого хода не выполнена |
| P2177 | Слишком бедная топливовоздушная смесь, кроме холостого хода, банк 1 |
| P2178 | Слишком богатая топливовоздушная смесь, кроме холостого хода, банк 1 |
| P2179 | Слишком бедная топливовоздушная смесь, кроме холостого хода, банк 2 |
| P217A | Группа G топливной форсунки, напряжение питания — обрыв цепи |
| P217B | Группа G топливной форсунки, напряжение питания — низкий уровень сигнала |
| P217C | Группа G топливной форсунки, напряжение питания — высокий уровень сигнала |
| P217D | Группа H топливной форсунки, напряжение питания — обрыв цепи |
| P217E | Группа H топливной форсунки, напряжение питания — низкий уровень сигнала |
| P217F | Группа H топливной форсунки, напряжение питания — высокий уровень сигнала |
| P2180 | Слишком богатая топливовоздушная смесь, кроме холостого хода, банк 2 |
| P2181 | Работа системы охлаждения |
| P2182 | Датчик температуры охлаждающей жидкости 2 — неисправность цепи |
| P2183 | Датчик температуры охлаждающей жидкости 2 — диапазон/функционирование |
| P2184 | Датчик температуры охлаждающей жидкости 2 — низкий уровень сигнала |
| P2185 | Датчик температуры охлаждающей жидкости 2 — высокий уровень сигнала |
| P2186 | Датчик температуры охлаждающей жидкости — ненадежный/пропадающий контакт электрической цепи |
| P2187 | Слишком бедная топливовоздушная смесь, холостой ход, банк 1 |
| P2188 | Слишком богатая топливовоздушная смесь, холостой ход, банк 1 |
| P2189 | Слишком бедная топливовоздушная смесь, холостой ход, банк 2 |
| P218A | Система управления дроссельной заслонкой B — адаптация положения холостого хода не выполнена |
| P218B | Привод дроссельной заслонки/отсечка подачи топлива B — неисправность электрической цепи |
| P218C | Привод дроссельной заслонки/отсечка подачи топлива B — диапазон/функционирование |
| P218D | Привод дроссельной заслонки/отсечка подачи топлива B — низкий уровень сигнала |
| P218E | Привод дроссельной заслонки/отсечка подачи топлива B — высокий уровень сигнала |
| P2190 | Слишком богатая топливовоздушная смесь, холостой ход, банк 2 |
| P2191 | Слишком бедная топливовоздушная смесь, при высокой нагрузке, банк 1 |
| P2192 | Слишком богатая топливовоздушная смесь, при высокой нагрузке, банк 1 |
| P2193 | Слишком бедная топливовоздушная смесь, при высокой нагрузке, банк 2 |
| P2194 | Слишком богатая топливовоздушная смесь, при высокой нагрузке, банк 2 |
| P2195 | Подогреваемый кислородный датчик 1, банк 1 — сигнал постоянно бедной смеси |
| P2196 | Подогреваемый кислородный датчик 1, банк 1 — сигнал постоянно богатой смеси |
| P2197 | Подогреваемый кислородный датчик 1, банк 2 — сигнал постоянно бедной смеси |
| P2198 | Подогреваемый кислородный датчик 1, банк 2 — сигнал постоянно богатой смеси |
| P2199 | Датчик температуры воздуха на впуске 1/2 — корреляция |
| P219A | Управление составом смеси, банк 1 — значение выходит за установленный диапазон |
| P219B | Управление составом смеси, банк 2 — значение выходит за установленный диапазон |
| P219C | Управление составом смеси, цилиндр 1 — значение выходит за установленный диапазон |
| P219D | Управление составом смеси, цилиндр 2 — значение выходит за установленный диапазон |
| P219E | Управление составом смеси, цилиндр 3 — значение выходит за установленный диапазон |
| P219F | Управление составом смеси, цилиндр 4 — значение выходит за установленный диапазон |
| P21A0 | Управление составом смеси, цилиндр 5 — значение выходит за установленный диапазон |
| P21A1 | Управление составом смеси, цилиндр 6 — значение выходит за установленный диапазон |
| P21A2 | Управление составом смеси, цилиндр 7 — значение выходит за установленный диапазон |
| P21A3 | Управление составом смеси, цилиндр 8 — значение выходит за установленный диапазон |
| P21A4 | Управление составом смеси, цилиндр 9 — значение выходит за установленный диапазон |
| P21A5 | Управление составом смеси, цилиндр 10 — значение выходит за установленный диапазон |
| P21A6 | Управление составом смеси, цилиндр 11 — значение выходит за установленный диапазон |
| P21A7 | Управление составом смеси, цилиндр 12 — значение выходит за установленный диапазон |
| P2200 | Датчик NOx, банк 1 — неисправность электрической цепи |
| P2201 | Датчик NOx, банк 1 — диапазон/функционирование |
| P2202 | Датчик NOx, банк 1 — низкий уровень входного сигнала |
| P2203 | Датчик NOx, банк 1 — высокий уровень входного сигнала |
| P2204 | Датчик NOx, банк 1 — прерывистый входной сигнал |
| P2205 | Датчик NOx, банк 1, управление нагревателем — обрыв цепи |
| P2206 | Датчик NOx, банк 1, управление нагревателем — низкий уровень сигнала |
| P2207 | Датчик NOx, банк 1, управление нагревателем — высокий уровень сигнала |
| P2208 | Датчик NOx, банк 1, контроль нагревателя — неисправность |
| P2209 | Датчик NOx, банк 1, контроль нагревателя — диапазон/функционирование |
| P220A | Датчик NOx 1, банк 1 — неисправность цепи питания |
| P220B | Датчик NOx 2, банк 1 — неисправность цепи питания |
| P220C | Датчик NOx 1, банк 2 — неисправность цепи питания |
| P220D | Датчик NOx 2, банк 2 — неисправность цепи питания |
| P2210 | Датчик NOx, банк 1, контроль нагревателя — низкий уровень входного сигнала |
| P2211 | Датчик NOx, банк 1, контроль нагревателя — высокий уровень входного сигнала |
| P2212 | Датчик NOx, банк 1, контроль нагревателя — ненадежный контакт электрической цепи |
| P2213 | Датчик NOx, банк 2 — неисправность электрической цепи |
| P2214 | Датчик NOx, банк 2 — диапазон/функционирование |
| P2215 | Датчик NOx, банк 2 — низкий уровень входного сигнала |
| P2216 | Датчик NOx, банк 2 — высокий уровень входного сигнала |
| P2217 | Датчик NOx, банк 2 — прерывистый входной сигнал |
| P2218 | Датчик NOx, банк 2, управление нагревателем — обрыв цепи |
| P2219 | Датчик NOx, банк 2, управление нагревателем — низкий уровень сигнала |
| P2220 | Датчик NOx, банк 2, управление нагревателем — высокий уровень сигнала |
| P2221 | Датчик NOx, банк 2, контроль нагревателя — неисправность |
| P2222 | Датчик NOx, банк 2, контроль нагревателя — диапазон/функционирование |
| P2223 | Датчик NOx, банк 2, контроль нагревателя — низкий уровень сигнала |
| P2224 | Датчик NOx, банк 2, контроль нагревателя — высокий уровень сигнала |
| P2225 | Датчик NOx, банк 2, контроль нагревателя — ненадежный контакт электрической цепи |
| P2226 | Датчик атмосферного давления — неисправность электрической цепи |
| P2227 | Датчик атмосферного давления — проблемы диапазона/функционирования |
| P2228 | Датчик атмосферного давления — низкий уровень сигнала |
| P2229 | Датчик атмосферного давления — высокий уровень сигнала |
| P222A | Датчик атмосферного давления B — неисправность электрической цепи |
| P222B | Датчик атмосферного давления B — диапазон/функционирование |
| P222C | Датчик атмосферного давления B — низкий уровень сигнала |
| P222D | Датчик атмосферного давления B — высокий уровень сигнала |
| P222E | Датчик атмосферного давления B — ненадежный контакт электрической цепи |
| P222F | Датчик атмосферного давления A/B — корреляция |
| P2230 | Датчик атмосферного давления — ненадежный контакт электрической цепи |
| P2231 | Подогреваемый кислородный датчик 1, банк 1 — короткое замыкание цепи сигнала на цепь подогревателя |
| P2232 | Подогреваемый кислородный датчик 2, банк 1 — короткое замыкание цепи сигнала на цепь подогревателя |
| P2233 | Подогреваемый кислородный датчик 3, банк 1 — короткое замыкание цепи сигнала на цепь подогревателя |
| P2234 | Подогреваемый кислородный датчик 1, банк 2 — короткое замыкание цепи сигнала на цепь подогревателя |
| P2235 | Подогреваемый кислородный датчик 2, банк 2 — короткое замыкание цепи сигнала на цепь подогревателя |
| P2236 | Подогреваемый кислородный датчик 3, банк 2 — короткое замыкание цепи сигнала на цепь подогревателя |
| P2237 | Подогреваемый кислородный датчик 1, банк 1, управление током (+) — обрыв цепи |
| P2238 | Подогреваемый кислородный датчик 1, банк 1, управление током (+) — низкий уровень |
| P2239 | Подогреваемый кислородный датчик 1, банк 1, управление током (+) — высокий уровень |
| P2240 | Подогреваемый кислородный датчик 1, банк 2, управление током (+) — обрыв цепи |
| P2241 | Подогреваемый кислородный датчик 1, банк 2, управление током (+) — низкий уровень сигнала |
| P2242 | Подогреваемый кислородный датчик 1, банк 2, управление током (+) — высокий уровень сигнала |
| P2243 | Подогреваемый кислородный датчик 1, банк 1, опорное напряжение — обрыв цепи |
| P2244 | Подогреваемый кислородный датчик 1, банк 1, опорное напряжение — функционирование |
| P2245 | Подогреваемый кислородный датчик 1, банк 1, опорное напряжение — низкий уровень |
| P2246 | Подогреваемый кислородный датчик 1, банк 1, опорное напряжение — высокий уровень |
| P2247 | Подогреваемый кислородный датчик 1, банк 2, опорное напряжение — обрыв цепи |
| P2248 | Подогреваемый кислородный датчик 1, банк 2, опорное напряжение — функционирование |
| P2249 | Подогреваемый кислородный датчик 1, банк 2, опорное напряжение — низкий уровень сигнала |
| P2250 | Подогреваемый кислородный датчик 1, банк 2, опорное напряжение — высокий уровень сигнала |
| P2251 | Подогреваемый кислородный датчик 1, банк 1, управление током (-) — обрыв цепи |
| P2252 | Подогреваемый кислородный датчик 1, банк 1, управление током (-) — низкий уровень |
| P2253 | Подогреваемый кислородный датчик 1, банк 1, управление током (-) — высокий уровень |
| P2254 | Подогреваемый кислородный датчик 1, банк 2, управление током (-) — обрыв цепи |
| P2255 | Подогреваемый кислородный датчик 1, банк 2, управление током (-) — низкий уровень сигнала |
| P2256 | Подогреваемый кислородный датчик 1, банк 2, управление током (-) — высокий уровень сигнала |
| P2257 | Система подачи воздуха на выпуск, управление A — низкий уровень сигнала |
| P2258 | Система подачи воздуха на выпуск, управление A — высокий уровень сигнала |
| P2259 | Система подачи воздуха на выпуск, управление B — низкий уровень сигнала |
| P2260 | Система подачи воздуха на выпуск, управление B — высокий уровень сигнала |
| P2261 | Перепускной клапан турбокомпрессора/приводного нагнетателя |
| P2262 | Не определяется давление турбонаддува |
| P2263 | Давление наддува турбокомпрессора/приводного нагнетателя — функционирование |
| P2264 | Датчик наличия воды в топливном фильтре — неисправность электрической цепи |
| P2265 | Датчик наличия воды в топливном фильтре — диапазон/функционирование |
| P2266 | Датчик наличия воды в топливном фильтре — низкий уровень сигнала |
| P2267 | Датчик наличия воды в топливном фильтре — высокий уровень сигнала |
| P2268 | Датчик наличия воды в топливном фильтре — ненадежный контакт электрической цепи |
| P2269 | Вода в топливе |
| P226A | Индикатор наличия воды в топливном фильтре — неисправность электрической цепи |
| P226B | Турбокомпрессор/приводной нагнетатель — слишком высокое давление наддува |
| P226C | Управление давлением турбонаддува A — замедленный отклик |
| P226F | Управление давлением турбонаддува B — замедленный отклик |
| P2270 | Подогреваемый кислородный датчик 2, банк 1 — сигнал постоянно бедной смеси |
| P2271 | Подогреваемый кислородный датчик 2, банк 1 — сигнал постоянно богатой смеси |
| P2272 | Подогреваемый кислородный датчик 2, банк 2 — сигнал постоянно бедной смеси |
| P2273 | Подогреваемый кислородный датчик 2, банк 2 — сигнал постоянно богатой смеси |
| P2274 | Подогреваемый кислородный датчик 3, банк 1 — сигнал постоянно бедной смеси |
| P2275 | Подогреваемый кислородный датчик 3, банк 1 — сигнал постоянно богатой смеси |
| P2276 | Подогреваемый кислородный датчик 3, банк 2 — сигнал постоянно бедной смеси |
| P2277 | Подогреваемый кислородный датчик 3, банк 2 — сигнал постоянно богатой смеси |
| P2278 | Подогреваемый кислородный датчик 3, банк 1/подогреваемый кислородный датчик 3, банк 2 — перепутаны сигналы |
| P2279 | Негерметичность системы впуска |
| P2280 | Негерметичность/засорение системы впуска между воздушным фильтром и датчиком расхода воздуха |
| P2281 | Негерметичность между датчиком расхода воздуха (MAF) и корпусом дроссельной заслонки |
| P2282 | Негерметичность между корпусом дроссельной заслонки и впускными клапанами |
| P2283 | Датчик управляющего давления форсунки — неисправность электрической цепи |
| P2284 | Датчик управляющего давления форсунки — диапазон/функционирование |
| P2285 | Датчик управляющего давления форсунки — низкий уровень сигнала |
| P2286 | Датчик управляющего давления форсунки — высокий уровень сигнала |
| P2287 | Датчик управляющего давления форсунки — ненадежный контакт электрической цепи |
| P2288 | Управляющее давление форсунки — давление слишком высокое |
| P2289 | Управляющее давление форсунки, двигатель заглушен — давление слишком высокое |
| P228A | Регулятор давления топлива 1 — активирован аварийный режим (limp-home) |
| P228B | Регулятор давления топлива 2 — активирован аварийный режим (limp-home) |
| P228C | Регулятор давления топлива 1, превышение лимита управления — низкое давление топлива |
| P228D | Регулятор давления топлива 1, превышение лимита управления — высокое давление топлива |
| P228E | Регулятор давления топлива 1, превышение лимита адаптации — слишком низкий уровень сигнала |
| P228F | Регулятор давления топлива 1, превышение лимита адаптации — слишком высокий уровень сигнала |
| P2290 | Управляющее давление форсунки — давление слишком низкое |
| P2291 | Управляющее давление форсунки, проворачивание стартером — давление слишком низкое |
| P2292 | Датчик управляющего давления форсунки — хаотичный сигнал |
| P2293 | Регулятор давления топлива 2 — функционирование |
| P2294 | Регулятор давления топлива 2 — неисправность электрической цепи |
| P2295 | Регулятор давления топлива 2 — низкий уровень сигнала |
| P2296 | Регулятор давления топлива 2 — высокий уровень сигнала |
| P2297 | Подогреваемый кислородный датчик 1, банк 1 — сигнал выходит за установленный диапазон при замедлении |
| P2298 | Подогреваемый кислородный датчик 1, банк 2 — сигнал выходит за установленный диапазон при замедлении |
| P2299 | Выключатель стоп-сигналов (датчик положения педали тормоза) / датчик положения педали акселератора — несовместимые сигналы |
| P229A | Регулятор давления топлива 2, превышение лимита управления — низкое давление топлива |
| P229B | Регулятор давления топлива 2, превышение лимита управления — высокое давление топлива |
| P229C | Регулятор давления топлива 2, превышение лимита адаптации — слишком низкий уровень сигнала |
| P229D | Регулятор давления топлива 2, превышение лимита адаптации — слишком высокий уровень сигнала |
| P229E | Датчик NOx 2, банк 1 — неисправность электрической цепи |
| P229F | Датчик NOx 2, банк 1 — диапазон/функционирование |
| P22A0 | Датчик NOx 2, банк 1 — низкий уровень |
| P22A1 | Датчик NOx 2, банк 1 — высокий уровень |
| P22A2 | Датчик NOx 2, банк 1 — пропадающий/хаотичный сигнал |
| P22A3 | Датчик NOx 2, банк 1, управление нагревателем — обрыв цепи |
| P22A4 | Датчик NOx 2, банк 1, управление нагревателем — низкий уровень сигнала |
| P22A5 | Датчик NOx 2, банк 1, управление нагревателем — высокий уровень сигнала |
| P22A6 | Датчик NOx 2, банк 1, контроль нагревателя — неисправность |
| P22A7 | Датчик NOx 2, банк 1, контроль нагревателя — диапазон/функционирование |
| P22A8 | Датчик NOx 2, банк 1, контроль нагревателя — низкий уровень сигнала |
| P22A9 | Датчик NOx 2, банк 1, контроль нагревателя — высокий уровень сигнала |
| P22AA | Датчик NOx 2, банк 1, контроль нагревателя — ненадежный контакт электрической цепи |
| P22AB | Подогреваемый кислородный датчик 2, банк 1, управление током (+) — обрыв цепи |
| P22AC | Подогреваемый кислородный датчик 2, банк 1, управление током (+) — низкий уровень сигнала |
| P22AD | Подогреваемый кислородный датчик 2, банк 1, управление током (+) — высокий уровень сигнала |
| P22AE | Подогреваемый кислородный датчик 2, банк 1, опорное напряжение — обрыв цепи |
| P22AF | Подогреваемый кислородный датчик 2, банк 1, опорное напряжение — функционирование |
| P22B0 | Подогреваемый кислородный датчик 2, банк 1, опорное напряжение — низкий уровень сигнала |
| P22B1 | Подогреваемый кислородный датчик 2, банк 1, опорное напряжение — высокий уровень сигнала |
| P22B2 | Подогреваемый кислородный датчик 2, банк 1, управление током (-) — обрыв цепи |
| P22B3 | Подогреваемый кислородный датчик 2, банк 1, управление током (-) — низкий уровень сигнала |
| P22B4 | Подогреваемый кислородный датчик 2, банк 1, управление током (-) — высокий уровень сигнала |
| P22B5 | Подогреваемый кислородный датчик 2, банк 1, ток накачки — обрыв цепи |
| P22B6 | Подогреваемый кислородный датчик 2, банк 1, ток накачки — низкий уровень сигнала |
| P22B7 | Подогреваемый кислородный датчик 2, банк 1, ток накачки — высокий уровень сигнала |
| P22B8 | Подогреваемый кислородный датчик 2, банк 2, управление током (+) — обрыв цепи |
| P22B9 | Подогреваемый кислородный датчик 2, банк 2, управление током (+) — низкий уровень сигнала |
| P22BA | Подогреваемый кислородный датчик 2, банк 2, управление током (+) — высокий уровень сигнала |
| P22BB | Подогреваемый кислородный датчик 2, банк 2, опорное напряжение — обрыв цепи |
| P22BC | Подогреваемый кислородный датчик 2, банк 2, опорное напряжение — функционирование |
| P22BD | Подогреваемый кислородный датчик 2, банк 2, опорное напряжение — низкий уровень сигнала |
| P22BE | Подогреваемый кислородный датчик 2, банк 2, опорное напряжение — высокий уровень сигнала |
| P22BF | Подогреваемый кислородный датчик 2, банк 2, управление током (-) — обрыв цепи |
| P22C0 | Подогреваемый кислородный датчик 2, банк 2, управление током (-) — низкий уровень сигнала |
| P22C1 | Подогреваемый кислородный датчик 2, банк 2, управление током (-) — высокий уровень сигнала |
| P22C2 | Подогреваемый кислородный датчик 2, банк 2, ток накачки — обрыв цепи |
| P22C3 | Подогреваемый кислородный датчик 2, банк 2, ток накачки — низкий уровень сигнала |
| P22C4 | Подогреваемый кислородный датчик 2, банк 2, ток накачки — высокий уровень сигнала |
| P22C5 | Выпускной клапан турбокомпрессора — обрыв цепи управления |
| P22C6 | Выпускной клапан турбокомпрессора — низкий уровень сигнала в цепи управления |
| P22C7 | Выпускной клапан турбокомпрессора — высокий уровень сигнала в цепи управления |
| P22C8 | Выпускной клапан турбокомпрессора — заедание клапана в открытом положении |
| P22C9 | Выпускной клапан турбокомпрессора — заедание клапана в закрытом положении |
| P22CA | Переключающий выпускной клапан турбокомпрессора — обрыв цепи управления |
| P22CB | Переключающий выпускной клапан турбокомпрессора — низкий уровень сигнала в цепи управления |
| P22CC | Переключающий выпускной клапан турбокомпрессора — высокий уровень сигнала в цепи управления |
| P22CD | Переключающий выпускной клапан турбокомпрессора — заедание клапана в открытом положении |
| P22CE | Переключающий выпускной клапан турбокомпрессора — заедание клапана в закрытом положении |
| P22CF | Впускной клапан турбокомпрессора — обрыв цепи управления |
| P22D0 | Впускной клапан турбокомпрессора — низкий уровень сигнала в цепи управления |
| P22D1 | Впускной клапан турбокомпрессора — высокий уровень сигнала в цепи управления |
| P22D2 | Впускной клапан турбокомпрессора — заедание клапана в открытом положении |
| P22D3 | Впускной клапан турбокомпрессора — заедание клапана в закрытом положении |
| P22D4 | Датчик положения впускного клапана турбокомпрессора — неисправность электрической цепи |
| P22D5 | Датчик положения впускного клапана турбокомпрессора — диапазон/функционирование |
| P22D6 | Датчик положения впускного клапана турбокомпрессора — низкий уровень сигнала |
| P22D7 | Датчик положения впускного клапана турбокомпрессора — высокий уровень сигнала |
| P22D8 | Датчик положения впускного клапана турбокомпрессора — ненадежный/пропадающий контакт электрической цепи |
| P2300 | Катушка зажигания А, цепь первичной обмотки — низкий уровень сигнала |
| P2301 | Катушка зажигания А, цепь первичной обмотки — высокий уровень сигнала |
| P2302 | Катушка зажигания А, цепь вторичной обмотки — неисправность |
| P2303 | Катушка зажигания B, цепь первичной обмотки — низкий уровень сигнала |
| P2304 | Катушка зажигания B, цепь первичной обмотки — высокий уровень сигнала |
| P2305 | Катушка зажигания В, цепь вторичной обмотки — неисправность |
| P2306 | Катушка зажигания C, цепь первичной обмотки — низкий уровень сигнала |
| P2307 | Катушка зажигания C, цепь первичной обмотки — высокий уровень сигнала |
| P2308 | Катушка зажигания С, цепь вторичной обмотки — неисправность |
| P2309 | Катушка зажигания D, цепь первичной обмотки — низкий уровень сигнала |
| P2310 | Катушка зажигания D, цепь первичной обмотки — высокий уровень сигнала |
| P2311 | Катушка зажигания D, цепь вторичной обмотки — неисправность |
| P2312 | Катушка зажигания E, цепь первичной обмотки — низкий уровень сигнала |
| P2313 | Катушка зажигания E, цепь первичной обмотки — высокий уровень сигнала |
| P2314 | Катушка зажигания E, цепь вторичной обмотки — неисправность |
| P2315 | Катушка зажигания F, цепь первичной обмотки — низкий уровень сигнала |
| P2316 | Катушка зажигания F, цепь первичной обмотки — высокий уровень сигнала |
| P2317 | Катушка зажигания F, цепь вторичной обмотки — неисправность |
| P2318 | Катушка зажигания G, цепь первичной обмотки — низкий уровень сигнала |
| P2319 | Катушка зажигания G, цепь первичной обмотки — высокий уровень сигнала |
| P2320 | Катушка зажигания G, цепь вторичной обмотки — неисправность |
| P2321 | Катушка зажигания H, цепь первичной обмотки — низкий уровень сигнала |
| P2322 | Катушка зажигания H, цепь первичной обмотки — высокий уровень сигнала |
| P2323 | Катушка зажигания H, цепь вторичной обмотки — неисправность |
| P2324 | Катушка зажигания I, цепь первичной обмотки — низкий уровень сигнала |
| P2325 | Катушка зажигания I, цепь первичной обмотки — высокий уровень сигнала |
| P2326 | Катушка зажигания I, цепь вторичной обмотки — неисправность |
| P2327 | Катушка зажигания J, цепь первичной обмотки — низкий уровень сигнала |
| P2328 | Катушка зажигания J, цепь первичной обмотки — высокий уровень сигнала |
| P2329 | Катушка зажигания J, цепь вторичной обмотки — неисправность |
| P2330 | Катушка зажигания K, цепь первичной обмотки — низкий уровень сигнала |
| P2331 | Катушка зажигания K, цепь первичной обмотки — высокий уровень сигнала |
| P2332 | Катушка зажигания K, цепь вторичной обмотки — неисправность |
| P2333 | Катушка зажигания L, цепь первичной обмотки — низкий уровень сигнала |
| P2334 | Катушка зажигания L, цепь первичной обмотки — высокий уровень сигнала |
| P2335 | Катушка зажигания L, цепь вторичной обмотки — неисправность |
| P2336 | Цилиндр 1 — выше порога детонации |
| P2337 | Цилиндр 2 — выше порога детонации |
| P2338 | Цилиндр 3 — выше порога детонации |
| P2339 | Цилиндр 4 — выше порога детонации |
| P2340 | Цилиндр 5 — выше порога детонации |
| P2341 | Цилиндр 6 — выше порога детонации |
| P2342 | Цилиндр 7 — выше порога детонации |
| P2343 | Цилиндр 8 — выше порога детонации |
| P2344 | Цилиндр 9 — выше порога детонации |
| P2345 | Цилиндр 10 — выше порога детонации |
| P2346 | Цилиндр 11 — выше порога детонации |
| P2347 | Цилиндр 12 — выше порога детонации |
| P2348 | Датчик давления в цилиндре, цилиндр 9 — неисправность электрической цепи |
| P2349 | Датчик давления в цилиндре, цилиндр 9 — диапазон/функционирование |
| P234A | Датчик давления в цилиндре, цилиндр 9 — низкий уровень сигнала |
| P234B | Датчик давления в цилиндре, цилиндр 9 — высокий уровень сигнала |
| P234C | Датчик давления в цилиндре, цилиндр 9 — ненадежный/пропадающий контакт электрической цепи |
| P234D | Цилиндр 9 — слишком низкое давление |
| P234E | Цилиндр 9 — слишком высокое давление |
| P234F | Цилиндр 9 — малое изменение давления |
| P2350 | Цилиндр 9 — большое изменение давления |
| P2351 | Цилиндр 9 — процесс сгорания |
| P2352 | Датчик давления в цилиндре, цилиндр 10 — неисправность электрической цепи |
| P2353 | Датчик давления в цилиндре, цилиндр 10 — диапазон/функционирование |
| P2354 | Датчик давления в цилиндре, цилиндр 10 — низкий уровень сигнала |
| P2355 | Датчик давления в цилиндре, цилиндр 10 — высокий уровень сигнала |
| P2356 | Датчик давления в цилиндре, цилиндр 10 — ненадежный/пропадающий контакт электрической цепи |
| P2357 | Цилиндр 10 — слишком низкое давление |
| P2358 | Цилиндр 10 — слишком высокое давление |
| P2359 | Цилиндр 10 — малое изменение давления |
| P235A | Цилиндр 10 — большое изменение давления |
| P235B | Цилиндр 10 — процесс сгорания |
| P235C | Датчик давления в цилиндре, цилиндр 11 — неисправность электрической цепи |
| P235D | Датчик давления в цилиндре, цилиндр 11 — диапазон/функционирование |
| P235E | Датчик давления в цилиндре, цилиндр 11 — низкий уровень сигнала |
| P235F | Датчик давления в цилиндре, цилиндр 11 — высокий уровень сигнала |
| P2360 | Датчик давления в цилиндре, цилиндр 11 — ненадежный/пропадающий контакт электрической цепи |
| P2361 | Цилиндр 11 — слишком низкое давление |
| P2362 | Цилиндр 11 — слишком высокое давление |
| P2363 | Цилиндр 11 — малое изменение давления |
| P2364 | Цилиндр 11 — большое изменение давления |
| P2365 | Цилиндр 11 — процесс сгорания |
| P2366 | Датчик давления в цилиндре, цилиндр 12 — неисправность электрической цепи |
| P2367 | Датчик давления в цилиндре, цилиндр 12 — диапазон/функционирование |
| P2368 | Датчик давления в цилиндре, цилиндр 12 — низкий уровень сигнала |
| P2369 | Датчик давления в цилиндре, цилиндр 12 — высокий уровень сигнала |
| P236A | Датчик давления в цилиндре, цилиндр 12 — ненадежный/пропадающий контакт электрической цепи |
| P236B | Цилиндр 12 — слишком низкое давление |
| P236C | Цилиндр 12 — слишком высокое давление |
| P236D | Цилиндр 12 — малое изменение давления |
| P236E | Цилиндр 12 — большое изменение давления |
| P236F | Цилиндр 12 — процесс сгорания |
| P2400 | Насос обнаружения утечек системы улавливания паров топлива, управление — обрыв цепи |
| P2401 | Насос обнаружения утечек системы улавливания паров топлива, управление — низкий уровень сигнала |
| P2402 | Насос обнаружения утечек системы улавливания паров топлива, управление — высокий уровень сигнала |
| P2403 | Насос обнаружения утечек системы улавливания паров топлива, контрольная цепь — обрыв цепи |
| P2404 | Насос обнаружения утечек системы улавливания паров топлива, контрольная цепь — диапазон/функционирование |
| P2405 | Насос обнаружения утечек системы улавливания паров топлива, контрольная цепь — низкий уровень сигнала |
| P2406 | Насос обнаружения утечек системы улавливания паров топлива, контрольная цепь — высокий уровень сигнала |
| P2407 | Насос обнаружения утечек системы улавливания паров топлива, контрольная цепь — ненадежный/пропадающий контакт электрической цепи |
| P2408 | Датчик/выключатель незакрытой крышки топливозаливной горловины — неисправность электрической цепи |
| P2409 | Датчик/выключатель незакрытой крышки топливозаливной горловины — диапазон/функционирование |
| P240A | Нагреватель насоса обнаружения утечек системы улавливания паров топлива — обрыв цепи |
| P240B | Нагреватель насоса обнаружения утечек системы улавливания паров топлива — низкий уровень сигнала |
| P240C | Нагреватель насоса обнаружения утечек системы улавливания паров топлива — высокий уровень сигнала |
| P240F | Система рециркуляции ОГ (EGR) — замедленный отклик |
| P2410 | Датчик/выключатель незакрытой крышки топливозаливной горловины — низкий уровень сигнала |
| P2411 | Датчик/выключатель незакрытой крышки топливозаливной горловины — высокий уровень сигнала |
| P2412 | Датчик/выключатель незакрытой крышки топливозаливной горловины — ненадежный/пропадающий контакт электрической цепи |
| P2413 | Система рециркуляции отработавших газов (EGR) — функционирование |
| P2414 | Подогреваемый кислородный датчик 1, банк 1 — ошибка замера в системе выпуска |
| P2415 | Подогреваемый кислородный датчик 1, банк 2 — ошибка замера в системе выпуска |
| P2416 | Подогреваемый кислородный датчик 2, банк 1/подогреваемый кислородный датчик 3, банк 1 — перепутаны сигналы |
| P2417 | Подогреваемый кислородный датчик 2, банк 2/подогреваемый кислородный датчик 3, банк 2 — перепутаны сигналы |
| P2418 | Переключающий клапан системы улавливания паров топлива — обрыв цепи |
| P2419 | Переключающий клапан системы улавливания паров топлива — низкий уровень сигнала |
| P2420 | Переключающий клапан системы улавливания паров топлива — высокий уровень сигнала |
| P2421 | Клапан продувки системы улавливания паров топлива — клапан завис в открытом положении |
| P2422 | Клапан продувки системы улавливания паров топлива — клапан завис в закрытом положении |
| P2423 | Каталитический нейтрализатор CH, банк 1 — эффективность ниже требуемой |
| P2424 | Каталитический нейтрализатор CH, банк 2 — эффективность ниже требуемой |
| P2425 | Клапан управления охлаждением системы рециркуляции ОГ (EGR) — обрыв цепи |
| P2426 | Клапан управления охлаждением системы рециркуляции ОГ (EGR) — низкий уровень сигнала |
| P2427 | Клапан управления охлаждением системы рециркуляции ОГ (EGR) — высокий уровень сигнала |
| P2428 | Датчик температуры отработавших газов, банк 1 — слишком высокая температура |
| P2429 | Датчик температуры отработавших газов, банк 2 — слишком высокая температура |
| P242A | Датчик 3 температуры отработавших газов в системе рециркуляции ОГ (EGR), банк 1 — неисправность электрической цепи |
| P242B | Датчик 3 температуры отработавших газов в системе рециркуляции ОГ (EGR), банк 1 — диапазон/функционирование |
| P242C | Датчик 3 температуры отработавших газов в системе рециркуляции ОГ (EGR), банк 1 — низкий уровень сигнала |
| P242D | Датчик 3 температуры отработавших газов в системе рециркуляции ОГ (EGR), банк 1 — высокий уровень сигнала |
| P242E | Датчик 3 температуры отработавших газов в системе рециркуляции ОГ (EGR), банк 1 — пропадающий/хаотичный сигнал |
| P242F | Сажевый фильтр — блокировка / накопление золы |
| P2430 | Система подачи воздуха на выпуск, датчик расхода/давления, банк 1 — неисправность электрической цепи |
| P2431 | Система подачи воздуха на выпуск, датчик расхода/давления, банк 1 — диапазон/функционирование |
| P2432 | Система подачи воздуха на выпуск, датчик расхода/давления, банк 1 — низкий уровень сигнала |
| P2433 | Система подачи воздуха на выпуск, датчик расхода/давления, банк 1 — высокий уровень сигнала |
| P2434 | Система подачи воздуха на выпуск, датчик расхода/давления, банк 1 — ненадежный/пропадающий контакт электрической цепи |
| P2435 | Система подачи воздуха на выпуск, датчик расхода/давления, банк 2 — неисправность электрической цепи |
| P2436 | Система подачи воздуха на выпуск, датчик расхода/давления, банк 2 — диапазон/функционирование |
| P2437 | Система подачи воздуха на выпуск, датчик расхода/давления, банк 2 — низкий уровень сигнала |
| P2438 | Система подачи воздуха на выпуск, датчик расхода/давления, банк 2 — высокий уровень сигнала |
| P2439 | Система подачи воздуха на выпуск, датчик расхода/давления, банк 2 — ненадежный/пропадающий контакт электрической цепи |
| P2440 | Переключающий э/м клапан подачи воздуха на выпуск, банк 1 — заедание клапана в открытом положении |
| P2441 | Переключающий э/м клапан подачи воздуха на выпуск, банк 1 — заедание клапана в закрытом положении |
| P2442 | Переключающий э/м клапан подачи воздуха на выпуск, банк 2 — заедание клапана в открытом положении |
| P2443 | Переключающий э/м клапан подачи воздуха на выпуск, банк 2 — заедание клапана в закрытом положении |
| P2444 | Насос подачи воздуха на выпуск, банк 1 — заедание насоса в открытом положении |
| P2445 | Насос подачи воздуха на выпуск, банк 1 — заедание насоса в закрытом положении |
| P2446 | Насос подачи воздуха на выпуск, банк 2 — заедание насоса в открытом положении |
| P2447 | Насос подачи воздуха на выпуск, банк 2 — заедание насоса в закрытом положении |
| P2448 | Система подачи воздуха на выпуск, банк 1 — высокий расход воздуха |
| P2449 | Система подачи воздуха на выпуск, банк 2 — высокий расход воздуха |
| P244A | Сажевый фильтр (DPF) — слишком низкое дифференциальное давление |
| P244B | Сажевый фильтр (DPF) — слишком высокое дифференциальное давление |
| P244C | Сажевый фильтр (DPF), банк 1 — температура ОГ слишком низкая для регенерации |
| P244D | Сажевый фильтр (DPF), банк 1 — температура ОГ слишком высокая для регенерации |
| P244E | Сажевый фильтр (DPF), банк 2 — температура ОГ слишком низкая для регенерации |
| P244F | Сажевый фильтр (DPF), банк 2 — температура ОГ слишком высокая для регенерации |
| P2450 | Переключающий клапан системы улавливания паров топлива — клапан завис в открытом положении / функционирование |
| P2451 | Переключающий клапан системы улавливания паров топлива — клапан завис в закрытом положении |
| P2452 | Сажевый фильтр (DPF), датчик давления A — неисправность электрической цепи |
| P2453 | Сажевый фильтр (DPF), датчик давления A — неисправность электрической цепи |
| P2454 | Сажевый фильтр (DPF), датчик давления A — низкий уровень сигнала |
| P2455 | Сажевый фильтр (DPF), датчик давления A — высокий уровень сигнала |
| P2456 | Сажевый фильтр (DPF), датчик давления A — неисправность электрической цепи |
| P2457 | Охлаждение системы рециркуляции отработавших газов (EGR) — функционирование |
| P2458 | Сажевый фильтр (DPF), процесс регенерации — некорректная продолжительность |
| P2459 | Сажевый фильтр (DPF), процесс регенерации — слишком большое количество циклов регенерации DPF |
| P245A | Байпасный э/м клапан охладителя отработавших газов системы рециркуляции (EGR) — неисправность управляющей электрической цепи |
| P245B | Байпасный э/м клапан охладителя отработавших газов системы рециркуляции (EGR) — диапазон/функционирование управляющей цепи |
| P245C | Байпасный э/м клапан охладителя отработавших газов системы рециркуляции (EGR) — низкий уровень сигнала управляющей цепи |
| P245D | Байпасный э/м клапан охладителя отработавших газов системы рециркуляции (EGR) — высокий уровень сигнала управляющей цепи |
| P245E | Датчик давления В сажевого фильтра — неисправность электрической цепи |
| P245F | Датчик дифференциального давления В сажевого фильтра — диапазон/функционирование |
| P2460 | Сажевый фильтр (DPF), датчик давления B — низкий уровень сигнала |
| P2461 | Сажевый фильтр (DPF), датчик давления B — высокий уровень сигнала |
| P2462 | Датчик давления В сажевого фильтра — неисправность электрической цепи |
| P2463 | Сажевый фильтр (DPF) — засорение DPF |
| P2464 | Сажевый фильтр (DPF), банк 2 — слишком низкое дифференциальное давление |
| P2465 | Сажевый фильтр (DPF), банк 2 — слишком высокое дифференциальное давление |
| P2466 | Датчик 3 температуры отработавших газов, банк 2 — неисправность электрической цепи |
| P2467 | Датчик 3 температуры отработавших газов, банк 2 — диапазон/функционирование |
| P2468 | Датчик 3 температуры отработавших газов, банк 2 — низкий уровень сигнала |
| P2469 | Датчик 3 температуры отработавших газов, банк 2 — высокий уровень сигнала |
| P246A | Датчик 3 температуры отработавших газов, банк 2 — ненадежный контакт электрической цепи |
| P246B | Сажевый фильтр (DPF) — состояние автомобиля |
| P246C | Сажевый фильтр (DPF) — засорение DPF, активирован аварийный режим |
| P246D | Сажевый фильтр (DPF), датчик давления A/B — корреляция |
| P246E | Датчик 4 температуры отработавших газов, банк 1 — неисправность электрической цепи |
| P246F | Датчик 4 температуры отработавших газов, банк 1 — диапазон/функционирование |
| P2470 | Датчик 4 температуры отработавших газов, банк 1 — низкий уровень сигнала |
| P2471 | Датчик 4 температуры отработавших газов, банк 1 — высокий уровень сигнала |
| P2472 | Датчик 4 температуры отработавших газов, банк 1 — ненадежный контакт электрической цепи |
| P2473 | Датчик 4 температуры отработавших газов, банк 2 — неисправность электрической цепи |
| P2474 | Датчик 4 температуры отработавших газов, банк 2 — диапазон/функционирование |
| P2475 | Датчик 4 температуры отработавших газов, банк 2 — низкий уровень сигнала |
| P2476 | Датчик 4 температуры отработавших газов, банк 2 — высокий уровень сигнала |
| P2477 | Датчик 4 температуры отработавших газов, банк 2 — ненадежный контакт электрической цепи |
| P2478 | Датчик 1 температуры отработавших газов, банк — сигнал выходит за установленный диапазон |
| P2479 | Датчик 2 температуры отработавших газов, банк 1 — сигнал выходит за установленный диапазон |
| P247A | Датчик 3 температуры отработавших газов, банк 1 — сигнал выходит за установленный диапазон |
| P247B | Датчик 4 температуры отработавших газов, банк 1 — сигнал выходит за установленный диапазон |
| P247C | Датчик 1 температуры отработавших газов, банк 2 — сигнал выходит за установленный диапазон |
| P247D | Датчик 2 температуры отработавших газов, банк 2 — сигнал выходит за установленный диапазон |
| P247E | Датчик 3 температуры отработавших газов, банк 2 — сигнал выходит за установленный диапазон |
| P247F | Датчик 4 температуры отработавших газов, банк 2 — сигнал выходит за установленный диапазон |
| P2480 | Датчик 5 температуры отработавших газов, банк 1 — обрыв цепи |
| P2481 | Датчик 5 температуры отработавших газов, банк 1 — низкий уровень сигнала |
| P2482 | Датчик 5 температуры отработавших газов, банк 1 — высокий уровень сигнала |
| P2483 | Датчик 5 температуры отработавших газов, банк 1 — диапазон/функционирование |
| P2484 | Датчик 5 температуры отработавших газов, банк 1 — ненадежный контакт электрической цепи |
| P2485 | Датчик 5 температуры отработавших газов, банк 2 — обрыв цепи |
| P2486 | Датчик 5 температуры отработавших газов, банк 2 — низкий уровень сигнала |
| P2487 | Датчик 5 температуры отработавших газов, банк 2 — высокий уровень сигнала |
| P2488 | Датчик 5 температуры отработавших газов, банк 2 — диапазон/функционирование |
| P2489 | Датчик 5 температуры отработавших газов, банк 2 — ненадежный контакт электрической цепи |
| P248A | Подогреватель восстановителя A, контрольная цепь — низкий уровень сигнала |
| P248B | Подогреватель восстановителя A, контрольная цепь — высокий уровень сигнала |
| P248C | Подогреватель восстановителя B, контрольная цепь — низкий уровень сигнала |
| P248D | Подогреватель восстановителя B, контрольная цепь — высокий уровень сигнала |
| P248E | Байпасный э/м клапан охладителя отработавших газов системы рециркуляции (EGR), банк 2 — обрыв цепи управления |
| P248F | Байпасный э/м клапан охладителя отработавших газов системы рециркуляции (EGR), банк 2 — диапазон/функционирование |
| P2490 | Байпасный э/м клапан охладителя отработавших газов системы рециркуляции (EGR), банк 2 — низкий уровень сигнала в цепи управления |
| P2491 | Байпасный э/м клапан охладителя отработавших газов системы рециркуляции (EGR), банк 2 — высокий уровень сигнала в цепи управления |
| P2492 | Датчик положения перепускной заслонки охладителя системы рециркуляции ОГ (EGR), банк 1 — неисправность электрической цепи |
| P2493 | Датчик положения перепускной заслонки охладителя системы рециркуляции ОГ (EGR), банк 1 — диапазон/функционирование |
| P2494 | Датчик положения перепускной заслонки охладителя системы рециркуляции ОГ (EGR), банк 1 — низкий уровень сигнала |
| P2495 | Датчик положения перепускной заслонки охладителя системы рециркуляции ОГ (EGR), банк 1 — высокий уровень сигнала |
| P2496 | Датчик положения перепускной заслонки охладителя системы рециркуляции ОГ (EGR), банк 1 — ненадежный/пропадающий контакт электрической цепи |
| P2497 | Датчик положения перепускной заслонки охладителя системы рециркуляции ОГ (EGR), банк 2 — неисправность электрической цепи |
| P2498 | Датчик положения перепускной заслонки охладителя системы рециркуляции ОГ (EGR), банк 2 — диапазон/функционирование |
| P2499 | Датчик положения перепускной заслонки охладителя системы рециркуляции ОГ (EGR), банк 2 — низкий уровень сигнала |
| P249A | Датчик положения перепускной заслонки охладителя системы рециркуляции ОГ (EGR), банк 2 — высокий уровень сигнала |
| P249B | Датчик положения перепускной заслонки охладителя системы рециркуляции ОГ (EGR), банк 2 — ненадежный/пропадающий контакт электрической цепи |
| P249C | Управление впрыском восстановителя — превышение времени входа в режим работы с обратной связью |
| P249D | Управление впрыском восстановителя (режим работы с обратной связью), достигнут предел управления — низкий расход |
| P249E | Управление впрыском восстановителя (режим работы с обратной связью), достигнут предел управления — высокий расход |
| P249F | Управление регенерацией DPF — превышение времени входа в режим работы с обратной связью |
| P24A0 | Управление регенерацией сажевого фильтра (DPF) (режим работы с обратной связью), достигнут предел управления — слишком низкая температура |
| P24A1 | Управление регенерацией сажевого фильтра (DPF) (режим работы с обратной связью), достигнут предел управления — слишком высокая температура |
| P24A2 | Сажевый фильтр (DPF) — регенерация не выполнена |
| P2500 | Индикатор зарядки, вывод L — низкий уровень сигнала |
| P2501 | Индикатор зарядки, вывод L — высокий уровень сигнала |
| P2502 | Напряжение системы зарядки |
| P2503 | Система зарядки — низкое напряжение |
| P2504 | Система зарядки — высокое напряжение |
| P2505 | Электронный блок управления двигателем — напряжение питания |
| P2506 | Электронный блок управления двигателем — напряжение питания, диапазон/функционирование |
| P2507 | Электронный блок управления двигателем — низкое напряжение питания |
| P2508 | Электронный блок управления двигателем — высокое напряжение питания |
| P2509 | Электронный блок управления двигателем (ECM) — напряжение питания, прерывается |
| P250A | Датчик уровня моторного масла — неисправность электрической цепи |
| P250B | Датчик уровня моторного масла — диапазон/функционирование цепи |
| P250C | Датчик уровня моторного масла — низкий уровень сигнала |
| P250D | Датчик уровня моторного масла — высокий уровень сигнала |
| P250E | Датчик уровня моторного масла — пропадающий/хаотичный сигнал |
| P250F | Слишком высокий уровень моторного масла |
| P2510 | Реле системы управления двигателем, сигнальная цепь — диапазон/функционирование |
| P2511 | Реле системы управления двигателем, контрольная цепь — ненадежный контакт электрической цепи |
| P2512 | Запрос записи информации о событии — обрыв цепи |
| P2513 | Запрос записи информации о событии — низкий уровень сигнала |
| P2514 | Запрос записи информации о событии — высокий уровень сигнала |
| P2515 | Датчик B давления хладагента системы кондиционирования — неисправность электрической цепи |
| P2516 | Датчик B давления хладагента системы кондиционирования — диапазон/функционирование |
| P2517 | Датчик B давления хладагента системы кондиционирования — низкий уровень сигнала |
| P2518 | Датчик B давления хладагента системы кондиционирования — высокий уровень сигнала |
| P2519 | Запрос А системы кондиционирования — неисправность электрической цепи |
| P251A | Разрешающий выключатель системы отбора мощности — обрыв цепи |
| P251B | Разрешающий выключатель системы отбора мощности — низкий уровень сигнала |
| P251C | Разрешающий выключатель системы отбора мощности — высокий уровень сигнала |
| P251D | Система отбора мощности, останов двигателя — обрыв цепи |
| P251E | Система отбора мощности, останов двигателя — низкий уровень сигнала |
| P251F | Контроль за системой отбора мощности, управление остановом двигателя — высокий уровень сигнала |
| P2520 | Запрос А системы кондиционирования — низкий уровень сигнала |
| P2521 | Запрос А системы кондиционирования — высокий уровень сигнала |
| P2522 | Запрос B системы кондиционирования — неисправность электрической цепи |
| P2523 | Запрос B системы кондиционирования — низкий уровень сигнала |
| P2524 | Запрос B системы кондиционирования — высокий уровень сигнала |
| P2525 | Датчик давления в вакуумном ресивере — неисправность электрической цепи |
| P2526 | Датчик давления в вакуумном ресивере — диапазон/функционирование |
| P2527 | Датчик давления в вакуумном ресивере — низкий уровень сигнала |
| P2528 | Датчик давления в вакуумном ресивере — высокий уровень сигнала |
| P2529 | Датчик давления в вакуумном ресивере — ненадежный контакт электрической цепи |
| P252A | Датчик качества моторного масла — неисправность электрической цепи |
| P252B | Датчик качества моторного масла — диапазон/функционирование цепи |
| P252C | Датчик качества моторного масла — низкий уровень сигнала |
| P252D | Датчик качества моторного масла — высокий уровень сигнала |
| P252E | Датчик качества моторного масла — пропадающий/хаотичный сигнал |
| P252F | Слишком высокий уровень моторного масла |
| P2530 | Замок зажигания, положение ON — неисправность электрической цепи |
| P2531 | Замок зажигания, положение ON — низкий уровень сигнала |
| P2532 | Замок зажигания, положение ON — высокий уровень сигнала |
| P2533 | Замок зажигания, положение ON/Start — неисправность электрической цепи |
| P2534 | Замок зажигания, положение ON/Start — низкий уровень сигнала |
| P2535 | Замок зажигания, положение ON/Start — высокий уровень сигнала |
| P2536 | Замок зажигания, положение ACC — неисправность электрической цепи |
| P2537 | Замок зажигания, положение ACC — низкий уровень сигнала |
| P2538 | Замок зажигания, положение ACC — высокий уровень сигнала |
| P2539 | Датчик низкого давления топлива — неисправность электрической цепи |
| P253A | Контроль за системой отбора мощности — обрыв цепи |
| P253B | Контроль за системой отбора мощности — диапазон/функционирование |
| P253C | Контроль за системой отбора мощности — низкий уровень сигнала |
| P253D | Контроль за системой отбора мощности — высокий уровень сигнала |
| P253E | Система отбора мощности — пропадающая неисправность цепи датчика |
| P253F | Ухудшение качества моторного масла |
| P2540 | Датчик низкого давления топлива — диапазон/функционирование |
| P2541 | Датчик низкого давления топлива — низкий уровень сигнала |
| P2542 | Датчик низкого давления топлива — высокий уровень сигнала |
| P2543 | Датчик низкого давления топлива — ненадежный контакт электрической цепи |
| P2544 | Запрос управления крутящим моментом, входной сигнал A — неисправность |
| P2545 | Запрос управления крутящим моментом, входной сигнал A — диапазон/функционирование |
| P2546 | Запрос управления крутящим моментом, входной сигнал A — низкий уровень сигнала |
| P2547 | Запрос управления крутящим моментом, входной сигнал A — высокий уровень сигнала |
| P2548 | Запрос управления крутящим моментом, входной сигнал B — неисправность |
| P2549 | Запрос управления крутящим моментом, входной сигнал B — диапазон/функционирование |
| P254A | Датчик/выключатель 1 выбора скорости системы отбора мощности — обрыв цепи |
| P254B | Датчик/выключатель 1 выбора скорости системы отбора мощности — диапазон/функционирование |
| P254C | Датчик/выключатель 1 выбора скорости системы отбора мощности — низкий уровень сигнала |
| P254D | Датчик/выключатель 1 выбора скорости системы отбора мощности — высокий уровень сигнала |
| P254E | Датчик/выключатель 1 выбора скорости системы отбора мощности — пропадающий/хаотичный сигнал |
| P254F | Концевой выключатель капота — обрыв цепи |
| P2550 | Запрос управления крутящим моментом, входной сигнал B — низкий уровень сигнала |
| P2551 | Запрос управления крутящим моментом, входной сигнал B — высокий уровень сигнала |
| P2552 | Привод дроссельной заслонки/отсечка подачи топлива — неисправность электрической цепи |
| P2553 | Привод дроссельной заслонки/отсечка подачи топлива — диапазон/функционирование |
| P2554 | Привод дроссельной заслонки/отсечка подачи топлива — низкий уровень сигнала |
| P2555 | Привод дроссельной заслонки/отсечка подачи топлива — высокий уровень сигнала |
| P2556 | Датчик-выключатель низкого уровня охлаждающей жидкости — неисправность электрической цепи |
| P2557 | Датчик-выключатель низкого уровня охлаждающей жидкости — диапазон/функционирование |
| P2558 | Датчик-выключатель низкого уровня охлаждающей жидкости — низкий уровень сигнала |
| P2559 | Датчик-выключатель низкого уровня охлаждающей жидкости — высокий уровень сигнала |
| P255A | Датчик/выключатель 2 выбора скорости системы отбора мощности — обрыв цепи |
| P255B | Датчик/выключатель 2 выбора скорости системы отбора мощности — диапазон/функционирование |
| P255C | Датчик/выключатель 2 выбора скорости системы отбора мощности — низкий уровень сигнала |
| P255D | Датчик/выключатель 2 выбора скорости системы отбора мощности — высокий уровень сигнала |
| P255E | Датчик/выключатель 2 выбора скорости системы отбора мощности — пропадающий/хаотичный сигнал |
| P255F | Запрос А системы кондиционирования — диапазон/функционирование |
| P2560 | Низкий уровень охлаждающей жидкости |
| P2561 | Блок управления кондиционером — запрос активации индикатора неисправности двигателя |
| P2562 | Датчик положения привода управления давлением турбонаддува — неисправность электрической цепи |
| P2563 | Датчик положения привода управления давлением турбонаддува — диапазон/функционирование |
| P2564 | Датчик положения привода управления давлением турбонаддува — низкий уровень сигнала |
| P2565 | Датчик положения привода управления давлением турбонаддува — высокий уровень сигнала |
| P2566 | Датчик положения привода управления давлением турбонаддува — ненадежный контакт электрической цепи |
| P2567 | Каталитический нейтрализатор озона (датчик температуры) — неисправность электрической цепи |
| P2568 | Каталитический нейтрализатор озона (датчик температуры) — диапазон/функционирование |
| P2569 | Каталитический нейтрализатор озона (датчик температуры) — низкий уровень сигнала |
| P256A | Датчик/выключатель выбора частоты вращения холостого хода двигателя — обрыв цепи |
| P256B | Датчик/выключатель выбора частоты вращения холостого хода двигателя — диапазон/функционирование |
| P256C | Датчик/выключатель выбора частоты вращения холостого хода двигателя — низкий уровень сигнала |
| P256D | Датчик/выключатель выбора частоты вращения холостого хода двигателя — высокий уровень сигнала |
| P256E | Датчик/выключатель выбора частоты вращения холостого хода двигателя — пропадающий/хаотичный сигнал |
| P256F | Запрос В системы кондиционирования — диапазон/функционирование |
| P2570 | Каталитический нейтрализатор озона (датчик температуры) — высокий уровень сигнала |
| P2571 | Каталитический нейтрализатор озона (датчик температуры) — ненадежный/пропадающий контакт электрической цепи |
| P2572 | Каталитический нейтрализатор озона (датчик состояния) |
| P2573 | Каталитический нейтрализатор озона (датчик состояния) — диапазон/функционирование |
| P2574 | Каталитический нейтрализатор озона (датчик состояния) — низкий уровень сигнала |
| P2575 | Каталитический нейтрализатор озона (датчик состояния) — высокий уровень сигнала |
| P2576 | Каталитический нейтрализатор озона (датчик состояния) — ненадежный/пропадающий контакт электрической цепи |
| P2577 | Каталитический нейтрализатор озона — эффективность ниже требуемой |
| P2578 | Датчик частоты вращения турбокомпрессора — неисправность электрической цепи |
| P2579 | Датчик частоты вращения турбокомпрессора — диапазон/функционирование |
| P257A | Управление вакуумным ресивером — обрыв цепи |
| P257B | Управление вакуумным ресивером — низкий уровень сигнала |
| P257C | Управление вакуумным ресивером — высокий уровень сигнала |
| P257D | Концевой выключатель капота — диапазон/функционирование |
| P257E | Концевой выключатель капота — низкий уровень сигнала |
| P257F | Концевой выключатель капота — высокий уровень сигнала |
| P2580 | Датчик частоты вращения турбокомпрессора — низкий уровень сигнала |
| P2581 | Датчик частоты вращения турбокомпрессора — высокий уровень сигнала |
| P2582 | Датчик частоты вращения турбокомпрессора — ненадежный контакт электрической цепи |
| P2583 | Датчик дистанции системы поддержания скорости (круиз-контроль), передний центральный — неисправность |
| P2584 | Блок управления добавлением топлива — запрос активации индикатора неисправности |
| P2585 | Блок управления добавлением топлива — запрос активации индикатора неисправности |
| P2586 | Датчик положения привода управления давлением турбонаддува B — неисправность электрической цепи |
| P2587 | Датчик положения привода управления давлением турбонаддува B — неисправность электрической цепи |
| P2588 | Датчик положения привода управления давлением турбонаддува B — низкий уровень сигнала |
| P2589 | Датчик положения привода управления давлением турбонаддува B — высокий уровень сигнала |
| P258A | Вакуумный насос — обрыв управляющей цепи |
| P258B | Управление вакуумным насосом — диапазон/функционирование |
| P258C | Управление вакуумным насосом — низкий уровень сигнала |
| P258D | Вакуумный насос — высокий уровень сигнала управляющей цепи |
| P258E | Разрешающий выключатель системы отбора мощности — проблемы функционирования |
| P258F | Запрос управления крутящим моментом — некорректный выходной сигнал |
| P2590 | Датчик положения привода управления давлением турбонаддува B — неисправность электрической цепи |
| P2591 | Датчик дистанции системы поддержания скорости (круиз-контроль), передний левый — неисправность |
| P2592 | Датчик дистанции системы поддержания скорости (круиз-контроль), передний правый — неисправность |
| P2593 | Датчик частоты вращения турбокомпрессора B — неисправность электрической цепи |
| P2594 | Датчик частоты вращения турбокомпрессора B — диапазон/функционирование |
| P2595 | Датчик частоты вращения турбокомпрессора B — низкий уровень сигнала |
| P2596 | Датчик частоты вращения турбокомпрессора B — высокий уровень сигнала |
| P2597 | Датчик частоты вращения турбокомпрессора B — ненадежный/пропадающий контакт электрической цепи |
| P2598 | Датчик положения привода управления давлением турбонаддува A, функционирование — низкий уровень сигнала |
| P2599 | Датчик положения привода управления давлением турбонаддува A, функционирование — высокий уровень сигнала |
| P259A | Датчик положения привода управления давлением турбонаддува B, функционирование — низкий уровень сигнала |
| P259B | Датчик положения привода управления давлением турбонаддува B, функционирование — высокий уровень сигнала |
| P259C | Управление наддувом, турбокомпрессор A — превышение времени входа в режим работы с обратной связью |
| P259D | Управление наддувом, турбокомпрессор B — превышение времени входа в режим работы с обратной связью |
| P259E | Турбокомпрессор A, управление давлением наддува — достигнут нижний предел |
| P259F | Турбокомпрессор A, управление давлением наддува — достигнут верхний предел |
| P25A0 | Турбокомпрессор B, управление давлением наддува — достигнут нижний предел |
| P25A1 | Турбокомпрессор B, управление давлением наддува — достигнут верхний предел |
| P2600 | Электродвигатель насоса охлаждающей жидкости — обрыв цепи |
| P2601 | Электродвигатель насоса охлаждающей жидкости — диапазон/функционирование |
| P2602 | Электродвигатель насоса охлаждающей жидкости — низкий уровень сигнала |
| P2603 | Электродвигатель насоса охлаждающей жидкости — высокий уровень сигнала |
| P2604 | Нагреватель воздуха на впуске A — диапазон/функционирование |
| P2605 | Нагреватель воздуха на впуске А — обрыв цепи |
| P2606 | Нагреватель воздуха на впуске B — диапазон/функционирование |
| P2607 | Нагреватель воздуха на впуске B — низкий уровень сигнала |
| P2608 | Нагреватель воздуха на впуске B — высокий уровень сигнала |
| P2609 | Система подогрева воздуха на впуске — проблемы функционирования |
| P260A | Система отбора мощности, управление — обрыв цепи |
| P260B | Система отбора мощности, управление — низкий уровень сигнала |
| P260C | Система отбора мощности, управление — высокий уровень сигнала |
| P260D | Система отбора мощности, индикатор включения — цепь управления |
| P260E | Сажевый фильтр (DPF), индикатор — неисправность цепи управления |
| P260F | Система улавливания паров топлива — проблема функционирования контрольного процессора |
| P2610 | Электронный блок управления двигателем (ECM) — функционирование встроенного таймера выключения двигателя |
| P2611 | Распределительный клапан системы кондиционирования — обрыв цепи |
| P2612 | Распределительный клапан системы кондиционирования — низкий уровень сигнала |
| P2613 | Распределительный клапан системы кондиционирования высокий уровень сигнала |
| P2614 | Положение распределительного вала, выходной сигнал — обрыв цепи |
| P2615 | Положение распределительного вала, выходной сигнал — низкий уровень сигнала |
| P2616 | Положение распределительного вала, выходной сигнал — высокий уровень сигнала |
| P2617 | Положение коленчатого вала, выходной сигнал — обрыв цепи |
| P2618 | Положение коленчатого вала, выходной сигнал — низкий уровень сигнала |
| P2619 | Положение коленчатого вала, выходной сигнал — высокий уровень сигнала |
| P261A | Электродвигатель насоса охлаждающей жидкости B — обрыв цепи управления |
| P261B | Электродвигатель насоса охлаждающей жидкости B — диапазон/функционирование цепи управления |
| P261C | Электродвигатель насоса охлаждающей жидкости B — низкий уровень сигнала в цепи управления |
| P261D | Электродвигатель насоса охлаждающей жидкости B — высокий уровень сигнала в цепи управления |
| P2620 | Положение дроссельной заслонки, выходной сигнал — обрыв цепи |
| P2621 | Положение дроссельной заслонки, выходной сигнал — низкий уровень сигнала |
| P2622 | Положение дроссельной заслонки, выходной сигнал — высокий уровень сигнала |
| P2623 | Регулятор управляющего давления форсунки — обрыв цепи |
| P2624 | Регулятор управляющего давления форсунки — низкий уровень сигнала |
| P2625 | Регулятор управляющего давления форсунки — высокий уровень сигнала |
| P2626 | Подогреваемый кислородный датчик 1, банк 1, ток накачки — обрыв цепи |
| P2627 | Подогреваемый кислородный датчик 1, банк 1, ток накачки — низкий уровень сигнала |
| P2628 | Подогреваемый кислородный датчик 1, банк 1, ток накачки — высокий уровень сигнала |
| P2629 | Подогреваемый кислородный датчик 1, банк 2, ток накачки — обрыв цепи |
| P2630 | Подогреваемый кислородный датчик 1, банк 2, ток накачки — низкий уровень сигнала |
| P2631 | Подогреваемый кислородный датчик 1, банк 2, ток накачки — высокий уровень сигнала |
| P2632 | Топливный насос B, управление — обрыв цепи |
| P2633 | Топливный насос B, управление — низкий уровень сигнала |
| P2634 | Топливный насос B, управление — высокий уровень сигнала |
| P2635 | Топливный насос A — низкий расход/функционирование |
| P2636 | Топливный насос B — низкий расход/функционирование |
| P2637 | Управление крутящим моментом, сигнал обратной связи A — неисправность |
| P2638 | Управление крутящим моментом, сигнал обратной связи A — диапазон/функционирование |
| P2639 | Управление крутящим моментом, сигнал обратной связи A — низкий уровень сигнала |
| P2640 | Управление крутящим моментом, сигнал обратной связи A — высокий уровень сигнала |
| P2641 | Управление крутящим моментом, сигнал обратной связи B — неисправность |
| P2642 | Управление крутящим моментом, сигнал обратной связи B — диапазон/функционирование |
| P2643 | Управление крутящим моментом, сигнал обратной связи B — низкий уровень сигнала |
| P2644 | Управление крутящим моментом, сигнал обратной связи B — высокий уровень сигнала |
| P2645 | Привод коромысла А, банк 1 — обрыв цепи |
| P2646 | Привод коромысла A, банк 1 — проблемы функционирования или заедание привода в закрытом положении |
| P2647 | Привод коромысла А, банк 1 — заедание привода в открытом положении |
| P2648 | Привод коромысла А, банк 1 — низкий уровень сигнала |
| P2649 | Привод коромысла А, банк 1 — высокий уровень сигнала |
| P264A | Датчик А положения привода коромысла, банк 1 — неисправность электрической цепи |
| P264B | Датчик А положения привода коромысла, банк 1 — диапазон/функционирование |
| P264C | Датчик А положения привода коромысла, банк 1 — низкий уровень сигнала |
| P264D | Датчик А положения привода коромысла, банк 1 — высокий уровень сигнала |
| P264E | Датчик А положения привода коромысла, банк 1 — пропадающий/хаотичный сигнал |
| P2650 | Привод коромысла B, банк 1 — обрыв цепи |
| P2651 | Привод коромысла B, банк 1 — проблемы функционирования или заедание привода в закрытом положении |
| P2652 | Привод коромысла B, банк 1 — заедание привода в открытом положении |
| P2653 | Привод коромысла B, банк 1 — низкий уровень сигнала |
| P2654 | Привод коромысла B, банк 1 — высокий уровень сигнала |
| P2655 | Привод коромысла А, банк 2 — обрыв цепи |
| P2656 | Привод коромысла A, банк 2 — проблемы функционирования или заедание привода в закрытом положении |
| P2657 | Привод коромысла А, банк 2 — заедание привода в открытом положении |
| P2658 | Привод коромысла А, банк 2 — низкий уровень сигнала |
| P2659 | Привод коромысла А, банк 2 — высокий уровень сигнала |
| P265A | Датчик В положения привода коромысла, банк 1 — неисправность электрической цепи |
| P265B | Датчик В положения привода коромысла, банк 1 — диапазон/функционирование |
| P265C | Датчик В положения привода коромысла, банк 1 — низкий уровень сигнала |
| P265D | Датчик В положения привода коромысла, банк 1 — высокий уровень сигнала |
| P265E | Датчик В положения привода коромысла, банк 1 — пропадающий/хаотичный сигнал |
| P2660 | Привод коромысла B, банк 2 — обрыв цепи |
| P2661 | Привод коромысла B, банк 2 — проблемы функционирования или заедание привода в закрытом положении |
| P2662 | Привод коромысла B, банк 2 — заедание привода в открытом положении |
| P2663 | Привод коромысла B, банк 2 — низкий уровень сигнала |
| P2664 | Привод коромысла B, банк 2 — высокий уровень сигнала |
| P2665 | Э/м клапан отсечки подачи топлива B — обрыв цепи |
| P2666 | Э/м клапан отсечки подачи топлива B — низкий уровень сигнала |
| P2667 | Э/м клапан отсечки подачи топлива B — высокий уровень сигнала |
| P2668 | Индикатор режима топливоподачи — неисправность электрической цепи |
| P2669 | Напряжение питания привода B — обрыв цепи |
| P266A | Датчик А положения привода коромысла, банк 2 — неисправность электрической цепи |
| P266B | Датчик А положения привода коромысла, банк 2 — диапазон/функционирование |
| P266C | Датчик А положения привода коромысла, банк 2 — низкий уровень сигнала |
| P266D | Датчик А положения привода коромысла, банк 2 — высокий уровень сигнала |
| P266E | Датчик А положения привода коромысла, банк 2 — пропадающий/хаотичный сигнал |
| P2670 | Напряжение питания привода B — низкий уровень сигнала |
| P2671 | Напряжение питания привода B — высокий уровень сигнала |
| P2672 | Ошибка синхронизации ТНВД — некорректное отклонение |
| P2673 | Калибровка угла опережения впрыска ТНВД — калибровка не выполнена |
| P2674 | Калибровка подачи ТНВД — калибровка не выполнена |
| P2675 | Управление забором воздуха воздушного фильтра — обрыв цепи |
| P2676 | Управление забором воздуха воздушного фильтра — низкий уровень сигнала |
| P2677 | Управление забором воздуха воздушного фильтра — высокий уровень сигнала |
| P2678 | Клапан расширительного бачка системы охлаждения — обрыв цепи |
| P2679 | Клапан расширительного бачка системы охлаждения — низкий уровень сигнала |
| P267A | Датчик B положения привода коромысла, банк 2 — неисправность электрической цепи |
| P267B | Датчик B положения привода коромысла, банк 2 — диапазон/функционирование |
| P267C | Датчик B положения привода коромысла, банк 2 — низкий уровень сигнала |
| P267D | Датчик B положения привода коромысла, банк 2 — высокий уровень сигнала |
| P267E | Датчик B положения привода коромысла, банк 2 — пропадающий/хаотичный сигнал |
| P2680 | Клапан расширительного бачка системы охлаждения — высокий уровень сигнала |
| P2681 | Перепускной клапан системы охлаждения — обрыв цепи |
| P2682 | Перепускной клапан системы охлаждения — низкий уровень сигнала |
| P2683 | Перепускной клапан системы охлаждения — высокий уровень сигнала |
| P2684 | Напряжение питания привода C — обрыв цепи |
| P2685 | Напряжение питания привода C — низкий уровень сигнала |
| P2686 | Напряжение питания привода C — высокий уровень сигнала |
| P2687 | Подогреватель топлива — обрыв цепи |
| P2688 | Подогреватель топлива — низкий уровень сигнала |
| P2689 | Подогреватель топлива — высокий уровень сигнала |
| P268A | Форсунка — калибровка не обучается/не программируется |
| P268B | ТНВД — калибровка не обучается/не программируется |
| P268C | Форсунка 1 — несовместимые данные |
| P268D | Форсунка 2 — несовместимые данные |
| P268E | Форсунка 3 — несовместимые данные |
| P268F | Форсунка 4 — несовместимые данные |
| P2690 | Форсунка 5 — несовместимые данные |
| P2691 | Форсунка 6 — несовместимые данные |
| P2692 | Форсунка 7 — несовместимые данные |
| P2693 | Форсунка 8 — несовместимые данные |
| P2694 | Форсунка 9 — несовместимые данные |
| P2695 | Форсунка 10 — несовместимые данные |
| P2696 | Форсунка — несовместимые данные |
| P2697 | Система очистки отработавших газов, топливная форсунка А — обрыв цепи |
| P2698 | Система очистки отработавших газов, топливная форсунка А — проблемы функционирования |
| P2699 | Система очистки отработавших газов, топливная форсунка А — низкий уровень сигнала |
| P269A | Система очистки отработавших газов, топливная форсунка А — высокий уровень сигнала |
| P269B | Система очистки отработавших газов, управление свечами накаливания — обрыв цепи |
| P269C | Система очистки отработавших газов, управление свечами накаливания — функционирование |
| P269D | Система очистки отработавших газов, управление свечами накаливания — низкий уровень сигнала |
| P269E | Система очистки отработавших газов, управление свечами накаливания — высокий уровень сигнала |
| P269F | Система очистки отработавших газов, свечи накаливания — обрыв цепи |
| P26A0 | Система очистки отработавших газов, свечи накаливания — функционирование |
| P26A1 | Система очистки отработавших газов, свечи накаливания — низкий уровень сигнала |
| P26A2 | Система очистки отработавших газов, свечи накаливания — высокий уровень сигнала |
| P2700 | Фрикционный элемент A КПП, время применения — диапазон/функционирование |
| P2701 | Фрикционный элемент B КПП, время применения — диапазон/функционирование |
| P2702 | Фрикционный элемент C КПП, время применения — диапазон/функционирование |
| P2703 | Фрикционный элемент D КПП, время применения — диапазон/функционирование |
| P2704 | Фрикционный элемент E КПП, время применения — диапазон/функционирование |
| P2705 | Фрикционный элемент F КПП, время применения — диапазон/функционирование |
| P2706 | Э/м клапан F переключения передач — неисправность электрической цепи |
| P2707 | Э/м клапан F переключения передач — функционирование или залипание в закрытом состоянии |
| P2708 | Э/м клапан F переключения передач — залипание в открытом состоянии |
| P2709 | Э/м клапан F переключения передач — электрическая неисправность |
| P2710 | Э/м клапан F переключения передач — прерывистый |
| P2711 | Неожиданное принудительное выключение передачи |
| P2712 | Утечки в гидравлическом блоке |
| P2713 | Э/м клапан D управления давлением рабочей жидкости КПП — неисправность электрической цепи |
| P2714 | Э/м клапан D управления давлением рабочей жидкости КПП — функционирование или заедание в закрытом положении |
| P2715 | Э/м клапан D управления давлением рабочей жидкости КПП — заедание в открытом положении |
| P2716 | Э/м клапан D управления давлением рабочей жидкости КПП — электрическая неисправность |
| P2717 | Э/м клапан D управления давлением рабочей жидкости КПП — ненадежный контакт электрической цепи |
| P2718 | Э/м клапан D управления давлением рабочей жидкости КПП — обрыв цепи |
| P2719 | Э/м клапан D управления давлением рабочей жидкости КПП — диапазон/функционирование |
| P2720 | Э/м клапан D управления давлением рабочей жидкости КПП — низкий уровень сигнала |
| P2721 | Э/м клапан D управления давлением рабочей жидкости КПП — высокий уровень сигнала |
| P2722 | Э/м клапан E управления давлением рабочей жидкости КПП — неисправность электрической цепи |
| P2723 | Э/м клапан E управления давлением рабочей жидкости КПП — функционирование или заедание в закрытом положении |
| P2724 | Э/м клапан E управления давлением рабочей жидкости КПП — заедание в открытом положении |
| P2725 | Э/м клапан E управления давлением рабочей жидкости КПП — электрическая неисправность |
| P2726 | Э/м клапан E управления давлением рабочей жидкости КПП — ненадежный контакт электрической цепи |
| P2727 | Э/м клапан E управления давлением рабочей жидкости КПП — обрыв цепи |
| P2728 | Э/м клапан E управления давлением рабочей жидкости КПП — диапазон/функционирование |
| P2729 | Э/м клапан E управления давлением рабочей жидкости КПП — низкий уровень сигнала |
| P2730 | Э/м клапан E управления давлением рабочей жидкости КПП — высокий уровень сигнала |
| P2731 | Э/м клапан F управления давлением рабочей жидкости КПП — неисправность электрической цепи |
| P2732 | Э/м клапан F управления давлением рабочей жидкости КПП — функционирование или заедание в закрытом положении |
| P2733 | Э/м клапан F управления давлением рабочей жидкости КПП — заедание в открытом положении |
| P2734 | Э/м клапан F управления давлением рабочей жидкости КПП — электрическая неисправность |
| P2735 | Э/м клапан F управления давлением рабочей жидкости КПП — ненадежный контакт электрической цепи |
| P2736 | Э/м клапан F управления давлением рабочей жидкости КПП — обрыв цепи |
| P2737 | Э/м клапан F управления давлением рабочей жидкости КПП — диапазон/функционирование |
| P2738 | Э/м клапан F управления давлением рабочей жидкости КПП — низкий уровень сигнала |
| P2739 | Э/м клапан F управления давлением рабочей жидкости КПП — высокий уровень сигнала |
| P273A | Фрикционный элемент G КПП, время применения — проблемы диапазона / функционирования |
| P273B | Фрикционный элемент Н КПП, время применения — проблемы диапазона / функционирования |
| P2740 | Датчик B температуры рабочей жидкости КПП — неисправность электрической цепи |
| P2741 | Датчик B температуры рабочей жидкости КПП — диапазон/функционирование |
| P2742 | Датчик B температуры рабочей жидкости КПП — низкий уровень сигнала |
| P2743 | Датчик B температуры рабочей жидкости КПП — высокий уровень сигнала |
| P2744 | Датчик B температуры рабочей жидкости КПП — ненадежный контакт электрической цепи |
| P2745 | Датчик B частоты вращения промежуточного вала коробки передач — неисправность электрической цепи |
| P2746 | Датчик B частоты вращения промежуточного вала коробки передач — диапазон/функционирование |
| P2747 | Датчик B частоты вращения промежуточного вала КПП — нет сигнала |
| P2748 | Датчик B частоты вращения промежуточного вала коробки передач — ненадежный контакт электрической цепи |
| P2749 | Датчик C частоты вращения промежуточного вала коробки передач — неисправность электрической цепи |
| P2750 | Датчик C частоты вращения промежуточного вала коробки передач — диапазон/функционирование |
| P2751 | Датчик C частоты вращения промежуточного вала КПП — нет сигнала |
| P2752 | Датчик C частоты вращения промежуточного вала коробки передач — ненадежный контакт электрической цепи |
| P2753 | Охладитель рабочей жидкости КПП — обрыв цепи |
| P2754 | Охладитель рабочей жидкости КПП — низкий уровень сигнала |
| P2755 | Охладитель рабочей жидкости КПП — высокий уровень сигнала |
| P2756 | Э/м клапан управления давлением муфты блокировки гидротрансформатора — неисправность электрической цепи |
| P2757 | Э/м клапан управления давлением муфты блокировки гидротрансформатора — функционирование или заедание в закрытом положении |
| P2758 | Э/м клапан управления давлением муфты блокировки гидротрансформатора — заедание в открытом положении |
| P2759 | Э/м клапан управления давлением муфты блокировки гидротрансформатора — электрическая неисправность |
| P2760 | Э/м клапан управления давлением муфты блокировки гидротрансформатора — ненадежный контакт электрической цепи |
| P2761 | Э/м клапан управления давлением муфты блокировки гидротрансформатора — обрыв цепи |
| P2762 | Э/м клапан управления давлением муфты блокировки гидротрансформатора — диапазон/функционирование |
| P2763 | Э/м клапан управления давлением муфты блокировки гидротрансформатора — высокий уровень сигнала |
| P2764 | Э/м клапан управления давлением муфты блокировки гидротрансформатора — низкий уровень сигнала |
| P2765 | Датчик частоты вращения входного вала / датчик частоты вращения вала турбины B — неисправность электрической цепи |
| P2766 | Датчик частоты вращения входного вала/датчик частоты вращения вала турбины B — диапазон/функционирование |
| P2767 | Датчик частоты вращения входного вала/датчик частоты вращения вала турбины B — нет сигнала |
| P2768 | Датчик частоты вращения входного вала / датчик частоты вращения вала турбины B — ненадежный контакт электрической цепи |
| P2769 | Муфта гидротрансформатора — низкий уровень сигнала |
| P2770 | Муфта гидротрансформатора — высокий уровень сигнала |
| P2771 | Выключатель понижающей передачи, 4WD — неисправность электрической цепи |
| P2772 | Выключатель понижающей передачи, 4WD — диапазон/функционирование |
| P2773 | Выключатель понижающей передачи, 4WD — низкий уровень сигнала |
| P2774 | Выключатель понижающей передачи, 4WD — высокий уровень сигнала |
| P2775 | Переключатель выбора передач КПП, повышение передачи — диапазон/функционирование |
| P2776 | Переключатель выбора передач КПП, повышение передачи — низкий уровень сигнала |
| P2777 | Переключатель выбора передач КПП, повышение передачи — высокий уровень сигнала |
| P2778 | Переключатель выбора передач КПП, повышение передачи — ненадежный/пропадающий контакт электрической цепи |
| P2779 | Переключатель выбора передач КПП, понижение передачи — диапазон/функционирование |
| P2780 | Переключатель выбора передач КПП, понижение передачи — низкий уровень сигнала |
| P2781 | Переключатель выбора передач КПП, понижение передачи — высокий уровень сигнала |
| P2782 | Переключатель выбора передач КПП, понижение передачи — ненадежный/пропадающий контакт электрической цепи |
| P2783 | Гидротрансформатор — слишком высокая температура |
| P2784 | Датчик частоты вращения входного вала/датчик частоты вращения вала турбины A/B — корреляция |
| P2785 | Привод сцепления — слишком высокая температура |
| P2786 | Привод переключения передач — слишком высокая температура |
| P2787 | Сцепление — слишком высокая температура |
| P2788 | Коробка передач с автоматизированным переключением (ASM), адаптивное обучение — на пределе |
| P2789 | Сцепление, адаптивное обучение — на пределе |
| P278A | Выключатель режима kick-down — неисправность электрической цепи |
| P278B | Выключатель режима kick-down — диапазон/функционирование |
| P278C | Выключатель режима kick-down — низкий уровень сигнала |
| P278D | Выключатель режима kick-down — высокий уровень сигнала |
| P278E | Выключатель режима kick-down — пропадающий/хаотичный сигнал |
| P278F | Сцепление B, адаптивное обучение — на пределе |
| P2790 | Контроль выбора диапазона — неисправность электрической цепи |
| P2791 | Контроль выбора диапазона — низкий уровень сигнала |
| P2792 | Контроль выбора диапазона — высокий уровень сигнала |
| P2793 | Контроль выбора передачи — неисправность электрической цепи |
| P2794 | Контроль выбора передачи — низкий уровень сигнала |
| P2795 | Контроль выбора передачи — высокий уровень сигнала |
| P2796 | Управление дополнительным насосом рабочей жидкости КПП — обрыв цепи |
| P2797 | Дополнительный насос рабочей жидкости КПП — функционирование |
| P2798 | Управление дополнительным насосом рабочей жидкости КПП — низкий уровень сигнала |
| P2799 | Управление дополнительным насосом рабочей жидкости КПП — высокий уровень сигнала |
| P279A | Раздаточная коробка, повышающая передача — некорректное передаточное отношение |
| P279B | Раздаточная коробка, понижающая передача — некорректное передаточное отношение |
| P279C | Раздаточная коробка, нейтраль — некорректное передаточное отношение |
| P279D | Управление 4WD — некорректный сигнал |
| P279E | Управление 4WD — диапазон/функционирование цепи управления |
| P279F | Управление 4WD — низкий уровень сигнала |
| P27A0 | Управление 4WD — высокий уровень сигнала |
| P2800 | Датчик положения селектора B — входной сигнал PRNDL |
| P2801 | Датчик положения селектора B — диапазон/функционирование |
| P2802 | Датчик положения селектора B — низкий уровень сигнала |
| P2803 | Датчик положения селектора B — высокий уровень сигнала |
| P2804 | Датчик положения селектора B — ненадежный контакт электрической цепи |
| P2805 | Датчик положения селектора A/B — корреляция |
| P2806 | Датчик положения селектора — сигнал датчика не синхронизирован |
| P2807 | Э/м клапан G управления давлением рабочей жидкости КПП |
| P2808 | Э/м клапан G управления давлением рабочей жидкости КПП — функционирование или заедание в закрытом положении |
| P2809 | Э/м клапан G управления давлением рабочей жидкости КПП — заедание в открытом положении |
| P280A | Датчик положения селектора A — калибровка не выполнена |
| P280B | Датчик положения селектора B — калибровка не выполнена |
| P2810 | Э/м клапан G управления давлением рабочей жидкости КПП — электрическая неисправность |
| P2811 | Э/м клапан G управления давлением рабочей жидкости КПП — прерывистый сигнал |
| P2812 | Э/м клапан G управления давлением рабочей жидкости КПП — обрыв управляющей цепи |
| P2813 | Э/м клапан G управления давлением рабочей жидкости КПП — диапазон/функционирование управляющей цепи |
| P2814 | Э/м клапан G управления давлением рабочей жидкости КПП — низкий уровень сигнала управляющей цепи |
| P2815 | Э/м клапан G управления давлением рабочей жидкости КПП — высокий уровень сигнала управляющей цепи |
| P2816 | Э/м клапан H управления давлением рабочей жидкости КПП |
| P2817 | Э/м клапан H управления давлением рабочей жидкости КПП — функционирование или залипание в закрытом положении |
| P2818 | Э/м клапан H управления давлением рабочей жидкости КПП — заедание в открытом положении |
| P2819 | Э/м клапан H управления давлением рабочей жидкости КПП — электрическая неисправность |
| P281A | Э/м клапан Н управления давлением рабочей жидкости КПП — ненадежный электрический контакт |
| P281B | Э/м клапан Н управления давлением рабочей жидкости КПП — обрыв управляющей цепи |
| P281C | Э/м клапан Н управления давлением рабочей жидкости КПП — диапазон/функционирование управляющей цепи |
| P281D | Э/м клапан Н управления давлением рабочей жидкости КПП — низкий уровень сигнала управляющей цепи |
| P281E | Э/м клапан Н управления давлением рабочей жидкости КПП — высокий уровень сигнала управляющей цепи |
| P281F | Э/м клапан J управления давлением рабочей жидкости КПП — неисправность |
| P2820 | Э/м клапан J управления давлением рабочей жидкости КПП — функционирование или залипание в закрытом положении |
| P2821 | Э/м клапан J управления давлением рабочей жидкости КПП — заедание в открытом положении |
| P2822 | Э/м клапан J управления давлением рабочей жидкости КПП — электрическая неисправность |
| P2823 | Э/м клапан J управления давлением рабочей жидкости КПП — прерывистый сигнал |
| P2824 | Э/м клапан J управления давлением рабочей жидкости КПП — обрыв управляющей цепи |
| P2825 | Э/м клапан J управления давлением рабочей жидкости КПП — диапазон/функционирование управляющей цепи |
| P2826 | Э/м клапан J управления давлением рабочей жидкости КПП — низкий уровень сигнала управляющей цепи |
| P2827 | Э/м клапан J управления давлением рабочей жидкости КПП — высокий уровень сигнала управляющей цепи |
| P2828 | Э/м клапан K управления давлением рабочей жидкости КПП |
| P2829 | Э/м клапан K управления давлением рабочей жидкости КПП — функционирование или залипание в закрытом положении |
| P282A | Э/м клапан К управления давлением рабочей жидкости КПП — завис в открытом положении |
| P282B | Э/м клапан К управления давлением рабочей жидкости КПП — электрическая неисправность |
| P282C | Э/м клапан К управления давлением рабочей жидкости КПП — ненадежный электрический контакт |
| P282D | Э/м клапан К управления давлением рабочей жидкости КПП — обрыв управляющей цепи |
| P282E | Э/м клапан К управления давлением рабочей жидкости КПП — диапазон/функционирование управляющей цепи |
| P282F | Э/м клапан К управления давлением рабочей жидкости КПП — низкий уровень сигнала управляющей цепи |
| P2830 | Э/м клапан K управления давлением рабочей жидкости КПП — высокий уровень сигнала управляющей цепи |
| P2831 | Положение вилки переключения КПП A — неисправность электрической цепи |
| P2832 | Положение вилки переключения КПП A — диапазон/функционирование |
| P2833 | Положение вилки переключения КПП A — низкий уровень сигнала |
| P2834 | Положение вилки переключения КПП A — высокий уровень сигнала |
| P2835 | Положение вилки переключения КПП A — прерывистый сигнал |
| P2836 | Положение вилки переключения КПП B — неисправность электрической цепи |
| P2837 | Положение вилки переключения КПП B — диапазон/функционирование |
| P2838 | Положение вилки переключения КПП B — низкий уровень сигнала |
| P2839 | Положение вилки переключения КПП B — высокий уровень сигнала |
| P283A | Положение вилки переключения КПП B — прерывистый сигнал |
| P283B | Положение вилки переключения КПП C — неисправность электрической цепи |
| P283C | Положение вилки переключения КПП C — диапазон/функционирование |
| P283D | Положение вилки переключения КПП C — низкий уровень сигнала |
| P283E | Положение вилки переключения КПП C — высокий уровень сигнала |
| P283F | Положение вилки переключения КПП C — прерывистый сигнал |
| P2840 | Положение вилки переключения КПП D — неисправность электрической цепи |
| P2841 | Положение вилки переключения КПП D — диапазон/функционирование |
| P2842 | Положение вилки переключения КПП D — низкий уровень сигнала |
| P2843 | Положение вилки переключения КПП D — высокий уровень сигнала |
| P2844 | Положение вилки переключения КПП D — прерывистый сигнал |
| P2845 | Датчик положения вилки переключения КПП A — некорректная индикация нейтрального положения |
| P2846 | Датчик положения вилки переключения КПП B — некорректная индикация нейтрального положения |
| P2847 | Датчик положения вилки переключения КПП C — некорректная индикация нейтрального положения |
| P2848 | Датчик положения вилки переключения КПП D — некорректная индикация нейтрального положения |
| P2849 | Вилка переключения КПП A — заедание |
| P284A | Вилка переключения КПП B — заедание |
| P284B | Вилка переключения КПП C — заедание |
| P284C | Вилка переключения КПП D — заедание |
| P284D | Вилка переключения КПП A — незапрашиваемое перемещение |
| P284E | Вилка переключения КПП B — незапрашиваемое перемещение |
| P284F | Вилка переключения КПП C — незапрашиваемое перемещение |
| P2850 | Вилка переключения КПП D — незапрашиваемое перемещение |
| P2851 | Датчик положения вилки переключения КПП A/B — корреляция |
| P2852 | Датчик положения вилки переключения КПП C/D — корреляция |
| P2853 | Сцепление A, сброс давления — функционирование |
| P2854 | Сцепление B, сброс давления — функционирование |
| P2855 | Сцепление A, нагнетание давления — функционирование |
| P2856 | Сцепление B, нагнетание давления — функционирование |
| P2857 | Сцепление A, подача давления — функционирование |
| P2858 | Сцепление B, подача давления — функционирование |
| P2859 | Сцепление A, отключение давления — функционирование |
| P285A | Сцепление B, отключение давления — функционирование |
| P285B | Привод вилки переключения КПП A — обрыв цепи |
| P285C | Привод вилки переключения КПП A — функционирование |
| P285D | Привод вилки переключения КПП A — низкий уровень сигнала |
| P285E | Привод вилки переключения КПП A — высокий уровень сигнала |
| P285F | Привод вилки переключения КПП B — обрыв цепи |
| P2860 | Привод вилки переключения КПП B — функционирование |
| P2861 | Привод вилки переключения КПП B — низкий уровень сигнала |
| P2862 | Привод вилки переключения КПП B — высокий уровень сигнала |
| P287B | SHIFT FORK CALIBRATION NOT LEARNE |
| P2A00 | Подогреваемый кислородный датчик 1, банк 1 — проблемы диапазона/функционирования |
| P2A01 | Подогреваемый кислородный датчик 2, банк 1 — диапазон/функционирование |
| P2A02 | Подогреваемый кислородный датчик 3, банк 1 — диапазон/функционирование |
| P2A03 | Подогреваемый кислородный датчик 1, банк 2 — диапазон/функционирование |
| P2A04 | Подогреваемый кислородный датчик 2, банк 2 — диапазон/функционирование |
| P2A05 | Подогреваемый кислородный датчик 3, банк 2 — диапазон/функционирование |
| P2A06 | Подогреваемый кислородный датчик 1, банк 1 — отрицательное напряжение |
| P2A07 | Подогреваемый кислородный датчик 2, банк 1 — отрицательное напряжение |
| P2A08 | Подогреваемый кислородный датчик 3, банк 1 — отрицательное напряжение |
| P2A09 | Подогреваемый кислородный датчик 1, банк 2 — отрицательное напряжение |
| P2A10 | Подогреваемый кислородный датчик 2, банк 2 — отрицательное напряжение |
| P2A11 | Подогреваемый кислородный датчик 3, банк 2 — отрицательное напряжение |
| P2BA7 | Превышение предела по NOx — бак восстановителя пуст |
| P2BA8 | Превышение предела по NOx — прерывание измерения расхода восстановителя |
| P2BA9 | Превышение предела по NOx — неудовлетворительное качество восстановителя |
| P2BAA | Превышение предела по NOx — низкий расход восстановителя |
| P2BAB | Превышение предела по NOx — некорректный уровень рециркуляции (EGR) |
| P2BAC | Превышение предела по NOx — рециркуляция отработавших газов (EGR) деактивирована |
| P2BAD | Превышение предела по NOx — неизвестная причина |
| P2BAE | Превышение предела по NOx — контроль NOx |
| P3400 | Система деактивации цилиндра, банк 1 |
| P3401 | Деактивация/управление впускным клапаном, цилиндр 1 — обрыв цепи |
| P3402 | Деактивация/управление впускным клапаном, цилиндр 1 — функционирование |
| P3403 | Деактивация/управление впускным клапаном, цилиндр 1 — низкий уровень |
| P3404 | Деактивация/управление впускным клапаном, цилиндр 1 — высокий уровень |
| P3405 | Управление выпускным клапаном, цилиндр 1 — обрыв цепи |
| P3406 | Управление выпускным клапаном, цилиндр 1 — функционирование |
| P3407 | Управление выпускным клапаном, цилиндр 1 — низкий уровень |
| P3408 | Управление выпускным клапаном, цилиндр 1 — высокий уровень |
| P3409 | Деактивация/управление впускным клапаном, цилиндр 2 — обрыв цепи |
| P340A | Деактивация/управление впускным клапаном, банк 1 — неисправность цепи |
| P340B | Деактивация/управление впускным клапаном, банк 2 — неисправность цепи |
| P340C | Деактивация/управление выпускным клапаном, банк 1 — неисправность цепи |
| P340D | Деактивация/управление выпускным клапаном, банк 2 — неисправность цепи |
| P3410 | Деактивация/управление впускным клапаном, цилиндр 2 — функционирование |
| P3411 | Деактивация/управление впускным клапаном, цилиндр 2 — низкий уровень |
| P3412 | Деактивация/управление впускным клапаном, цилиндр 2 — высокий уровень |
| P3413 | Управление выпускным клапаном, цилиндр 2 — обрыв цепи |
| P3414 | Управление выпускным клапаном, цилиндр 2 — функционирование |
| P3415 | Управление выпускным клапаном, цилиндр 2 — низкий уровень |
| P3416 | Управление выпускным клапаном, цилиндр 2 — высокий уровень |
| P3417 | Деактивация/управление впускным клапаном, цилиндр 3 — обрыв цепи |
| P3418 | Деактивация/управление впускным клапаном, цилиндр 3 — функционирование |
| P3419 | Деактивация/управление впускным клапаном, цилиндр 3 — низкий уровень |
| P341A | Деактивация/управление впускным клапаном, банк 1 — функционирование |
| P341B | Деактивация/управление впускным клапаном, банк 2 — функционирование |
| P341C | Деактивация/управление выпускным клапаном, банк 1 — функционирование |
| P341D | Деактивация/управление выпускным клапаном, банк 2 — функционирование |
| P3420 | Деактивация/управление впускным клапаном, цилиндр 3 — высокий уровень |
| P3421 | Управление выпускным клапаном, цилиндр 3 — обрыв цепи |
| P3422 | Управление выпускным клапаном, цилиндр 3 — функционирование |
| P3423 | Управление выпускным клапаном, цилиндр 3 — низкий уровень |
| P3424 | Управление выпускным клапаном, цилиндр 3 — высокий уровень |
| P3425 | Деактивация/управление впускным клапаном, цилиндр 4 — обрыв цепи |
| P3426 | Деактивация/управление впускным клапаном, цилиндр 4 — функционирование |
| P3427 | Деактивация/управление впускным клапаном, цилиндр 4 — низкий уровень |
| P3428 | Деактивация/управление впускным клапаном, цилиндр 4 — высокий уровень |
| P3429 | Управление выпускным клапаном, цилиндр 4 — обрыв цепи |
| P3430 | Управление выпускным клапаном, цилиндр 4 — функционирование |
| P3431 | Управление выпускным клапаном, цилиндр 4 — низкий уровень |
| P3432 | Управление выпускным клапаном, цилиндр 4 — высокий уровень |
| P3433 | Деактивация/управление впускным клапаном, цилиндр 5 — обрыв цепи |
| P3434 | Деактивация/управление впускным клапаном, цилиндр 5 — функционирование |
| P3435 | Деактивация/управление впускным клапаном, цилиндр 5 — низкий уровень |
| P3436 | Деактивация/управление впускным клапаном, цилиндр 5 — высокий уровень |
| P3437 | Управление выпускным клапаном, цилиндр 5 — обрыв цепи |
| P3438 | Управление выпускным клапаном, цилиндр 5 — функционирование |
| P3439 | Управление выпускным клапаном, цилиндр 5 — низкий уровень |
| P3440 | Управление выпускным клапаном, цилиндр 5 — высокий уровень |
| P3441 | Деактивация/управление впускным клапаном, — обрыв цепи |
| P3442 | Деактивация/управление впускным клапаном, цилиндр 6 — функционирование |
| P3443 | Деактивация/управление впускным клапаном, цилиндр 6 — низкий уровень |
| P3444 | Деактивация/управление впускным клапаном, цилиндр 6 — высокий уровень |
| P3445 | Управление выпускным клапаном, цилиндр 6 — обрыв цепи |
| P3446 | Управление выпускным клапаном, цилиндр 6 — функционирование |
| P3447 | Управление выпускным клапаном, цилиндр 6 — низкий уровень |
| P3448 | Управление выпускным клапаном, цилиндр 6 — высокий уровень |
| P3449 | Деактивация/управление впускным клапаном, цилиндр 7 — обрыв цепи |
| P3450 | Деактивация/управление впускным клапаном, цилиндр 7 — функционирование |
| P3451 | Деактивация/управление впускным клапаном, цилиндр 7 — низкий уровень |
| P3452 | Деактивация/управление впускным клапаном, цилиндр 7 — высокий уровень |
| P3453 | Управление выпускным клапаном, цилиндр 7 — обрыв цепи |
| P3454 | Управление выпускным клапаном, цилиндр 7 — функционирование |
| P3455 | Управление выпускным клапаном, цилиндр 7 — низкий уровень |
| P3456 | Управление выпускным клапаном, цилиндр 7 — высокий уровень |
| P3457 | Деактивация/управление впускным клапаном, цилиндр 8 — обрыв цепи |
| P3458 | Деактивация/управление впускным клапаном, цилиндр 8 — функционирование |
| P3459 | Деактивация/управление впускным клапаном, цилиндр 8 — низкий уровень |
| P3460 | Деактивация/управление впускным клапаном, цилиндр 8 — высокий уровень |
| P3461 | Управление выпускным клапаном, цилиндр 8 — обрыв цепи |
| P3462 | Управление выпускным клапаном, цилиндр 8 — функционирование |
| P3463 | Управление выпускным клапаном, цилиндр 8 — низкий уровень |
| P3464 | Управление выпускным клапаном, цилиндр 8 — высокий уровень |
| P3465 | Деактивация/управление впускным клапаном, цилиндр 9 — обрыв цепи |
| P3466 | Деактивация/управление впускным клапаном, цилиндр 9 — функционирование |
| P3467 | Деактивация/управление впускным клапаном, цилиндр 9 — низкий уровень |
| P3468 | Деактивация/управление впускным клапаном, цилиндр 9 — высокий уровень |
| P3469 | Управление выпускным клапаном, цилиндр 9 — обрыв цепи |
| P3470 | Управление выпускным клапаном, цилиндр 9 — функционирование |
| P3471 | Управление выпускным клапаном, цилиндр 9 — низкий уровень |
| P3472 | Управление выпускным клапаном, цилиндр 9 — высокий уровень |
| P3473 | Деактивация/управление впускным клапаном, цилиндр 10 — обрыв цепи |
| P3474 | Деактивация/управление впускным клапаном, цилиндр 10 — функционирование |
| P3475 | Деактивация/управление впускным клапаном, цилиндр 10 — низкий уровень |
| P3476 | Деактивация/управление впускным клапаном, цилиндр 10 — высокий уровень |
| P3477 | Управление выпускным клапаном, цилиндр 10 — обрыв цепи |
| P3478 | Управление выпускным клапаном, цилиндр 10 — функционирование |
| P3479 | Управление выпускным клапаном, цилиндр 10 — низкий уровень |
| P3480 | Управление выпускным клапаном, цилиндр 10 — высокий уровень |
| P3481 | Деактивация/управление впускным клапаном, цилиндр 11 — обрыв цепи |
| P3482 | Деактивация/управление впускным клапаном, цилиндр 11 — функционирование |
| P3483 | Деактивация/управление впускным клапаном, цилиндр 11 — низкий уровень |
| P3484 | Деактивация/управление впускным клапаном, цилиндр 11 — высокий уровень |
| P3485 | Управление выпускным клапаном, цилиндр 11 — обрыв цепи |
| P3486 | Управление выпускным клапаном, цилиндр 11 — функционирование |
| P3487 | Управление выпускным клапаном, цилиндр 11 — низкий уровень |
| P3488 | Управление выпускным клапаном, цилиндр 11 — высокий уровень |
| P3489 | Деактивация/управление впускным клапаном, цилиндр 12 — обрыв цепи |
| P3490 | Деактивация/управление впускным клапаном, цилиндр 12 — функционирование |
| P3491 | Деактивация/управление впускным клапаном, цилиндр 12 — низкий уровень |
| P3492 | Деактивация/управление впускным клапаном, цилиндр 12 — высокий уровень |
| P3493 | Управление выпускным клапаном, цилиндр 12 — обрыв цепи |
| P3494 | Управление выпускным клапаном, цилиндр 12 — функционирование |
| P3495 | Управление выпускным клапаном, цилиндр 12 — низкий уровень |
| P3496 | Управление выпускным клапаном, цилиндр 12 — высокий уровень |
| P3497 | Система деактивации цилиндра, банк 2 |
Межблочная шина обмена данных (CAN-bus) (CAN-II)
| Код | Расшифровка |
|---|---|
| U0001 | Шина данных CAN, высокая скорость |
| U0002 | Шина данных CAN, высокая скорость — функционирование |
| U0003 | Шина данных CAN, высокая скорость (+) — обрыв цепи |
| U0004 | Шина данных CAN, высокая скорость (+) — низкое напряжение |
| U0005 | Шина данных CAN, высокая скорость (+) — высокое напряжение |
| U0006 | Шина данных CAN, высокая скорость (-) — обрыв цепи |
| U0007 | Шина данных CAN, высокая скорость (-) — низкое напряжение |
| U0008 | Шина данных CAN, высокая скорость (-) — высокое напряжение |
| U0009 | Шина данных CAN, высокая скорость (-) — короткое замыкание на шину (+) |
| U0010 | Шина данных CAN, средняя скорость |
| U0011 | Шина данных CAN, средняя скорость — функционирование |
| U0012 | Шина данных CAN, средняя скорость (+) — обрыв цепи |
| U0013 | Шина данных CAN, средняя скорость (+) — низкое напряжение |
| U0014 | Шина данных CAN, средняя скорость (+) — высокое напряжение |
| U0015 | Шина данных CAN, средняя скорость (-) — обрыв цепи |
| U0016 | Шина данных CAN, средняя скорость (-) — низкое напряжение |
| U0017 | Шина данных CAN, средняя скорость (-) — высокое напряжение |
| U0018 | Шина данных CAN, средняя скорость (-) — короткое замыкание на шину (+) |
| U0019 | Шина данных CAN, низкая скорость |
| U0020 | Шина данных CAN, низкая скорость — функционирование |
| U0021 | Шина данных CAN, низкая скорость (+) — обрыв цепи |
| U0022 | Шина данных CAN, низкая скорость (+) — низкое напряжение |
| U0023 | Шина данных CAN, низкая скорость (+) — высокое напряжение |
| U0024 | Шина данных CAN, низкая скорость (-) — обрыв цепи |
| U0025 | Шина данных CAN, низкая скорость (-) — низкое напряжение |
| U0026 | Шина данных CAN, низкая скорость (-) — высокое напряжение |
| U0027 | Шина данных CAN, низкая скорость (-) — короткое замыкание на шину (+) |
| U0028 | Шина данных VAN A |
| U0029 | Шина данных VAN A — функционирование |
| U0030 | Шина данных VAN A (+) — обрыв цепи |
| U0031 | Шина данных VAN A (+) — низкое напряжение |
| U0032 | Шина данных VAN A (+) — высокое напряжение |
| U0033 | Шина данных VAN A (-) — обрыв цепи |
| U0034 | Шина данных VAN A (-) — низкое напряжение |
| U0035 | Шина данных VAN A (-) — высокое напряжение |
| U0036 | Шина данных VAN A (-) — короткое замыкание на шину A (+) |
| U0037 | Шина данных VAN B |
| U0038 | Шина данных VAN B — функционирование |
| U0039 | Шина данных VAN B (+) — обрыв цепи |
| U0040 | Шина данных VAN B (+) — низкое напряжение |
| U0041 | Шина данных VAN B (+) — высокое напряжение |
| U0042 | Шина данных VAN B (-) — обрыв цепи |
| U0043 | Шина данных VAN B (-) — низкое напряжение |
| U0044 | Шина данных VAN B (-) — высокое напряжение |
| U0045 | Шина данных VAN B (-) — короткое замыкание на шину B (+) |
| U0046 | Шина данных VAN C |
| U0047 | Шина данных VAN C — функционирование |
| U0048 | Шина данных VAN C (+) — обрыв цепи |
| U0049 | Шина данных VAN C (+) — низкое напряжение |
| U0050 | Шина данных VAN C (+) — высокое напряжение |
| U0051 | Шина данных VAN C (-) — обрыв цепи |
| U0052 | Шина данных VAN C (-) — низкое напряжение |
| U0053 | Шина данных VAN C (-) — высокое напряжение |
| U0054 | Шина данных VAN C (-) — короткое замыкание на шину C (+) |
| U0055 | Шина данных VAN D |
| U0056 | Шина данных VAN D — функционирование |
| U0057 | Шина данных VAN D (+) — обрыв цепи |
| U0058 | Шина данных VAN D (+) — низкое напряжение |
| U0059 | Шина данных VAN D (+) — высокое напряжение |
| U0060 | Шина данных VAN D (-) — обрыв цепи |
| U0061 | Шина данных VAN D (-) — низкое напряжение |
| U0062 | Шина данных VAN D (-) — высокое напряжение |
| U0063 | Шина данных VAN D (-) — короткое замыкание на шину D (+) |
| U0064 | Шина данных VAN E |
| U0065 | Шина данных VAN E — функционирование |
| U0066 | Шина данных VAN E (+) — обрыв цепи |
| U0067 | Шина данных VAN E (+) — низкое напряжение |
| U0068 | Шина данных VAN E (+) — высокое напряжение |
| U0069 | Шина данных VAN E (-) — обрыв цепи |
| U0070 | Шина данных VAN E (-) — низкое напряжение |
| U0071 | Шина данных VAN E (-) — высокое напряжение |
| U0072 | Шина данных VAN E (-) — короткое замыкание на шину E (+) |
| U0073 | Электронный блок управления КПП — шина данных отключена |
| U0074 | Блок управления шиной связи B — шина данных отключена |
| U0080 | Шина данных VAN F |
| U0081 | Шина данных VAN F — функционирование |
| U0082 | Шина данных VAN F (+) — обрыв цепи |
| U0083 | Шина данных VAN F (+) — низкое напряжение |
| U0084 | Шина данных VAN F (+) — высокое напряжение |
| U0085 | Шина данных VAN F (-) — обрыв цепи |
| U0086 | Шина данных VAN F (-) — низкое напряжение |
| U0087 | Шина данных VAN F (-) — высокое напряжение |
| U0088 | Шина данных VAN F (-) — короткое замыкание на шину F (+) |
| U0100 | Шина данных, электронный блок управления двигателем (ECM) A — нет связи |
| U0101 | Шина данных, электронный блок управления КПП (TCM) — нет связи |
| U0102 | Шина данных, блок управления раздаточной коробкой — нет связи |
| U0103 | Шина данных, блок управления переключением передач — нет связи |
| U0104 | Шина данных, блок управления системой поддержания скорости (круиз-контролем) — нет связи |
| U0105 | Шина данных, блок управления форсунками — нет связи |
| U0106 | Шина данных, блок управления свечами накаливания — нет связи |
| U0107 | Шина данных, блок управления приводом дроссельной заслонки — нет связи |
| U0108 | Шина данных, блок управления подачей альтернативного топлива — нет связи |
| U0109 | Шина данных, блок управления топливным насосом — нет связи |
| U010A | Блок управления A системой рециркуляции отработавших газов (EGR) — потеря сигнала связи |
| U010B | Блок управления В системой рециркуляции отработавших газов (EGR) — потеря связи |
| U010C | Блок управления А турбокомпрессором/приводным нагнетателем — потеря сигнала связи |
| U010D | Блок управления B турбокомпрессором/приводным нагнетателем — потеря сигнала связи |
| U010E | Блок управления системой восстановителя — потеря сигнала связи |
| U010F | Блок управления кондиционером — потеря сигнала связи |
| U0110 | Шина данных, блок управления электродвигателем привода — нет связи |
| U0111 | Шина данных, блок управления зарядом батареи A — нет связи |
| U0112 | Шина данных, блок управления зарядом батареи B — нет связи |
| U0113 | Шина данных, система контроля уровня выбросов — нет связи |
| U0114 | Шина данных, блок управления муфтой включения 4WD — нет связи |
| U0115 | Шина данных, электронный блок управления двигателем (ECM) B — нет связи |
| U0116 | Потеря связи с блоком управления температурой охлаждающей жидкости |
| U0117 | Потеря связи с блоком управления отбором мощности |
| U0118 | Потеря связи с блоком управления добавлением присадки |
| U0119 | Потеря связи с блоком управления топливными элементами |
| U011A | Блок управления датчиком отработавших газов — потеря сигнала связи |
| U011B | Блок управления А коромыслами — потеря сигнала связи |
| U011C | Блок управления В коромыслами — потеря сигнала связи |
| U011D | Электронный блок управления 4WD — потеря связи |
| U011E | Блок B системы электронного управления дроссельной заслонкой (ETS) — потеря связи |
| U0120 | Потеря связи с блоком управления генератором/стартером |
| U0121 | Шина данных, электронный блок управления ABS — нет связи |
| U0122 | Шина данных, блок управления системой курсовой устойчивости — нет связи |
| U0123 | Шина данных, блок датчика бокового перемещения — нет связи |
| U0124 | Шина данных, блок датчика бокового ускорения — нет связи |
| U0125 | Шина данных, блок многокоординатного датчика ускорения — нет связи |
| U0126 | Шина данных, блок датчика положения рулевого колеса — нет связи |
| U0127 | Шина данных, блок контроля за давлением в шинах — нет связи |
| U0128 | Шина данных, блок управления стояночным тормозом — нет связи |
| U0129 | Шина данных, блок управления тормозной системой — нет связи |
| U012A | Блок управления шасси A — потеря связи |
| U012B | Блок управления шасси B — потеря связи |
| U012C | Блок управления системы снижения вибраций — потеря связи |
| U0130 | Шина данных, блок системы рулевого управления с изменяемым коэффициентом усиления — нет связи |
| U0131 | Шина данных, блок управления усилителем рулевого управления — нет связи |
| U0132 | Шина данных, блок управления клиренсом — нет связи |
| U0133 | Потеря связи с блоком управления Active Roll Control |
| U0134 | Потеря связи с блоком управления рулевым управлением с усилителем, задний |
| U0135 | Потеря связи с блоком управления дифференциалом, задний |
| U0136 | Потеря связи с блоком управления дифференциалом, передний |
| U0137 | Потеря связи с блоком управления тормозами прицепа |
| U0138 | Потеря связи с блоком управления системой All-Terrain |
| U0139 | Потеря связи с блоком управления В подвеской |
| U0140 | Шина данных, блок управления электрооборудованием (BCM) — нет связи |
| U0141 | Шина данных, блок управления электрооборудованием (BCM) A — нет связи |
| U0142 | Шина данных, блок управления электрооборудованием (BCM) B — нет связи |
| U0143 | Шина данных, блок управления электрооборудованием (BCM) C — нет связи |
| U0144 | Шина данных, блок управления электрооборудованием (BCM) D — нет связи |
| U0145 | Шина данных, блок управления электрооборудованием (BCM) E — нет связи |
| U0146 | Шина данных, шлюз A — нет связи |
| U0147 | Шина данных, шлюз B — нет связи |
| U0148 | Шина данных, шлюз C — нет связи |
| U0149 | Шина данных, шлюз D — нет связи |
| U0150 | Шина данных, шлюз E — нет связи |
| U0151 | Шина данных, блок управления SRS — нет связи |
| U0152 | Шина данных, блок управления SRS, левый — нет связи |
| U0153 | Шина данных, блок управления SRS, правый — нет связи |
| U0154 | Шина данных, блок контроля наличия пассажира (SRS) — нет связи |
| U0155 | Шина данных, блок управления комбинацией приборов — нет связи |
| U0156 | Шина данных, информационный центр A — нет связи |
| U0157 | Шина данных, информационный центр B — нет связи |
| U0158 | Шина данных, верхний дисплей — нет связи |
| U0159 | Шина данных, блок управления системой парковки A — нет связи |
| U0160 | Шина данных, блок управления звуковой сигнализацией — нет связи |
| U0161 | Шина данных, блок компаса — нет связи |
| U0162 | Шина данных, блок навигационного дисплея — нет связи |
| U0163 | Шина данных, блок управления навигационной системой — нет связи |
| U0164 | Шина данных, блок управления кондиционером — нет связи |
| U0165 | Шина данных, блок управления кондиционером, задний |
| U0166 | Шина данных, блок управления дополнительным отопителем — нет связи |
| U0167 | Шина данных, блок управления иммобилайзером — нет связи |
| U0168 | Шина данных, блок управления противоугонной системой — нет связи |
| U0169 | Шина данных, блок управления люком — нет связи |
| U016A | Блок управления навигационной системой — потеря связи |
| U016B | Блок управления электрическим компрессором кондиционера — потеря связи |
| U016C | Блок управления топливным насосом B — потеря связи |
| U0170 | Шина данных, датчик SRS A — нет связи |
| U0171 | Шина данных, датчик SRS B — нет связи |
| U0172 | Шина данных, датчик SRS C — нет связи |
| U0173 | Шина данных, датчик SRS D — нет связи |
| U0174 | Шина данных, датчик SRS E — нет связи |
| U0175 | Шина данных, датчик SRS F — нет связи |
| U0176 | Шина данных, датчик SRS G — нет связи |
| U0177 | Шина данных, датчик SRS H — нет связи |
| U0178 | Шина данных, датчик SRS I — нет связи |
| U0179 | Шина данных, датчик SRS J — нет связи |
| U017A | Датчик К системы пассивной безопасности — потеря сигнала связи |
| U017B | Датчик L системы пассивной безопасности — потеря сигнала связи |
| U017C | Датчик M системы пассивной безопасности — потеря сигнала связи |
| U017D | Датчик N системы пассивной безопасности — потеря сигнала связи |
| U017E | Блок управления преднатяжителями A — потеря связи |
| U017F | Блок управления преднатяжителями B — потеря связи |
| U0180 | Шина данных, блок системы автоматического управления освещением — нет связи |
| U0181 | Шина данных, блок управления корректором фар — нет связи |
| U0182 | Шина данных, блок управления освещением, передний — нет связи |
| U0183 | Шина данных, блок управления освещением, задний — нет связи |
| U0184 | Шина данных, радио — нет связи |
| U0185 | Шина данных, блок антенны — нет связи |
| U0186 | Шина данных, усилитель выходного сигнала аудиосистемы — нет связи |
| U0187 | Шина данных, блока СD-проигрывателя/чейнджера A — нет связи |
| U0188 | Шина данных, блока СD-проигрывателя/чейнджера B — нет связи |
| U0189 | Шина данных, блока СD-проигрывателя/чейнджера C — нет связи |
| U0190 | Шина данных, блока СD-проигрывателя/чейнджера D — нет связи |
| U0191 | Шина данных, телевизор — нет связи |
| U0192 | Шина данных, персональный компьютер — нет связи |
| U0193 | Шина данных, блок управления цифровой аудиосистемой A — нет связи |
| U0194 | Шина данных, блок управления цифровой аудиосистемой B — нет связи |
| U0195 | Шина данных, блок ресивера подписки мультимедиа-системы — нет связи |
| U0196 | Шина данных, блок управления мультимедиа-системой, задний — нет связи |
| U0197 | Шина данных, блок управления телефоном — нет связи |
| U0198 | Шина данных, блок управления телематикой — нет связи |
| U0199 | Шина данных, блок управления функциями двери A — нет связи |
| U0200 | Шина данных, блок управления функциями двери B — нет связи |
| U0201 | Шина данных, блок управления функциями двери C — нет связи |
| U0202 | Шина данных, блок управления функциями двери D — нет связи |
| U0203 | Шина данных, блок управления функциями двери E — нет связи |
| U0204 | Шина данных, блок управления функциями двери F — нет связи |
| U0205 | Шина данных, блок управления функциями двери G — нет связи |
| U0206 | Шина данных, блок управления складыванием крыши — нет связи |
| U0207 | Шина данных, блок управления подвижной крышей — нет связи |
| U0208 | Шина данных, блок управления регулировкой сидений A — нет связи |
| U0209 | Шина данных, блок управления регулировкой сидений A — нет связи |
| U0210 | Шина данных, блок управления регулировкой сидений C — нет связи |
| U0211 | Шина данных, блок управления регулировкой сидений D — нет связи |
| U0212 | Шина данных, блок управления рулевой колонкой — нет связи |
| U0213 | Шина данных, блок управления зеркалами A — нет связи |
| U0214 | Шина данных, дистанционное управление устройствами — нет связи |
| U0215 | Шина данных, концевой выключатель двери A — нет связи |
| U0216 | Шина данных, концевой выключатель двери B — нет связи |
| U0217 | Шина данных, концевой выключатель двери C — нет связи |
| U0218 | Шина данных, концевой выключатель двери D — нет связи |
| U0219 | Шина данных, концевой выключатель двери E — нет связи |
| U0220 | Шина данных, концевой выключатель двери F — нет связи |
| U0221 | Шина данных, концевой выключатель двери G — нет связи |
| U0222 | Шина данных, электропривод стеклоподъемников A — нет связи |
| U0223 | Шина данных, электропривод стеклоподъемников B — нет связи |
| U0224 | Шина данных, электропривод стеклоподъемников C — нет связи |
| U0225 | Шина данных, электропривод стеклоподъемников D — нет связи |
| U0226 | Шина данных, электропривод стеклоподъемников E — нет связи |
| U0227 | Шина данных, электропривод стеклоподъемников F — нет связи |
| U0228 | Шина данных, электропривод стеклоподъемников G — нет связи |
| U0229 | Шина данных, блок управления подогревом рулевого колеса — нет связи |
| U0230 | Шина данных, блок управления задней дверью — нет связи |
| U0231 | Шина данных, блок датчика дождя — нет связи |
| U0232 | Шина данных, блок системы определения боковых помех, левый — нет связи |
| U0233 | Шина данных, блок системы определения боковых помех, правый — нет связи |
| U0234 | Шина данных, блок системы обеспечения комфорта — нет связи |
| U0235 | Шина данных, передний датчик дистанции системы поддержания скорости — нет связи |
| U0236 | Блок управления блокировкой рулевой колонки — потеря связи |
| U0237 | Блок управления C аудиосистемой (DAB) — потеря связи |
| U0238 | Блок управления D аудиосистемой (DAB) — потеря связи |
| U0239 | Блок системы блокировки при угоне A — потеря связи |
| U023A | Блок А обработки изображения — потеря сигнала связи |
| U023B | Блок В обработки изображения — потеря сигнала связи |
| U023C | Блок С обработки изображения — потеря сигнала связи |
| U023D | Датчик дистанции системы поддержания скорости, левый передний — потеря связи |
| U023E | Датчик дистанции системы поддержания скорости, правый передний — потеря связи |
| U0240 | Блок системы блокировки при угоне B — потеря связи |
| U0241 | Блок управления фарами A — потеря связи |
| U0242 | Блок управления фарами B — потеря связи |
| U0243 | Блок управления системой парковки B — потеря связи |
| U0244 | Блок управления подножкой A — потеря связи |
| U0245 | Блок управления мультимедиа-системой, передний — потеря связи |
| U0246 | Блок управления приводом сидений E — потеря связи |
| U0247 | Блок управления приводом сидений F — потеря связи |
| U0248 | Блок дистанционного управления дополнительным оборудованием — потеря связи |
| U0249 | Блок управления мультимедиа-системой B, задний — потеря связи |
| U024A | Блок управления внутренним освещением — потеря связи |
| U024B | Блок управления приводом сидений G — потеря связи |
| U024C | Блок управления приводом сидений H — потеря связи |
| U0250 | Блок системы классификации столкновений — потеря связи |
| U0251 | Блок управления подножкой B — потеря связи |
| U0252 | Блок управления задними фонарями B — потеря связи |
| U0253 | Блок интерфейса дополнительного протокола — потеря связи |
| U0254 | Блок дистанционного запуска — потеря связи |
| U0255 | Блок интерфейса переднего дисплея — потеря связи |
| U0256 | Блок интерфейса переднего управления A — потеря связи |
| U0257 | Блок интерфейса переднего дисплея / переднего управления — потеря связи |
| U0258 | Приемопередатчик радио — потеря связи |
| U0259 | Блока A управления автомобилем специального назначения — потеря связи |
| U025A | Блок управления В автомобиля специального назначения — потеря сигнала связи |
| U025B | Блок управления С автомобиля специального назначения — потеря сигнала связи |
| U025C | Блок управления D автомобиля специального назначения — потеря сигнала связи |
| U025D | Блок интерфейса переднего управления B — потеря связи |
| U0260 | Блок управления регулировкой сидений A — потеря связи |
| U0261 | Блок управления регулировкой сидений B — потеря связи |
| U0262 | Усилитель выходного сигнала аудиосистемы B — потеря связи |
| U0263 | Блок системы голосовой активации — потеря связи |
| U0264 | Блок камеры — потеря связи |
| U0286 | Потеря связи с противоударным устройством радиатора |
| U0287 | Потеря связи с блоком насоса рабочей жидкости КПП |
| U0288 | Потеря связи с блоком А управления преобразователем DC/AC |
| U0289 | Потеря связи с блоком В управления преобразователем DC/AC |
| U0291 | Потеря связи с блоком управления В переключения передач |
| U0292 | Потеря связи с блоком В управления электродвигателем привода |
| U0293 | Потеря связи с блоком управления гибридным силовым агрегатом |
| U0294 | Потеря связи с блоком контроля за управлением силовым агрегатом |
| U0295 | Потеря связи с блоком А управления преобразователем AC/AC |
| U0296 | Потеря связи с блоком А управления преобразователем AC/DC |
| U0297 | Потеря связи с блоком В управления преобразователем AC/DC |
| U0298 | Потеря связи с блоком А управления преобразователем DC/DC |
| U0299 | Потеря связи с блоком B управления преобразователем DC/DC |
| U029A | Датчик батареи гибридной силовой установки — потеря связи |
| U029B | Потеря связи с блоком C управления электродвигателем привода |
| U029C | Потеря связи с блоком D управления электродвигателем привода |
| U029D | Датчик NOx A — потеря связи |
| U029E | Датчик NOx B — потеря связи |
| U029F | Блок обнаружения утечек системы улавливания паров топлива — потеря связи |
| U0300 | Блок управления — несовместимость программного обеспечения |
| U0301 | Несовместимость программного обеспечения — электронный блок управления двигателем |
| U0302 | Несовместимость программного обеспечения — электронный блок управления КПП |
| U0303 | Несовместимость программного обеспечения — блок управления раздаточной коробкой |
| U0304 | Несовместимость программного обеспечения — блок управления переключением передач |
| U0305 | Несовместимость программного обеспечения — блок управления системой поддержания скорости (круиз-контролем) |
| U0306 | Несовместимость программного обеспечения — блок управления форсунками |
| U0307 | Несовместимость программного обеспечения — блок управления свечами накаливания |
| U0308 | Несовместимость программного обеспечения — блок управления приводом дроссельной заслонки |
| U0309 | Несовместимость программного обеспечения — блок управления подачей альтернативного топлива |
| U030A | Блок обнаружения утечек системы улавливания паров топлива — потеря связи |
| U0310 | Несовместимость программного обеспечения — блок управления топливным насосом |
| U0311 | Несовместимость программного обеспечения — блок управления электродвигателем привода |
| U0312 | Несовместимость программного обеспечения — блок управления зарядом батареи A |
| U0313 | Несовместимость программного обеспечения — блок управления зарядом батареи B |
| U0314 | Несовместимость программного обеспечения — блок управления муфтой включения 4WD |
| U0315 | Несовместимость программного обеспечения — электронный блок управления ABS |
| U0316 | Несовместимость программного обеспечения — блок управления системой курсовой устойчивости |
| U0317 | Несовместимость программного обеспечения — блок управления стояночным тормозом |
| U0318 | Несовместимость программного обеспечения — блок управления тормозной системой |
| U0319 | Несовместимость программного обеспечения — блок системы рулевого управления с изменяемым коэффициентом усиления |
| U0320 | Несовместимость программного обеспечения — блок управления усилителем рулевого управления |
| U0321 | Несовместимость программного обеспечения — блок управления клиренсом |
| U0322 | Несовместимость программного обеспечения — блок управления электрооборудованием |
| U0323 | Несовместимость программного обеспечения — блок управления комбинацией приборов |
| U0324 | Несовместимость программного обеспечения — блок управления кондиционером |
| U0325 | Несовместимость программного обеспечения — блок управления дополнительным отопителем |
| U0326 | Несовместимость программного обеспечения — блок управления иммобилайзером |
| U0327 | Несовместимость программного обеспечения — блок управления противоугонной системой |
| U0328 | Несовместимость программного обеспечения — блок датчика положения рулевого колеса |
| U0329 | Несовместимость программного обеспечения — блок управления рулевой колонкой |
| U0330 | Несовместимость программного обеспечения — блок контроля за давлением в шинах |
| U0331 | Несовместимость программного обеспечения — блок управления электрооборудованием A |
| U0332 | Несовместимость программного обеспечения — блок многокоординатного датчика ускорения |
| U0333 | Несовместимость программного обеспечения с блоком В управления переключения передач |
| U0334 | Несовместимость программного обеспечения с аудиосистемой |
| U0335 | Несовместимость программного обеспечения с датчиком батарей гибридной силовой установки |
| U0336 | Блок управления SRS — несовместимость программного обозначения |
| U0400 | Получены недостоверные данные |
| U0401 | Получены недостоверные данные — электронный блок управления двигателем |
| U0402 | Получены недостоверные данные — электронный блок управления КПП |
| U0403 | Получены недостоверные данные — блок управления раздаточной коробкой |
| U0404 | Получены недостоверные данные — блок управления переключением передач |
| U0405 | Получены недостоверные данные — блок управления системой поддержания скорости |
| U0406 | Получены недостоверные данные — блок управления форсунками |
| U0407 | Получены недостоверные данные — блок управления свечами накаливания |
| U0408 | Получены недостоверные данные — блок управления приводом дроссельной заслонки |
| U0409 | Получены недостоверные данные — блок управления подачей альтернативного топлива |
| U040A | Получены недостоверные данные от блока управления кондиционером |
| U040B | Получены недостоверные данные от блока А управления рециркуляцией отработавших газов |
| U040C | Получены недостоверные данные от блока В управления рециркуляцией отработавших газов |
| U040D | Получены недостоверные данные от блока А управления турбокомпрессором/приводным нагнетателем |
| U040E | Получены недостоверные данные от блока В управления турбокомпрессором/приводным нагнетателем |
| U040F | Получены недостоверные данные от блока управления восстановителем |
| U0410 | Получены недостоверные данные — блок управления топливным насосом |
| U0411 | Получены недостоверные данные — блок управления электродвигателем привода |
| U0412 | Получены недостоверные данные — блок управления зарядом батареи A |
| U0413 | Получены недостоверные данные — блок управления зарядом батареи B |
| U0414 | Получены недостоверные данные — блок управления муфтой включения 4WD |
| U0415 | Получены недостоверные данные — электронный блок управления ABS |
| U0416 | Получены недостоверные данные — блок управления системой курсовой устойчивости |
| U0417 | Получены недостоверные данные — блок управления стояночным тормозом |
| U0418 | Получены недостоверные данные — блок управления тормозной системой |
| U0419 | Получены недостоверные данные — блок системы рулевого управления с изменяемым коэффициентом усиления |
| U041B | Получены недостоверные данные от блока управления датчиком отработавших газов |
| U041C | Получены недостоверные данные от блока управления А коромыслами |
| U041D | Получены недостоверные данные от блока управления В коромыслами |
| U041E | Получены недостоверные данные от блока управления 4WD |
| U041F | Получены недостоверные данные от блока B системы электронного управления дроссельной заслонкой (ETS) |
| U0420 | Получены недостоверные данные — блок управления усилителем рулевого управления |
| U0421 | Получены недостоверные данные — блок управления клиренсом |
| U0422 | Получены недостоверные данные — блок управления электрооборудованием |
| U0423 | Получены недостоверные данные — блок управления комбинацией приборов |
| U0424 | Получены недостоверные данные — электронный блок управления кондиционером |
| U0425 | Получены недостоверные данные — блок управления дополнительным отопителем |
| U0426 | Получены недостоверные данные — электронный блок управления иммобилайзером |
| U0427 | Получены недостоверные данные — блок управления противоугонной системой |
| U0428 | Получены недостоверные данные — блок датчика положения рулевого колеса |
| U0429 | Получены недостоверные данные — блок управления рулевой колонкой |
| U042B | Получены недостоверные данные от блока управления шасси A |
| U042C | Получены недостоверные данные от блока управления шасси В |
| U042D | Получены недостоверные данные от блока управления системой снижения вибраций |
| U042E | INVALID DATA RECEIVED FROM GENERATOR CONTROL MODULE |
| U0430 | Получены недостоверные данные — блок контроля за давлением в шинах |
| U0431 | Получены недостоверные данные — блок управления электрооборудованием A |
| U0432 | Получены недостоверные данные от многокоординатного датчика ускорения |
| U0433 | Получены недостоверные данные от датчика дистанции системы поддержания скорости, передний |
| U0434 | Получены недостоверные данные от блока Active Roll Control |
| U0435 | Получены недостоверные данные от блока управления усилителем рулевого управления, заднего |
| U0436 | Получены недостоверные данные от блока управления дифференциалом, переднего |
| U0437 | Получены недостоверные данные от блока управления дифференциалом, заднего |
| U0438 | Получены недостоверные данные от блока управления тормозами прицепа |
| U0439 | Получены недостоверные данные от блока управления системой All-Terrain |
| U043A | Получены недостоверные данные от блока В управления подвеской |
| U043B | Получены недостоверные данные от датчика дистанции системы поддержания скорости, переднего левого |
| U043C | Получены недостоверные данные от датчика дистанции системы поддержания скорости, переднего правого |
| U0441 | Получены недостоверные данные от системы контроля уровня выбросов |
| U0442 | Получены недостоверные данные ЕСМ/РСМ В |
| U0443 | Получены недостоверные данные от блока B управления электрооборудованием |
| U0444 | Получены недостоверные данные от блока C управления электрооборудованием |
| U0445 | Получены недостоверные данные от блока D управления электрооборудованием |
| U0446 | Получены недостоверные данные от блока Е управления электрооборудованием |
| U0447 | Получены недостоверные данные от шлюза А |
| U0448 | Получены недостоверные данные от шлюза В |
| U0449 | Получены недостоверные данные от шлюза С |
| U044A | Получены недостоверные данные от шлюза D |
| U0450 | Получены недостоверные данные от шлюза D |
| U0451 | Получены недостоверные данные от шлюза Е |
| U0452 | Получены недостоверные данные от блока управления системой пассивной безопасности (SRS) |
| U0453 | Получены недостоверные данные от бокового блока управления системой пассивной безопасности (SRS), левый |
| U0454 | Получены недостоверные данные от бокового блока управления системой пассивной безопасности (SRS), правый |
| U0455 | Получены недостоверные данные от блока системы распознавания наличия пассажира (пассивная безопасность) |
| U0456 | Получены недостоверные данные от блока управления температурой охлаждающей жидкости |
| U0457 | Получены недостоверные данные от информационного центра А |
| U0458 | Получены недостоверные данные от информационного центра В |
| U0459 | Получены недостоверные данные от верхнего дисплея |
| U045A | Получены недостоверные данные от блока управления А помощи при парковке |
| U0461 | Получены недостоверные данные от блока управления аварийным звуковым сигналом |
| U0462 | Получены недостоверные данные от блока компаса |
| U0463 | Получены недостоверные данные от блока навигационного дисплея |
| U0464 | Получены недостоверные данные от блока управления навигацией |
| U0465 | Получены недостоверные данные от блока управления отбором мощности |
| U0466 | Получены недостоверные данные от блока управления кондиционером, заднего |
| U0467 | Получены недостоверные данные от блока управления добавлением присадки |
| U0468 | Получены недостоверные данные от блока управления топливными элементами |
| U0469 | Получены недостоверные данные от блока управления генератором/стартером |
| U046A | Получены недостоверные данные от блока управления люком |
| U046B | Получены недостоверные данные от блока управления навигацией |
| U046C | Получены недостоверные данные от блока управления электрическим компрессором кондиционера |
| U046D | Получены недостоверные данные от блока управления топливным насосом B |
| U0471 | Получены недостоверные данные от датчика А системы пассивной безопасности (SRS) |
| U0472 | Получены недостоверные данные от датчика В системы пассивной безопасности (SRS) |
| U0473 | Получены недостоверные данные от датчика С системы пассивной безопасности (SRS) |
| U0474 | Получены недостоверные данные от датчика D системы пассивной безопасности (SRS) |
| U0475 | Получены недостоверные данные от датчика E системы пассивной безопасности (SRS) |
| U0476 | Получены недостоверные данные от датчика F системы пассивной безопасности (SRS) |
| U0477 | Получены недостоверные данные от датчика G системы пассивной безопасности (SRS) |
| U0478 | Получены недостоверные данные от датчика H системы пассивной безопасности (SRS) |
| U0479 | Получены недостоверные данные от датчика I системы пассивной безопасности (SRS) |
| U047A | Получены недостоверные данные от датчика J системы пассивной безопасности (SRS) |
| U047B | Получены недостоверные данные от датчика K системы пассивной безопасности (SRS) |
| U047C | Получены недостоверные данные от датчика L системы пассивной безопасности (SRS) |
| U047D | Получены недостоверные данные от датчика M системы пассивной безопасности (SRS) |
| U047E | Получены недостоверные данные от датчика N системы пассивной безопасности (SRS) |
| U047F | Получены недостоверные данные от блока управления преднатяжителями A |
| U0480 | Получены недостоверные данные от блока управления преднатяжителями B |
| U0481 | Получены недостоверные данные от блока управления автоматикой освещения |
| U0482 | Получены недостоверные данные от блока управления уровнем луча фар |
| U0483 | Получены недостоверные данные от блока управления освещением, переднего |
| U0484 | Получены недостоверные данные от блока управления освещением, заднего А |
| U0485 | Получены недостоверные данные от аудиосистемы |
| U0486 | Получены недостоверные данные от блока радиоантенны |
| U0487 | Получены недостоверные данные от выходного усилителя А аудиосистемы |
| U0488 | Получены недостоверные данные от блока А СD-проигрывателя |
| U0489 | Получены недостоверные данные от блока В СD-проигрывателя |
| U048A | Получены недостоверные данные от блока С СD-проигрывателя/накопителя дисков |
| U0491 | Получены недостоверные данные от блока D СD-проигрывателя |
| U0492 | Получены недостоверные данные от телевизора |
| U0493 | Получены недостоверные данные от персонального компьютера |
| U0494 | Получены недостоверные данные от блока управления А цифровой аудиосистемы |
| U0495 | Получены недостоверные данные от блока управления В цифровой аудиосистемы |
| U0496 | Получены недостоверные данные от ресивера подписки мультимедиа-системы |
| U0497 | Получены недостоверные данные от блока управления мультимедиа-системой, заднего А |
| U0498 | Получены недостоверные данные от блока управления телефоном |
| U0499 | Получены недостоверные данные от блока управления телематикой |
| U049A | Получены недостоверные данные от блока управления А функциями двери |
| U04A4 | INVALID DATA RECEIVED FROM PM SENSOR |
| U0501 | Получены недостоверные данные от блока управления В функциями двери |
| U0502 | Получены недостоверные данные от блока управления С функциями двери |
| U0503 | Получены недостоверные данные от блока управления D функциями двери |
| U0504 | Получены недостоверные данные от блока управления E функциями двери |
| U0505 | Получены недостоверные данные от блока управления F функциями двери |
| U0506 | Получены недостоверные данные от блока управления G функциями двери |
| U0507 | Получены недостоверные данные от блока управления складывающейся крышей |
| U0508 | Получены недостоверные данные от блока управления подвижной крышей |
| U0509 | Получены недостоверные данные от блока управления А сидениями |
| U050A | Получены недостоверные данные от блока В управления регулировками сидений |
| U0511 | Получены недостоверные данные от блока управления С сидениями |
| U0512 | Получены недостоверные данные от блока управления D сидениями |
| U0513 | Получены недостоверные данные от датчика отклонения от курса |
| U0514 | Получены недостоверные данные от блока управления А зеркалами |
| U0515 | Получены недостоверные данные от активатора функций дистанционного управления |
| U0516 | Получены недостоверные данные от выключателя А двери |
| U0517 | Получены недостоверные данные от выключателя В двери |
| U0518 | Получены недостоверные данные от выключателя С двери |
| U0519 | Получены недостоверные данные от выключателя D двери |
| U051A | Получены недостоверные данные от выключателя E двери |
| U0521 | Получены недостоверные данные от выключателя F двери |
| U0522 | Получены недостоверные данные от выключателя G двери |
| U0523 | Получены недостоверные данные от электродвигателя А стеклоподъемника двери |
| U0524 | Получены недостоверные данные от электродвигателя В стеклоподъемника двери |
| U0525 | Получены недостоверные данные от электродвигателя С стеклоподъемника двери |
| U0526 | Получены недостоверные данные от электродвигателя D стеклоподъемника двери |
| U0527 | Получены недостоверные данные от электродвигателя E стеклоподъемника двери |
| U0528 | Получены недостоверные данные от электродвигателя F стеклоподъемника двери |
| U0529 | Получены недостоверные данные от электродвигателя G стеклоподъемника двери |
| U052A | Получены недостоверные данные от блока управления функциями подогреваемого рулевого колеса |
| U0531 | Получены недостоверные данные от блока задней двери |
| U0532 | Получены недостоверные данные от блока датчика дождя |
| U0533 | Получены недостоверные данные от блока управления определением бокового препятствия, левого |
| U0534 | Получены недостоверные данные от блока управления определением бокового препятствия, правого |
| U0535 | Получены недостоверные данные от блока обеспечения комфорта |
| U0536 | Получены недостоверные данные от блока датчика бокового ускорения |
| U0537 | Получены недостоверные данные от блока управления замком рулевой колонки |
| U0538 | Получены недостоверные данные от блока управления С цифровой аудиосистемы |
| U0539 | Получены недостоверные данные от блока управления D цифровой аудиосистемы |
| U053A | Получены недостоверные данные от блока управления А системы блокировки при угоне |
| U053B | Получены недостоверные данные от блока А обработки изображения |
| U053C | Получены недостоверные данные от блока В обработки изображения |
| U053D | Получены недостоверные данные от блока С обработки изображения |
| U0541 | Получены недостоверные данные от блока управления В системы блокировки при угоне |
| U0542 | Получены недостоверные данные от блока управления А фарами |
| U0543 | Получены недостоверные данные от блока управления В фарами |
| U0544 | Получены недостоверные данные от блока управления В помощи при парковке |
| U0545 | Получены недостоверные данные от блока управления подножкой |
| U0546 | Получены недостоверные данные от блока управления мультимедиа-системой, переднего |
| U0547 | Получены недостоверные данные от блока управления Е сидениями |
| U0548 | Получены недостоверные данные от блока управления F сидениями |
| U0549 | Получены недостоверные данные от блока дистанционного управления дополнительным оборудованием |
| U054A | Получены недостоверные данные от заднего блока В управления мультимедиа-системой |
| U054B | Получены недостоверные данные от блока управления внутренним освещением |
| U054C | Получены недостоверные данные от блока управления сиденьями G |
| U054D | Получены недостоверные данные от блока управления сиденьями H |
| U0551 | Получены недостоверные данные от блока системы классификации столкновений |
| U0552 | Получены недостоверные данные от блока В управления подножкой |
| U0553 | Получены недостоверные данные от блока управления освещением, заднего В |
| U0554 | Получены недостоверные данные от блока интерфейса дополнительного протокола |
| U0555 | Получены недостоверные данные от блока дистанционного запуска |
| U0556 | Получены недостоверные данные от блока интерфейса переднего дисплея |
| U0557 | Получены недостоверные данные от блока интерфейса переднего управления |
| U0558 | Получены недостоверные данные от блока интерфейса переднего управления/дисплея |
| U0559 | Получены недостоверные данные от приемопередатчика радио |
| U055A | Получены недостоверные данные от блока А управления автомобилем специального назначения |
| U055B | Получены недостоверные данные от блока В управления автомобилем специального назначения |
| U055C | Получены недостоверные данные от блока С управления автомобилем специального назначения |
| U055D | Получены недостоверные данные от блока D управления автомобилем специального назначения |
| U055E | Получены недостоверные данные от блока интерфейса переднего управления B |
| U0561 | Получены недостоверные данные от блока выключателей А управления сидениями |
| U0562 | Получены недостоверные данные от блока выключателей В управления сидениями |
| U0563 | Получены недостоверные данные от усилителя В аудиосистемы |
| U0564 | Получены недостоверные данные от блока распознавания голоса |
| U0565 | Получены недостоверные данные от блока камеры, заднего |
| U0587 | Получены недостоверные данные от системы контроля повреждения радиатора |
| U0588 | Получены недостоверные данные от блока насоса рабочей жидкости КПП |
| U0589 | Получены недостоверные данные от блока А управления преобразователем DC/AC |
| U058A | Получены недостоверные данные от блока В управления преобразователем DC/AC |
| U0592 | Получены недостоверные данные от блока управления В переключением передач |
| U0593 | Получены недостоверные данные от блока управления В электродвигателем привода |
| U0594 | Получены недостоверные данные от блока управления гибридным силовым агрегатом |
| U0595 | Получены недостоверные данные от блока контроля за управлением силовой установкой |
| U0596 | Получены недостоверные данные от блока управления преобразователем AC/AC |
| U0597 | Получены недостоверные данные от блока А управления преобразователем AC/DC |
| U0598 | Получены недостоверные данные от блока В управления преобразователем AC/DC |
| U0599 | Получены недостоверные данные от блока А управления преобразователем DC/DC |
| U059A | Получены недостоверные данные от блока В управления преобразователем DC/DC |
| U059B | Получены недостоверные данные от блока датчика батареи гибридной силовой установки |
| U059C | Получены недостоверные данные от блока управления C электродвигателем привода |
| U059D | Получены недостоверные данные от блока управления D электродвигателем привода |
| U059E | Получены недостоверные данные от датчика NOx A |
| U059F | Получены недостоверные данные от датчика NOx B |
| U05A0 | Получены недостоверные данные от блока обнаружения утечек системы улавливания паров топлива |
| U2000 | Audio Rear Control Unit is Not Responding |
| U2001 | Audio Tape Deck Unit is Not Responding |
| U2002 | Audio Bezel is Not Responding |
| U2003 | Audio Compact Disk / Disk Jockey Unit is Not Responding |
| U2004 | Audio Steering Wheel Control Unit is Not Responding |
| U2005 | Audio Rear Integrated Control Panel Unit is Not Responding |
| U2006 | Audio Remote Climate Control Unit is Not Responding |
| U2007 | Audio Navigation Unit is Not Responding |
| U2008 | Audio Phone is Not Responding |
| U2009 | Audio Front Control Module ACM is Not Responding |
| U2010 | Module is Not Responding (Non SCP) |
| U2011 | Module Transmitted Invalid Data (Non SCP) |
| U2012 | Communication Bus Error (Non SCP) |
| U2013 | Compass Module is not Responding |
| U2014 | Audio Subwoofer Unit is Not Responding |
| U2015 | Signal Link Fault (Non SCP) |
| U2016 | Signal Link Short to Ground (Non SCP) / From NGV Module |
| U2017 | Driver Side Crash Sensor? Communication Fault (Non SCP) |
| U2018 | Passenger Side Crash Sensor? Communication Fault (Non SCP) |
| U2019 | Audio Voice Module Not Responding |
| U2020 | Audio Center Amp is not responding |
| U2021 | Invalid /fault data received (Non SCP) |
| U2150 | Invalid Data from REM? |
| U2152 | Invalid Data from GEM |
| U2160 | Invalid Data from IC |
| U2195 | Invalid Data from SCLM? |
| U2500 | CAN Lack of Acknowledgement From Engine Management |
| U3000 | Блок управления |
| U3001 | Блок управления — неправильная принудительная остановка |
| U3002 | Идентификационный номер автомобиля (VIN) |
| U3003 | Напряжение аккумуляторной батареи |
| U3004 | Реле питания дополнительного оборудования |
| U3005 | Питание фиксированного дополнительного оборудования |
| U3006 | Блок управления — напряжение питания, вход A |
| U3007 | Блок управления — напряжение питания, вход B |
| U3008 | Блок управления — соединение с массой A |
| U3009 | Блок управления — соединение с массой B |
| U300A | Замок зажигания |
| U300B | Входной сигнал зажигания, положение ACC/ON/Start — неисправность |
| U300C | Входной сигнал зажигания, положение OFF/ON/Start — неисправность |
| U300D | Входной сигнал зажигания, положение ON/Start — неисправность |
| U300E | Входной сигнал зажигания, положение ON — неисправность |
| U300F | Входной сигнал зажигания, положение ACC — неисправность |
| U3010 | Входной сигнал зажигания, положение START — неисправность |
| U3011 | Входной сигнал зажигания, положение OFF — неисправность |
Дополнительные коды
| Код | Расшифровка |
|---|---|
| 1 | Общая электрическая неисправность |
| 2 | Общая ошибка сигнала |
| 3 | Ошибка частотно-модулированного / импульсно-модулированного сигнала |
| 4 | Внутренняя системная ошибка |
| 5 | Ошибка программирования системы |
| 6 | Ошибка алгоритма |
| 7 | Механическая неисправность |
| 8 | Ошибка сигнала шины данных / сообщения |
| 9 | Ошибка компонента |
| 11 | Короткое замыкание на массу |
| 12 | Короткое замыкание на + |
| 13 | Обрыв цепи |
| 14 | Обрыв цепи / короткое замыкание на массу |
| 15 | Обрыв цепи / короткое замыкание на + |
| 16 | Напряжение в цепи ниже требуемого |
| 17 | Напряжение в цепи выше требуемого |
| 18 | Ток в цепи ниже требуемого |
| 19 | Ток в цепи выше требуемого |
| 21 | Амплитуда сигнала ниже минимума |
| 22 | Амплитуда сигнала выше максимума |
| 23 | Сигнал — постоянно низкий уровень |
| 24 | Сигнал — постоянно высокий уровень |
| 25 | Ошибка формы сигнала |
| 26 | Величина изменения сигнала ниже требуемого |
| 27 | Величина изменения сигнала выше требуемого |
| 28 | Величина смещения сигнала выходит за установленный диапазон / ошибка нулевой регулировки |
| 29 | Некорректный сигнал |
| 31 | Нет сигнала |
| 32 | Низкий уровень сигнала — период меньше минимально допустимого |
| 33 | Низкий уровень сигнала — период больше максимально допустимого |
| 34 | Высокий уровень сигнала — период меньше минимально допустимого |
| 35 | Высокий уровень сигнала — период больше максимально допустимого |
| 36 | Частота сигнала — слишком низкая |
| 37 | Частота сигнала — слишком высокая |
| 38 | Частота сигнала — некорректная |
| 39 | Сигнал — слишком мало импульсов |
| 41 | Общая ошибка контрольной суммы |
| 42 | Общая ошибка памяти |
| 43 | Общая ошибка памяти |
| 44 | Ошибка памяти данных |
| 45 | Ошибка программной памяти |
| 46 | Ошибка памяти калибровки/параметров |
| 47 | Ошибка микроконтроллер системы безопасности |
| 48 | Ошибка контрольного программного обеспечения |
| 49 | Внутренняя электронная ошибка |
| 51 | Компонент не запрограммирован |
| 52 | Программа компонента не активирована |
| 53 | Программа компонента отключена |
| 54 | Потеря калибровки |
| 55 | Система не сконфигурирована |
| 56 | Неверная/несовместимая конфигурация |
| 57 | Неверное/несовместимое программное обеспечение компонента |
| 61 | Ошибка расчета сигнала |
| 62 | Ошибка сравнения сигнала |
| 63 | Время ожидания защиты цепи/компонента |
| 64 | Ошибка достоверности сигнала |
| 65 | Сигнал — слишком мало переключений |
| 66 | Сигнал — слишком много переключений |
| 67 | Некорректный сигнал после переключения |
| 68 | Информация о событии |
| 71 | Привод — заедание |
| 72 | Привод — заедание в открытом положении |
| 73 | Привод — заедание в закрытом положении |
| 74 | Привод — проскальзывание |
| 75 | Аварийное положение не может быть достигнуто |
| 76 | Неверное положение установки |
| 77 | Требуемое положение не может быть достигнуто |
| 78 | Некорректное совмещение или регулировка |
| 79 | Ошибка механического привода |
| 81 | Получена недостоверная последовательность данных |
| 82 | Счетчик циклов — величина некорректна / не обновляется |
| 83 | Некорректная расчетная величина защитного сигнала |
| 84 | Сигнал — ниже допустимого уровня |
| 85 | Сигнал — выше допустимого уровня |
| 86 | Некорректный сигнал |
| 87 | Пропуск сообщения |
| 88 | Шина данных отключена |
| 91 | Параметр компонента — вне допустимого диапазона |
| 92 | Функционирование / неисправность |
| 93 | Не действует |
| 94 | Неожиданное действие компонента |
| 95 | Некорректная сборка |
| 96 | Внутренняя ошибка компонента |
| 97 | Действие компонента или системы затруднено или заблокировано |
| 98 | Перегрев компонента или системы |
| 1A | Сопротивление в цепи ниже требуемого |
| 1B | Сопротивление в цепи выше требуемого |
| 1C | Напряжение в цепи выходит за установленный диапазон |
| 1D | Ток в цепи выходит за установленный диапазон |
| 1E | Сопротивление в цепи выходит за установленный диапазон |
| 1F | Ненадежный контакт электрической цепи |
| 2A | Сигнал — постоянный уровень |
| 2B | Сигнал — перекрестный |
| 2F | Сигнал — хаотичный |
| 3A | Сигнал — слишком много импульсов |
| 4A | Неверно установленный компонент |
| 4B | Состояние перегрева |
| 7A | Утечка жидкости или негерметичность уплотнения |
| 7B | низкий уровень рабочей жидкости |
| 8F | Сигнал — хаотичный |
| 9A | Условия работы компонента или системы |
Ниже приведен список кодов ошибок для автомобилей, оснащенных системой OBD II (On Board Diagnostic System) с кратким описанием.
Прежде, чем воспользоваться приведенной ниже информацией, просим Вас принять во внимание — данная информация должна служить ТОЛЬКО для предварительной диагностики проблемы и ни в коем случае не следует на основании расшифровки кода приступать к исправлению неисправности без привлечения квалифицированного специалиста. Проще говоря, если Вы собираетесь в дальнюю поездку, или просто в какой-то момент на панели приборов вдруг загорелась ошибка, расшифровка кода поможет Вам принять решение — стоит ли ехать вообще, или следует вызвать эвакуатор и отправиться на сервис для устранения неполадки.
Первая позиция:
P — is for powertrain codes — код связан с работой двигателя и/или АКПП
B — is for body codes — код связан с работой «кузовных систем» (подушки безопасности, центральный замок, электростеклоподъемники)
C — is for chassis codes — код относится к системе шасси (ходовой части)
U — is for network codes — код относится к системе взаимодействия между электронными блоками (например, к шине CAN)
Вторая позиция:
0 — общий для OBD-II код
1 и 2 — код производителя
3 — резерв
Третья позиция — тип неисправности:
1 — топливная система или воздухоподача
2 — топливная система или воздухоподача
3 — система зажигания
4 — вспомогательный контроль
5 — холостой ход
6 — ECU или его цепи
7 — трансмиссия
8 — трансмиссия
Четвертая и пятая позиции — Порядковый номер ошибки
[0100-0199]
P0100 — Неисправность цепи датчика расхода воздуха
P0101 — Выход сигнала датчика расхода воздуха из допустимого диапазона
P0102 — Низкий уровень выходного сигнала датчика расхода воздуха
P0103 — Высокий уровень выходного сигнала датчика расхода воздуха
P0105 — Неисправность датчика давления воздуха
P0106 — Выход сигнала датчика давления воздуха из допустимого диапазона
P0107 — Низкий уровень выходного сигнала датчика давления воздуха
P0108 — Высокий уровень выходного сигнала датчика давления воздуха
P0110 — Неисправность датчика температуры всасываемого воздуха
P0111 — Выход сигнала датчика температуры всасываемого воздуха из допустимого диапазона
P0112 — Низкий уровень датчика температуры всасываемого воздуха
P0113 — Высокий уровень датчика температуры всасываемого воздуха
P0115 — Неисправность датчика температуры охлаждающей жидкости
P0116 — Выход сигнала датчика температуры охлаждающей жидкости из допустимого диапазона
P0117 — Низкий уровень датчика температуры охлаждающей жидкости
P0118 — Высокий уровень датчика температуры охлаждающей жидкости
P0120 — Неисправность датчика положения дроссельной заслонки «A»
P0121 — Выход сигнала датчика положения дроссельной заслонки «A» из допустимого диапазона
P0122 — Низкий уровень выходного сигнала датчика положения дроссельной заслонки «A»
P0123 — Высокий уровень выходного сигнала датчика положения дроссельной заслонки «A»
P0125 — Низкая температура охлаждающей жидкости для управления по замкнутому контуру
P0130 — Датчик кислорода 1 (банк 1) неисправен
P0131 — Низкий уровень сигнала датчика кислорода 1 (банк 1)
P0132 — Высокий уровень сигнала датчика кислорода 1 (банк 1)
P0133 — Медленный отклик датчика кислорода 1 (банк 1) на обогащение/обеднение
P0134 — Нет активности выходного сигнала датчика кислорода 1 (банк 1)
P0135 — Нагреватель датчика кислорода 1 (банк 1) неисправен
P0136 — Датчик кислорода 2 (банк 1) неисправен
P0137 — Низкий уровень выходного сигнала датчика кислорода 2 (банк 1)
P0138 — Высокий уровень выходного сигнала датчика кислорода 2 (банк 1)
P0139 — Медленный отклик датчика кислорода 2 (банк 1) на обогащение/обеднение
P0140 — Нет активности выходного сигнала датчика кислорода 2 (банк 1)
P0141 — Нагреватель датчика кислорода 2 (банк 1) неисправен
P0142 — Датчик кислорода 3 (банк 1) неисправен
P0143 — Низкий уровень выходного сигнала датчика кислорода 3 (банк 1)
P0144 — Высокий уровень выходного сигнала датчика кислорода 3 (банк 1)
P0145 — Медленный отклик датчика кислорода 3 (банк 1) на обогащение/обеднение
P0146 — Нет активности выходного сигнала датчика кислорода 3 (банк 1)
P0147 — Нагреватель датчика кислорода 3 (банк 1) неисправен
P0150 — Датчик кислорода 1 (банк 2) неисправен
P0151 — Низкий уровень сигнала датчика кислорода 1 (банк 2)
P0152 — Высокий уровень сигнала датчика кислорода 1 (банк 2)
P0153 — Медленный отклик датчика кислорода 1 (банк 2) на обогащение/обеднение
P0154 — Нет активности выходного сигнала датчика кислорода 1 (банк 2)
P0155 — Нагреватель датчика кислорода 1 (банк 2) неисправен
P0156 — Датчик кислорода 2 (банк 2) неисправен
P0157 — Низкий уровень выходного сигнала датчика кислорода 2 (банк 2)
P0158 — Высокий уровень выходного сигнала датчика кислорода 2 (банк 2)
P0159 — Медленный отклик датчика кислорода 2 (банк 2) на обогащение/обеднение
P0160 — Нет активности выходного сигнала датчика кислорода 2 (банк 2)
P0161 — Нагреватель датчика кислорода 2 (банк 2) неисправен
P0162 — Датчик кислорода 3 (банк 2) неисправен
P0163 — Низкий уровень выходного сигнала датчика кислорода 3 (банк 2)
P0164 — Высокий уровень выходного сигнала датчика кислорода 3 (банк 2)
P0165 — Медленный отклик датчика кислорода 3 (банк 2) на обогащение/обеднение
P0166 — Нет активности выходного сигнала датчика кислорода 3 (банк 2)
P0167 — Нагреватель датчика кислорода 3 (банк 2) неисправен
P0171 — Слишком бедная смесь (возможен подсос воздуха)
P0172 — Слишком богатая смесь
P0173 — Утечка топлива из топливной системы блока цилиндров №2
P0174 — Смесь блока цилиндров №2 слишком бедная
P0175 — Смесь блока цилиндров №2 слишком богатая
P0176 — Датчик выброса СНх (Fuel Composition) неисправен
P0177 — Сигнал датчика СНх (Fuel Composition) вне допустимого диапазона
P0178 — Низкий уровень сигнала датчика СНх (Fuel Composition)
P0179 — Высокий уровень сигнала датчика СНх (Fuel Composition)
P0180 — Неисправность цепи датчика температуры топлива «А»
P0181 — Сигнал датчика температуры топлива «А» вне допустимого диапазона
P0182 — Низкий уровень сигнала датчика температуры топлива «А»
P0183 — Высокий уровень сигнала датчика температуры топлива «А»
P0185 — Неисправность цепи датчика температуры топлива «В»
P0186 — Сигнал датчика температуры топлива «В» вне допустимого диапазона
P0187 — Низкий уровень сигнала датчика температуры топлива «В»
P0188 — Высокий уровень сигнала датчика температуры топлива «В»
P0190 — Неисправность цепи датчика давления топлива в топливной рампе
P0191 — Сигнал датчика давления в топливной рампе вне допустимого диапазона
P0192 — Низкий сигнал датчика давления топлива в топливной рампе
P0193 — Высокий сигнал датчика давления топлива в топливной рампе
P0194 — Перемежающийся сигнал датчика давления топлива в топливной рампе
P0195 — Неисправность цепи датчика температуры масла в двигателе
P0196 — Сигнал датчика температуры масла в двигателе вне допустимого диапазона
P0197 — Низкий сигнал датчика температуры масла в двигателе
P0198 — Высокий сигнал датчика температуры масла в двигателе
P0199 — Перемежающийся сигнал датчика температуры масла в двигателе
[0200-0299]
P0200 — Неисправность цепи управления форсунками
P0201 — Неисправность цепи управления форсункой №1
P0202 — Неисправность цепи управления форсункой №2
P0203 — Неисправность цепи управления форсункой №3
P0204 — Неисправность цепи управления форсункой №4
P0205 — Неисправность цепи управления форсункой №5
P0206 — Неисправность цепи управления форсункой №6
P0207 — Неисправность цепи управления форсункой №7
P0208 — Неисправность цепи управления форсункой №8
P0209 — Неисправность цепи управления форсункой №9
P0210 — Неисправность цепи управления форсункой №10
P0211 — Неисправность цепи управления форсункой №11
P0212 — Неисправность цепи управления форсункой №12
P0213 — Неисправность цепи управления форсункой холодного старта №1
P0214 — Неисправность цепи управления форсункой холодного старта №2
P0215 — Неисправность соленоида выключения двигателя
P0216 — Неисправность цепи контроля времени впрыска
P0217 — Перегрев двигателя
P0218 — Перегрев трансмиссии
P0219 — Слишком высокие обороты двигателя (Engine Overspeed Condition)
P0220 — Неисправность датчика положения дроссельной заслонки «B»
P0221 — Сигнал датчика положения дроссельной заслонки «B» вне допустимого диапазона
P0222 — Низкий уровень сигнала датчика положения дроссельной заслонки «B»
P0223 — Высокий уровень сигнала датчика положения дроссельной заслонки «B»
P0224 — Перемежающийся уровень сигнала датчика положения дроссельной заслонки «B»
P0225 — Неисправность датчика положения дроссельной заслонки «C»
P0226 — Сигнал датчика положения дроссельной заслонки вне допустимого диапазона «C»
P0227 — Низкий уровень сигнала датчика положения дроссельной заслонки «C»
P0228 — Высокий уровень сигнала датчика положения дроссельной заслонки «C»
P0229 — Перемежающийся уровень сигнала датчика положения дроссельной заслонки «C»
P0230 — Неисправность первичной цепи управления бензонасосом (упр. реле бензонасоса)
P0231 — Постоянный низкий уровень вторичной цепи бензонасоса
P0232 — Постоянный высокий уровень вторичной цепи бензонасоса
P0233 — Перемежающийся уровень вторичной цепи бензонасоса
P0235 — Неисправность цепи датчика давления турбонаддува «A»
P0236 — Сигнал с датчика турбины «A» вне допустимого диапазона
P0237 — Низкий уровень сигнала с датчика турбины «A»
P0238 — Высокий уровень сигнала с датчика турбины «A»
P0239 — Неисправность цепи датчика давления турбонаддува «B»
P0240 — Сигнал с датчика турбины «B» вне допустимого диапазона
P0241 — Низкий уровень сигнала с датчика турбины «B»
P0242 — Высокий уровень сигнала с датчика турбины «B»
P0243 — Неисправность соленоида затвора выхлопных газов турбины «A»
P0244 — Сигнал соленоида затвора выхлопных газов турбины «A» вне доп. диапазона
P0245 — Соленоид затвора выхлопных газов турбины «A» всегда открыт
P0246 — Соленоид затвора выхлопных газов турбины «A» всегда закрыт
P0247 — Неисправность соленоида затвора выхлопных газов турбины «B»
P0248 — Сигнал соленоида затвора выхлопных газов турбины «B» вне доп. диапазона
P0249 — Соленоид затвора выхлопных газов турбины «B» всегда открыт
P0250 — Соленоид затвора выхлопных газов турбины «B» всегда закрыт
P0251 — Неисправность насоса впрыска турбины»A»
P0252 — Сигнал насоса впрыска турбины «A» не допустимого диапазона
P0253 — Низкий уровень сигнала насоса впрыска турбины «A»
P0254 — Высокий уровень сигнала насоса впрыска турбины «A»
P0255 — Перемежающийся уровень сигнала насоса впрыска турбины «A»
P0256 — Неисправность насоса впрыска турбины «B»
P0257 — Сигнал насоса впрыска турбины «B» вне допустимого диапазона
P0258 — Низкий уровень сигнала насоса впрыска турбины «B»
P0259 — Высокий уровень сигнала насоса впрыска турбины «B»
P0260 — Перемежающийся уровень сигнала насоса впрыска турбины «B»
P0261 — Форсунка цилиндра №1 — замыкание на землю
P0262 — Форсунка цилиндра №1 — обрыв или замыкание на +12V
P0263 — Форсунка цилиндра №1 — неисправность драйвера форсунки
P0264 — Форсунка цилиндра №2 — замыкание на землю
P0265 — Форсунка цилиндра №2 — обрыв или замыкание на +12V
P0266 — Форсунка цилиндра №2 — неисправность драйвера форсунки
P0267 — Форсунка цилиндра №3 — замыкание на землю
P0268 — Форсунка цилиндра №3 — обрыв или замыкание на +12V
P0269 — Форсунка цилиндра №3 — неисправность драйвера форсунки
P0270 — Форсунка цилиндра №4 — замыкание на землю
P0271 — Форсунка цилиндра №4 — обрыв или замыкание на +12V
P0272 — Форсунка цилиндра №4 — неисправность драйвера форсунки
P0273 — Форсунка цилиндра №5 — замыкание на землю
P0274 — Форсунка цилиндра №5 — обрыв или замыкание на +12V
P0275 — Форсунка цилиндра №5 — неисправность драйвера форсунки
P0276 — Форсунка цилиндра №6 — замыкание на землю
P0277 — Форсунка цилиндра №6 — обрыв или замыкание на +12V
P0278 — Форсунка цилиндра №6 — неисправность драйвера форсунки
P0279 — Форсунка цилиндра №7 — замыкание на землю
P0280 — Форсунка цилиндра №7 — обрыв или замыкание на +12V
P0281 — Форсунка цилиндра №7 — неисправность драйвера форсунки
P0282 — Форсунка цилиндра №8 — замыкание на землю
P0283 — Форсунка цилиндра №8 — обрыв или замыкание на +12V
P0284 — Форсунка цилиндра №8 — неисправность драйвера форсунки
P0285 — Форсунка цилиндра №9 — замыкание на землю
P0286 — Форсунка цилиндра №9 — обрыв или замыкание на +12V
P0287 — Форсунка цилиндра №9 — неисправность драйвера форсунки
P0288 — Форсунка цилиндра №10 — замыкание на землю
P0289 — Форсунка цилиндра №10 — обрыв или замыкание на +12V
P0290 — Форсунка цилиндра №10 — неисправность драйвера форсунки
P0291 — Форсунка цилиндра №11 — замыкание на землю
P0292 — Форсунка цилиндра №11 — обрыв или замыкание на +12
P0293 — Форсунка цилиндра №11 — неисправность драйвера форсунки
P0294 — Форсунка цилиндра №12 — замыкание на землю
P0295 — Форсунка цилиндра №12 — обрыв или замыкание на +12V
P0296 — Форсунка цилиндра №12 — неисправность драйвера форсунки
[0300-0399]
P0300 — Обнаружены случайные/множественные пропуски зажигания
P0301 — Обнаружены пропуски зажигания в цилиндре №1
P0302 — Обнаружены пропуски зажигания в цилиндре №2
P0303 — Обнаружены пропуски зажигания в цилиндре №3
P0304 — Обнаружены пропуски зажигания в цилиндре №4
P0305 — Обнаружены пропуски зажигания в цилиндре №5
P0306 — Обнаружены пропуски зажигания в цилиндре №6
P0307 — Обнаружены пропуски зажигания в цилиндре №7
P0308 — Обнаружены пропуски зажигания в цилиндре №8
P0309 — Обнаружены пропуски зажигания в цилиндре №9
P0310 — Обнаружены пропуски зажигания в цилиндре №10
P0311 — Обнаружены пропуски зажигания в цилиндре №11
P0312 — Обнаружены пропуски зажигания в цилиндре №12
P0320 — Неисправноcть цепи распределителя зажигания
P0321 — Сигнал распределителя зажигания вне допустимого диапазона
P0322 — Сигнал распределителя зажигания отсутствует
P0323 — Сигнал распределителя зажигания перемежающийся
P0325 — Неисправность цепи датчика детонации №1
P0326 — Сигнал датчика детонации №1 вне допустимого диапазона
P0327 — Низкий уровень сигнала датчика детонации №1
P0328 — Высокий уровень сигнала датчика детонации №1
P0329 — Перемежающийся уровень сигнала датчика детонации №1
P0330 — Неисправность цепи датчика детонации №2
P0331 — Сигнал датчика детонации №2 вне допустимого диапазона
P0332 — Низкий уровень сигнала датчика детонации №2
P0333 — Высокий уровень сигнала датчика детонации №2
P0334 — Перемежающийся уровень сигнала датчика детонации №2
P0335 — Ошибка датчика положения коленвала»A»
P0336 — Ошибка ДПКВ «A» (пропуск одного зуба)
P0337 — Низкий уровень или замыкание на массу ДПКВ «A»
P0338 — Высокий уровень или замыкание на +12V ДПКВ «A»
P0339 — Перемежающийся сигнал ДПКВ «A»
P0340 — Неисправность датчика распределительного вала
P0341 — Сигнал датчика распределительного вала вне допустимого диапазона
P0342 — Низкий уровень сигнала датчика распределительного вала
P0343 — Высокий уровень сигнала датчика распределительного вала
P0344 — Перемежающийся уровень сигнала датчика распределительного вала
P0350 — Неисправность первичной / вторичной цепи катушки зажигания
P0351 — Неисправность первичной / вторичной цепи катушки зажигания «A»
P0352 — Неисправность первичной / вторичной цепи катушки зажигания «B»
P0353 — Неисправность первичной / вторичной цепи катушки зажигания «C»
P0354 — Неисправность первичной / вторичной цепи катушки зажигания «D»
P0355 — Неисправность первичной / вторичной цепи катушки зажигания «E»
P0356 — Неисправность первичной / вторичной цепи катушки зажигания» F»
P0357 — Неисправность первичной / вторичной цепи катушки зажигания «G»
P0358 — Неисправность первичной / вторичной цепи катушки зажигания «H»
P0359 — Неисправность первичной / вторичной цепи катушки зажигания «I»
P0360 — Неисправность первичной / вторичной цепи катушки зажигания «J»
P0361 — Неисправность первичной / вторичной цепи катушки зажигания «K»
P0362 — Неисправность первичной / вторичной цепи катушки зажигания «L»
P0370 — Неисправность сигнала А таймера
P0371 — Число импульсов сигнала А таймера выше нормы
P0372 — Число импульсов сигнала А таймера ниже нормы
P0373 — Нестабильные импульсы сигнала А таймера
P0374 — Нет импульсов сигнала А таймера
P0375 — Неисправность сигнала B таймера
P0376 — Число импульсов сигнала B таймера выше нормы
P0377 — Число импульсов сигнала B таймера ниже нормы
P0378 — Нестабильные импульсы сигнала B таймера
P0379 — Нет импульсов сигнала А таймера
P0380 — Неисправность свечи накаливания или цепи нагрева
P0381 — Неисправность свечи накаливания или индикатора нагрева
P0385 — Неисправность цепи датчика положения коленвала «B»
P0386 — Сигнал датчика положения коленвала «B» вне допустимого диапазона
P0387 — Низкий уровень или замыкание на массу ДПКВ «В»
P0388 — Высокий уровень или замыкаение на +12V ДПКВ «В»
P0389 — Перемежающийся сигнал датчика положения коленвала «B»
[0400-0499]
P0400 — Неисправность системы рециркуляции отработанных газов
P0401 — Неэффективность системы рециркуляции отработанных газов
P0402 — Избыточность системы рециркуляции отработанных газов (ОГ)
P0403 — Неисправность цепи датчика системы рециркуляции отработанных газов
P0404 — Сигнал датчика системы рециркуляции ОГ вне допустимого диапазона
P0405 — Низкий уровень сигнала датчика «A» системы рециркуляции ОГ
P0406 — Высокий уровень сигнала датчика «A» системы рециркуляции ОГ
P0407 — Низкий уровень сигнала датчика «В» системы рециркуляции ОГ
P0408 — Высокий уровень сигнала датчика «В» системы рециркуляции ОГ
P0410 — Неисправность системы вторичной подачи воздуха
P0411 — Некорректный поток через систему вторичной подачи воздуха
P0412 — Неисправность клапана системы вторичной подачи воздуха»A»
P0413 — Клапан системы вторичной подачи воздуха «A» всегда открыт
P0414 — Клапан системы вторичной подачи воздуха «A» всегда закрыт
P0415 — Неисправность клапана системы вторичной подачи воздуха «В»
P0416 — Клапан системы вторичной подачи воздуха «В» всегда открыт
P0417 — Клапан системы вторичной подачи воздуха «В» всегда закрыт
P0420 — Эффективность системы катализаторов В1 ниже допустимого порога
P0421 — Эффективность прогрева катализаторов В1 ниже допустимого порога
P0422 — Эффективность главного катализатора В1 ниже допустимого порога
P0423 — Эффективность нагревателя катализатора В1 ниже допустимого порога
P0424 — Температура нагревателя катализатора В1 ниже допустимого порога
P0430 — Эффективность системы катализаторов В2 ниже допустимого порога
P0431 — Эффективность прогрева катализаторов В3 ниже допустимого порога
P0432 — Эффективность главного катализатора В2 ниже допустимого порога
P0433 — Эффективность нагревателя катализатора В2 ниже допустимого порога
P0434 — Температура нагревателя катализатора В2 ниже допустимого порога
P0440 — Неисправность контроля системы улавливания паров бензина
P0441 — Плохая продувка системы улавливания паров бензина
P0442 — Небольшая утечка в системе улавливания паров бензина
P0443 — Неисправность цепи клапана продувки системы улавливания паров бензина
P0444 — Клапан продувки системы улавливания паров бензина всегда открыт
P0445 — Клапан продувки системы улавливания паров бензина всегда закрыт
P0446 — Неисправность упр. воздушным клапаном системы улавливания паров
P0447 — Воздушный клапан системы улавливания паров всегда открыт
P0448 — Воздушный клапан системы улавливания паров всегда закрыт
P0450 — Неисправность датчика давления паров бензина
P0451 — Сигнал датчика давления паров бензина вне допустимого диапазона
P0452 — Низкий уровень сигнал датчика давления паров бензина
P0453 — Высокий уровень сигнал датчика давления паров бензина
P0454 — Перемежающийся уровень сигнал датчика давления паров бензина
P0455 — Большая утечка в системе улавливания паров бензина
P0460 — Неисправность цепи датчика уровня топлива
P0461 — Сигнал датчика уровня топлива вне допустимого диапазона
P0462 — Низкий уровень сигнала датчика уровня топлива
P0463 — Высокий уровень сигнала датчика уровня топлива
P0464 — Перемежающийся уровень сигнала датчика уровня топлива
P0465 — Неисправность цепи датчика потока воздуха продувки
P0466 — Сигнал датчика потока воздуха продувки вне допустимого диапазона
P0467 — Низкий уровень сигнала датчика потока воздуха продувки
P0468 — Высокий уровень сигнала датчика потока воздуха продувки
P0469 — Перемежающийся уровень сигнала датчика потока воздуха продувки
P0470 — Неисправность датчика давления выхлопных газов
P0471 — Сигнал датчика давления выхлопных газов вне допустимого диапазона
P0472 — Низкий уровень сигнала датчика давления выхлопных газов
P0473 — Высокий уровень сигнала датчика давления выхлопных газов
P0474 — Перемежающийся уровень сигнала датчика давления выхлопных газов
P0475 — Неисправность клапана датчика давления выхлопных газов
P0476 — Сигнал клапана датчика давления выхлопных газов вне допустимого диапазона
P0477 — Низкий уровень сигнала клапана датчика давления выхлопных газов
P0478 — Высокий уровень сигнала клапана датчика давления выхлопных газов
P0479 — Перемежающийся уровень сигнала клапана датчика давления выхлопных газов
P0480 — Неисправность цепи управления реле вентилятора
[0500-0599]
P0500 — Нет сигнала датчика скорости автомобиля
P0501 — Сигнал датчика скорости автомобиля вне допустимого диапазона
P0502 — Низкий уровень сигнала датчика скорости автомобиля
P0503 — Высокий уровень сигнала датчика скорости автомобиля
P0505 — Неисправность регулятора холостого хода
P0506 — Неисправность регулятора холостого хода — низкие обороты
P0507 — Неисправность регулятора холостого хода — высокие обороты
P0510 — Неисправность концевика дроссельной заслонки
P0513 — Некорректная работа иммобилайзера. Вполне может быть, что вышел из строя модуль SKIM, который находится рядом с замком и распознаёт метку ключа.
P0520 — Неисправность в цепи датчика давления масла
P0521 — Неправильный показатель/не отрегулирован датчик давления масла
P0522 — Низкое напряжение датчика давления масла
P0523 — Высокое напряжение датчика давления масла
P0530 — Неисправность в цепи датчика давления охлаждающей жидкости кондиционера
P0531 — Неправильный показатель/не отрегулирован датчик давления охлаждающей жидкости кондиционера
P0532 — Низкий показатель датчика давления охлаждающей жидкости кондиционера
P0533 — Высокий показатель датчика давления охлаждающей жидкости кондиционера
P0534 — Утечка охлаждающей жидкости кондиционера
P0550 — Неисправность в цепи датчика давления в гидроусилителе руля
P0551 — Неправильный показатель/не отрегулирован датчик давления в гидроусилителе руля
P0552 — Низкий показатель датчика давления в гидроусилителе руля
P0553 — Высокий показатель датчика давления в гидроусилителе руля
P0554 — Неисправность датчика давления в гидроусилителе руля
P0560 — Напряжение питания системы ниже порога работоспособности
P0561 — Напряжение питания системы нестабильное
P0562 — Низкое напряжение питания системы
P0563 — Высокое напряжение питания системы
P0565 — Неисправность сигнала включения системы круиз-контроля
P0566 — Неисправность сигнала выключения системы круиз-контроля
P0567 — Неисправность сигнала продолжения движения системы круиз-контроля
P0568 — Неисправность сигнала установки скорости системы круиз-контроля
P0569 — Неисправность сигнала торможения системы круиз-контроля
P0570 — Неисправность сигнала ускорения системы круиз-контроля
P0571 — Неисправность в цепи переключателя торможения A системы круиз-контроля
P0572 — Низкий показатель переключателя торможения A системы круиз-контроля
P0573 — Высокий показатель переключателя торможения A системы круиз-контроля
P0574 — Неисправность системы круиз-контроля
P0575 — Неисправность системы круиз-контроля
P0576 — Неисправность системы круиз-контроля
P0577 — Неисправность системы круиз-контроля
P0578 — Неисправность системы круиз-контроля
P0579 — Неисправность системы круиз-контроля
P0580 — Неисправность системы круиз-контроля
[0600-0699]
P0600 — Неисправность при связи с системой
P0601 — Ошибка контрольной суммы ПЗУ
P0602 — Программная ошибка блока управления
P0603 — Ошибка внешнего ОЗУ
P0604 — Ошибка внутреннего ОЗУ
P0605 — Ошибка в памяти (ROM) блока управления
P0606 — Неисправность процессора PCM
P0607 — Неисправность канала детонации
P0608 — Неисправность датчика VSS «A» блока управления
P0609 — Неисправность датчика VSS «В» блока управления
P0620 — Неисправность в цепи управления генератора
P0621 — Неисправность в цепи лампы «L» генератора
P0622 — Неисправность в блоке «F» генератора
P0650 — Неисправность в цепи индикаторной лампы неисправностей (MIL)
P0654 — Неправильно отрегулированы обороты двигателя
P0655 — Неисправность в цепи лампы прогрева двигателя
P0656 — Неисправность в цепи датчика уровня топлива
Ошибка P0403 на Крайслер Пт Крузер указывает на то, что ЭБУ зафиксировал проблему в системе рециркуляции отработанных газов. Аварийный код появляется при наличии короткого замыкания или обрыва проводки, связанной с вакуумным соленоидом. При возникновении ошибки загорается лампочка CHECK ENGINE, что означает также отключение системы рециркуляции. Также после появления кода 0403 водитель может ощущать проблемы с производительностью двигателя.
Ошибка Р0403 на Chrysler PT Cruiser возникает при:
- замыкании или повреждении проводки вакуумного соленоида;
- проблемах с электрическими контактами в вакуумном соленоиде;
- выходе вакуумного соленоида из строя;
- попадание воды в клапан вакуумного соленоида;
- некорректной работе ЭБУ.
Специалисты не рекомендуют сбрасывать код 403 или пытаться произвести ремонт самостоятельно. Без профессиональной диагностики вы только зря потратите время, силы и средства. Если вы хотите убрать ошибку, обратитесь за помощью в центр выхлопных систем RamFlow. Здесь работают опытные и квалифицированные мастера. Они не только уберут ошибку, но и устранят причину её появления. Это позволит избежать схожих проблем в будущем.
ПРИЕЗЖАЙТЕ НА БЕСПЛАТНУЮ ДИАГНОСТИКУ
Это 100% бесплатно, займет от 10 до 30 минут.
Наши специалисты проверят
выхлопную систему Вашей машины. Озвучат все проблемы если они есть.
Вы примете решение, устранить их, или оставить все как есть…
Не хотите заполнять форму? Тогда звоните прямо сейчас:
+7 495 142-09-67
смотрите также
В наличии детали для машин любого класса: от Renault и Skoda до Lamborghini и Maybach.
Наши мастера выполнят работы оперативно и качественно, поскольку мы действительно любим
и знаем своё дело. Ждём ваших звонков по телефону +7 495 142-09-67 с 10:00 до 22:00.
Свяжитесь с нами

Располагаем
всем необходимым
Сервис оснащён оборудованием для ремонта – аргоновой сваркой, трубогибом и пр. Наличие собственного
склада запчастей позволяет клиентам избежать длительного ожидания заказа. Мы официальный дилер
известных
изготовителей автозапчастей – RudEx, Buzzer, Fox, Magnaflow и т.д.

задачи
любой сложности
Команда «Ramflow» занимается производством, восстановлением
и тюнингом любых выхлопов. К нам обращаются владельцы легковых автомобилей, мотоциклов, вездеходов,
грузовиков, автобусов, скутеров, бензиновых или дизельных двигателей.

гарантийные
обязательства
Они распространяются на произведённые работы и установленные запчасти. Гарантия может быть годовой
или пожизненной. Это зависит от характера работ, бренда автозапчасти и других нюансов.

Предлагаем
разумные цены
Партнёрские отношения с поставщиками запчастей, большие объёмы заказов и постоянный поток клиентов
позволяют нам снизить стоимость. Цена будет полностью оправдана – никаких накруток и скрытых доплат.
На чтение 7 мин Просмотров 9.8к.
Рассмотрим подробнее
- Техническое описание и расшифровка ошибки P0403
- Симптомы неисправности
- Причины возникновения ошибки
- Как устранить или сбросить код неисправности P0403
- Диагностика и решение проблем
- На каких автомобилях чаще встречается данная проблема
- Видео
Код ошибки P0403 звучит как «неисправность цепи «А» рециркуляции выхлопных газов». Часто, в программах, работающих со сканером OBD-2, название может иметь английское написание «Exhaust Gas Recirculation (EGR) «A» Control Circuit Malfunction».
Техническое описание и расшифровка ошибки P0403
Этот код относятся к неисправности системы рециркуляции отработавших газов (EGR). Точнее – к ее электрической части. Система рециркуляции отработавших газов является неотъемлемой частью выхлопной системы транспортных средств. Функция которой заключается в предотвращении образований в цилиндрах, в частности NOx (оксидов азота).
EGR управляется компьютером автомобиля, который открывает или закрывает систему рециркуляции ОГ в зависимости от нагрузки, скорости и температуры. Чтобы поддерживать надлежащую температуру головки блока цилиндров.
Управление и обмен данными с компьютером происходит по двум проводам. Всего же к соленоиду идут 5 проводов. Еще 2 это напряжение с аккумулятора и земля. А также одна опорная клемма на 5 вольт, обычно располагается в центре.
Если компьютер двигателя, не видит никаких изменений напряжения, когда он пытается открыть или закрыть EGR, то это воспринимается как ошибка. После чего в память записывается код неисправности P0403 неисправность цепи «А» рециркуляции выхлопных газов.
Это означает, что изменения в электрической цепи не соответствуют эталонным значениям или вовсе отсутствуют. Уровень этих значений может отличаться в зависимости от марки и модели автомобиля.
Неэтилированное топливо склонно к образованию NOx (оксида азота) при экстремальных температурах в цилиндрах двигателя. Система рециркуляции отработавших газов направляет регулируемое количество выхлопных газов обратно во впускной коллектор.
Делается это для того, чтобы достаточно разбавить поступающую топливную смесь. Это необходимо чтобы снизить температуру головки блока цилиндров ниже той, при которой образуется NOx.
Корректная работа системы рециркуляции отработавших газов необходима не только, чтобы предотвратить выбросы NOx. Также она обеспечивает двигателю большую мощность без детонации и более бедную топливную смесь для лучшей экономии топлива.
Симптомы неисправности
Основным симптомом появления ошибки P0403 для водителя является подсветка MIL (индикатор неисправности). Также его называют Check engine или просто «горит чек».
Также они могут проявляться как:
- Загорится контрольная лампа «Check engine» на панели управления (код будет записан в память ECM как неисправность).
- Двигатель глохнет либо плохо заводится.
- Плавающие обороты, а также попытки заглохнуть на холостом ходу.
- Двигатель автомобиля может работать неустойчиво.
- Повышенный расход топлива.
- Снижение мощности двигателя.
- Иногда симптомы могут отсутствовать, несмотря на сохраненный код неисправности.
Серьезность кода неисправности P0403 высокая, но если кроме индикации неисправности, другие симптомы отсутствуют, то проблема считается умеренной. Но это не должно становится фактором для не решения проблемы.
Причины возникновения ошибки
Код P0403 может означать, что произошла одна или несколько следующих проблем:
- Короткое замыкание на массу.
- Проблема с проводкой или повреждение разъема.
- Коррозия электрических проводов или соединений.
- Засорение каналов клапана системы рециркуляции отработавших газов.
- Вентиляционное отверстие системы рециркуляции ОГ забито.
- Каналы датчика перепада давления отработавших газов могут быть забиты.
- Повреждение вакуумных трубопроводов или шлангов.
- Неисправность датчика положения клапана рециркуляции отработавших газов или датчика абсолютного давления воздуха во впускном коллекторе.
- Чрезмерное накопление нагара, которое препятствует свободному движению клапана EGR.
- Неисправный EGR.
- В редких случаях, неисправность модуля управления двигателем (ECM).
Как устранить или сбросить код неисправности P0403
Некоторые предлагаемые шаги для устранения неполадок и исправления кода ошибки P0403:
- Подключить сканер OBD-II к диагностическому разъему автомобиля и считать все сохраненные данные и коды ошибок.
- Очистить коды ошибок с памяти компьютера и провести тест-драйв автомобиля, чтобы выяснить, появляется ли код P0403 снова.
- Если код ошибки появится снова, визуально осмотреть электрические провода и соединители, относящиеся к системе рециркуляции отработавших газов.
- При необходимости отремонтируйте или замените все закороченные, оборванные, поврежденные или подвергнутые действию коррозии компоненты.
- Если проблема не решится, проверьте каналы системы рециркуляции отработавших газов на предмет засорения. Осмотрите вакуумные трубопроводы и выполните тщательную проверку на предмет утечки вакуума.
- Проверьте работу клапана рециркуляции отработавших газов и электромагнитного клапана управления вентиляцией.
- Проверьте работу датчика положения клапана рециркуляции отработавших газов и датчика абсолютного давления воздуха во впускном коллекторе.
- Измерьте напряжение в цепи электромагнитного клапана управления вентиляцией системы с помощью цифрового мультиметра.
- Сравните полученное значение со значением, указанным в технической документации производителя, при необходимости замените неисправный клапан.
- Если проблема сохраниться, проверьте и при необходимости замените модуль управления двигателем (ECM).
Диагностика и решение проблем
Первым шагом в процессе устранения неполадок с ошибкой P0403, как и для любой другой неисправности, является изучение бюллетеней технического обслуживания (TSB). На предмет известных проблем с конкретным автомобилем.
Шаги расширенной диагностики являются очень специфичными для конкретного автомобиля. Для этого могут потребоваться, специальное оборудование и знания для точного выполнения действий.
Дайте двигателю вашего автомобиля остыть. В большинстве случаев системы рециркуляции выхлопных газов (EGR) очень горячие. Поскольку они обычно устанавливаются непосредственно на выхлопной системе. Поэтому, если вы не дадите двигателю остыть, вы можете получить ожоги.
Осмотрите все вакуумные линии, они плохо переносят большие температуры, а в системе рециркуляции это не редкость. Любую сгоревшую или сломанную вакуумную линию необходимо заменить или отремонтировать.
Линии недорогие, поэтому лучше произвести замену всех линий на новые, особенно если вы обнаружите, что одна из них вышла из строя. Если одна из них имеет сильный износ, скорее всего, другие не за горами.
Обязательно тщательно проверьте целостность задействованных жгутов с проводами. Они часто проходят вдоль выхлопной трубы и вокруг нее. Поэтому было бы неплохо перевязать все незакрепленные провода. Если вы обнаружите перегоревший провод, припаяйте соединения и убедитесь в соответствующей изоляции.
Осмотрите соленоид вентиляции на предмет трещин и проникновения воды. Кроме того, убедитесь, что разъемы имеют надлежащее электрическое соединение, а защелки не повреждены и не сломаны.
Если есть возможность с доступом, вы можете снять клапан рециркуляции ОГ, чтобы проверить его состояние. Эти клапаны подвержены значительному налету в виде сажи, что также может вызывать ошибку P0403. Используйте очиститель карбюратора и зубную щетку, чтобы удалить сажу со всех загрязненных участков.
На каких автомобилях чаще встречается данная проблема
Проблема с кодом P0403 может встречаться на различных машинах, но всегда есть статистика, на каких марках эта ошибка присутствует чаще. Вот список некоторых из них:
- Audi (Ауди а6, Ауди q7)
- Chevrolet (Шевроле Круз, Лачетти, Люмина, Эквинокс)
- Chrysler (Крайслер Вояджер, Пацифика, Себринг)
- Citroen
- Dodge (Додж Интрепид, Караван)
- Fiat (Фиат Добло, Дукато)
- Ford (Форд Мондео, Транзит, Фокус, Эскейп)
- Honda
- Hyundai (Хендай Санта фе)
- Iveco
- Jeep (Джип Гранд Чероки)
- Kia (Киа Соренто, Спортейдж)
- Land Rover (Ленд Ровер Фрилендер)
- Lincoln (Линкольн Таун Кар)
- Mazda (Мазда 3, Мазда 6, Трибьют)
- Mercedes
- Mini
- Mitsubishi (Митсубиси Аиртрек, Галант, Каризма, Лансер, Мираж, Монтеро, Паджеро, Фусо, Цедия, Эклипс, L200)
- Nissan (Ниссан Патфайндер, Цефиро)
- Opel (Опель Агила, Астра, Вектра, Комбо, Корса)
- Peugeot (Пежо 307, 406, 806)
- Plymouth (Плимут Вояджер)
- Renault
- Skoda (Шкода Октавия)
- Ssangyong (Саньенг Актион)
- Subaru
- Suzuki (Сузуки Гранд Витара)
- Toyota (Тойота Витц, Королла, Марк 2)
- Volkswagen (Фольксваген Амарок, Гольф, Кадди, Крафтер, Пассат, Поло Седан, Туарег, Тигуан, Транспортер)
С кодом неисправности Р0403 иногда можно встретить и другие ошибки. Наиболее часто встречаются следующие: P0045, P0108, P0131, P0135, P0136, P0141, P0155, P0161, P0193, P02E0, P0400, P0401, P0402, P0404, P0405, P0406, P0407, P0408, P0409, P0443, P1400, P1811, U1417.

Коды ошибок Chrysler PT Cruiser